This chapter contains these topics:
To review the basic concepts of manufacturing accounting
To review the basic concepts of posting to the general ledger
To understand how the general ledger and the account code structure relate to manufacturing accounting
To understand what happens when work order transactions take place
To learn what calculations are performed in the Manufacturing Accounting system
To understand how work order variances are calculated and how to interpret variance reports
To identify the available manufacturing accounting reports
The Manufacturing Accounting system works with the General Accounting system to help you manage the general ledger functions for your organization.
Working with the Manufacturing Accounting system consists of:
Setting up manufacturing accounting
Understanding work orders in accounting
Working with work orders
Creating journal entries
Reviewing general ledger batches
Posting to the general ledger
The following two graphics illustrate the interaction between the Manufacturing Accounting system and the General Accounting system.
Figure 15-1 Interaction Between the Manufacturing Accounting and General Accounting Systems (1 of 2)

Figure 15-2 Interaction Between the Manufacturing Accounting and General Accounting Systems (2 of 2)

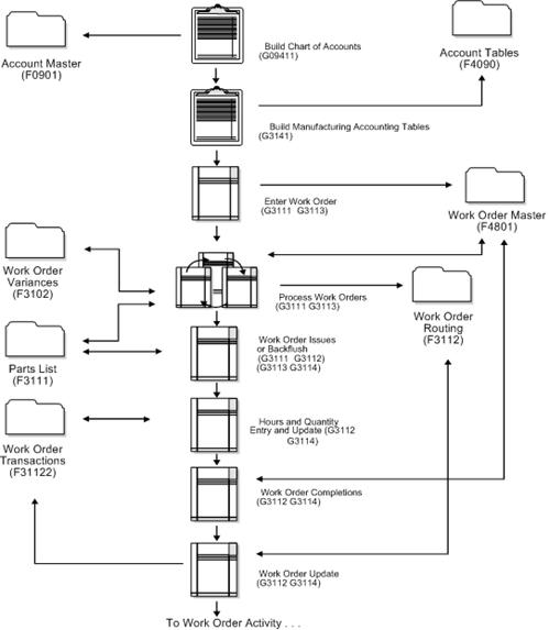
The following graphic (in two parts) illustrates the flow of the Manufacturing Accounting system.
Figure 15-3 Manufacturing Accounting System Flow (1 of 2)

Figure 15-4 Manufacturing Accounting System Flow (2 of 2)

Flex Accounting allows you to flex the Business Unit and Subsidiary sections of the general ledger account structure when performing a frozen cost update, WIP revaluation, manufacturing accounting, variance accounting, orderless completion accounting and actual cost close accounting.
Before you set up your company's Manufacturing Accounting system, you must have a basic understanding of the general ledger and accounting concepts. After you understand the underlying framework, you can use the Manufacturing Accounting system to:
Create and generate work orders
Run work order variances
To determine a company's net worth, you must review the results at the end of the previous fiscal period and then take into account changes that have occurred during the year.
You calculate these changes with this basic accounting equation:
To extend this equation, Shareholders' Equity is equal to the change in contributed capital plus revenues, minus expenses and dividends. The complete equation is illustrated below:
Figure 15-6 Shareholder's Equity Equation

The basis of all accounting systems is the T-account. This bookkeeping device is where you record the increases and decreases of a specific type of asset or liability caused by a business transaction.
T-accounts consist of two types of transactions-debits and credits. In the general ledger, "debit" and "credit" refer only to the position of the columns on the account. For example, you record an increase to an asset account as a debit and an increase to a liability account as a credit. Conversely, you record an increase to a revenue account as a credit and an increase to an expense account as a debit.
The account code structure provides a method for the system to record transactions to the general ledger. When you set up your system, you must:
Assign business unit/object/subsidiary codes
Determine how amounts are posted
Assign levels of detail that the system uses to structure accounts to roll up balances
Business units are an important part of the basic account structure. Business units identify where general ledger activity occurs. They are the lowest organizational level within your business and the level at which you account for all revenues, expenses, assets, liabilities, and equity.
Business units of 12 alphanumeric characters are set up in the following format:
Figure 15-9 Business Units of 12 Alphanumeric Characters

A company can have several revenue and expense business units, for example:
Department
Machine shop
Drill press
Every business unit you define must have an object and, optionally, subsidiary accounts. The object and subsidiary accounts define the kind of transaction you are working with (for example, rent, paper supplies, and so on). These items make up your chart of accounts.
The object, or major account, describes the type of transaction with which you are working. The system requires objects for each transaction entry, such as:
Rent expense
Service sales
Finished goods inventory
You use up to six alphanumeric characters in this field. To make data entry more efficient, you should consider using only numbers in the object.
An account number includes both the business unit and object.subsidiary codes. You can use periods (the default), commas, or other user defined symbols to separate the components of the account number.
Figure 15-10 Components of an Account Number

For example, you can categorize the "Cash in Banks" object (account 1110) into the following subsidiary accounts:
| Account | Description |
|---|---|
| 1110.BEAR | Bear Creek National Bank |
| 1110.FIB | First Interstate Bank |
| 1110.FRANCE | First Bank of France |
You assign levels of detail (LODs) to control which accounts are subtotaled during the rollup process. The system also displays the level of detail you view online and in printed reports.
Use LOD 3 through 9 for accounts. LOD 1 is reserved for companies and LOD 2 for business units. The system underlines LOD 3 on balance sheet reports and LODs 3 and 4 on income statement reports.
The following guidelines apply when you assign levels of detail to accounts:
Assign LODs sequentially and do not skip a level of detail. Non-sequential levels of detail cause rollup errors in financial reports that run at a level you did not use.
Assign LOD 3 to balance sheet title accounts for assets, liabilities, and equity.
Assign either LOD 3 or LOD 4 to major title accounts on the income statement. For example:
Revenues
Direct costs
General and administrative expenses
Other income and expenses
In addition to the regular business unit.object.subsidiary method of account coding, you can use subledger accounting. Subledgers are "subdivisions" of account details for categories that you do not want in the permanent chart of accounts.
The subledger and subledger type for a general ledger account work together to provide detailed accounting to the Account Master table (F0901). The subledger numbers become the audit trail for the posted subledger transactions.
You can group and report transactions posted to a general ledger account with subledger types. Subledger types allow you to view account totals in more detail. You can also report on subledgers across accounts (for example, all accounting activity by asset ID or by work order number).
Subledgers differ from subsidiary accounts in the following ways:
Subledgers do not create additional records in the Account Master table (F0901).
You enter and post transactions to the same account using different codes in the Subledger and Subledger Type fields rather than to different accounts.
Subledgers can create additional records in the Account Balances table (F0902). You control this using the posting edit code on the Account Master table.
There are eight predefined, hard-coded subledger types. Each one edits or validates the subledger number against a master table.
| Subledger Type | Description |
|---|---|
| A | Address Book number. This number is edited against the Address Book Master table (F0101). It is the most commonly used subledger type and is used for the detail method of intercompany settlements. |
| C | Business Unit number. This number is edited against the Business Unit Master table (F0006). |
| Subledger Type | Description |
|---|---|
| E | Equipment Item number. This number is edited against the Equipment Master table (F1201). |
| L | Lease Item number. This number is edited against the Lease Master table (F1501). |
| I | Item number (short). This number is edited against the Item Master table (F4101). |
| O | Sales Order number. This number is edited against the Sales Order Master table (F4211). |
| S | Structure Subledger. This item is edited against the Chart of Accounts Format table (F0909). |
| W | Work order number. This number is edited against the Work Order Master table (F4801). |
| M | Summarized work order number. This number is used for summarized journal entries. |
In addition, there are three subledger types (X, Y, and Z) that you can define with user defined codes (system 00, type ST). These types are not edited against any tables. You set up these types if you want the system to edit values against a format requirement rather than a specific value.
Use posting edit codes (PECs) to designate which accounts use subledgers and how the system posts accounts. These codes define how the system updates the general accounting tables and the type of information on which you can search or print a report.
Set the PEC on the Account Master table for all accounts that use subledger accounting. For subledger accounting, use one of the following PECs.
| Posting Edit Code | Description |
|---|---|
| S | Summary. Posts subledgers in summary format on every transaction that references the account. You see only subledger detail in the Account Ledger table.
This code requires subledger entry. |
| L | Long. Posts subledgers in detailed format. The system stores the subledger in detail in both the Account Ledger and Account Balances tables.
This code requires subledger entry. |
| X | Does not allow subledger entry for the account. |
| Blank | Allows all posting. The system posts the subledger in detailed format. A blank code does not require subledger entry. |
The chart of accounts is a record of the valid accounts you assign to the business units within your company's reporting structure. When you set up your chart of accounts, you define the location of the accounts using automatic accounting instructions (AAIs) that indicate which number ranges represent assets, liabilities, and so on.
The chart of accounts begins with the major headings of your transactions and continues with detailed transaction descriptions:
| Transaction | Description |
|---|---|
| Assets | (Balance Sheet) |
| Liabilities | (Balance Sheet) |
| Owners' Equity | (Balance Sheet) |
| Revenues | (Income Statement) |
| Expenses | (Income Statement) |
The chart of accounts displays the following elements:
The account number
The posting edit codes
The level of detail assigned to the account
Which accounts are assigned to which business units
Variances occur when the frozen standard costs differ from other user defined cost methods, such as current costs. These variances can be due to differences in labor or overhead, or changes to the bill of material or routing.
The following describes each variance type.
| Variance Type | Description |
|---|---|
| Engineering | The difference between the frozen standard costs (material, labor, and overhead) at the beginning of the accounting period and the current costs derived from the bills of material, routings, and overhead rates. |
| Planned | The difference between the current costs derived from the bills of material, routings, and overhead rates and the costs based on the work order parts list and routing instructions. Planned variances can occur when you revise a work order. |
| Actual | The difference between the cost values derived from the work order parts list and routing, and the material and labor that were actually reported against that work order. Actual variances can occur when you:
Labor Efficiency (Actual) The difference between the planned and actual labor costs, based on the work order routing. Material Usage (Actual) The difference between the planned and actual material costs, based on the work order parts list. |
| Other | Three ways to produce Other Variances
There are three ways to produce Other Variances in Manufacturing Accounting: 1. The first is through rounding. If there is a difference in the number of data decimals in the Production Cost File (F3102) and the item cost component add-ons file F30026 versus the Account Ledger file F0911, the system produces a rounding variance. These other variances are for very small amounts. 2. The second is to change the Frozen Standard Cost of a parent or component in the F30026 when there is a work order in process. When there are existing costs and they get changed in the middle of producing an item, this leaves a balance in WIP when P31802 - Completions is run. You can revalue WIP when there is a change to Frozen Standard Costs by setting the processing options in Frozen Update (P30835). 3. The third way to produce an Other Variance is to over- or under-complete a work order. |