This chapter describes the Oracle Communications Service Controller Service Capability Interaction Manager (SCIM) solution and how to configure Service Controller for this solution.
You use the SCIM solution to combine the service logic of multiple applications, and deliver the combined services to sessions in the network. Service Controller supports mixed orchestration of SIP-based and IN-based applications. The use case in this chapter demonstrates orchestration of multiple SIP-based services, and how to apply them to sessions in the IMS network. However, you can also combine IN-based services with SIP-based services and apply them to sessions in the legacy SS7 network.
Figure 3-1 shows the Service Controller components in the processing tier that you set up in order to combine two SIP-based services and apply them to sessions in the IMS network: two instances of IMASF, one to connect each application, RIMASF, and the Orchestration Engine. You also need to configure the SIP SSU in the signaling tier to enable SIP connectivity with the CSCF and SIP applications.
When combining the service logic of two applications, Service Controller routes sessions through the two applications, sequentially. Each application acts as back-to-back SIP user agent. Requests from the calling party pass through one application, then through the second application, and then directed to the called party, as shown in Figure 3-2. Responses from the called party pass through the second application, then through the first application, and then reach the calling party.
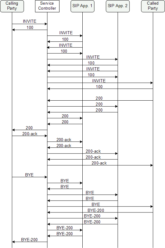
Figure 3-3 shows the full basic call flow for the SCIM use case shown in Figure 3-1.
Figure 3-3 Basic SCIM Solution Call Flow

This section describes how to set up an end-to-end configuration that combines two applications and deliver them to sessions in the network. For realization, this section walks you through the configuration of the solution in Figure 3-1; Orchestration of two SIP applications and delivery of the combined service logic to sessions in the IMS network. The documentation indicates steps that you can alter to implement a different solutions.
To set up an end-to-end configuration that delivers combined SIP applications logic to sessions in the IMS:
Enable Service Controller to accept traffic of sessions arriving from the IMS network. See "Connecting Service Controller to the IMS Network" for information about the components that you need to configure and how to configure them.
To deliver combined service logic to sessions in the SS7 network, connect Service Controller to the SS7 network instead. See "Connecting Service Controller to the Legacy SS7 Network" for information.
Enable the Service Controller SIP interface with one SIP application, and then with the second SIP application. For each SIP application, repeat the instructions in "Setting Up the SIP Interface with SIP Applications" once.
Route sessions that arrive from the network through the applications. See "Defining a Service Orchestration Chain" for information.
To connect Service Controller to the IMS network:
Configure Service Controller as a SIP entity, as described in Service Controller Signaling Server Units Configuration Guide, in the chapter about the SIP SSU.
In the Administration Console:
In the navigation tree, expand OCSB node, and then the Signaling Tier node.
Select the SSU SIP node.
In the SSU SIP tab, select the SIP Server tab.
In the Globally Routable User Agent URI field, enter a user agent identifier that uniquely represents Service Controller in the network. Enter sip:ip:port, where ip is an alpha-numeric IP-address or DNS name, and port is the numeric port that Service Controller uses to listen to SIP responses.
Configure each server in the signaling tier as a SIP network access point.
In the Administration Console:
In the navigation tree, expand the OCSB node, then the Signaling Tier node.
Select the SSU SIP node.
In the SIP tab, in the SIP Configuration tab, select the Network Access Points tab.
Click the Add button. The New dialog box appears.
Enter an alpha-numeric name for the newly added network access point. Click Apply. A new network access point appears in the tree.
Select the recently added network access point.
In the General tab, in the Target field, enter the name of the server and click Apply.
Select the Listen Address tab, configure the Host and Port of the network access point, and click Apply.
Select the External Listen Address tab. If you are using a Load Balancer in your system, configure the Host and Port of the Load Balancer. Otherwise, configure again the Host and Port of the network access point.
Repeat steps d through i for every server in the signaling tier.
For more details about configuring network access points in the SIP SSU, see the chapter about the SIP SSU in Service Controller Signaling Server Units Configuration Guide.
Route incoming SIP messages from the network to the R-IMASF module
In the Administration Console:
In the navigation tree, expand the OCSB node, then the Signaling Tier node.
Select the SSU SIP node.
In the SSU SIP tab, select the Incoming Routing Rules tab.
Click the New button. The New dialog box appears.
In the Name field, enter a name for the rule.
In the IP Address field, enter the address of your SIP application.
In the Alias field, enter the alias of the IMASF module that you want to process the messages from your SIP application. Enter ssu:IMASF-name.IMASF@domain where IMASF-name is the name that you gave to the IMASF module when you deployed it, and domain is the name of the processing domain where the module is deployed.
For more details about configuring incoming routing rules in the SIP SSU, see the chapter about the SIP SSU in Service Controller Signaling Server Units Configuration Guide.
Deploy and configure the R-IMASF module as described in Service Controller Modules Configuration Guide, in the chapter about R-IMASF.
To enable the Service Controller SIP interface:
(Optional) Configure the information of the SIP application server where your SIP application is running. In the SIP SSU, define the SIP application as a SIP network entity.
In the Administration Console:
In the navigation tree, expand OCSB node, and then the Signaling Tier node.
Select the SSU SIP node.
In the SSU SIP tab, select the SIP Network Entities tab.
Click the New button. The New dialog box appears.
Enter the fields in the New dialog box as described in the section about configuring SIP network entities in Service Controller Signaling Server Units Configuration Guide.
Click Apply.
Deploy and configure the IMASF module as described in Service Controller Modules Configuration Guide, in the chapter about the IMASF module.
Specifically, configure the address of the SIP application server where your applications are running.
In the Administration Console:
In the navigation tree, expand the OCSB node.
Expand the Processing Tier node, and then the Interworking Modules node.
Select the node of the IMASF module that you deployed.
In the Configuration tab, select the Application Server tab.
In the AS Address Alias field enter sip:ip:port, where ip is an alpha-numeric IP-address or DNS name of the application server, and port is the numeric port that the application server listens to.
Alternatively, if you performed step 1 and already configured the address of the SIP application in the SIP SSU, enter the alias that you assigned to the SIP application. Enter sip:alias, where alias is the alias that you assigned to the SIP application.
To route sessions through multiple applications, you have to first choose the method (LSS, HSS, or static service orchestration) that you want to use for service orchestration, and then, based on your choice, define a service orchestration chain with the multiple applications in it. See "Configuring Service Orchestration" for information about the different options for service orchestration, and how to configure them.