5.24.1 Oracle VMで実行するOracle RACクラスタ間のInfiniBandパーティションについて
InfiniBandパーティションは、相互の通信を許可されるInfiniBandノードまたはメンバーのグループを定義します。
セキュリティの見地から、結合システムの重要な要件の1つは、結合システム内の複数の環境間のネットワーク分離です。Oracle Exadata上でOracle VM Oracle Real Application Clusters (Oracle RAC)クラスタを使用した結合では、これは、1つのOracle RACクラスタのネットワーク・トラフィックが別のOracle RACクラスタにアクセスできないようするなどの、異なるOracle RACクラスタ同士の分離を意味します。Ethernetネットワークでは、このことは、My Oracle Supportドキュメント2018550.1で説明するように、VLANタグ付けを使用して実現します。InfiniBandネットワークでは、これは、カスタムInfiniBandパーティション、専用パーティション・キーおよびパーティション化表を使用して完成します。
InfiniBandパーティションでは、一意のパーティション・キーで識別されるパーティションが作成され、マスター・サブネット・マネージャで管理されます。メンバーは、これらのカスタム・パーティションに割り当てられます。パーティション内のメンバーは、メンバー自身同士でのみ通信できます(My Oracle Supportドキュメント2018550.1のAppendix 1で説明されているように、メンバーシップにより異なります)。1つのパーティションのメンバーは、別のパーティションのメンバーとは、メンバーシップにかかわらず、通信できません。これらのラインを継続して、特定の1つのクラスタのOracle VM Oracle RACノードが、クラスタウェア通信用の1つの専用パーティションと、ストレージ・セルとの通信用の1つのパーティションに割り当てられます。このようにして、1つのOracle RACクラスタのノードは、異なるパーティションに属する別のOracle RACクラスタのノードと通信できません。それぞれのOracle RACクラスタのノードには、それらに割り当てられた異なるパーティション・キーがあります。
デフォルトで、InfiniBandサブネット・マネージャは、パーティション・キー0x7FFF (制限されたメンバーシップ)または0xFFFF (完全なメンバーシップ)により識別される単一パーティションを提供します。カスタムのInfiniBandパーティションを使用していないOracle Exadata上のOracle VMデプロイメントでは、すべてのユーザー・ドメイン間で、パーティション・キー0xFFFFが使用されます。
図5-3 クラスタ間でInfiniBandネットワーク分離がないOracle VM Oracle RACクラスタ

「図5-3 クラスタ間でInfiniBandネットワーク分離がないOracle VM Oracle RACクラスタ」の説明
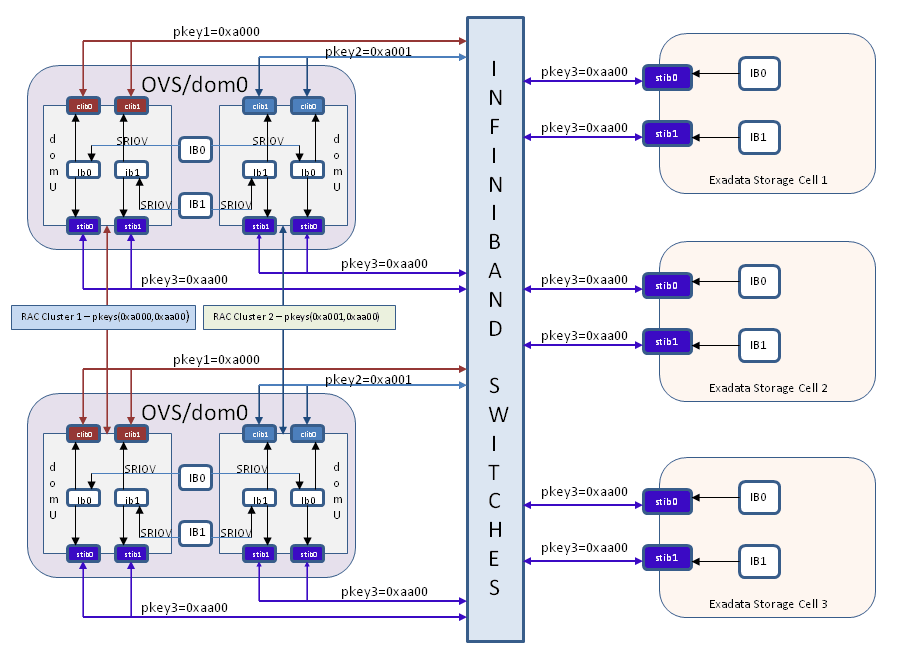
Oracle VM Oracle RACクラスタ間の分離を実装するためにデフォルト以外のカスタム・パーティションを使用する場合は、次の図に示すように構成が変化します。新しいインタフェースclib0、clib1 (クラスタpkey用)およびstib0、stib1 (ストレージpkey用)が、それぞれのユーザー・ドメイン(domU's)に存在します。
管理ドメイン(dom0)では、InfiniBandインタフェースの変更はありません。
図5-4 InfiniBandパーティションを使用してクラスタ間でInfiniBandネットワーク分離があるOracle VM Oracle RACクラスタ

「図5-4 InfiniBandパーティションを使用してクラスタ間でInfiniBandネットワーク分離があるOracle VM Oracle RACクラスタ」の説明