| A P P E N D I X A |
|
Mapping Device Path Names |
This appendix describes how to map device path names to physical system devices. It describes the following topics:
The physical address represents a physical characteristic that is unique to the device. Examples of physical addresses include the bus address and the slot number. The slot number indicates where the device is installed.
You reference a physical device by the node identifier--agent ID (AID). The AID ranges from 0 to 31 in decimal notation (0 to 1f in hexadecimal). In the device path beginning with ssm@0,0 the first number, 0, is the node ID.
CPU/Memory board and memory agent IDs (AIDs) range from 0 to 23 in decimal notation (0 to 17 in hexadecimal). Depending on the platform type, a system can have up to six CPU/Memory boards.
Each CPU/Memory board can have either two or four CPUs, depending on your configuration. Each CPU/Memory board has up to four banks of memory. Each bank of memory is controlled by one memory management unit (MMU), which is the CPU. The following code example shows a device tree entry for a CPU and its associated memory:
/ssm@0,0/SUNW/UltraSPARC-III@b,0 /ssm@0,0/SUNW/memory-controller@b,400000 |
There are up to four CPUs on each CPU/Memory board (TABLE A-1):
|
The first number in the columns of agent IDs is a decimal number. The number or letter in parentheses is in hexadecimal notation. |
||||
|---|---|---|---|---|
TABLE A-2 lists the types of I/O assemblies, the number of slots each I/O assembly has, and the systems the I/O assembly types are supported on.
TABLE A-3 lists the number of I/O assemblies per system and the I/O assembly name.
Each I/O assembly hosts two I/O controllers:
When mapping the I/O device tree entry to a physical component in the system, you must consider up to five nodes in the device tree:
TABLE A-4 lists the AIDs for the two I/O controllers in each I/O assembly.
|
The first number in the column is a decimal number. The number (or a number and letter combination) in parentheses is in hexadecimal notation. |
|||
|---|---|---|---|
Each I/O controller has two bus sides: A and B.
The board slots located in the I/O assembly are referenced by the device number.
This section describes the PCI I/O assembly slot assignments and provides an example of the device path.
The following code example gives a breakdown of a device tree entry for a SCSI disk:
/ssm@0,0/pci@19,700000/pci@3/SUNW,isptwo@4/sd@5,0 |
isptwo is the SCSI host adapter.
This section describes the PCI I/O assembly slot assignments and provides an example of the device path.
TABLE A-5 lists, in hexadecimal notation, the slot number, I/O assembly name, device path of each I/O assembly, the I/O controller number, and the bus.
In TABLE A-5, note the following:
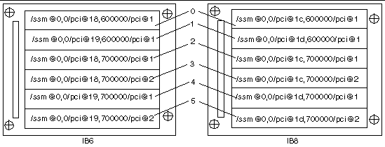
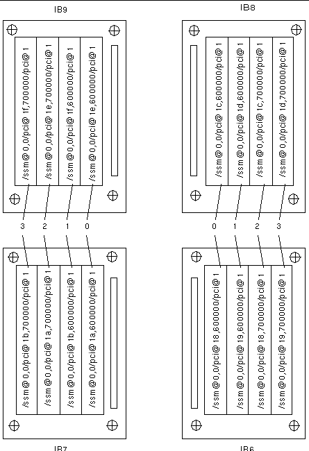
FIGURE A-1 illustrates the Sun Fire 6800 PCI I/O assembly physical slot designations for I/O assemblies IB6 through IB9.
FIGURE A-2 illustrates the comparable information for the Sun Fire 4810/4800/3800 systems.

This section describes the CompactPCI I/O assembly slot assignments and provides an example on the 6-slot I/O assembly device paths.
|
|
1. Use TABLE A-6 for Sun Fire 3800 systems or to determine the:
2. Use FIGURE A-3 to locate the slot based on I/O assembly and the physical slot number.
This code example is the breakdown of the device tree for the CompactPCI I/O assembly, ib8.
/ssm@0,0/pci@1c,700000/pci@1/SUNW,isptwo@4 |
isptwo is the SCSI host adapter.
TABLE A-6 lists, in hexadecimal notation, the slot number, I/O assembly name, device path of each I/O assembly, the I/O controller number, and the bus.
In TABLE A-6, note the following:
FIGURE A-3 illustrates the Sun Fire 3800 CompactPCI physical slot designations.

TABLE A-7 lists, in hexadecimal notation, the slot number, I/O assembly name, device path of each I/O assembly, the I/O controller number, and the bus for Sun Fire 6800/4810/4800 systems.
In TABLE A-7 note the following:
FIGURE A-4 illustrates the Sun Fire 4810 and 4800 CompactPCI physical slot designations.
Copyright © 2003, Sun Microsystems, Inc. All rights reserved.