| A P P E N D I X B |
|
|
This appendix describes using the DC Power Unit for the Sun StorageTek 6140 array in the following sections:
The Sun StorageTek 6140 array can be ordered with a DC power connection and connector cables.


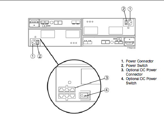
FIGURE B-1 shows the DC Power Connectors and DC Power Switch (item 15).
FIGURE
B-1 DC Power Connectors and DC Power Switch.
|
|
Caution - Risk of electrical shock -
This unit has more than one power source. |
FIGURE
B-2 DC Power Connector Cable and Source Wires
This section updates the Sun StorageTek 6140 Array Site Preparation Guide with information regarding site power and wiring, power requirements (-48 VDC), and power cord routing instructions for the Sun StorageTek 6140 array:
The Sun StorageTek 6140 array uses wide-ranging, redundant power supplies that automatically accommodate voltages to the AC power source or the optional -48-VDC power source.
The power supplies meet standard voltage requirements for both North American (USA and Canada) operation and worldwide (except USA and Canada) operation. The power supplies use standard industrial wiring with line-to-neutral or line-to-line power connections.
Consider the following information when preparing the array's installation site:
|
Note - Protective ground is also known as safety ground or chassis ground. |
Power circuits and associated circuit breakers must provide sufficient power and overload protection. To prevent possible damage to the array, isolate their power source from large switching loads (such as air- conditioning motors, elevator motors, and factory loads).
The DC power source must provide the correct voltage, current, and frequency specified on the array nameplate label and the serial number label.
The DC power limits within which the Sun StorageTek 6140 array can run without interruption include the following:
The Sun StorageTek 6140 array is shipped with -48-VDC power connector cables if the DC power option is ordered. The power connector cable plugs into the DC power connector on the back of the array (Figure 6-3 on page 6-3). The three source wires on the other end of the power connector cable connect the array to centralized DC power plant equipment, typically through a bus bar above the cabinet. A qualified service person is required to make this DC power connection. DC Power Connector Cable and Source Wires shows the DC connector cable and the source wires.
Two (or optionally, four) DC power connector cables are provided with each array. There are two DC power connectors on the back of each array's two DC power supplies if additional redundancy is required.
The following are specifications for DC power for a fully populated controller or expansion module:
Heat Output: 445 Watts (1519 BTU/Hr) using DC Power Source (NEBS)
Safety and Emissions: EN 300 386 (NEBS)
The sections that follow update the Sun StorageTek 6140 Array Hardware Installation Guide for DC power.
If the DC power option is ordered, two DC power connector cables are provided with each controller tray for connection to centralized DC power plant equipment.
Two additional DC power connector cables should be ordered if additional redundancy is required.
The following table lists the LEDs for DC power.
|
|
|||
|
|
To use the DC power option (-48-VDC) to power the array module, review the following points.


|
|
Caution - Electrical grounding hazard - This equipment is designed to permit the connection of the D.C. supply circuit to the earthing conductor at the equipment. |
|
1. Disconnect the two-pole 20-amp DC circuit breaker for the storage array.
2. Ensure that all DC power switches on the DC-powered array module and all DC power switches on any connected, DC-powered drive modules are turned off.
3. Connect the DC power connector cable to the DC power connector on the back of the array module.
|
|
Caution - The three source wires on the DC power connector cable (-48 VDC) connect the array module to centralized DC power plant equipment, typically through a bus bar located above the cabinet. |


4. A qualified service person is required to make the DC power connection per NEC and CEC guidelines. A two-pole 20-amp circuit breaker is required between the DC power source and DC-powered modules for over-current and short-circuit protection. Connect the DC power source wires on the other end of the DC power connector cable to the centralized DC power plant equipment as follows (see DC Power Connector Cable and Source Wires).
a. Connect the brown -48-VDC supply wire to the negative terminal.
b. Connect the blue return wire to the positive terminal.
c. Connect the green/yellow ground wire to the ground terminal.
5. If applicable, connect a DC power cable to each DC-powered drive module in the storage array.
|
|
Caution - Potential loss of data - An emergency shutdown of the storage array might not allow the server to complete its I/O to the storage array. |


|
Note - Before turning off the power switches on a DC-powered tray you must disconnect the two-pole 20-amp circuit breaker. |
Use the following guidelines when relocating trays or drives from one storage array to another.


Do not move controller trays or expansion trays that are part of a volume group configuration. If you must move array components, contact a Customer Support representative for procedures. A Customer Support representative might direct you to complete several tasks prior to undertaking the relocation. These tasks might include:
Copyright © 2007, Sun Microsystems, Inc. All Rights Reserved.