A P P E N D I X  A

Loopback Connectors


Loopback Connection Overview

Loopback connectors aid in testing communication ports. The connectors take the form of either a single plug or a port-to-port cable with some communication connections shorted (looped-back).



Note - Loopback connectors must be wired properly and connected firmly for the Serial Port tests to work correctly. Miswired, poorly soldered, or missing loopback connectors can cause erroneous diagnostic error messages.


The following table depicts the pin assignments for most loopback plugs and cables that may be used when testing a system.


TABLE A-1 Loopback Connector Pin Assignments

Signal Description

EIA

CCITT #

RS-449 A

RS-449 B

DIN 8
8-pin round

DB9
9-pin

DB25
25-pin

Direction

Alpha ID

Chassis/Frame Ground

AA

101

1

NC*

NC*

NC*

1

None

AA

Transmit Data
(TxDa)

BA

103

4

22

3

3

2

Output

BA

Receive Data
(RxDa)

BB

104

6

24

5

2

3

Input

BB

Request To Send
(RTSa)

CA

105

7

25

6

7

4

Output

CA

Clear To Send
(CTSa)

CB

106

9

27

2

8

5

Input

CB

Data Set Ready
(DSRa)

CC

107

11

29

NC*

6

6

Input/
output

CC

Signal Ground
(SG)

AB

102

19

NC*

4

5

7

None

AB

Data Carrier Detect
(DCDa)

CF

109

13

31

7

1

8

Input

CF

Transmit Clock In
(TRxCa)

DB

114

5

23

NC*

NC*

15

Input

DB

Receive Clock In
(RTxCa)

DD

115

8

26

8

NC*

17

Input

DD

Data Terminal
Ready (DTRa)

CD

108

12

30

1

4

20

Output

CD

External Clock Out
(TRxCa)

DA

113

17

35

NC*

NC*

24

Output

DA

Secondary Data
Carrier Detect
(DCDb)

SCF

122

NC*

NC*

NC*

NC*

12

Input

SCF

Secondary Clear
to Send (CTSb)

SCB

121

NC*

NC*

NC*

NC*

13

Input

SCB

Secondary Transmit
Data (TxDb)

SBA

118

NC*

NC*

NC*

NC*

14

Output

SBA

Secondary Receive
Data (RxDb)

SBB

119

NC*

NC*

NC*

NC*

16

Input

SBB

Secondary Request
to Send (RTSb)

SCA

120

NC*

NC*

NC*

NC*

19

Output

SCA


*NC = No connection


25-Pin RS-232 Loopback Plug

FIGURE A-1 shows the RS-232 and RS-423 single-port loopback plug, which is a specially wired male DB-25 connector. The plug is connected to a serial port in the back of the system under test. The following table lists the pin connections for connecting the first plug to the second plug:


TABLE A-2 25-pin RS-232 Loopback Plug Wiring Plug Connections

First Plug

Second Plug

Pin 3

Pin 2

Pins 6 and 8

Pin 20

Pins 15 and 17

Pin 24


FIGURE A-1 25-pin RS-232 Loopback Plug Wiring Diagram


25-Pin RS-232 Port-to-Port Loopback Cable

FIGURE A-2 shows how to connect 25-pin RS-232 and RS-423 port to 25-pin RS 232 and RS 423 port loopback cables (two DB-25 connections). The cable is connected to a pair of serial ports in the back of the system under test. Both plugs are male. The following table lists the pin connections for connecting the first plug to the second plug:


TABLE A-3 25-pin RS-232 Port-to-Port Loopback Cable Wiring Plug Connections

First Plug

Second Plug

Pin 2

Pin 3

Pin 3

Pin 2

Pin 4

Pin 5

Pin 5

Pin 4

Pins 6 and 8

Pin 20

Pin 7

Pin 7

Pins 15 and 17

Pin 24

Pin 20

Pins 6 and 8

Pin 24

Pins 15 and 17


 

FIGURE A-2 25-pin RS-232 Port-to-Port Loopback Cable Wiring Diagram


8-Pin to 8-Pin Loopback Cable

FIGURE A-3 shows how to connect 8-pin round DIN RS-232 port to RS-423 to 8-pin round-DIN RS-232 and RS-423 port loopback cables. Both plugs are male. The following table lists the pin connections for connecting the first plug to the second plug:


TABLE A-4 8-Pin to 8-Pin Loopback Cable Wiring Plug Connections

First Plug

Second Plug

Pin 3

Pin 5

Pin 5

Pin 3

Pin 6

Pin 2

Pin 2

Pin 6

Pin 7

Pin 1


 

FIGURE A-3 8-Pin to 8-Pin Loopback Cable Wiring Diagram

Pin 8, Receive clock In (DD), remains unconnected.


8-Pin Loopback Plug

FIGURE A-4 shows how to connect male 8-pin round-DIN RS-232 and RS-423 single-port loopback plugs. The following table lists the pin connections for connecting the first plug to the second plug:


TABLE A-5 8-Pin Loopback Plug Wiring Plug Connections

First Plug

Second Plug

Pin 3

Pin 5

Pin 6

Pin 2

Pin 1

Pin 7


FIGURE A-4 8-Pin Loopback Plug Wiring Diagram

Pin 8, Receive Clock In (DD), remains unconnected.


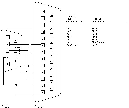
25-Pin Port A-to-Port B Loopback Plug

FIGURE A-5 shows how to connect a 25-pin Port A to Port B loopback plug for most systems. The following table lists the pin connections for connecting the first plug to the second plug:


TABLE A-6 Port A-to-Port B Loopback Plug Wiring Plug Connections

First Plug

Second Plug

Pin 16

Pin 2

Pin 3

Pin 14

Pin 13

Pin 4

Pin 5

Pin 19

Pins 6 and 8

Pin 11

Pin 12

Pin 20

Pin 18

Pin 24

Pins 15 and 17

Pin 25


 

FIGURE A-5 Port A-to-Port B Loopback Plug Wiring Diagram


25-Pin Port A-to-A Port B-to-B
Loopback Plug

If your system has a single communications port to connect it to peripherals, follow the connection instructions in FIGURE A-6 to make a male 25-pin loopback plug for that communication port. The following table lists the pin connections for connecting the first plug to the second plug:


TABLE A-7 Port A-to-A, Port B-to-B Loopback Plug Wiring Plug Connections

First Plug

Second Plug

Pin 3

Pin 2

Pin 5

Pin 4

Pins 6 and 8

Pin 20

Pin 12

Pin 11

Pin 13

Pin 19

Pin 16

Pin 14

Pins 15 and 17

Pin 24

Pin 25

Pin 18


 

FIGURE A-6 Port A-to-A, Port B-to-B Loopback Plug Wiring Diagram


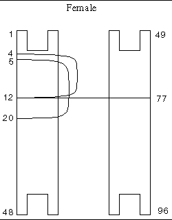
96-Pin Female Loopback Connector

FIGURE A-7 shows a 96-pin connector that can be ordered from Sun (part number 370-1366). The following table lists the pin connections for connecting the first plug to the second plug:


TABLE A-8 96-Pin Female Loopback Connector Wiring Plug Connections

First Plug

Second Plug

Pins 4 and 12

Pin 77

Pin 5

Pin 20

Pins 6

Pin 36

Pin 10

Pin 11

Pin 13

Pin 16

Pin 14

Pin 15

Pin 18

Pin 19

Pin 21

Pin 24

Pin 28

Pin 60

Pin 29

Pin 68

Pin 30

Pin 34

Pin 37

Pin 40

Pin 38

Pin 39

Pin 42

Pin 43

Pin 45

Pin 48

Pin 46

Pin 47

Pin 52

Pin 78

Pin 53

Pin 55

Pin 54

Pin 75

Pin 58

Pin 59

Pin 61

Pin 64

Pin 62

Pin 63

Pin 66

Pin 67

Pin 69

Pin 72

Pin 76

Pin 79

Pin 82

Pin 83

Pin 85

Pin 88

Pin 86

Pin 87

Pin 90

Pin 91

Pin 93

Pin 96

Pin 94

Pin 95


The following are the materials used for this plug:

FIGURE A-7 96-Pin Female Loopback Connector Wiring Diagram


96-Pin Female Special Loopback Connector

This 96-pin connector can be ordered from Sun (part number 370-1381).

FIGURE A-8 96-Pin Female Special Loopback Connector Wiring Diagram


37-Pin RS-449 Loopback Cable

Use these wiring instructions for a loopback cable for two 37-pin RS-449 synchronous ports.

FIGURE A-9 37-Pin RS-449 Loopback Cable Wiring Diagram


37-Pin RS-449 Loopback Plug

Use these wiring instructions to make a male 37-pin RS-449 loopback plug. This plug is also available from Sun (part number 530-1430).

FIGURE A-10 37-Pin RS-449 Loopback Plug Wiring Diagram


9-Pin Male Single-Port Loopback Plug

Use these wiring instructions for male 9-pin RS-232 and RS-423 single-port loopback plugs.

FIGURE A-11 9-Pin Male Single-Port Loopback Plug Wiring Diagram


9-Pin Female Single-Port Loopback Plug

Use these wiring directions for female 9-pin RS-232 and RS-423 single-port loopback plugs. Use this loopback plug with the pcmciatest.

FIGURE A-12 9-Pin Female Single-Port Loopback Plug Wiring Diagram


9-Pin to 25-Pin Port-to-Port Loopback Cable

Use these wiring instructions for a 9-pin RS-232 and RS-423 port to 25-pin RS-232 and RS 423 port loopback cables. Both connectors are male.

FIGURE A-13 9-Pin to 25-Pin Port-to-Port Loopback Cable Wiring Diagram


9-Pin to 9-Pin Port-to-Port Loopback Cable

Use these wiring instructions for 9-pin RS-232 and RS 423 port to 9-pin RS-232 and RS-423 port loopback cables. Both plugs are male.

 

FIGURE A-14 9-Pin to 9-Pin Port-to-Port Loopback Cable Wiring Diagram

This cable has no Sun part number assigned to it.


NT to TE Loopback Cable

Using two standard RJ-45 connectors, and connect pin 1 to pin 1, pin 2 to pin 2, and so on, for all pins. This loopback is a straight-through connection.


Twisted-Pair Ethernet (TPE) Loopback Cable for Fast Ethernet

Use the following wiring instructions for standard RJ-45 connectors for Fast Ethernet. Use loopback cable in netlbtest for eri devices.

FIGURE A-15 Twisted-Pair Ethernet (TPE) Loopback Cable Wiring Diagram for Fast Ethernet


TPE Loopback Cable for Gigabit and 10/100 Ethernet

Use the following wiring instructions for RJ-45 plugs for Gigabit and 10/100 Ethernet. This loopback cable is used in netlbtest for Gigabit and 10/100 devices.

FIGURE A-16 TPE Loopback Cable Wiring Diagram for Gigabit and 10/100 Ethernet


9-Pin Male Single-Port Loopback Plug

Use these wiring instructions for male 9-pin RS-232 and RS-423 single-port loopback plugs.

FIGURE A-17 9-Pin Male Single-Port Loopback Plug Wiring Diagram


9-Pin Female Single-Port Loopback Plug

Use these wiring directions for female 9-pin RS-232 and RS-423 single-port loopback plugs. Use this loopback plug with the pcmciatest.

FIGURE A-18 9-Pin Female Single-Port Loopback Plug Wiring Diagram


9-Pin Male DB-9 External Loopback Connector

Use these wiring instructions for male 9-pin DB-9 external loopback plugs.

FIGURE A-19 9-Pin Male DB-9 External Loopback Connector Wiring Diagram

The signals and names for the DB-9 connector are as follows.


Pin

Name

Signal

1

DCD

Data Carrier Detect

2

RxD

Receive Data

3

TxD

Transmit Data

4

DTR

Data Terminal Ready

5

SGND

Signal Ground

6

DSR

Data Set Ready

7

RTS

Request To Send

8

CTS

Clear To Send

9

RI

Ring Indicator



9-Pin Female DB-9 External Loopback Connector

Use these wiring instructions for female 9-pin DB-9 external loopback connectors.

FIGURE A-20 9-Pin Female DB-9 External Loopback Connector Wiring Diagram