| Oracle® Thesaurus Management System User's Guide Release 5.0.1 E37008-02 |
|
|
PDF · Mobi · ePub |
This section describes sample or practice dictionary definitions in Oracle Thesaurus Management System (TMS) that correspond to the sample load scripts you can download from My Oracle Support from Sample Maintenance Scripts for MedDRA, MedDRA Primary Path, MedDRA SMQ, WHO-Drug, and SNOMED (article ID 258975.1) and TMS CLASS Dictionary Loading Scripts (article ID 428204.1); see "Searching by Article ID".
Note:
The short names of the dictionary levels and of the dictionary itself must be exactly the same in the load script and in the dictionary definition in the TMS user interface.The dictionary definition and loading process is complex, and varies depending on the dictionary and the needs of the company. You can use CLS as a practice dictionary. All the control, data, and SQL files you need are provided in a zip file on the My Oracle Support Web site. You can use these files as examples when you create your own dictionaries.
The CLS structure diagram in Figure A-1 corresponds to the Level Definitions in "CLS Level Definitions" and Level Relations Definitions in "CLS Level Relations Definitions".
Table A-1 provides the Level Definitions for the CLS practice dictionary. See "Defining the Dictionary Levels" for instructions on defining dictionary levels using the Define Dictionaries window in TMS.
Table A-1 CLS Level Definitions
| Short Name | Name | Classification Level? | Report Value? | Level Order | Level Type | Term Unique? | Group Short Name |
|---|---|---|---|---|---|---|---|
|
ATC |
Anatomical-Therapeutic- Chemical Classification Group |
Group Level |
|||||
|
ATC1 |
ATC 1 |
X |
Level |
ATC |
|||
|
ATC2 |
ATC 2 |
X |
Level |
ATC |
|||
|
ATC3 |
ATC 3 |
X |
Level |
ATC |
|||
|
ATC4 |
ATC 4 |
X |
Level |
ATC |
|||
|
VTC |
Verbatim Term Classification Group |
X |
Group Level |
X |
|||
|
PN |
Preferred Name |
X |
Level |
VTC |
|||
|
SYN |
Synonym |
X |
1 |
Level |
VTC |
||
|
BNA |
Drug Constituents |
2 |
Level |
||||
|
DDSRC |
Source of Drug |
1 |
Level |
||||
|
MAN |
Manufacturers |
2 |
Level |
Table A-2 provides the Level Relations Definitions for the CLS practice dictionary. See "Defining Relations Between Levels (Strong Dictionaries Only)" for instructions on defining Level Relations in the Define Dictionaries window.
Table A-2 CLS Level Relation Definitions
| Setting | Parent Level | Child Level |
|---|---|---|
|
Level Name |
Anatomical-Therapeutic-Chemical- Classification Group |
ATC 1 |
|
Relation Type: Top Sublevel |
||
|
Short Name |
ATC |
ATC1 |
|
Mandatory? |
||
|
Many Cardinality? |
||
|
Primary Link? |
n/a |
|
|
Derivable? |
n/a |
|
|
Level Name |
ATC 1 |
ATC 2 |
|
Relation Type: Level |
||
|
Short Name |
ATC1 |
ATC2 |
|
Mandatory? |
X |
|
|
Many Cardinality? |
X |
|
|
Primary Link? |
n/a |
|
|
Derivable? |
X |
n/a |
|
Level Name |
ATC 2 |
ATC 3 |
|
Relation Type: Level |
||
|
Short Name |
ATC2 |
ATC3 |
|
Mandatory? |
X |
|
|
Many Cardinality? |
X |
|
|
Primary Link? |
n/a |
|
|
Derivable? |
X |
n/a |
|
Level Name |
ATC 3 |
ATC 4 |
|
Relation Type: Level |
||
|
Short Name |
ATC3 |
ATC4 |
|
Mandatory? |
X |
|
|
Many Cardinality? |
X |
|
|
Primary Link? |
n/a |
|
|
Derivable? |
X |
n/a |
|
Level Name |
Anat.-Therap.-Chem.-Classification Group |
Preferred Name |
|
Relation Type: Level |
||
|
Short Name |
ATC |
PN |
|
Mandatory? |
||
|
Many Cardinality? |
X |
X |
|
Primary Link? |
X |
n/a |
|
Derivable? |
X |
n/a |
|
Level Name |
Preferred Name |
Synonym |
|
Relation Type: Level |
||
|
Short Name |
PN |
SYN |
|
Mandatory? |
X |
|
|
Many Cardinality? |
X |
|
|
Primary Link? |
n/a |
|
|
Derivable? |
X |
n/a |
|
Level Name |
Preferred Name |
Drug Constituents |
|
Relation Type: Level |
||
|
Short Name |
PN |
BNA |
|
Mandatory? |
||
|
Many Cardinality? |
X |
X |
|
Primary Link? |
n/a |
|
|
Derivable? |
n/a |
|
|
Level Name |
Drug Constituents |
Source of Drug |
|
Relation Type: Level |
||
|
Short Name |
BNA |
DDSRC |
|
Mandatory? |
||
|
Many Cardinality? |
X |
|
|
Primary Link? |
n/a |
|
|
Derivable? |
n/a |
|
|
Level Name |
Verbatim Term Classification Group |
Preferred Name |
|
Relation Type: Top Sublevel |
||
|
Short Name |
VTC |
PN |
|
Mandatory? |
||
|
Many Cardinality? |
||
|
Primary Link? |
n/a |
|
|
Derivable? |
n/a |
|
|
Level Name |
Verbatim Term Classification Group |
Manufacturers |
|
Relation Type: Level |
||
|
Short Name |
VTC |
MAN |
|
Mandatory? |
||
|
Many Cardinality? |
X |
|
|
Primary Link? |
n/a |
|
|
Derivable? |
n/a |
|
|
Level Name |
Verbatim Term Classification Group |
Source of Drug |
|
Relation Type: Level |
||
|
Short Name |
VTC |
DDSRC |
|
Mandatory? |
||
|
Many Cardinality? |
X |
|
|
Primary Link? |
n/a |
|
|
Derivable? |
n/a |
|
This section provides a structure diagram of the sample medical dictionary, and the dictionary level and level relations definitions that are required to create a dictionary with this structure.
The sample medical dictionary structure in Figure A-2 corresponds to the definitions provided in "Sample Medical Dictionary Level Definitions" and "Sample Medical Dictionary Level Relations Definitions".
Figure A-2 Sample Medical Dictionary Structure

Table A-3 provides the Level Definitions for the sample medical dictionary. See "Defining the Dictionary Levels" for instructions on defining dictionary levels using the Define Dictionaries window in TMS.
Table A-3 Sample Medical Dictionary Level Definitions
| Short Name | Name | Classifica-tion Level? | Report Value | Level Order | Level Type | Term Unique? | Group Short Name |
|---|---|---|---|---|---|---|---|
|
SOC |
System Organ Class |
X |
Level |
||||
|
HLGT |
High Level Group Term |
Level |
|||||
|
HLT |
High Level Term |
Level |
|||||
|
PT |
Preferred Term |
X |
Level |
||||
|
LLT |
Lowest Level Term |
X |
X |
1 |
Level |
||
|
SC |
Special Category |
2 |
Level |
Table A-4 provides the Level Relations Definitions for the sample medical dictionary. See "Defining Relations Between Levels (Strong Dictionaries Only)" for instructions on defining Level Relations in the Define Dictionaries window.
Table A-4 Sample Medical Dictionary Level Relations Definitions
| Setting | Parent Level | Child Level |
|---|---|---|
|
Level Name |
System Organ Class |
High Level Group Term |
|
Relation Type: Level |
||
|
Short Name |
SOC |
HLGT |
|
Mandatory? |
X |
X |
|
Many Cardinality? |
X |
X |
|
Primary Link? |
n/a |
|
|
Primary Path Link? |
n/a |
|
|
Derivable? |
n/a |
|
|
Level Name |
High Level Group Term |
High Level Term |
|
Relation Type: Level |
||
|
Short Name |
HLGT |
HLT |
|
Mandatory? |
X |
X |
|
Many Cardinality? |
X |
X |
|
Primary Link? |
n/a |
|
|
Primary Path Link? |
n/a |
|
|
Derivable? |
n/a |
|
|
Level Name |
High Level Term |
Preferred Term |
|
Relation Type: Level |
||
|
Short Name |
HLT |
PT |
|
Mandatory? |
X |
X |
|
Many Cardinality? |
X |
X |
|
Primary Link? |
n/a |
|
|
Primary Path Link? |
n/a |
|
|
Derivable? |
n/a |
|
|
Level Name |
Preferred Term |
Lowest Level Term |
|
Relation Type: Level |
||
|
Short Name |
PT |
LLT |
|
Mandatory? |
X |
X |
|
Many Cardinality? |
X |
|
|
Primary Link? |
n/a |
|
|
Primary Path Link? |
n/a |
|
|
Derivable? |
X |
n/a |
|
Level Name |
System Organ Class |
Preferred Term |
|
Relation Type: Level |
||
|
Short Name |
SOC |
PT |
|
Mandatory? |
X |
X |
|
Many Cardinality? |
X |
|
|
Primary Link? |
n/a |
|
|
Primary Path Link? |
n/a |
|
|
Derivable? |
X |
n/a |
|
Level Name |
Preferred Term |
Special Category |
|
Relation Type: Level |
||
|
Short Name |
PT |
SC |
|
Mandatory? |
||
|
Many Cardinality? |
X |
X |
|
Primary Link? |
n/a |
|
|
Primary Path Link? |
n/a |
|
|
Derivable? |
n/a |
This section provides a structure diagram of the sample medical dictionary with a primary path, and the dictionary level and level relations definitions that are required to create a dictionary with this structure.
Sample Medical Dictionary with a Primary Path Dictionary Level Definitions
Sample Medical Dictionary with a Primary Path Level Relations Definitions
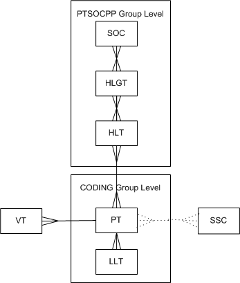
The sample medical dictionary structure in Figure A-3 corresponds to the definitions provided in "Sample Medical Dictionary with a Primary Path Dictionary Level Definitions" and "Sample Medical Dictionary with a Primary Path Level Relations Definitions".
Figure A-3 Sample Medical Dictionary with Primary Path Structure

Table A-5 provides the Level Definitions for the sample medical dictionary with a primary path. See "Defining the Dictionary Levels" for instructions on defining dictionary levels using the Define Dictionaries window in TMS.
Table A-5 Sample Medical Dictionary with a Primary Path Level Definitions
| Short Name | Name | Classifica-tion Level? | Report Value | Level Order | Level Type | Term Unique? | Group Short Name |
|---|---|---|---|---|---|---|---|
|
PTSOCPP |
Primary Path PT->SOC |
0 |
Group Level |
None |
|||
|
SOC |
System Organ Classes |
X |
0 |
Level |
Level |
PTSOCPP |
|
|
HLGT |
High Level Group Terms |
X |
0 |
Level |
Level |
PTSOCPP |
|
|
HLT |
High Level Terms |
X |
0 |
Level |
Level |
PTSOCPP |
|
|
CODING |
Coding Group |
X |
0 |
Group Level |
Level |
||
|
PT |
Preferred Terms |
X |
100 |
Level |
None |
CODING |
|
|
LLT |
Lowest Level Terms |
X |
0 |
Level |
Non |
CODING |
|
|
SC |
Special Search Categories |
1 |
Level |
Level |
|||
|
VT |
Verbatim Term |
500 |
Verbatim Level |
Level |
Table A-6 provides the Level Relations Definitions for the sample medical dictionary with a primary path. See "Defining Relations Between Levels (Strong Dictionaries Only)" for instructions on defining Level Relations in the Define Dictionaries window.
Table A-6 Sample Medical Dictionary with a Primary Path Level Relations Definitions
| Setting | Parent Level | Child Level |
|---|---|---|
|
Level Name |
Primary Path PT->SOC |
System Organ Class |
|
Relation Type: Level |
||
|
Short Name |
PTSOCPP |
SOC |
|
Mandatory? |
||
|
Many Cardinality? |
||
|
Primary Link? |
n/a |
|
|
Primary Path Link? |
n/a |
|
|
Derivable? |
n/a |
|
|
Level Name |
System Organ Class |
High Level Group Term |
|
Relation Type: Level |
||
|
Short Name |
SOC |
HLGT |
|
Mandatory? |
X |
X |
|
Many Cardinality? |
X |
X |
|
Primary Link? |
n/a |
|
|
Primary Path Link? |
n/a |
|
|
Derivable? |
n/a |
|
|
Level Name |
High Level Group Term |
High Level Term |
|
Relation Type: Level |
||
|
Short Name |
HLGT |
HLT |
|
Mandatory? |
X |
X |
|
Many Cardinality? |
X |
X |
|
Primary Link? |
n/a |
|
|
Primary Path Link? |
n/a |
|
|
Derivable? |
n/a |
|
|
Level Name |
High Level Term |
Preferred Term |
|
Relation Type: Level |
||
|
Short Name |
HLT |
PT |
|
Mandatory? |
X |
X |
|
Many Cardinality? |
X |
X |
|
Primary Link? |
n/a |
|
|
Primary Path Link? |
n/a |
|
|
Derivable? |
n/a |
|
|
Level Name |
Preferred Term |
Lowest Level Term |
|
Relation Type: Level |
||
|
Short Name |
PT |
LLT |
|
Mandatory? |
X |
X |
|
Many Cardinality? |
X |
|
|
Primary Link? |
n/a |
|
|
Primary Path Link? |
n/a |
|
|
Derivable? |
X |
n/a |
|
Level Name |
Primary Path PT->SOC |
Preferred Terms |
|
Relation Type: Level |
||
|
Short Name |
PTSOCPP |
PT |
|
Mandatory? |
X |
X |
|
Many Cardinality? |
X |
X |
|
Primary Link? |
n/a |
|
|
Primary Path Link? |
X |
n/a |
|
Derivable? |
X |
n/a |
|
Level Name |
System Organ Class |
Preferred Terms |
|
Relation Type: Level |
||
|
Short Name |
SOC |
PT |
|
Mandatory? |
X |
X |
|
Many Cardinality? |
X |
|
|
Primary Link? |
n/a |
|
|
Primary Path Link? |
n/a |
|
|
Derivable? |
X |
n/a |
|
Level Name |
Preferred Terms |
Special Categories |
|
Relation Type: Level |
||
|
Short Name |
PT |
SC |
|
Mandatory? |
||
|
Many Cardinality? |
X |
X |
|
Primary Link? |
n/a |
|
|
Primary Path Link? |
n/a |
|
|
Derivable? |
n/a |
|
|
Level Name |
Coding Group |
Preferred Terms |
|
Relation Type: Level |
||
|
Short Name |
CODING |
PT |
|
Mandatory? |
||
|
Many Cardinality? |
||
|
Primary Link? |
n/a |
|
|
Primary Path Link? |
n/a |
|
|
Derivable? |
n/a |
|
|
Level Name |
Coding Group |
Verbatim Term |
|
Relation Type: Verbatim Level |
||
|
Short Name |
CODING |
SC |
|
Mandatory? |
X |
|
|
Many Cardinality? |
X |
|
|
Primary Link? |
n/a |
|
|
Primary Path Link? |
n/a |
|
|
Derivable? |
X |
n/a |
This section provides a structure diagram of the sample medical SMQ dictionary, and the dictionary level and level relations definitions that are required to create a dictionary with this structure.
The sample medical dictionary structure in Figure A-4 corresponds to the definitions provided in "Sample Medical SMQ Dictionary Level Definitions" and "Sample Medical SMQ Dictionary Level Relation Definitions".
Figure A-4 Sample Medical SMQ Dictionary Structure

Table A-7 provides the Level Definitions for the sample medical SMQ dictionary. See "Defining the Dictionary Levels" for instructions on defining dictionary levels using the Define Dictionaries window in TMS.
Table A-8 provides the Level Relations Definitions for the sample medical SMQ dictionary. See "Defining Relations Between Levels (Strong Dictionaries Only)" for instructions on defining Level Relations in the Define Dictionaries window.
Table A-8 Sample Medical SMQ Dictionary Level Relations Definitions
| Setting | Parent Level | Child Level |
|---|---|---|
|
Level Name |
SMQ I |
SMQ II |
|
Relation Type: Level |
||
|
Short Name |
SMQ1 |
SMQ2 |
|
Mandatory? |
||
|
Many Cardinality? |
X |
X |
|
Primary Link? |
n/a |
|
|
Primary Path Link? |
n/a |
|
|
Derivable? |
n/a |
|
|
Level Name |
SMQ II |
SMQ III |
|
Relation Type: Level |
||
|
Short Name |
SMQ2 |
SMQ3 |
|
Mandatory? |
||
|
Many Cardinality? |
X |
X |
|
Primary Link? |
n/a |
|
|
Primary Path Link? |
n/a |
|
|
Derivable? |
n/a |
|
|
Level Name |
SMQ III |
SMQ IV |
|
Relation Type: Level |
||
|
Short Name |
SMQ3 |
SMQ4 |
|
Mandatory? |
||
|
Many Cardinality? |
X |
X |
|
Primary Link? |
n/a |
|
|
Primary Path Link? |
n/a |
|
|
Derivable? |
n/a |
|
|
Level Name |
SMQ IV |
SMQ V |
|
Relation Type: Level |
||
|
Short Name |
SMQ4 |
SMQ5 |
|
Mandatory? |
||
|
Many Cardinality? |
X |
X |
|
Primary Link? |
n/a |
|
|
Primary Path Link? |
n/a |
|
|
Derivable? |
n/a |
This section provides a structural diagram of the sample drug dictionary, and the dictionary level and Level Relations Definitions that are required to create a dictionary with this structure.
This dictionary is the same as CLS except that no Primary Link is defined between the ATC Group level and the Preferred Name level, and therefore you cannot derive terms from any of the sublevels within the ATC Group.
The sample drug dictionary structure in Figure A-5 corresponds to the definitions provided in "Sample Drug Dictionary Level Definitions" and "Sample Drug Dictionary Level Relations Definitions".
Figure A-5 Sample Drug Dictionary Structure

Table A-9 provides the Level Definitions for the sample drug dictionary. See "Defining the Dictionary Levels" for instructions on defining dictionary levels using the Define Dictionaries window in TMS.
Table A-9 Sample Drug Dictionary Level Definitions
| Short Name | Name | Classifica-tion Level? | Report Value? | Level Order | Level Type | Term Unique? | Group Short Name |
|---|---|---|---|---|---|---|---|
|
ATC |
Anatomical-Therapeutic-Chemical Classification Group |
Group Level |
|||||
|
ATC1 |
ATC 1 |
Level |
ATC |
||||
|
ATC2 |
ATC 2 |
Level |
ATC |
||||
|
ATC3 |
ATC 3 |
Level |
ATC |
||||
|
ATC4 |
ATC 4 |
Level |
ATC |
||||
|
VTC |
Verbatim Term Classification Group |
X |
Group Level |
X |
|||
|
PN |
Preferred Name |
X |
Level |
VTC |
|||
|
SYN |
Synonym |
X |
1 |
Level |
VTC |
||
|
BNA |
Drug Constituents |
2 |
Level |
||||
|
DDSRC |
Source of Drug |
1 |
Level |
||||
|
MAN |
Manufacturers |
2 |
Level |
Table A-10 provides the Level Relations Definitions for the sample drug dictionary. See "Defining Relations Between Levels (Strong Dictionaries Only)" for instructions on defining Level Relations in the Define Dictionaries window.
Table A-10 Sample Drug Dictionary Level Relations Definitions
| Setting | Parent Level | Child Level |
|---|---|---|
|
Level Name |
Anatomical-Therapeutic-Chemical- Classification Group |
ATC 1 |
|
Relation Type: Top Sublevel |
||
|
Short Name |
ATC |
ATC1 |
|
Mandatory? |
||
|
Many Cardinality? |
||
|
Primary Link? |
n/a |
|
|
Primary Path Link? |
n/a |
|
|
Derivable? |
n/a |
|
|
Level Name |
ATC 1 |
ATC 2 |
|
Relation Type: Level |
||
|
Short Name |
ATC1 |
ATC2 |
|
Mandatory? |
X |
|
|
Many Cardinality? |
X |
|
|
Primary Link? |
n/a |
|
|
Primary Path Link? |
n/a |
|
|
Derivable? |
n/a |
|
|
Level Name |
ATC 2 |
ATC 3 |
|
Relation Type: Level |
||
|
Short Name |
ATC2 |
ATC3 |
|
Mandatory? |
X |
|
|
Many Cardinality? |
X |
|
|
Primary Link? |
n/a |
|
|
Primary Path Link? |
n/a |
|
|
Derivable? |
n/a |
|
|
Level Name |
ATC 3 |
ATC 4 |
|
Relation Type: Level |
||
|
Short Name |
ATC3 |
ATC4 |
|
Mandatory? |
X |
|
|
Many Cardinality? |
X |
|
|
Primary Link? |
n/a |
|
|
Primary Path Link? |
n/a |
|
|
Derivable? |
n/a |
|
|
Level Name |
Anat.-Therap.-Chem.-Classification Group |
Preferred Name |
|
Relation Type: Level |
||
|
Short Name |
ATC |
PN |
|
Mandatory? |
||
|
Many Cardinality? |
X |
X |
|
Primary Link? |
n/a |
|
|
Primary Path Link? |
n/a |
|
|
Derivable? |
n/a |
|
|
Level Name |
Preferred Name |
Synonym |
|
Relation Type: Level |
||
|
Short Name |
PN |
SYN |
|
Mandatory? |
X |
|
|
Many Cardinality? |
X |
|
|
Primary Link? |
n/a |
|
|
Derivable? |
X |
n/a |
|
Level Name |
Preferred Name |
Drug Constituents |
|
Relation Type: Level |
||
|
Short Name |
PN |
BNA |
|
Mandatory? |
||
|
Many Cardinality? |
X |
X |
|
Primary Link? |
n/a |
|
|
Derivable? |
n/a |
|
|
Primary Path Link? |
n/a |
|
|
Level Name |
Drug Constituents |
Source of Drug |
|
Relation Type: Level |
||
|
Short Name |
BNA |
DDSRC |
|
Mandatory? |
||
|
Many Cardinality? |
X |
|
|
Primary Link? |
n/a |
|
|
Primary Path Link? |
n/a |
|
|
Derivable? |
n/a |
|
|
Level Name |
Verbatim Term Classification Group |
Preferred Name |
|
Relation Type: Top Sublevel |
||
|
Short Name |
VTC |
PN |
|
Mandatory? |
||
|
Many Cardinality? |
||
|
Primary Link? |
n/a |
|
|
Primary Path Link? |
n/a |
|
|
Derivable? |
n/a |
|
|
Level Name |
Verbatim Term Classification Group |
Manufacturers |
|
Relation Type: Level |
||
|
Short Name |
VTC |
MAN |
|
Mandatory? |
||
|
Many Cardinality? |
X |
|
|
Primary Link? |
n/a |
|
|
Primary Path Link? |
n/a |
|
|
Derivable? |
n/a |
|
|
Level Name |
Verbatim Term Classification Group |
Source of Drug |
|
Relation Type: Level |
||
|
Short Name |
VTC |
DDSRC |
|
Mandatory? |
||
|
Many Cardinality? |
X |
|
|
Primary Link? |
n/a |
|
|
Primary Path Link? |
n/a |
|
|
Derivable? |
n/a |
|
This section provides a structural diagram of the sample SNOMED dictionary, and the dictionary level and Level Relations Definitions that are required to create a dictionary with this structure.
The sample SNOMED dictionary structure in Figure A-6 corresponds to the definitions provided in "Sample SNOMED Dictionary Level Definitions" and "Sample SNOMED Dictionary Level Relations".
Figure A-6 Sample SNOMED Dictionary Structure

Table A-11 provides the Level Definitions for the sample SNOMED dictionary. See "Defining the Dictionary Levels" for instructions on defining dictionary levels using the Define Dictionaries window in TMS.
Table A-12 provides the Level Relations Definitions for the sample SNOMED dictionary. See "Defining Relations Between Levels (Strong Dictionaries Only)" for instructions on defining Level Relations in the Define Dictionaries window.