C Cables and Adapters
Labeling Cables
This section provides general labeling instructions for cables.
Before installing any cable use this procedure to label the cables to ensure connection to the proper ports and ease of future maintenance.
warning:
The intra-building port(s) of the equipment or subassembly is suitable for connection to intra-building or unexposed wiring or cabling only. The intra-building port(s) of the equipment or subassembly MUST NOT be metallically connected to interfaces that connect to the Outside Plant (OSP) or its wiring. These interfaces are designed for use as intra-building interfaces only (Type 2 or Type 4 ports as described in GR-1089-CORE, Issue 4) and require isolation from the exposed OSP cabling. The addition of Primary Protectors is not sufficient protection in order to connect these interfaces metallically to OSP wiring.Recommended Tools
-
Installer’s Cable Running List
-
All cables listed in Installer’s Cable Running List
-
Any non-Oracle cables
-
Cable labels (including blank labels for non-Oracle cables)
-
Fine point marker
Cables and Adapters
Cables and adapters are listed in alphabetical order.
The words NOT TERMINATED or UNTERMINATED refers to the end of the cable that is not equipped with a connector in manufacturing and the wires must be cut, dressed, and connected at the site specific location.
Cable and Adapter Use
Table C-1 shows the cables and adapters used for E5-type cards in new installations in a vacant uncabled slot in a shelf.
Note:
References to E5- type cards include E5-B type cards.Note:
Exceptions, additions, and clarifications to the following tables are by superscript numeric notation relating to the listed notes located at the end of this section. The notations are indicated as a numbered step reference (such as 1) which corresponds to the appropriate note which is shown at the end of this section. For example, a table cell with X1,2 would indicate that notes 1 and 2 are applicable to that component.Table C-1 Cable/Adapter Use - New Installation
| Card P/N | Application | Adapter | Qty | Cable | Qty |
|---|---|---|---|---|---|
|
E5-E1T1-B 870-2970-xx |
E1 |
No adapters required |
830-1132-XX |
1 |
|
|
T1 |
No adapters required |
7112462 830-1197-XX |
2 |
||
|
E5-ENET-B 870-2971-xx |
IPLIM IPGW IPSG STC |
830-1102-XX |
2 |
830-1174-XX |
2 |
|
FAST COPY |
|||||
|
E5-SM8G-B 870-2990-01 |
SCCP (ExAP Interface) |
830-1104-XX |
2 |
830-1174-XX |
2 |
|
GTT |
No adapters required | No cables required | |||
|
E5-ENET-B 870-2971-xx |
IPSM |
OR 830-1103-XX |
1 |
1 |
|
|
E5-ATM-B 870-2972-01 |
ATM-T1 |
No adapters required |
7112462 830-1197-XX |
1 |
|
|
ATM-E1 |
No adapters required |
830-1132-XX |
1 |
||
|
E5-MASP 7346924 870-2903-xx |
OAM |
830-1333-02 |
1 |
||
|
E5-MCPM-B |
MCP |
830-1102-XX |
1 |
830-1174-XX |
1 |
|
SLIC 7094646 |
ENUM DEIR SIP SCCP (ExAP Interface) |
830-1102-03 |
2 |
830-1174-XX CAT6A 830-1404-xx |
2 |
|
IPSG |
830-1102-03 |
2 |
830-1174-XX CAT6A 830-1404-xx |
4 |
|
|
IPS MCP STC |
830-1102-03 |
1 |
830-1174-XX |
1 |
|
|
GTT |
No adapters required |
No cables required |
|||
|
SLIC 7094646 |
E1 |
No adapters required |
830-1132-XX |
1 |
|
|
T1 |
No adapters required |
7112462 830-1197-XX |
2 |
Notes:
B-Clock Cable
Table C-2 Clock Cable
| Part Number | Length (inches) | Part Number | Length (inches) | ||
|---|---|---|---|---|---|
| North American | International | North American | International | ||
|
830-0398-01 |
830-1150-01 |
96 |
830-0398-12 |
-- |
164 |
|
830-0398-02 |
-- |
144 |
830-0398-13 |
830-1150-13 |
176 |
|
830-0398-03 |
-- |
192 |
830-0398-14 |
830-1150-14 |
208 |
|
830-0398-04 |
830-1150-04 |
240 |
830-0398-15 |
-- |
224 |
|
830-0398-05 |
-- |
288 |
830-0398-16 |
-- |
232 |
|
830-0398-06 |
830-1150-06 |
360 |
830-0398-17 |
830-1150-17 |
252 |
|
830-0398-07 |
-- |
18 |
830-0398-18 |
-- |
272 |
|
830-0398-08 |
-- |
48 |
830-0398-19 |
830-1150-19 |
284 |
|
830-0398-09 |
-- |
84 |
830-0398-20 |
830-1150-20 |
52 |
|
830-0398-10 |
830-1150-10 |
116 |
830-0398-21 |
830-1150-21 |
78 |
|
830-0398-11 |
830-1150-11 |
132 |
|||
Figure C-3 Clock Cable

Crossover (CAT-5) Cable
Table C-3 Crossover CAT-5 Cable
| Part Number | Length | ||
|---|---|---|---|
| North American | International | meters | feet |
|
830-0723-01 |
830-1173-01 |
0.30 |
1 |
|
830-0723-02 |
830-1173-02 |
0.90 |
3 |
|
830-0723-03 |
830-1173-03 |
1.37 |
4.5 |
|
830-0723-xx |
830-1173-xx |
available in many more lenghts |
|
Figure C-4 Crossover CAT-5 Cable

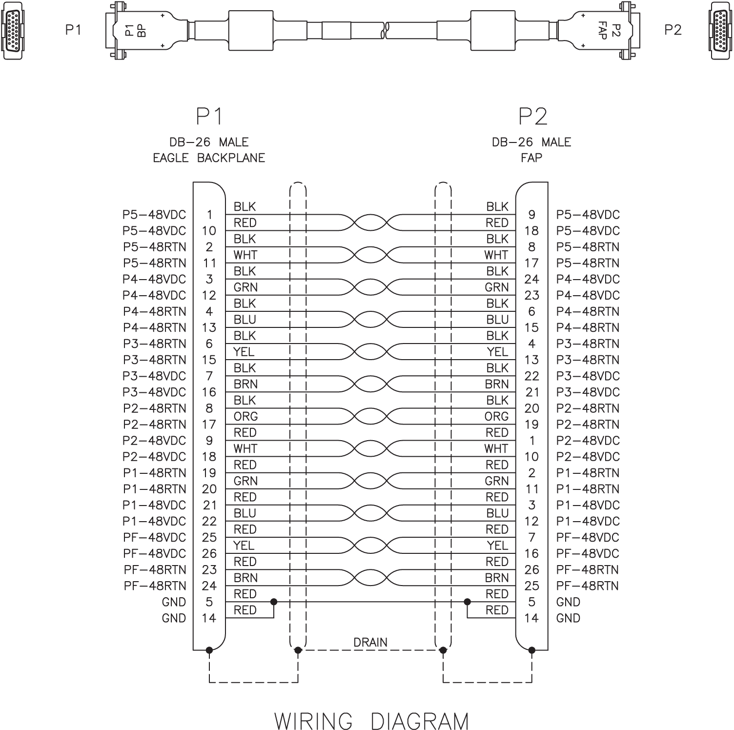
E5-ENET ADAPTER (DB26 Male-to-Dual RJ45)
The Ethernet cable pinouts differ between the E5-ENET card and the DCM or single-slot EDCM cards.
Adapter 830-1102-02 is required for installation of the E5-ENETwhen the DCM cable is replaced with a CAT5 straight-through cable 830-1174-xx. The adapter is connected to the backplane and the CAT5 straight-through cable cable is connected from the other side of the adapter to a switch, or a hub, or a patch panel (same place the DCM cable was terminated). If the card inserted into the slot does not match the backplane connector, the interface will not function.
Figure C-5 DB26 Male to Dual RJ45 Adapter

External Alarm Cable (Custom)
Table C-4 External Alarm Cable (Custom)
| Part Number | Length | ||
|---|---|---|---|
| North American | International | feet | meters |
|
830-0435-01 |
830-1151-01 |
50 |
15.24 |
|
830-0435-02 |
830-1151-02 |
75 |
22.86 |
|
830-0435-03 |
830-1151-03 |
100 |
30.48 |
|
830-0435-04 |
830-1151-04 |
125 |
38.10 |
|
830-0435-05 |
830-1151-05 |
150 |
45.72 |
|
830-0435-06 |
830-1151-06 |
175 |
53.34 |
|
830-0435-07 |
830-1151-07 |
200 |
61.96 |
|
830-0435-08 |
830-1151-08 |
250 |
76.20 |
|
830-0435-09 |
830-1151-09 |
300 |
91.40 |
|
830-0435-10 |
830-1151-10 |
500 |
152.40 |
|
830-0435-11 |
830-1151-11 |
1000 |
304.80 |
Figure C-6 External Alarm Cable (Custom)

Fan Power and Alarm Cable
The fan power and alarm cable is part of the fan assembly.
For A fan power, plug one end of the cable into J-9 on backplane 850-0330-06. Route the cable to the left of the frame, faced from the rear, and to the assembly, to the connection marked FAN A POWER.
For B fan power, plug one end of the cable into J-8 on the backplane 850-0330-06. Route the cable to the left of the frame, faced from the rear, and to the fan assembly, to the connection marked FAN B POWER. Form and dress the two cables together and check the security of all of the connections.
Filter Rack Alarm Cable
Table C-5 Filter Rack Alarm Cable
| Part Number | Length | ||
|---|---|---|---|
| North American | International | feet | meters |
|
830-0638-01 |
830-1163-01 |
5.0 |
1.524 |
|
830-0638-02 |
830-1163-02 |
8.0 |
2.438 |
|
830-0638-03 |
830-1163-03 |
11.0 |
3.352 |
|
830-0638-04 |
830-1163-04 |
14.0 |
4.267 |
|
830-0638-05 |
830-1163-05 |
17.0 |
5.182 |
|
830-0638-06 |
830-1163-06 |
20.0 |
6.069 |
|
830-0638-07 |
830-1163-07 |
21.5 |
6.553 |
|
830-0638-08 |
830-1163-08 |
27.5 |
8.382 |
Figure C-7 Filter Rack Alarm Cable

IMT Cable High Speed
Table C-6 Interface Cable High Speed
| Part Number | Length | |
|---|---|---|
| International | feet | meters |
|
830-1344-01 |
5.75 |
1.75 |
|
830-1344-02 |
7.67 |
2.34 |
|
830-1344-04 |
0.5 |
0.15 |
|
830-1344-05 |
14.0 |
4.27 |
|
830-1344-06 |
12.0 |
3.66 |
|
830-1344-07 |
13.0 |
3.96 |
|
830-1344-08 |
16.0 |
4.88 |
|
830-1344-09 |
19.0 |
5.79 |
|
830-1344-10 |
21.0 |
6.4 |
|
830-1344-11 |
23.0 |
7.01 |
|
830-1344-12 |
25.0 |
7.62 |
|
830-1344-15 |
11.0 |
3.35 |
|
830-1344-17 |
27.0 |
8.23 |
Figure C-8 IMT Cable

Power Cable
Table C-7 Power Cable
| Part Number | Length | ||
|---|---|---|---|
| feet | meters | ||
|
830-1147-04 |
4.5 |
1.22 |
|
|
830-1147-05 |
6.5 |
1.98 |
|
|
830-1147-06 |
8.5 |
2.58 |
|
Figure C-10 Power Cable

Row Alarm Cable
Table C-8 Row Alarm Cable
| Part Number | Length | ||
|---|---|---|---|
| feet | meters | ||
|
830-1145-12 |
20 |
6.1 |
|
Figure C-11 Row Alarm Cable

Shielded Straight Through Cable (CAT-5)
Table C-9 Shielded Straight Through CAT-5 Cable
| Part Number | Length | ||
|---|---|---|---|
| meters | feet | ||
|
830-1174-10 |
30.48 |
100.0 |
|
|
830-1174-43 |
60.96 |
200.0 |
|
|
830-1174-63 |
91.44 |
300.0 |
|
Figure C-13 Straight Through Cable (CAT-5)

Local Maintenance Center Cable
Table C-10 Local Maintenance Center Cable
| Part Number | Length | ||
|---|---|---|---|
| North American | International | feet | meters |
|
830-0231-01 |
830-1144-01 |
50 |
15.25 |
|
830-0231-02 |
830-1144-02 |
75 |
22.88 |
|
830-0231-03 |
830-1144-03 |
100 |
30.50 |
|
830-0231-04 |
830-1144-04 |
125 |
38.13 |
|
830-0231-05 |
830-1144-05 |
150 |
45.75 |
|
830-0231-06 |
830-1144-06 |
175 |
53.38 |
|
830-0231-07 |
830-1144-07 |
200 |
61.00 |
|
830-0231-08 |
830-1144-08 |
250 |
76.25 |
|
830-0231-09 |
830-1144-09 |
300 |
91.50 |
|
830-0231-10 |
830-1144-10 |
500 |
152.50 |
|
830-0231-11 |
-- |
1000 |
305.00 |
Figure C-15 Local Maintenance Center Cable

Remote Maintenance Center Cable
Table C-11 Remote Maintenance Center Cable
| Part Number | Length | ||
|---|---|---|---|
| North American | International | feet | meters |
|
830-0233-01 |
830-1146-01 |
50 |
15.25 |
|
830-0233-02 |
830-1146-02 |
75 |
22.88 |
|
830-0233-03 |
830-1146-03 |
100 |
30.50 |
|
830-0233-04 |
830-1146-04 |
125 |
38.13 |
|
830-0233-05 |
830-1146-05 |
150 |
45.75 |
|
830-0233-06 |
830-1146-06 |
175 |
53.38 |
|
830-0233-07 |
830-1146-07 |
200 |
61.00 |
|
830-0233-08 |
830-1146-08 |
250 |
76.25 |
|
830-0233-09 |
830-1146-09 |
300 |
91.50 |
|
830-0233-10 |
830-1146-10 |
500 |
152.50 |
|
830-0233-11 |
830-1146-11 |
1000 |
305.00 |
Figure C-16 Remote Maintenance Center Cable





