|
The following sections explain how to set security policies for an Oracle Tuxedo ATMI application:
Administering security for an ATMI application involves setting and enforcing security policies for the components of the application, including its clients, server machines, and gateway links. The application administrator sets the security policies for the ATMI application, and the Oracle Tuxedo system upon which the ATMI application is built enforces those policies.
The Oracle Tuxedo system offers the following ATMI security capabilities:
All but one of the security capabilities can be configured by the application administrator. The exception is auditing, which cannot be configured, as shown in the following figure.

Security administration consists of the following tasks:
The application administrator needs to know about the Oracle Tuxedo registry if the ATMI application is to be configured with one or more custom security capabilities. On the other hand, if the ATMI application is to be configured only with default security, the Oracle Tuxedo registry does not need to be changed.
The Oracle Tuxedo registry is a disk-based repository for storing information related to plug-in modules. Initially, this registry holds registration information about the default security plug-ins.
Most Oracle middleware products use a common transaction processing (TP) infrastructure that consists of a set of core services, such as security. The TP infrastructure is available to ATMI applications through well defined interfaces. These interfaces allow application administrators to change the default behavior of the TP infrastructure by loading and linking their own service code modules, referred to as plug-in modules or simply plug-ins.
The first step in loading a plug-in is to register the plug-in with the host operating system. Registering a plug-in adds an entry for the plug-in to the Oracle Tuxedo registry, which is a set of binary files that stores information about active plug-ins. There is one registry per Oracle Tuxedo installation.
Every Workstation client and server machine in an ATMI application must use the same set of plug-in modules.
The administrator of an ATMI application in which custom plug-ins will be used is responsible for registering those plug-ins and performing other registry related tasks. An administer can register plug-ins in the Oracle Tuxedo registry only from the local machine. That is, an administrator cannot register plug-ins while logged on to the host machine from a remote location.
Three commands are available for administering plug-ins:
Instructions for using these commands are available in Developing Security Services for ATMI and CORBA Environments. (This document contains the specifications for the security plug-in interface, and describes the plug-in framework feature that makes the dynamic loading and linking of security plug-in modules possible.) Also, when installing custom plug-ins, the supplying third-party security vendor should provide instructions for using these commands to set up the Oracle Tuxedo registry to access the custom plug-ins.
For more information about security plug-ins, including installation and configuration procedures, see your Oracle account executive.
An application administrator configures security for the ATMI application on the MASTER machine when the application is inactive. The underlying Oracle Tuxedo system propagates the configuration information to the other machines in the ATMI application when the application is booted.
As the administrator, you can configure security for your ATMI application by:
The set of security parameters involved depends upon the security capability (authentication, authorization, link-level encryption, or public key) and whether you are using the default or custom security software.
You can edit the UBBCONFIG configuration file to set security policies for an ATMI application. The UBBCONFIG configuration file may have any filename, as long as the content of the file conforms to the format described on the UBBCONFIG(5) reference page in the Oracle Tuxedo File Formats, Data Descriptions, MIBs, and System Processes Reference.
For more details about UBBCONFIG and its binary equivalent, TUXCONFIG, see
“About the Configuration File” and
“Creating the Configuration File” in Setting Up an Oracle Tuxedo Application.
The TM_MIB defines a set of classes through which the fundamental aspects of an ATMI application may be configured and managed. Separate classes are designated for machines, servers, networks, and so on. You should use the reference page TM_MIB(5) in combination with the generic Management Information Base (MIB) reference page MIB(5) to format administrative requests and interpret administrative replies. The MIB reference pages are defined in the Oracle Tuxedo File Formats, Data Descriptions, MIBs, and System Processes Reference.
Other component MIBs, including the ACL_MIB, DM_MIB, and WS_MIB, also play a role in managing security for an ATMI application. The reference page ACL_MIB(5) defines the ACL_MIB, the reference page DM_MIB(5) defines the DM_MIB, and the reference page WS_MIB(5) defines the WS_MIB.
For more information about Oracle Tuxedo MIBs, start with MIB(5) in the Oracle Tuxedo File Formats, Data Descriptions, MIBs, and System Processes Reference. Also, see Introducing Oracle Tuxedo ATMI.
You can also use the Oracle Administration Console to change security policies for an ATMI application. The Oracle Administration Console is a Web-based tool used to configure, monitor, and dynamically re-configure an application.
For details about the Oracle Administration Console, see Introducing Oracle Tuxedo ATMI.
The application administrator defines certain environment variables for an ATMI application as part of configuring the application. The values defined for the variables are absolute pathnames that reference Oracle Tuxedo executables and data libraries.
Being able to find such files is essential to the job of administering an ATMI application. For example, all commands needed to manage application security are located in $TUXDIR/bin on a UNIX host machine, and in %TUXDIR%\bin on a Windows 2003 host machine.
For details on setting up the administration environment, see Administering an Oracle Tuxedo Application at Run Time.
In addition to the security features in the ATMI environment of the Oracle Tuxedo product, the application administrator needs to take full advantage of the security features of the host operating system to control access to files, directories, and system resources.
Most ATMI applications are managed by an application administrator who configures and boots the application, monitors the running application, and makes changes to it dynamically, as necessary. Because the ATMI application is started and run by the administrator, server programs are run with the administrator’s permissions and are therefore considered secure or “trusted.” This working method is supported by the login mechanism and the read and write permissions on the files, directories, and system resources provided by the underlying operating system.
Clients, on the other hand, are not started by the administrator. Instead, they are run directly by users with their own permissions. As a result, clients are not trusted.
In addition, users running native clients (that is, clients running on the same machine on which the server is running) have access to the configuration file and interprocess communication (IPC) mechanisms such as the bulletin board (in shared memory). Users running native clients always have such access, even when additional ATMI security is configured.
As the administrator, you can improve operating system security by observing the following general rules:
setuid utility).
Authentication allows communicating processes to prove their identities. It is the foundation for most other security capabilities.
Except for the configuration instructions identified in this topic, the procedures for administering authentication depend upon the underlying authentication system of the application. For procedures to administer a custom authentication system, see the documentation for that system. For procedures to administer the default authentication system, see Administering Default Authentication and Authorization.
The following figure demonstrates the use of the delegated trust authentication model by applications running Oracle Tuxedo release 7.1 or later software. Workstation handlers (WSHs) and domain gateways (GWTDOMAINs) are known as trusted system gateway processes in the delegated trust authentication model, which is described in Understanding Delegated Trust Authentication.

| Note: | Mutual authentication is not used for a native client, which authenticates with itself. |
The following topics provide the instructions needed to set up the configuration shown in the preceding figure. All of the topics involve authentication and the authentication plug-in.
As the administrator, you use the following configuration parameters to specify principal names for the workstation handler (WSH), domain gateway (GWTDOMAIN), and server processes running in your ATMI application built with release 7.1 or later of the Oracle Tuxedo software.
SEC_PRINCIPAL_NAME may be specified any of the following four levels in the configuration hierarchy:
A security principal name at a particular configuration level can be overridden at a lower level. For example, suppose you configure terri as the principal name for machine mach1, and john as the principal name for server serv1 running on mach1. The processes on mach1 behave as follows:
| Note: | Security principal information must be specified for all machines in a networked application (MP mode) configuration. If a boot failure occurs, examine the ULOG files on both sides of the connection where the failure occurred for more information about the cause of the failure. |
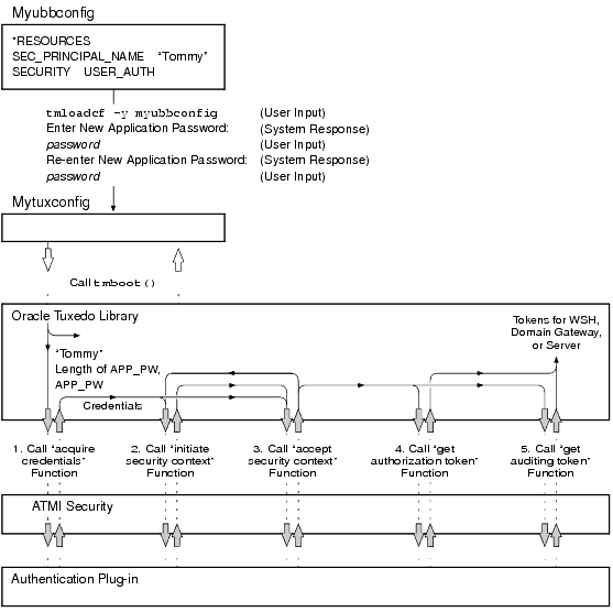
During application booting, each WSH, domain gateway, and server process in the ATMI application includes its security principal name as an argument when calling the authentication plug-in to (1) acquire security credentials and (2) get authorization and auditing tokens for itself. The following figure demonstrates the procedure.

Each domain gateway process in the application calls the authentication plug-in a second time to acquire credentials and tokens for its assigned connection principal name.
A WSH needs credentials so that it can authenticate Workstation clients that want to join the application, and to get authorization and auditing tokens for the authenticated Workstation clients. A WSH needs its own authorization and auditing tokens when handling requests from pre-release 7.1 clients (clients running Oracle Tuxedo release 6.5 or earlier software) so that it can call the authentication plug-in to establish identities for the older clients. This behavior is described in Mandating Interoperability Policy.
A domain gateway needs one set of credentials so that it can authenticate remote domain gateways for the purpose of establishing links between ATMI applications, as described in Establishing a Link Between Domains. (No authorization or auditing tokens are assigned to authenticated remote domain gateways.) A domain gateway acquires these credentials for the principal name specified in the CONNECTION_PRINCIPAL_NAME parameter.
A domain gateway needs a second set of credentials so that it can handle requests from pre-release 7.1 clients, which involves calling the authentication plug-in to establish identities for the older clients. This behavior is described in Mandating Interoperability Policy. It also needs these credentials to establish identities when enforcing the local access control list (ACL) policy, as described in Setting ACL Policy. A domain gateway acquires these credentials for the principal name specified in the SEC_PRINCIPAL_NAME parameter.
A system or application server needs its own authorization and auditing tokens when handling requests from pre-release 7.1 clients so that it can call the authentication plug-in to establish identities for the older clients. This behavior is described in Mandating Interoperability Policy.
A server also needs its own tokens when performing a server permission upgrade, which occurs when the authorization and auditing tokens of the server are assigned to messages that pass through the server but originate at a client. The service upgrade capability is described in Replacing Client Tokens with Server Tokens.
| Note: | An application server cannot call the authentication plug-in itself. It is the underlying system code that calls the authentication plug-in for the application server. |
The following example pertains to specifying security principal names in the UBBCONFIG file using the SEC_PRINCIPAL_NAME parameter. For an example of specifying connection principal names in the DMCONFIG file using the CONNECTION_PRINCIPAL_NAME parameter, see Example DMCONFIG Entries for Establishing a Link.
*RESOURCESSEC_PRINCIPAL_NAME "Tommy".
.
.
*SERVERS
"TMQUEUE" SRVGRP="QUEGROUP" SRVID=1
CLOPT="-t -s secsdb:TMQUEUE"
SEC_PRINCIPAL_NAME="TOUPPER"
As the administrator, you use the CLOPT -t option in the UBBCONFIG file to allow WSH, domain gateway (GWTDOMAIN), and server processes in your ATMI application to interoperate with machines running Oracle Tuxedo pre-release 7.1 (6.5 or earlier) software. In addition, you use the WSINTOPPRE71 environment variable to allow Workstation clients to interoperate with machines running Oracle Tuxedo pre-release 7.1 software. The following four figures show what interoperability means for these processes.

In the preceding figure, the WSH authenticates with the Workstation client using an older (pre-release 7.1) authentication protocol, calls the internal impersonate user function to get authorization and auditing tokens for the client, and attaches the tokens to the client request. If the CLOPT -t option is not specified for the workstation listener (WSL) that controls the WSH, no communication is possible between the newer WSH and the older Workstation client.
| Note: | The impersonate user function involves calling the authentication plug-in to establish an identity for the older client. See Establishing an Identity for an Older Client for details. |

In the preceding figure, the WSH authenticates with the Workstation client using an older (pre-release 7.1) authentication protocol; the client request does not receive authorization and auditing tokens. If the WSINTOPPRE71 environment variable is not set at the Workstation client or is set to N, no communication is possible between the older WSH and the newer Workstation client.

In the preceding figure, the local domain gateway (GWTDOMAIN) in application 1 authenticates with the remote domain gateway in application 2 using an older (pre-release 7.1) authentication protocol. Upon receiving a request from a remote client, the local domain gateway calls the internal impersonate user function to get authorization and auditing tokens for the remote client and then attaches the tokens to the client request. For any outbound client request (client request originating in application 1 and destined for application 2), the local domain gateway strips the tokens from the request before sending the request along with the client’s application key to the older application. (See Application Key for a description of the application key.)
If the CLOPT -t option is not specified for the domain gateway, no communication is possible between the newer ATMI application and the older ATMI application.

In the preceding figure, the destination server on machine 1 calls the internal impersonate user function to get authorization and auditing tokens for the remote client on machine 2, attaches the tokens to the client request, and then performs the request assuming the client passes any authorization checks. If the CLOPT -t option is not specified for the server, no communication is possible between the newer server and the older client.
| Note: | Also, in the preceding figure, if the WSH on machine 1 receives a client request destined for a server on machine 2, the WSH strips the tokens from the request before sending the request along with the client’s application key to the older system. Similarly, if the native client on machine 1 sends a request to a server on machine 2, the native client strips the tokens from the request before sending the request along with the client’s application key to the older system. See Application Key for a description of the application key. |
For a WSH, domain gateway (GWTDOMAIN), or server process to establish an identity for an older client, the process calls the internal impersonate user function to obtain authorization and auditing tokens for the older client. The following figure demonstrates the procedure.

When the CLOPT -t option is specified, the WSH establishes an identity for an older client using the usrname field of the TPINIT buffer for C, or the USRNAME field of the TPINFDEF-REC record for COBOL. (The WSH receives a TPINIT buffer/ TPINFDEF-REC record from a client when the client attempts to join the application, as described in Joining the ATMI Application.) The WSH includes the user name as the principal name when calling the impersonate user function.
For default authentication plug-ins, the impersonate user function finds the user name and its associated application key (user identifier, group identifier combination) in the local tpusr file, and then includes the user name and application key in both the authorization and auditing tokens created for the older client. The tpusr file is briefly described in Setting Up the User and Group Files.
When the CLOPT -t option is specified, the domain gateway establishes an identity for an older client using the LOCAL_PRINCIPAL_NAME string configured for the remote domain access point. (The domain gateway searches the DM_REMOTE section of the local BDMCONFIG file—the binary equivalent of the DMCONFIG(5) file—to find the LOCAL_PRINCIPAL_NAME string for the remote domain access point. If not specified, the identity defaults to the ACCESSPOINTID string for the remote domain access point.) The domain gateway uses the LOCAL_PRINCIPAL_NAME string as the principal name when calling the impersonate user function.
For default authentication plug-ins, the impersonate user function finds the LOCAL_PRINCIPAL_NAME string and its associated application key in the local tpusr file, and then includes that string (identity) and application key in both the authorization and auditing tokens created for the older client.
When the CLOPT -t option is specified, the server establishes an identity for an older client using the client’s assigned application key. (The client request received by the server contains the client’s assigned application key.) The server finds the application key and its associated name in the local tpusr file, and then includes the name as the principal name when calling the impersonate user function.
For default authentication plug-ins, the impersonate user function finds the name and its associated application key in the local tpusr file, and then includes the name and application key in both the authorization and auditing tokens created for the older client.
The following table summarizes the functionality of WSH, domain gateway, and server processes when interoperability is and is not allowed using the CLOPT -t option.
In the following example, all WSHs controlled by the workstation listener (WSL) are configured for interoperability.
*SERVERS
WSL SRVGRP="group_name" SRVID=server_number...
CLOPT="-A -t..."
When a domain gateway (GWTDOMAIN) attempts to establish a network link with another domain gateway, the following major events occur.
min-max values to be used to set up SSL or LLE on the link between the gateways. If SSL is being used, the initiator and target domain gateways also authenticate each other through the use of SSL certificates.LLE is described in Link-Level Encryption. SSL is described in SSL Encryption.
If one or both of the domain gateways are running Oracle Tuxedo pre-release 7.1 software, the gateway processes use an older (pre-release 7.1) authentication protocol when setting up the connection.
As the administrator, you use the following configuration parameter to establish a link between domain gateways running Oracle Tuxedo release 7.1 or later software.
When this parameter appears in the
DM_LOCAL section* of the DMCONFIG file, its value becomes the principal name of the local domain access point when setting up a connection with a remote domain access point.
For default authentication plug-ins, if a value is assigned to
CONNECTION_PRINCIPAL_NAME for the local domain access point, it must be the same as the value assigned to the ACCESSPOINTID parameter* for the local domain access point. If these values do not match, the local domain gateway process will not boot, and the system will generate the following userlog(3c) message: ERROR: Unable to acquire credentials.
|
||
When this parameter appears in the
DM_REMOTE section* of the DMCONFIG file for a particular remote domain access point, its value becomes the principal name of the remote domain access point when setting up a connection with the local domain access point.
For default authentication plug-ins, if a value is assigned to
CONNECTION_PRINCIPAL_NAME for a remote domain access point, it must be the same as the value assigned to the ACCESSPOINTID parameter* for the remote domain access point. If these values do not match, any attempt to set up a connection between the local domain gateway and the remote domain gateway will fail, and the system will generate the following userlog(3c) message: ERROR: Unable to initialize administration key for domain domain_name.
|
||
The following figure demonstrates how a link is established between domains using default authentication plug-ins.

| Note: | The “Credentials” shown in the preceding figure were acquired by each domain gateway process at application booting using the CONNECTION_PRINCIPAL_NAME identity configured for the local domain access point. |
In the preceding figure, notice that the information exchanged between the initiator and target domain gateways involves the CONNECTION_PRINCIPAL_NAME strings configured for the domain gateways, as specified in the BDMCONFIG files. Each authentication plug-in uses the password assigned to the remote domain access point (as defined in the DM_PASSWORDS section of the BDMCONFIG file) to encrypt the string before transmitting it over the network, and uses the password assigned to the local domain access point (as defined in the DM_PASSWORDS section of the BDMCONFIG file) to decrypt the received string. The encryption algorithm used is 56-bit DES, where DES is an acronym for the Data Encryption Standard.
For the encryption/decryption operation to succeed, the assigned password for the remote domain access point in the local BDMCONFIG file must be the same as the assigned password for the local domain access point in the remote BDMCONFIG file. (Similarly, if the domain security level is set to APP_PW, the application passwords in the respective TUXCONFIG files must be identical for the encryption/decryption operation to succeed.) For the authentication process to succeed, the received string must match the CONNECTION_PRINCIPAL_NAME string configured for the sender.
When the domain gateways pass the security checks, the link is established, and the gateways can forward service requests and receive replies over the established link.
In the following example, the configurations shown in the local DMCONFIG file are used when establishing a connection through the local domain access point c01 and the remote domain access point b01.
*DM_LOCAL# <local domain access point name> <gateway group name> <domain type>
# <domain id> [<connection principal name>] [<security>]...
c01 GWGRP=bankg1
TYPE=TDOMAIN
ACCESSPOINTID="BA.CENTRAL01"
CONNECTION_PRINCIPAL_NAME="BA.CENTRAL01"
SECURITY=DM_PW
.
.
.
*DM_REMOTE# <remote domain access point name> <domain type> <domain id>
# [<connection principal name>]...
b01 TYPE=TDOMAIN
ACCESSPOINTID="BA.BANK01"
CONNECTION_PRINCIPAL_NAME="BA.BANK01"
As the administrator, you use the following configuration parameters to set and control the access control list (ACL) policy between ATMI applications running Oracle Tuxedo release 7.1 or later software.
The following three figures show how the ACL_POLICY configuration affects the operation of local domain gateway (GWTDOMAIN) processes.

In the preceding figure, each domain gateway (GWTDOMAIN) modifies inbound client requests (requests originating from the remote application and received over the network connection) so that they take on the LOCAL_PRINCIPAL_NAME identity configured for the remote domain access point and thus have the same access permissions as that identity. Each domain gateway passes outbound client requests without change.
In this configuration, each ATMI application has an ACL database containing entries only for users in its own domain. One such user is the LOCAL_PRINCIPAL_NAME identity configured for the remote domain access point.
| Note: | The preceding description also applies to ATMI applications running Oracle Tuxedo pre-release 7.1 software except that the system uses the ACCESSPOINTID identity configured for the remote domain access point. Essentially, the local ACL policy is hardcoded in Oracle Tuxedo release 6.5 or earlier software. |

In the preceding figure, each domain gateway (GWTDOMAIN) passes inbound and outbound client requests without change. In this configuration, each ATMI application has an ACL database containing entries for users in its own domain as well as users in the remote domain.

In the preceding figure, the domain gateway (GWTDOMAIN) in ATMI application 1 modifies inbound client requests so that they take on the LOCAL_PRINCIPAL_NAME identity configured for the remote domain access point for ATMI application 2 and thus have the same access permissions as that identity; the domain gateway passes outbound client requests without change. The domain gateway (GWTDOMAIN) in ATMI application 2 passes inbound and outbound client requests without change.
In this configuration, ATMI application 1 has an ACL database containing entries only for users in its own domain; one such user is the LOCAL_PRINCIPAL_NAME identity configured for the remote domain access point for application 2. ATMI application 2 has an ACL database containing entries for users in its own domain as well as users in ATMI application 1.
If the domain gateway receives a client request from a remote domain for which the ACL_POLICY parameter is set (or defaulted) to LOCAL in the local DMCONFIG file, the domain gateway performs the following tasks.
LOCAL_PRINCIPAL_NAME identity configured for the remote domain access point.For more detail on the impersonate user function, see Establishing an Identity for an Older Client.
In the following example, the connection through the remote domain access point b01 is configured for global ACL in the local DMCONFIG file, meaning that the domain gateway process for domain access point c01 passes client requests from and to domain access point b01 without change. For global ACL, the LOCAL_PRINCIPAL_NAME entry for domain access point b01 is ignored.
*DM_LOCAL# <local domain access point name> <gateway group name>
# <domain type> <domain id> [<connection principal name>]
# [<security>]...
c01 GWGRP=bankg1
TYPE=TDOMAIN
ACCESSPOINTID="BA.CENTRAL01"
CONNECTION_PRINCIPAL_NAME="BA.CENTRAL01"
SECURITY=DM_PW
.
.
.
*DM_REMOTE# <remote domain access name> <domain type> <domain id>
# [<ACL policy>] [<connection principal name>]
# [<local principal name>]...
b01 TYPE=TDOMAIN
ACCESSPOINTID="BA.BANK01"
ACL_POLICY=GLOBAL
CONNECTION_PRINCIPAL_NAME="BA.BANK01"
LOCAL_PRINCIPAL_NAME="BA.BANK01.BOB"
As the administrator, you use the following configuration parameter to set and control the credential policy between ATMI applications running Oracle Tuxedo release 8.0 or later software.
Authorization enforces limitations on user access to resources or facilities within an ATMI application in accordance with application-specific rules. Only when users are authenticated to join an ATMI application does authorization go into effect.
The procedures for administering authorization depend upon the underlying authorization system of the ATMI application. For procedures to administer a custom authorization system, see the documentation for that system. For procedures to administer the default authorization system, see Administering Default Authentication and Authorization.
Link-level encryption establishes data privacy for messages moving over the network links that connect the machines in an ATMI application. There are three levels of link-level encryption (LLE) security: 0-bit (no encryption), 56-bit (International), and 128-bit (United States and Canada). The International LLE version allows 0-bit and 56-bit encryption. The United States and Canada LLE version allows 0, 56, and 128-bit encryption.
LLE applies to the following types of ATMI links:
Before you can configure LLE for your ATMI application, you need to be familiar with the LLE notation: (min, max). The defaults for these parameters are:
For example, the default min and max values for LLE when the license file specifies STRENGTH=128 are (0, 128). If you want to change the defaults, you can do so by assigning new values to min and max in the UBBCONFIG file for your application.
For more information, see How LLE Works and Encryption Key Size Negotiation.
You can verify the LLE version installed on a machine by running the tmadmin command in verbose mode.
tmadmin -v
Key lines from the local Oracle Tuxedo lic.txt file will appear on your computer screen, similar to the sample display shown below. The sample entry STRENGTH=128 indicates a Tuxedo installation licensed for strong encryption.
[Oracle Tuxedo] VERSION=10.0
[LINK ENCRYPTION] VERSION=10.0
STRENGTH=128
.
.
.
All Oracle Tuxedo licenses are in the $TUXDIR/udataobj/lic.txt file on a UNIX host machine, or in the %TUXDIR%\udataobj\lic.txt file on a Windows 2003 host machine.
If Workstation clients are included in an application, the administrator must configure one or more workstation listeners (WSLs) to listen for connection requests from Workstation clients. Each WSL uses one or more associated workstation handlers (WSHs) to handle the Workstation client workload. Each WSH can manage multiple Workstation clients by multiplexing all requests and replies with a particular Workstation client over a single connection.
As the administrator, you enable Workstation client access to the ATMI application by specifying a WSL server in the SERVERS section of the application’s UBBCONFIG file. You need to specify the -z and -Z command-line options for the WSL server if you want to override the defaults for the LLE min and max parameters. (See Understanding LLE min and max Values for details.) Of course, link-level encryption is possible only if LLE is installed on both the local machine and the Workstation client.
| Note: | At the Workstation client end of a network connection, you use environment variables TMMINENCRYPTBITS and TMMAXENCRYPTBITS to override the defaults for the LLE min and max parameters. |
To configure LLE on Workstation client links, follow these steps.
MASTER machine and that the application is inactive.UBBCONFIG with a text editor and add the following lines to the SERVERS section:*SERVERS
WSL SRVGRP="group_name" SRVID=server_number...
CLOPT="-A -- -zmin-Zmax..."
tmloadcf command parses UBBCONFIG and loads the binary TUXCONFIG file to the location referenced by the TUXCONFIG variable.
In the preceding example, when tmboot(1) starts the ATMI application, it passes the "-A -- -z min -Z max" command-line options to the WSL server. When establishing a network link between a Workstation client and the WSH, the Workstation client and WSL negotiate the key size until they agree on the largest key size supported by both.
See WSL(5), WS_MIB(5), and UBBCONFIG(5) in the Oracle Tuxedo File Formats, Data Descriptions, MIBs, and System Processes Reference for additional information.
The Oracle Tuxedo system architecture optimizes network communications by establishing a multiplexed channel among the machines in a multiple-machine application. Oracle Tuxedo messages flow in both directions over this channel, and the message traffic is managed by a specialized ATMI server known as a Bridge server.
As the administrator, you place an entry in the NETWORK section of the UBBCONFIG file for each machine in an ATMI application on which a Bridge server resides. You need to specify the MINENCRYPTBITS and MAXENCRYPTBITS optional run-time parameters for the Bridge server if you want to override the defaults for the LLE min and max parameters. (See Understanding LLE min and max Values for details.) Of course, Bridge-to-Bridge link-level encryption is possible only if LLE is installed on the machines where the Bridge servers reside.
To configure LLE on Bridge links, follow these steps.
MASTER machine and that the application is inactive.UBBCONFIG with a text editor and add the following lines to the NETWORK section:*NETWORK
LMID NADDR="bridge_network_address" BRIDGE="bridge_device"
NLSADDR="listen_network_address"
MINENCRYPTBITS=min
MAXENCRYPTBITS=max
LMID is the logical machine where the Bridge server resides; it has direct access to the network device specified in the BRIDGE parameter.
tmloadcf command parses UBBCONFIG and loads the binary TUXCONFIG file to the location referenced by the TUXCONFIG variable.
In the preceding example, when tmboot(1) starts the ATMI application, the Bridge server reads the TUXCONFIG file to access various parameters, including MINENCRYPTBITS and MAXENCRYPTBITS. When establishing a network link with a remote Bridge server, the local and remote Bridge servers negotiate the key size until they agree on the largest key size supported by both.
See TM_MIB(5) and UBBCONFIG(5) in the Oracle Tuxedo File Formats, Data Descriptions, MIBs, and System Processes Reference for additional information.
tlisten(1) is a network-independent listener process that provides connections between nodes of a multiple-machine application, on which administrative utilities such as tmboot(1) can run. The application administrator installs tlisten on all machines defined in the NETWORK section of the UBBCONFIG file.
To configure LLE on tlisten links, follow the steps given in the previous topic, How to Configure LLE on Bridge Links. If you so desire, you can start a separate instance of tlisten on the local machine by entering a command such as:
tlisten -lnlsaddr[-zmin-Zmax]
The nlsaddr value must be the same as that specified for the NLSADDR parameter for this machine in the NETWORK section of the UBBCONFIG file. See tlisten(1) in the Oracle Tuxedo Command Reference, and TM_MIB(5) and UBBCONFIG(5) in the Oracle Tuxedo File Formats, Data Descriptions, MIBs, and System Processes Reference for additional information.
A domain gateway is a GWTDOMAIN process that relays service requests and service replies between two or more ATMI applications. It provides interoperability through a specially designed transaction processing (TP) protocol that flows over network transport protocols such as TCP/IP.
A domain gateway belongs to a domain gateway group, for which a Domains configuration file is required. A domain gateway group represents a local domain access point that communicates with one or more remote domain access points. Like the application configuration files, UBBCONFIG and TUXCONFIG, a Domains configuration file is created in text format and then converted to binary format. The text and binary files are referred to as DMCONFIG and BDMCONFIG, respectively. The DMCONFIG and BDMCONFIG files, and the environment variables associated with them, are described on reference page DMCONFIG(5) in Oracle Tuxedo File Formats, Data Descriptions, MIBs, and System Processes Reference.
As the administrator, you must place an entry in the DM_TDOMAIN section of the DMCONFIG file for each:
You need to specify the MINENCRYPTBITS and MAXENCRYPTBITS optional run-time parameters for each domain access point and TDomain session for which you want to override the defaults for the LLE min and max parameters. (See Understanding LLE min and max Values for details.) Of course, domain-to-domain link-level encryption is possible only if LLE is installed on the machines where the domains reside.
To configure LLE on domain gateway links, follow these steps.
MASTER machine and that the ATMI application is inactive.DMCONFIG with a text editor and add the following lines to the DM_TDOMAIN section:*DM_TDOMAIN# Local network addressesLDOMNWADDR="local_domain_network_address"
NWDEVICE="local_domain_device"
MINENCRYPTBITS=minMAXENCRYPTBITS=max.
.
.
# Remote network addressesRDOMNWADDR="remote_domain_network_address"
NWDEVICE="remote_domain_device"
MINENCRYPTBITS=minMAXENCRYPTBITS=max.
.
.
# TDomain network addressesRDOMNWADDR="remote_domain_network_address"
NWDEVICE="remote_domain_device"CONNECTION_POLICY=ON_STARTLACCESSPOINT="local_domain_access_point_identifier"FAILOVERSEQ=100MINENCRYPTBITS=minMAXENCRYPTBITS=max
LDOMis replaced with a local domain access point identifier, andRDOMis replaced with a remote domain access point identifier.
dmloadcf command parses DMCONFIG and loads the binary BDMCONFIG file to the location referenced by the BDMCONFIG variable.
In the preceding example, when tmboot(1) starts the ATMI application, each domain gateway reads the BDMCONFIG file to access various parameters, including MINENCRYPTBITS and MAXENCRYPTBITS, and propagates those parameters to its local and remote domains. When the local domain is establishing a network link with a remote domain, the two domains negotiate the key size until they agree on the largest key size supported by both.
See DMCONFIG(5) in Oracle Tuxedo File Formats, Data Descriptions, MIBs, and System Processes Reference for additional information. Also, see “Setting Up Security in a Domains Configuration” in Using the Oracle Tuxedo Domains Component.
SSL encryption establishes data privacy for messages moving between the machines in an ATMI application. The industry-standard TLS 1.0 protocol is used for SSL encryption. Customers licensed for 128-bit encryption can use 256-bit, 128-bit, 56-bit, and 0-bit SSL ciphers, and customers licensed for 56-bit encryption can use 56-bit and 0-bit SSL ciphers.
Before you can configure SSL for your ATMI application, you need to be familiar with the SSL notation: (min, max). The defaults for these parameters are:
For example, the default min and max values for SSL when the license file specifies STRENGTH=128 (0, 256). 256-bit SSL encryption is allowed even for license files that specify STRENGTH=128. If the license file specifies STRENGTH=56, then the max value for SSL and LLE is 56.
If you want to change the defaults, you can do so by assigning new values to min and max in the UBBCONFIG file for your application. For more information, see How the SSL Protocol Works and Encryption Key Size Negotiation.
You can verify the SSL version installed on a machine by running the tmadmin -v command.
tmadmin -v
Key lines from the local Oracle Tuxedo lic.txt file will appear on your computer screen, similar to the sample display shown below. The sample entry STRENGTH=256 indicates SSL when the license file specifies STRENGTH=128.
INFO: Oracle Tuxedo, VERSION=10.0, 32-bit, Patch Level (none)
INFO: Serial #: 616351266349-2327268507960, Expiration 2007-11-13, Maxusers 1000
0
INFO: Acme Corporation
INFO: 128-bit Encryption Package
.
.
.
All Oracle Tuxedo licenses are in the $TUXDIR/udataobj/lic.txt file on a UNIX host machine, or in the %TUXDIR%\udataobj\lic.txt file on a Windows 2003 host machine.
To configure SSL on Workstation client links, follow these steps.
MASTER machine and that the application is inactive.SEC_PRINCIPAL_NAME, SEC_PRINCIPAL_LOCATION, and SEC_PRINCIPAL_PASSVAR parameters must be specified. This may be done in the *RESOURCES, *MACHINES, *GROUPS, or *SERVERS sections.| Note: | In general, it is recommended to specify these parameters at the highest level possible to avoid duplicating information in the UBBCONFIG and to avoid multiple password prompts if running tmloadcf interactively. |
UBBCONFIG with a text editor and add the following lines to the SERVERS sections:*SERVERS
WSL SRVGRP="group_name" SRVID=server_number...
CLOPT="-A -- -zmin-Zmax-n <network_address> -S <secure port> [-a] [-R <renegotiation_interval>] ..."
If the secure port is set to the same port used in the network address then the WSL will accept only SSL connections; if different ports are used, the same WSL can accept both non-SSL and SSL connections.
If -a (mutual authentication) is being used, the WSC must set the SEC_PRINCIPAL_NAME, SEC_PRINCIPAL_LOCATION, and SEC_PRINCIPAL_PASSWORD environment variables. These environment variables are not needed if mutual authentication is not in use.
tmloadcf command parses UBBCONFIG and loads the binary TUXCONFIG file to the location referenced by the TUXCONFIG variable.To configure SSL on Bridge links, follow these steps:
MASTER machine and that the application is inactive.UBBCONFIG with a text editor and add the following lines to the RESOURCES and NETWORK sections:*RESOURCES
OPTIONS SSL,LAN
SSL_RENEGOTIATION (optional) [value]
*NETWORK
LMID NADDR="bridge_network_address" BRIDGE="bridge_device"
NLSADDR="listen_network_address"
MINENCRYPTBITS=min
MAXENCRYPTBITS=max
SEC_PRINCIPAL_NAME, SEC_PRINCIPAL_LOCATION, and SEC_PRINCIPAL_PASSVAR must be specifed in the *RESOURCES and/or *MACHINES sections.
LMID is the logical machine where the Bridge server resides; it has direct access to the network device specified in the BRIDGE parameter.
tmloadcf command parses UBBCONFIG and loads the binary TUXCONFIG file to the location referenced by the TUXCONFIG variable.
To configure SSL on tlisten links, follow the steps given in the previous topic, How to Configure LLE on Bridge Links. You must enter the following command:
tlisten -lnlsaddr[-zmin-Zmax][-s][-c <sec_principal_location>][-n <sec_principal_name>][-p <sec_principal_passvar>]
| Note: | The -s option specifies an SSL connection instead of an LLE connection. |
| Note: | The -c, -n, and -p options specify SSL security principal information and must match the values specified for the SEC_PRINCIPAL_NAME, SEC_PRINCIPAL_LOCATION, and SEC_PRINCIPAL PASSVAR in the UBBCONFIG file. |
To configure SSL on domain gateway links, follow these steps.
MASTER machine and that the ATMI application is inactive.DMCONFIG with a text editor and add the following lines to the DM_TDOMAIN section:*DM_TDOMAIN
# SSL
DEFAULT: NWPROTOCOL={SSL|SSL_ONE_WAY}
SSL_RENEGOTIATION = [value]
# Local network addressesLDOM NWADDR="local_domain_network_address" NWDEVICE="local_domain_device" MINENCRYPTBITS=min
MAXENCRYPTBITS=max
# Remote network addressesRDOMNWADDR="remote_domain_network_address"
NWDEVICE="remote_domain_device"
MINENCRYPTBITS=minMAXENCRYPTBITS=max.
.
.
# TDomain network addressesRDOMNWADDR="remote_domain_network_address"
NWDEVICE="remote_domain_device"CONNECTION_POLICY=ON_STARTLACCESSPOINT="local_domain_access_point_identifier"FAILOVERSEQ=100MINENCRYPTBITS=minMAXENCRYPTBITS=max
LDOMis replaced with a local domain access point identifier, andRDOMis replaced with a remote domain access point identifier.
SEC_PRINCIPAL_NAME, SEC_PRINCIPAL_LOCATION, and SEC_PRINCIPAL_PASSWORD must be specified in the UBBCONFIG file.dmloadcf command parses DMCONFIG and loads the binary BDMCONFIG file to the location referenced by the BDMCONFIG variable.Using the SSL protocol in a Tuxedo application is primarily an administration process. Table 2-2 lists the administration steps required to set up the infrastructure required to use the SSL protocol and configure the servers and clients in your application to use SSL.
For a detailed description of the administration steps, see “Managing Public Key Security” and “Configuring the SSL Protocol” in Using Security in CORBA Applications.
Once the administration steps are complete, you can use either password authentication or certificate authentication in your Tuxedo application. The steps are similar for CORBA application authentication. For more information, see “Writing a CORBA Application That Implements Security” in Using Security in CORBA Applications.
| Note: | If you are using the Oracle CORBA C++ ORB as a server application, the ORB can also be configured to use the SSL protocol. For more information, see “Configuring the SSL Protocol” in Using Security in CORBA Applications. |
If you use the SSL protocol with password authentication, you need to set the SECURITY parameter in the UBBCONFIG file to desired level of authentication and if appropriate, configure the Authentication Server (AUTHSRV). For information about the administration steps for password authentication, see
“Password Authentication” in Using Secuity in ATMI Applications..
Figure 2-13 illustrates the configuration of a Tuxedo application that uses the SSL protocol.

Resources SectionT_DM_TDOMAIN Class DM_TDOMAIN sectionT_WSL Class
The most effective way to make a distributed ATMI application secure is to combine link-level encryption with public key encryption. Public key encryption is the framework on which public key security is built.
Public key security allows you to incorporate message-based digital signatures and message-based encryption into your ATMI applications. Together, these capabilities provide data integrity and privacy, which are especially important when an ATMI application interacts with other ATMI applications or Workstation clients from outside the company.
Application administrators and developers need to choose a Certification Authority to provide public-private key pairs and the digital certificates associated with them. Then they must decide how to assign the key pairs to the ATMI application. There are many options for assigning key pairs. An administrator can assign one or more of the following:
Application administrators and developers are responsible for choosing a method of assigning key pairs and assigning them. Once key pairs are assigned, however, no more administrative work is required; the plug-ins for public key security distribute and manage the keys.
As the administrator, you use the following configuration parameters to set the digital signature policy for your ATMI application.
SIGNATURE_AHEAD is specified at the domain-wide level of the configuration hierarchy, meaning that the value you assign to it applies to all processes running in the ATMI application. Domain-wide parameters are set in the RESOURCES section in the UBBCONFIG file, and the T_DOMAIN class in the TM_MIB.
The SIGNATURE_AHEAD parameter establishes the maximum permissible time difference between (1) the timestamp attached to the incoming message buffer and (2) the current time shown on the verifying system’s local clock. The minimum value is 1 second; the maximum, 2147483647 seconds. The default is 3600 seconds (one hour).
If the attached timestamp shows a time too far into the future, the signature is considered invalid. This parameter is useful for rejecting signatures that are postdated, while allowing a certain amount of leeway for unsynchronized local clocks.
*RESOURCESSIGNATURE_AHEAD2400
SIGNATURE_BEHIND is specified at the domain-wide level of the configuration hierarchy, meaning that the value you assign to it applies to all processes running in the ATMI application. Domain-wide parameters are set in the RESOURCES section in the UBBCONFIG file, and the T_DOMAIN class in the TM_MIB.
The SIGNATURE_BEHIND parameter establishes the maximum permissible time difference between (1) the current time shown on the verifying system’s local clock and (2) the timestamp attached to the incoming message buffer. The minimum value is 1 second; the maximum, 2147483647 seconds. The default is 604800 seconds (one week).
If the attached timestamp shows a time too far into the past, the signature is considered invalid. This parameter is useful for resisting replay attacks, in which a valid signed buffer is injected into the system a second time. However, in a system with asynchronous communication—for example, in a system in which disk-based queues are used—buffers signed a long time ago may still be considered valid. So, in a system with asynchronous communication, you may want to increase the SIGNATURE_BEHIND setting.
*RESOURCESSIGNATURE_BEHIND300000
SIGNATURE_REQUIRED may be specified any of the following four levels in the configuration hierarchy:
Setting SIGNATURE_REQUIRED to Y (yes) at a particular level means that signatures are required for all processes running at that level or below. For example, setting SIGNATURE_REQUIRED to Y for a machine named mach1 means that all processes running on mach1 will accept only incoming messages that are digitally signed.
RESOURCES section or T_DOMAIN class), this parameter covers all application services advertised within the domain, including those advertised by gateway processes. The default is N.MACHINES section or T_MACHINE class), this parameter covers all application services advertised on a particular machine, including those advertised by gateway processes. The default is N.GROUPS section or T_GROUP class), this parameter covers all application services advertised by a particular group, including those advertised by gateway processes. The default is N.SERVICES section T_SERVICE class), this parameter covers all instances of a particular service advertised within the domain, including those advertised by gateway processes. The default is N.You may specify both SIGNATURE_REQUIRED=Y and ENCRYPTION_REQUIRED=Y together at the domain-wide level, machine level, group level, or service level. See Enforcing the Encryption Policy for Incoming Messages for a description of ENCRYPTION_REQUIRED.
The enforcement policy for SIGNATURE_REQUIRED applies only to application services, application events, and application enqueue requests. It does not apply to system-generated service invocations and system event postings.
To configure SIGNATURE_REQUIRED for a machine named mach1, follow these steps.
MASTER machine and that the ATMI application is inactive.UBBCONFIG with a text editor and add the following lines to the MACHINES section:*MACHINES
mach1 LMID="machine_logical_name"
TUXCONFIG="absolute_path_name_to_tuxconfig_file"
TUXDIR="absolute_path_name_to_BEA_Tuxedo_directory"
APPDIR="absolute_path_name_to_application_directory"
SIGNATURE_REQUIRED=Y
tmloadcf command parses UBBCONFIG and loads the binary TUXCONFIG file to the location referenced by the TUXCONFIG variable.
In the preceding example, when tmboot(1) starts the ATMI application, it passes the SIGNATURE_REQUIRED=Y parameter to the machine named mach1. At that point, all application services advertised by mach1, including those advertised by gateway processes, are allowed to accept only messages that include valid digital signatures. If a process controlled by mach1 receives a message that does not include a valid digital signature, the system takes the following actions:
WARN)| Note: | A NULL (empty) buffer cannot be digitally signed, meaning that the system rejects any NULL buffer received by a process requiring digital signatures, in the manner stated in the preceding bullet list. |
When digital signatures are attached to a posted message buffer, these signatures are preserved and forwarded along with the message buffer to subscribers for the relevant event.
If the TMUSREVT(5) system server is running in a domain, machine, or server group that requires digital signatures, it rejects any incoming posting without a TPSIGN_OK composite signature status—see Understanding the Composite Signature Status.
Possible subscription notification actions that the TMUSREVT server might take include invoking a service or enqueuing a message. If the target service or queue requires a valid digital signature, but one is not attached to the posted message, the subscription notification action fails.
System events (events that are posted by the system itself and processed by the TMSYSEVT server) may be digitally signed. The administrative policies regarding digital signature do not apply to the TMSYSEVT(5) server.
When digital signatures are attached to a queued buffer, the signatures are preserved in the queue and forwarded to the dequeuing process. Also, if a message is processed by TMQFORWARD(5) to invoke a service, signatures are preserved.
If the TMQUEUE(5) system server is running in a domain, machine, or server group that requires digital signatures, it rejects any incoming enqueue request without a TPSIGN_OK composite signature status—see Understanding the Composite Signature Status. In addition, the TMQUEUE server requires a digital signature if such a policy is in effect for the service name associated with the queue space.
If the workstation handler (WSH) is running in a domain, machine, or server group that requires digital signatures, it rejects any incoming message buffer containing application data without a TPSIGN_OK composite signature status—see Understanding the Composite Signature Status.
As the administrator, you use the following configuration parameter to set the encryption policy for your ATMI application.
ENCRYPTION_REQUIRED may be specified at any of the following four levels in the configuration hierarchy:
Setting ENCRYPTION_REQUIRED to Y (yes) at a particular level means that encryption is required for all processes running at that level or below. For example, setting ENCRYPTION_REQUIRED to Y for a machine named mach1 means that all processes running on mach1 will accept only incoming messages that are encrypted.
RESOURCES section or T_DOMAIN class), this parameter covers all application services advertised within the domain, including those advertised by gateway processes. The default is N.MACHINES section or T_MACHINE class), this parameter covers all application services advertised on a particular machine, including those advertised by gateway processes. The default is N.GROUPS section or T_GROUP class), this parameter covers all application services advertised by a particular group, including those advertised by gateway processes. The default is N.SERVICES section T_SERVICE class), this parameter covers all instances of a particular service advertised within the domain, including those advertised by gateway processes. The default is N.You may specify both ENCRYPTION_REQUIRED=Y and SIGNATURE_REQUIRED=Y together at the domain-wide level, machine level, group level, or service level. See Enforcing the Signature Policy for Incoming Messages for a description of SIGNATURE_REQUIRED.
The enforcement policy for ENCRYPTION_REQUIRED applies only to application services, application events, and application enqueue requests. It does not apply to system-generated service invocations and system event postings.
To configure ENCRYPTION_REQUIRED for a server group named STDGRP, follow these steps.
MASTER machine and that the ATMI application is inactive.UBBCONFIG with a text editor and add the following lines to the GROUPS section:*GROUPS
STDGRP LMID="machine_logical_name"
GRPNO="server_group_number"
ENCRYPTION_REQUIRED=Y
tmloadcf command parses UBBCONFIG and loads the binary TUXCONFIG file to the location referenced by the TUXCONFIG variable.
In the preceding example, when tmboot(1) starts the ATMI application, it passes the ENCRYPTION_REQUIRED=Y parameter to the server group named STDGRP. At that point, all application services advertised by STDGRP, including those advertised by gateway processes, are allowed to accept only messages protected by an encryption envelope. If a process controlled by STDGRP receives an unencrypted message, the system takes the following actions:
ERROR)| Note: | A NULL (empty) buffer cannot be encrypted, meaning that the system rejects any NULL buffer received by a process requiring encryption, in the manner stated in the preceding bullet list. |
When a posted message buffer is encrypted, encryption envelopes are preserved and forwarded, along with the encrypted message content, to subscribers for the relevant event.
If the TMUSREVT(5) system server is running in a domain, machine, or server group that requires encryption, it rejects any incoming posting message that is not encrypted.
Possible subscription notification actions that the TMUSREVT server might take include invoking a service or enqueuing a message. If the target service or queue requires encrypted input, but the posted message is not encrypted, the subscription notification action fails. Also, if the subscriber does not possess an appropriate decryption key, the event notification action fails.
System events (events that are posted by the system itself and processed by the TMSYSEVT server) may be encrypted. The administrative policies regarding encryption do not apply to the TMSYSEVT(5) server.
When a queued message buffer is encrypted, this status is preserved in the queue, and the buffer is forwarded, in encrypted form, to the dequeuing process. Also, if a message is processed by TMQFORWARD(5) to invoke a service, encryption status is preserved.
If the TMQUEUE(5) system server is running in a domain, machine, or server group that requires encryption, it rejects any incoming enqueue request that is not encrypted. In addition, the TMQUEUE server requires encryption if such a policy is in effect for the service name associated with the queue space.
If the workstation handler (WSH) is running in a domain, machine, or server group that requires encryption, it rejects any incoming message buffer containing an unencrypted application data buffer.
As the administrator, you use the following configuration parameters to specify principal names and decryption keys for the system processes running in your ATMI application.
This trio of configuration parameters can be specified at any of the following four levels in the configuration hierarchy:
A principal name and decryption key at a particular configuration level can be overridden at a lower level. For example, suppose you configure a principal name and decryption key for machine mach1, and a principal name and decryption key for a server called serv1 running on mach1. The processes on mach1 behave as follows:
Configured decryption keys are automatically opened when an ATMI application is booted. The following figure demonstrates how the process works.

The following is a detailed description of how the operation shown in the preceding figure is performed.
SEC_PRINCIPAL_NAME, SEC_PRINCIPAL_LOCATION, and SEC_PRINCIPAL_PASSVAR at a particular level in the ATMI application’s UBBCONFIG file.tmloadcf command parses UBBCONFIG and loads the binary TUXCONFIG file to the location referenced by the TUXCONFIG variable.map_proof plug-in reads SEC_PRINCIPAL_NAME, SEC_PRINCIPAL_LOCATION, and SEC_PRINCIPAL_PASSVAR, analyzes their values, and then determines whether the calling process has proven its right to access the requested decryption key. (Having access to a decryption key, or private key, is equivalent to possessing the principal’s identity.)SEC_PRINCIPAL_PASSVAR matches the assigned password for the principal specified in SEC_PRINCIPAL_NAME, the map_proof plug-in passes the name, location, and password of the principal to the PKi_init plug-in.PKi_init plug-in calls tpkey_open(3c) with the name, location, and password of the principal as arguments. It returns a decryption key handle for the principal.
Each time you invoke tmloadcf to load the configuration, you are prompted to enter the password for each of the decryption keys configured with SEC_PRINCIPAL_PASSVAR. If you want to avoid having to enter each password manually, you can write a script that automatically enters the passwords. The script must include a definition of each password variable, and it must end with the following line:
tmloadcf -y ubbconfig_name < /dev/nullNo application process has permission to close a decryption key opened during ATMI application booting. The decryption keys stay open until you run the tmshutdown(1) command to shut down the ATMI application.
*RESOURCESSEC_PRINCIPAL_NAME "Tommy".
SEC_PRINCIPAL_LOCATION "/home/jhn/secsapp/cert/tommy.pvk"
SEC_PRINCIPAL_PASSVAR "TOMMY_VAR"
.
.
*SERVERS
"TMQUEUE" SRVGRP="QUEGROUP" SRVID=1
CLOPT="-s secsdb:TMQUEUE"
SEC_PRINCIPAL_NAME= "TOUPPER"
SEC_PRINCIPAL_LOCATION="/home/jhn/secsapp/cert/TOUPPER.pvk"SEC_PRINCIPAL_PASSVAR= "TOUPPER_VAR"
This topic explains how the system manages errors found through digital signatures and message encryption.
If message tampering is detected (that is, if the composite signature status is either TPSIGN_TAMPERED_MESSAGE or TPSIGN_TAMPERED_CERT—see Understanding the Composite Signature Status), the system takes the following actions:
ERROR)If any individual signature associated with an expired certificate, revoked certificate, expired signature, or postdated signature is detected, the system takes the following actions:
If a process that requires a valid digital signature (based on the SIGNATURE_REQUIRED=Y setting) receives a message with the composite signature status TPSIGN_UNKNOWN, the system takes the following actions:
If a process receives an encrypted message but does not possess an open decryption key matching one of the message’s encryption envelopes, the system takes the following actions:
ERROR)
If a process that requires encrypted input (based on the ENCRYPTION_REQUIRED=Y setting) receives an unencrypted message, the system takes the following actions:
Default authentication and authorization work in the same manner that authentication and authorization have worked since they were first made available with the Oracle Tuxedo system.
Default authentication provides three levels of security: no authentication (NONE), application password (APP_PW), and user-level authentication (USER_AUTH). Default authorization provides two levels of security: optional access control list (ACL) and mandatory access control list (MANDATORY_ACL). Only when users are authenticated to join an ATMI application does the access control list become active.
As the administrator, you can use one of three ways to designate a security level for an ATMI application: by editing the UBBCONFIG configuration file, by changing the TM_MIB, or by using the Oracle Administration Console.
In your UBBCONFIG file, set the SECURITY parameter to the appropriate value:
SECURITY {NONE | APP_PW | USER_AUTH | ACL | MANDATORY_ACL}
The default is NONE. If SECURITY is set to USER_AUTH, ACL, or MANDATORY_ACL, then a system-supplied authentication server named AUTHSVR is invoked to perform per-user authentication.
If you select any value other than NONE, make sure that the value of the APPDIR variable is unique for each ATMI application running on the MASTER site. Multiple ATMI applications cannot share the same application directory if security features are being used.
To designate a security level through the TM_MIB, you must assign a value to the TA_SECURITY attribute in the T_DOMAIN class. When an ATMI application is inactive, the administrator can SET the value of TA_SECURITY to any of the values that are valid in UBBCONFIG. To complete this task, run the administrative interface tpadmcall(3c).
You can also designate a security level through the Oracle Administration Console. The Oracle Administration Console is a Web-based tool used to configure, monitor, and dynamically reconfigure an ATMI application.
The Oracle Tuxedo server called AUTHSVR provides a single service, AUTHSVC, which performs authentication. AUTHSVC is advertised by the AUTHSVR server as ..AUTHSVC when the security level is set to ACL or MANDATORY_ACL.
To add AUTHSVC to an ATMI application, you need to define AUTHSVC as the authentication service and AUTHSVR as the authentication server in the UBBCONFIG file. For example:
*RESOURCES
SECURITY USER_AUTH
AUTHSVC AUTHSVC
.
.
.
*SERVERS
AUTHSVR SRVGRP="group_name" SRVID=1 RESTART=Y GRACE=600 MAXGEN=2 CLOPT="-A"
If you omit the parameter-value entry AUTHSVC AUTHSVC, the system calls AUTHSVC by default.
*RESOURCES
SECURITY ACL
AUTHSVC ..AUTHSVC
.
.
.
*SERVERS
AUTHSVR SRVGRP="group_name" SRVID=1 RESTART=Y GRACE=600 MAXGEN=2 CLOPT="-A"
If you omit the parameter-value entry AUTHSVC ..AUTHSVC, the system calls ..AUTHSVC by default.
AUTHSVR may be replaced with an authentication server that implements logic specific to the ATMI application. For example, a company may want to develop a custom authentication server so that it can use the popular Kerberos mechanism for authentication.
To add a custom authentication service to an ATMI application, you need to define your authentication service and server in the UBBCONFIG file. For example:
*RESOURCES
SECURITY USER_AUTH
AUTHSVC KERBEROS
.
.
.
*SERVERS
KERBEROSSVR SRVGRP="group_name" SRVID=1 RESTART=Y GRACE=600 MAXGEN=2 CLOPT="-A"
| Note: | To use the WebLogic Server as your security database to authenticate Tuxedo users, you must implement single point security administration using LAUTHSVR as your authentication server. For information about LAUTHSVR and single point security administration with WebLogic Server, refer to
Implementing Single Point Security Administration. |
Default authentication offers an application password security level that you invoke by specifying SECURITY APP_PW in your configuration file. This level requires that every client provide an application password as part of the process of joining the ATMI application. The administrator defines a single password for the entire ATMI application and gives the password only to authorized users.
To enable the APP_PW security level, follow these steps.
MASTER machine and that the ATMI application is inactive.SECURITY parameter in the RESOURCES section of the UBBCONFIG file to APP_PW.tmloadcf command parses UBBCONFIG and loads the binary TUXCONFIG file to the location referenced by the TUXCONFIG variable.passwd command of tmadmin.
Default authentication offers a user-level authentication security level that you invoke by specifying SECURITY USER_AUTH in your configuration file. This security level requires that in addition to the application password, each client must provide a valid username and user-specific data, such as a password, to join the ATMI application. The per-user password must match the password associated with the combination user-client name stored in a file named tpusr. The checking of per-user password against the password and user-client name in tpusr is carried out by the authentication service AUTHSVC, which is provided by the authentication server AUTHSVR.
To enable the USER_AUTH security level, follow these steps.
Instructions for these steps are provided in the following two topics.
MASTER machine and that the ATMI application is inactive.UBBCONFIG with a text editor and add the following lines to the RESOURCES and SERVERS sections:*RESOURCES
SECURITY USER_AUTH
AUTHSVC AUTHSVC
.
.
.
*SERVERS
AUTHSVR SRVGRP="group_name" SRVID=1 RESTART=Y GRACE=600 MAXGEN=2 CLOPT="-A"
CLOPT="-A" causes tmboot(1) to pass only the default command-line options (invoked by "-A") to AUTHSVR when tmboot starts the ATMI application. By default, AUTHSVR uses the client user information in a file named tpusr to authenticate clients that want to join the ATMI application. tpusr resides in the directory referenced by the first pathname defined in the ATMI application’s APPDIR variable.
tmloadcf command parses UBBCONFIG and loads the binary TUXCONFIG file to the location referenced by the TUXCONFIG variable.passwd command of tmadmin.
AUTHSVR and the access control checking feature available with the default authorization system require a user file named tpusr, which contains a list of client users allowed to join the ATMI application. tpusr is maintained by the application administrator using the tpusradd(1), tpusrdel(1), and tpusrmod(1) commands. The AUTHSVR server takes as input the client user information stored in the tpusr file; it uses this information to authenticate clients that want to join the ATMI application.
The following display is a sample entry in the tpusr file.

AUTHSVR and the access control checking feature also require a group file named tpgrp, which contains a list of groups associated with the client users allowed to join the ATMI application; tpgrp is maintained by the application administrator using the tpgrpadd(1), tpgrpdel(1), and tpgrpmod(1) commands.
AUTHSVC assigns an authenticated client user an application key, which contains a user identifier and associated group identifier for the USER_AUTH, ACL, or MANDATORY_ACL security level. (See Application Key for more information about application keys.)
The following display is a sample entry in the tpgrp file.

As the administrator, you must define lists of users and groups in the tpusr and tpgrp files, both of which are located in the directory referenced by the first path name defined in the ATMI application’s APPDIR variable. The files are colon-delimited, flat text files, readable and writable only by the application’s administrator.
You may already have files containing lists of users and groups on your host system. You can use them as the user and group files for your ATMI application, but only after converting them to the format required by the Oracle Tuxedo system. To convert your files, run the tpaclcvt(1) command, as shown in the following sample procedure. The sample procedure is written for a UNIX host machine.
MASTER machine and that the ATMI application is inactive./etc/password file into the format needed by the Oracle Tuxedo system, enter the following command.tpaclcvt -u /etc/password
This command creates the tpusr file and stores the converted data in it. If the tpusr file already exists, tpaclcvt adds the converted data to the file, but it does not add duplicate user information to the file.
| Note: | For systems on which a shadow password file is used, you are prompted to enter a password for each user in the file. |
/etc/group file into the format needed by the Oracle Tuxedo system, enter the following command.tpaclcvt -g /etc/group
This command creates the tpgrp file and stores the converted data in it. If the tpgrp file already exists, tpaclcvt adds the converted data to the file, but it does not add duplicate group information to the file.
The Oracle Tuxedo system requires that you maintain a list of your application users in a file named tpusr, and a list of groups, in a file named tpgrp. There are two methods of modifying the entries in these files: by issuing commands or by changing the values of the appropriate attributes in the ACL_MIB.
You can add, modify, or delete entries in the tpusr and tpgrp files at any time by running one of the following commands.
To run any of these commands, follow these steps.
If you prefer not to use the command-line interface, you can add, modify, or delete user entries in tpusr by changing the appropriate attribute values in the T_ACLPRINCIPAL class in the ACL_MIB(5). This method is more efficient than the command-line interface if you want to add several user entries simultaneously, since tpusradd(1) allows you to add only one user at a time.
Similarly, you can add, modify, or delete group entries in tpgrp by changing the appropriate attribute values in the T_ACLGROUP class in the ACL_MIB(5). This method is more efficient than the command-line interface if you want to add several group entries simultaneously, since tpgrpadd(1) allows you to add only one group at a time.
Of course, the easiest way to access the MIB is via the Oracle Administration Console.
Default authorization consists of an access control checking feature that determines which users can execute a service, post an event, or enqueue (or dequeue) a message on an application queue. There are two levels of access control security: optional access control list (ACL) and mandatory access control list (MANDATORY_ACL). Only when users are authenticated to join an ATMI application does the access control list become active.
By using an access control list, an administrator can organize users into groups and associate the groups with objects that the member users have permission to access. Access control is done at the group level for the following reasons:
The access control checking feature is based on three files that are created and maintained by the application administrator:
By parsing the client’s application key, which contains information identifying the client as a valid user and valid group member, an entity (such as a service, event, or application queue) can identify the group to which the user belongs; by checking the tpacl file, an entity can determine whether the client’s group has access permission.
The application administrator, application operator, and processes or service requests running with the privileges of the application administrator/operator are not subject to ACL permission checking.
If user-level ACL entries are needed, they may be implemented by creating a group for each user, and then mapping the group to the appropriate application entities in the tpacl file.
Default authentication offers an optional ACL (ACL) security level that you invoke by specifying SECURITY ACL in your configuration file. This security level requires that each client provide an application password, a username, and user-specific data, such as a password, to join the ATMI application. If there is no entry in the tpacl file associated with the target application entity, the user is permitted to access the entity.
This security level enables an administrator to configure access for only those resources that need more security. That is, there is no need to add entries to the tpacl file for services, events, or application queues that are open to everyone. Of course, if there is an entry in the tpacl file associated with the target application entity and a user attempts to access that entity, the user must be a member of a group that is allowed to access that entity; otherwise, permission is denied.
To enable the ACL security level, follow these steps.
Instructions for these steps are provided in the following two topics.
MASTER machine and that the ATMI application is inactive.UBBCONFIG with a text editor and add the following lines to the RESOURCES and SERVERS sections:*RESOURCES
SECURITY ACL
AUTHSVC ..AUTHSVC
.
.
.
*SERVERS
AUTHSVR SRVGRP="group_name" SRVID=1 RESTART=Y GRACE=600 MAXGEN=2 CLOPT="-A"
CLOPT="-A" causes tmboot(1) to pass only the default command-line options (invoked by "-A") to AUTHSVR when tmboot starts the ATMI application. By default, AUTHSVR uses the client user information in a file named tpusr to authenticate clients that want to join the ATMI application. tpusr resides in the directory referenced by the first pathname defined in the ATMI application’s APPDIR variable.
tmloadcf command parses UBBCONFIG and loads the binary TUXCONFIG file to the location referenced by the TUXCONFIG variable.passwd command of tmadmin.
The access control checking feature requires a user file named tpusr, a group file named tpgrp, and an ACL file named tpacl. The ACL file contains mappings of groups to application entities. An entity may be a service, event, or application queue.
The following display is a sample entry in the tpacl file.

As the administrator, you must define the entries in the tpacl file, which is located in the directory referenced by the first pathname defined in the ATMI application’s APPDIR variable. The file is a colon-delimited, flat text file, readable and writable only by the application’s administrator.
There are two methods of modifying the ACL entries in the tpacl file: by issuing commands or by changing the values of the appropriate attributes in the ACL_MIB.
You can add, modify, or delete ACL entries in the tpacl file at any time by running one of the following commands.
To run any of these commands, follow these steps.
If you prefer not to use the command-line interface, you can add, modify, or delete ACL entries in tpacl by changing the appropriate attribute values in the T_ACLPERM class in the ACL_MIB(5). This method is more efficient than the command-line interface if you want to add several ACL entries simultaneously, since tpacladd(1) allows you to add only one ACL entry at a time.
Of course, the easiest way to access the MIB is via the Oracle Administration Console.
Default authentication offers a mandatory ACL security level that you invoke by specifying SECURITY MANDATORY_ACL in your configuration file. This security level requires that each client provide an application password, a username, and user-specific data, such as a password, to join the ATMI application. If there is no entry in the tpacl file associated with the target application entity, the client is not permitted to access the entity. In other words, an entry must exist in the tpacl file for every application entity that a client needs to access. For this reason, this level is called mandatory.
Of course, if there is an entry in the tpacl file associated with the target application entity and a user attempts to access that entity, the user must be a member of a group that is allowed to access that entity; otherwise, permission is denied.
To enable the MANDATORY_ACL security level, follow these steps.
Instructions for these steps are provided in the following two topics.
MASTER machine and that the ATMI application is inactive.UBBCONFIG with a text editor and add the following lines to the RESOURCES and SERVERS sections:*RESOURCES
SECURITY MANDATORY_ACL
AUTHSVC ..AUTHSVC
.
.
.
*SERVERS
AUTHSVR SRVGRP="group_name" SRVID=1 RESTART=Y GRACE=600 MAXGEN=2 CLOPT="-A"
CLOPT="-A" causes tmboot(1) to pass only the default command-line options (invoked by "-A") to AUTHSVR when tmboot starts the ATMI application. By default, AUTHSVR uses the client user information in a file named tpusr to authenticate clients that want to join the ATMI application. tpusr resides in the directory referenced by the first pathname defined in the ATMI application’s APPDIR variable.
tmloadcf command parses UBBCONFIG and loads the binary TUXCONFIG file to the location referenced by the TUXCONFIG variable.passwd command of tmadmin.
Kerberos is a network authentication protocol. It is designed to provide strong authentication for client/server applications by using secret-key cryptography. The Kerberos authentication protocol provides a mechanism for mutual authentication between a client and a server, or between one server and another, before opening a network connection between them. The protocol assumes that initial transactions between clients and servers take place on an open network where most computers are not physically secure. It also assumes that packets traveling along the network can be monitored and modified at will.
After using Kerberos to prove the identity of a client and server, their communications can be encrypted to ensure privacy and data integrity. Refer to the See Also section for more information about Kerberos.
The following sections describe the Kerberos authentication plug-in feature included in Tuxedo:
Tuxedo provides a general security framework that can be customized. This framework is further enhanced with the inclusion of a Kerberos plug-in.
Currently the Kerberos plug-in supports the following platforms:
The Kerberos Plug-in is a dynamic library that must be registered into the Tuxedo system, and a Kerberos authentication server (KAUTHSVR(5)). The Tuxedo implementation of the Kerberos plug-in supports the following:
| Note: | Authentication between the security protocols of Tuxedo workstation client and workstation handler, authentication between two domain gateways and CORBA components are not supported. |
To use Kerberos authentication, you must make sure the following system requirements are set up properly:
This section provides configuration information to get the Kerberos plug-in set up and running.
Each of these steps are explained in more detail in the subsections that follow.
You must first register the Kerberos plug-in on UNIX and Windows platforms.
The Kerberos plug-in must be configured using the EPIF commands epifreg and epifregedt. These commands will automatically add the plug-in to the Tuxedo registry in UNIX and Windows. For example:
epifreg -r -p krb5/atn -i engine/security/authentication -o SYSTEM -v 1.0 \
-f $TUXDIR/lib/libkrb5atn.so \
-e krb5_plugin_entry \
-u KRB5_CONFIG=/etc/krb5.conf \
-u KRB5_KDC=/etc/krb5.kdc\
-u KAUTHSVRPRINC="krbauth@host.yourcomany.com"
epifregedt -s -k SYSTEM/interfaces/engine/security/authentication \
-a Selector=native/security/authentication \
-a native/security/authentication=krb5/atn
epifreg -r -p krb5/atn -i engine/security/authentication -o SYSTEM -v 1.0 \
-f %TUXDIR%\bin\libkrb5atn.dll \
-e krb5_plugin_entry \
-u KAUTHSVRPRINC="krbauth/host.yourcomany.com@REALM"
epifregedt -s -k SYSTEM/interfaces/engine/security/authentication \
-a Selector=native/security/authentication \
-a native/security/authentication=krb5/atn
| Notes: | On a Windows platform, the plug-in KRB5_CONFIG and KRB5_KDC parameters are not required. These parameters are used on a UNIX platform to locate the Kerberos-related configuration files. KAUTHSVRPRINC specifies the principal name for the KAUTHSVR server and Tuxedo clients use it as the server principal name. |
| Note: | On UNIX platforms, the GSS format is used. Because Microsoft does not support standard GSS name representation, the KAUTHSVRPRINC parameter must be given a complete Kerberos realm name. |
| Note: | The name format is illustrated as follows: |
| Note: | KAUTHSVRPRINC can also be set as an environment variable. |
The following commands restore the plug-in to its default state.
epifreg -r -p bea/native/atn \
-i engine/security/authentication \
-v 1.0 -f libtux.so -e _ep_dl_atnlcl
epifregedt -s -k SYSTEM/interfaces/engine/security/authentication \
-a Selector=native/security/authentication \
-a native/security/authentication=bea/native/atn
| Note: | In Listing 2-3, libtux.so is used as an example. You must use the file name libtux plus your platform specific dynamic library extension. |
KAUTHSVR is a Tuxedo server located in TUXDIR/bin directory and must be manually configured in the UBBCONFIG file. KAUTHSVR authenticates client identity by validating the client security token. It addresses the Tuxedo ACL mechanism when the security level is set above "USER_AUTH" in the UBBCONFIG file.
The following are examples of how KAUTHSVR is configured in the UBBCONFIG file for both UNIX and Windows:
*RESOURCES
IPCKEY 66666
MASTER SITE1
MODEL MP
SECURITY MANDATORY_ACL
*SERVERS
KAUTHSVR SRVGRP=SECGRP SRVID=100 GRACE=0 MAXGEN=2 CLOPT="-A -- -k /etc/krbauth.kt -p krbauth@host.yourcomany.com"
| Notes: | The -k option allows you to provide the KAUTHSVR Kerberos key table file location. |
| Note: | The -p option indicates KAUTHSVR principal name. |
| Note: | KAUTHSVR running on UNIX platforms must use the GSS format. |
*RESOURCES
IPCKEY 66666
MASTER SITE1
MODEL MP
SECURITY MANDATORY_ACL
*SERVERS
KAUTHSVR SRVGRP=GROUP3 SRVID=100 GRACE=0 MAXGEN=2
SEC_PRINCIPAL_NAME="kauthsvc" SEC_PRINCIPAL_PASSVAR=test CLOPT="-A -- -p
krbauth/host.yourcomany.com@REALM"
| Notes: | The -p option indicates KAUTHSVR principal name. |
| Note: | Instead of using the -k option, Windows platforms must use the following two arguments: |
SEC_PRINCIPAL_NAME represents KAUTHSVR, it does not represent the server principal name (which is represented by the -p option).SEC_PRINCIPAL_PASSVAR is the internal password variable. It is not the true password that is required when tmloadcf creates the TUXCONFIG file. The tmloadcf password input must be same as the KAUTHSVR account password in a Windows domain.| Note: | KAUTHSVR running on Windows platform must use the complete Kerberos realm name. |
To use the Tuxedo native client with Kerberos enabled, you must first obtain a valid TGT from the KDC using kinit or other similar commands.
No programming APIs are required. Also, if USER_AUTH is specified, the Tuxedo user name is not required in the tpusr file. However, a user name is required for ACL and MANDATORY_ACL security level.
epif* commands. If the Tuxedo administrator does not register the libkrb5atn to Tuxedo, the default plug-in still works and the default Tuxedo security mechanism takes effect. KAUTHSVR supports full function of AUTHSVR in addition to Kerberos authentication.| Note: | Authentication between the security protocols of Tuxedo workstation client and workstation handler, authentication between two domain gateways and CORBA components are not supported. |
The Cert-C based PKI (public key infrastructure) plug-in utilizes the public key encryption algorithm to provide you with the ability to:
The following sections describe the Cert-C PKI encryption feature included in Tuxedo:
The Tuxedo Cert-C PKI encryption plug-in plug-in uses LDAP version 2 or higher as the storage mechanism for the publicly accessible user certificates. LDAP is a commonly used and deployed network directory service.
To use the Tuxedo Cert-C PKI encryption plug-in, you must make sure of the following system requirements:
To use this plug-in, you must run a command script to configure Tuxedo in order to use this plug-in as the default PKI plug-in.
The Tuxedo Cert-C plug-in utilizes four interface groups in the Tuxedo Security PIF and is configured using PIF registry commands. The required interface groups are:
In the Tuxedo environment, only user names are available in the plug-in at runtime. In order to get the proper search information, it assumes that a certificate stored in the LDAP with a cn=user name entry is a Tuxedo user name.
This interface group expects a user certificate to be located on an LDAP server and it has access permission to read these certificates. The certificate lookup interface has four parameters that must be configured. The parameters are described as follows:
ldapUserCertificate
LDAP:URL. For example:
ldapUserCertificate=ldap://sagamore:389
This example tells the Cert-C plug-in that the LDAP server is located on a machine called “sagamore”, and it is listening on port 389.
ldapBaseObject
ldapBaseObject="ou=Engineer Test,o=ABC Company,c=US"
This example initiates a search from the directory information tree "ou=Engineer Test, o=ABC Company, c=US"
ldapFilterAttribute
ldapBaseDNAttribute. For example:
ldapBaseDNAttribute
ldapBaseDNAttribute="c, o, ou, cn"
This example tells the Cert-C plug-in to use the "c", "o", "ou", "cn" attributes when constructing the DN for a search.
To enable OpenLDAP for X.509 certificate lookup, execute the command shown in Listing 2-6 to modify Tuxedo PKI plug-in information:
epifreg -r -p security/BEA/certificate_lookup -i engine/security/certificate_lookup -v 1.0 -f 'libplugin.<suffix>' -e _ep_dl_certlookup -u userCertificateLdap=ldap:/<ldap_host_name>:<ldap_port>/ -u ldapBaseObject='<your_ldap_base>' -u binaryCertificate='YES'.<suffix> is the proper suffix for the shared library ( for example, libplugin.dll for Windows, and libplugin.so.71 for Solaris). ldap_host_name is the name of the host where the LDAP server is runningldap_port is the LDAP server port number (for example, userCertificateLdap=ldap:/cerebrum:389/).your_ldap_base is the base of your LDAP DIT (for example, ldapBaseObject='ou=Accounting,o=ABC Company,c=US')| Note: | You may also need to modify the bea_ldap_filter.dat file which is located in $TUXDIR/udataobj/security. |
Listing 2-7 displays a filter example.
'BEA_person_lookup'
'.*' ' ' '(|(objectClass=inetOrgPerson)(cn=%v))' 'username'
'(|(objectClass=inetOrgPerson) (cn=%v*))' 'start of
username'
'BEA_issuer_lookup'
'.*' ' '
'(&(objectClass=certificationAuthority)(cn=%v)(sn=%v))' 'exact match on
sn, cn'
The location of the private key is the only configuration parameter that must be specified for key management interface.
Optional parameter. It is a string variable that gives the Cert-C PKI encryption plug-in the password to decrypt the private key wrapped in encrypted private key information format. For example:
The plug-in assumes the private key information file follows the "<subject_name>.epk" naming scheme.
| Note: | decPassword and privateKeyDir can be overridden by using the tpkey_open(3c) identity_proof and location parameters. |
A string variable parameter in file URL format. It indicates the default location of the private key. For example:
privateKeyDir=file:///c:\home\certs\
This example tells the Cert-C PKI encryption plug-in to look for a private key in the c:\home\certs directory. The private key can be a binary file that conforms with PKCS #8. It must have a .pvt or .epk extension.
If the password is given in the "decPassword" path or tpkey_open(..., identity_proof, ...), then the .epk file will be searched first, if not found then it will try .pvt file. If the password is not given in the "decPassword" path or tpkey_open(..., identity_proof, ...), then only .pvt file is searched.
No special configuration parameter is needed to utilize the certificate parsing interface. It is initialized automatically.
| Note: | Certificates must be X.509-compatible in DER format. |
This interface group allows the Cert-C PKI encryption plug-in to examine a certificate and to determine its validity based on trusted certificate authorities, chains of trust, certificate revocation list. There are two configuration parameters associated wither certificate validation:
A string variable configuration parameter in file URL format. It points to a single certificate whose public key is trusted by the user. The certificate can be self-signed. If the certificate chain validates this trusted certificate the certificate is deemed a “good” certificate.For example:
| Note: | There is only one certificate validation chain level. That is, all user certificates are issued directly by the root CA configured in caCertificateFile. |
caCertificateFile=file:///c:\home\certs\root.cer
This example indicates that the trusted root certificate is located at directory called c:\home\certs and is named root.cer.
A string variable configuration parameter in file URL format. It points to a single CRL that is to be used to verify the resulting certificate path; in another word, it determines whether the certificate in question is being revoked by its issuer or not. For example:
crlFile=file:///c:\home\certs\revoke.crl
This example indicates which CRL is used to determine if the certificate has not been revoked by its issuer.
The following is a sample command for modifying the Tuxedo registry database on a Windows platform using the Cert-C PKI encryption plug-in.
| Note: | On a UNIX platform, you must: |
REM **********************************************************
REM ** Modify Validation Interface **
REM **********************************************************
epifreg -r -p bea/cert-c/certificate_validation -i engine/security/certificate_validation -v 1.0 -f certctux.dll -e _ep_dl_certc_validate_certificate -u caCertificateFile=file:///c:\home\certs\root.cer -u crlFile=file:///c:\home\certs\revoke.crl
epifreg -s -k SYSTEM/impl/bea/valfile -a InterceptionSeq=bea/cert-c/certification_validation
epifregedt -s -k SYSTEM/interfaces/engine/security/certificate_validation -a DefaultImpl=bea/valfile
REM **********************************************************
REM ** Modify Lookup Interface **
REM **********************************************************
epifreg -r -p bea/cert-c/certificate_lookup -i engine/security/certificate_lookup -v 1.0 -f certctux.dll -e _ep_dl_certc_certificate_lookup -u ldapUserCertificate=ldap://sagamore:389 -u ldapBaseObject="ou=Engineer Test,o=ABC Company,c=US" -u ldapFilterAttribute="cn" -u ldapBaseDNAttribue="c,o,ou,cn"
epifregedt -s -k SYSTEM/interfaces/engine/security/certificate_lookup -a DefaultImpl=bea/cert-c/certificate_lookup
REM **********************************************************
REM ** Modify Key Management Interface **
REM **********************************************************
epifreg -r -p bea/cert-c/key_management -i engine/security/key_management -v 1.0 -f certctux.dll -e _ep_dl_certc_key_management -u privateKeyDir=file:///c:\home\certs\
epifregedt -s -k SYSTEM/interfaces/engine/security/key_management -a DefaultImpl=bea/cert-c/key_management
REM **********************************************************
REM ** Modify Certificate Parsing Interfaces **
REM **********************************************************
epifreg -r -p bea/cert-c/certificate_parsing -i engine/security/certificate_parsing -v 1.0 -f certctux.dll -e _ep_dl_certc_certificate_parsing
epifregedt -s -k SYSTEM/interfaces/engine/security/certificate_parsing -a DefaultImpl=bea/cert-c/certificate_parsing
"cn" attribute of distinguished name is used as key for certificate lookup, so the DN must contains the "cn=" attribute.tpkey_getinfo() attributes cannot retrieve ENCRYPT_ALG, ENCRYPT_BITS, SIGNATURE_ALG, or SIGNATURE_BITS information using the Cert-C PKI encryption plug-in:TPKEY_SIGNATURE: cannot retrieve ENCRYPT_ALG, ENCRYPT_BITSTPKEY_ENCRYPT: cannot retrieve SIGNATURE_BITSTPKEY_AUTOSIGN: cannot retrieve ENCRYPT_ALG, ENCRYPT_BITS TPKEY_AUTOENCRYPT: cannot retrieve SIGNATURE_BITS| Note: | TPKEY_DECRYPT: can retrieve ENCRYPT_ALG, ENCRYPT_BITS, SIGNATURE_ALG, or SIGNATURE_BITS information can retrieve ENCRYPT_ALG, ENCRYPT_BITS, SIGNATURE_ALG, or SIGNATURE_BITS information |
|