9 Storage Devices and Internal Cables





---------------------------------
Disk Drives page 9-2 Diskette Drive page 9-27 Internal Disk Cable page 9-32 DC Power Harness page 9-38 ---------------------------------

9.1 Disk Drives

----------------------------------------------------------------------------
----------------------------------------------------------------------------
                                                                
Determine which disk drive to replace                           page 9-2
                                                                
Remove disk drive to be replaced                                page 9-2
                                                                
Verify SCSI address and configuration jumpers on the new disk   page 9-5
drive                                                                        
                                                                
Install new disk drive                                          page 9-20

----------------------------------------------------------------------------

9.1.1 Removing a Disk Drive

    1. Shut down the system.

    See Section 6.1, "Powering Off the System."

    2. Remove the cover and attach a wrist strap.

    See Chapter 7, "Internal Access."

    3. Determine which drive you need to remove.

    See Figure 9-1.

    Figure 9-1 Disk Drive Positions

    4. Slide the disk drive toward the rear of the chassis to unseat the four grommets (two on each side) from the drive mounts.

    See Figure 9-2.

    Figure 9-2 Removing a Disk Drive

    5. Disconnect the power and internal disk connectors from the drive.

    See Figure 9-2.

    6. Lift out the disk drive and place it on an antistatic surface.
    7. If you have a disk drive with just four grommets installed, remove the four grommets from the drive.

    See Figure 9-3. You will need to install these grommets on the new drive.

    Figure 9-3 Location of Disk Drive Grommets

    8. If you have a disk drive with a drive bracket installed, remove the six screws and the screw-in grommets.

    See Figure 9-4. You will need to install the bracket, screws, and the screw-in grommets on the replacement drive.

    Figure 9-4 Removing the Disk Drive Bracket

9.1.2 Setting Disk Drive Jumpers

    1. Place the replacement drive on the antistatic bag the drive was shipped in.
    2. Set the SCSI ID and configuration jumper settings.

    Set the SCSI ID jumper settings according to the drive position. For the 424 Mbyte disk drive, see Figure 9-5, Table 9-1, and Table 9-2. For the 535 Mbyte disk drive see Figure 9-6, Table 9-3, Table 9-4, and Table 9-5.

    For the 1.05 Gbyte disk drive, see Figure 9-7, Table 9-6, Table 9-7, and Table 9-8. For the Low Profile 1.05 Gbyte disk drive see Figure 9-8, Figure 9-9, Table 9-9, Table 9-10, and Table 9-11.

    For the 2.1 Gbyte disk drive, see Figure 9-10, Table 9-12, Table 9-13, and Table 9-14.

    Figure 9-5 SCSI Address and Configuration Jumper Settings of 424 Mbyte Disk Drives

    SCSI target 3 and 1 are the pre-set SCSI addresses for the disk drives. With the SunOS 4.1.3 operating system, you can assign SCSI address 0, 1, 2, or 3. With Solaris 2.1 and later operating system releases, you can assign SCSI addresses 0 through 6.

    Table 9-1 Preset SCSI Target ID Jumper Settings for the 424 Mbyte Disk Drive

----------------------------------------------------
Drive Position Target ID Jumper SCSI Address Settings ----------------------------------------------------
                                        
0                    A0 installed       3
(middle of chassis)  A1 installed                     
                     A2 not installed                 
                                        
1                    A0 installed       1
(corner of chassis)  A1 not installed                 
                     A2 not installed                 

----------------------------------------------------

    Table 9-2 All SCSI Addresses for the 424 Mbyte Disk Drive

------------------------------------------------------------
SCSI Address A0 A1 A2 ------------------------------------------------------------
                                                           
0                                                          
                                                           
1                                                  X       
                                                           
2                                                      X   
                                                           
3                                                  X   X   
                                                           
4*                                                         X
                                                           
5*                                                 X       X
                                                           
6*                                                     X   X
                                                           
X notes SCSI address jumper installed.                     
                                                           
* Solaris 2.1 (SunOS 5.1) and later releases only          

------------------------------------------------------------

    Figure 9-6 SCSI Address and Configuration Jumpers of Both 535 Mbyte Disk Drives

    Table 9-3 SCSI Settings for the 535 Mbyte Disk Drive

--------------------------------------------------
Drive Position Jumper Settings SCSI Target --------------------------------------------------
                                      
0                    E1-Jumpered      3
                                                    
(Middle of Chassis)  E2-Jumpered                    
                                                    
                     E3-Not Jumpered                
                                      
1                    E1-Jumpered      1
                                                    
(Corner of Chassis)  E2-Not Jumpered                
                                                    
                     E3-Not Jumpered                

--------------------------------------------------

    Table 9-4 Jumper Descriptions for the 535 Mbyte Disk Drive

------------------------------------------------------------------------------
Jumper Description ------------------------------------------------------------------------------
                                                        
E1                                                      ID Select
                                                        
E2                                                      ID Select
                                                        
E3                                                      ID Select
                                                        
E4*                                                     SCSI Termination
                                                        
E5                                                      Motor Enable
                                                        
E6*                                                     SCSI Terminator Power
                                                        
* E4, E6 and the serial port jumpers are not jumpered.  

------------------------------------------------------------------------------

    Table 9-5 All SCSI Addresses for the 535 Mbyte Disk Drive

-----------------------------------------------------------
SCSI Address E1 E2 E3 -----------------------------------------------------------
                                                          
0                                                         
                                                          
1                                                 X       
                                                          
2                                                     X   
                                                          
3                                                 X   X   
                                                          
4*                                                        X
                                                          
5*                                                X       X
                                                          
6*                                                    X   X
                                                          
X notes SCSI address jumper installed.                    
                                                          
* Solaris 2.1 (SunOS 5.1) or later releases only          

-----------------------------------------------------------

    Figure 9-7 SCSI Address and Configuration Jumper Settings of Both 1.05 Gbyte Disk Drives

    Table 9-6 SCSI Target ID Jumper Settings for the 1.05 Gbyte Disk Drive

----------------------------------------------------
Drive Position Target ID Jumper SCSI Address Settings ----------------------------------------------------
                                        
0                    A0 installed       3
(middle of chassis)  A1 installed                     
                     A2 not installed                 
                                        
1                    A0 installed       1
(corner of chassis)  A1 not installed                 
                     A2 not installed                 

----------------------------------------------------

    Table 9-7 All SCSI Addresses for the 1.05 Gbyte Disk Drive

----------------------------------------------------------------
SCSI Address A0 A1 A2 ----------------------------------------------------------------
                                                               
0                                                              
                                                               
1                                                      X       
                                                               
2                                                          X   
                                                               
3                                                      X   X   
                                                               
4*                                                             X
                                                               
5*                                                     X       X
                                                               
6*                                                         X   X
                                                               
* Solaris 2.1 (SunOS 5.1) and later operating system           
releases only                                                      

----------------------------------------------------------------

Note - In Table 9-13, X indicates SCSI address jumpers installed.

    Table 9-8 Configuration Jumper Acronym Definitions for the 1.05 Gbyte Disk Drive

---------------------------------------
Acronym Definition ---------------------------------------
         
RS       Reserved
         
DS       Delayed Start
         
ME       Motor Enable (Remote Spin-up)
         
WP       Write Protect
         
PE       Parity Enable
         
SS       Reserved
         
TP       Term Power from Drive
         
TP       Term Power to SCSI Bus

---------------------------------------

    Figure 9-8 SCSI Address and Configuration Jumpers of Both Type A Low Profile 1.05 Gbyte Disk Drives

    Figure 9-9 SCSI Address and Configuration Jumpers of Both Type B Low Profile 1.05 Gbyte Disk Drives

    Table 9-9 SCSI Settings for the Low Profile 1.05 Gbyte Disk Drive

--------------------------------------------------
Drive Position Jumper Settings SCSI Target --------------------------------------------------
                                      
0                    E1-Jumpered      3
                                                    
(Middle of Chassis)  E2-Jumpered                    
                                                    
                     E3-Not Jumpered                
                                      
1                    E1-Jumpered      1
                                                    
(Corner of Chassis)  E2-Not Jumpered                
                                                    
                     E3-Not Jumpered                

--------------------------------------------------

    Table 9-10 Jumper Descriptions for the Type A Low Profile 1.05 Gbyte Disk Drive

---------------------------------------------
Jumper Description ---------------------------------------------
        
E1      ID Select
        
E2      ID Select
        
E3      ID Select
        
E4      Reserved (not jumpered)
        
E5      Motor Enable
        
E6      Delay Spin (not jumpered)
        
E7      Disable Parity (not jumpered)
        
E8      SCSI Terminator Power (not jumpered)

---------------------------------------------

    Table 9-11 All SCSI Addresses for the Low Profile 1.05 Gbyte Disk Drive

--------------------------------------------------------------
SCSI Address E1 E2 E3 --------------------------------------------------------------
                                                             
0                                                            
                                                             
1                                                    X       
                                                             
2                                                        X   
                                                             
3                                                    X   X   
                                                             
4*                                                           X
                                                             
5*                                                   X       X
                                                             
6*                                                       X   X
                                                             
X notes SCSI address jumper installed.                       
                                                             
Solaris 2.1 (SunOS 5.1) and later operating system           
releases only                                                    

--------------------------------------------------------------

    Figure 9-10 SCSI Address and Configuration Jumpers of Both 2.1 Gbyte Disk Drives

    Table 9-12 SCSI Target ID Jumper Settings for the 2.1 Gbyte Disk Drive

----------------------------------------------------
Drive Position Target ID Jumper SCSI Address Settings ----------------------------------------------------
                                        
0                    A0 installed       3
(middle of chassis)  A1 installed                     
                     A2 not installed                 
                                        
1                    A0 installed       1
(corner of chassis)  A1 not installed                 
                     A2 not installed                 

----------------------------------------------------

    Table 9-13 All SCSI Addresses for the 2.1 Gbyte Disk Drive

----------------------------------------------------------------
SCSI Address A0 A1 A2 ----------------------------------------------------------------
                                                               
0                                                              
                                                               
1                                                      X       
                                                               
2                                                          X   
                                                               
3                                                      X   X   
                                                               
4*                                                             X
                                                               
5*                                                     X       X
                                                               
6*                                                         X   X
                                                               
* Solaris 2.1 (SunOS 5.1) and later operating system           
releases only                                                      

----------------------------------------------------------------

Note - In Table 9-13, X indicates SCSI address jumpers installed.

    Table 9-14 Configuration Jumper Acronym Definitions

---------------------------------------
Acronym Definition ---------------------------------------
         
SS       Reserved
         
DS       Delay Motor Start
         
ME       Motor Enable (Remote Spin-up)
         
WP       Write Protect
         
PE       Parity Enable
         
TE       Enable Terminators
         
TP       Term Power from Drive
         
TP       Term Power to SCSI Bus

---------------------------------------

9.1.3 Completing the Installation

    1. If you are installing a drive without a bracket, attach the four grommets (two on each side) to the drive. Then go to step 3.

    See Figure 9-11.

    Figure 9-11 Grommets on the 424 Mbyte Disk Drive

    2. If you are installing a drive with a bracket and grommets, complete steps a through d.

    See Figure 9-12.

      a. Install the screw-in grommets and split washers on each side of the drive rear (away from the connector).
      b. Position the new mounting bracket over the drive (near the connector) and align the screw slots over the drive circuit board.
      c. Secure the bracket to the drive sides. Insert one Phillips-head screw on each side of the bracket.
      d. Secure the bracket base to the drive bottom (board side) with four Phillips-head screws.

    Figure 9-12 Removing or Installing the 1.05 Gbyte Disk Drive Bracket

    3. Unfold the internal disk cable from the holding clips and straighten it and the power harness out.

    See Figure 9-13. Make sure the DC power harness is long enough to reach the back of the chassis. If it is not, try to get more slack by working more of the cable out from the clips in the base of the chassis.

    Figure 9-13 Positioning the Cables to the Disk Drive

    4. Hold the drive in one hand and attach both the internal disk cable connector and the DC power harness connector to the drive with the other hand.

    See Figure 9-14.

    Figure 9-14 Connecting a Disk Drive and the Internal Cables

    5. Lower the drive into the chassis. Align the four grommets into the drive mounts. Firmly seat the grommets by moving the drive forward towards the connectors.

    See Figure 9-15.

    Figure 9-15 Seating the Disk Drive Into the Drive Mounts

    6. If you are installing a 535 Mbyte disk drive, a1.05 Gbyte disk drive, or a 2.1 Gbyte disk drive firmly seat the connector. With one hand at the back of the drive and the other hand on the back of the connector, push them together to firmly seat the connector in an 90-degree upright position.

    See Figure 9-16. If it is not, repeat steps 5 and 6.

Note - If the drive isn't seated properly, the cover will not close correctly.

    Figure 9-16 Firmly Seating the Connector to the 1.05 Gbyte Disk Drive

    7. Detach the wrist strap and replace the cover.

    See Chapter 7, "Internal Access."

    8. If you have one or more external SCSI devices daisy-chained to your system, install a regulated SCSI terminator on the last device in the daisy- chain.

    The regulated SCSI terminator has the word "REGULATED" stamped on it.

9.2 Diskette Drive

---------------------------------------------------------------------------------
---------------------------------------------------------------------------------
                                                                     
Remove the diskette drive                                            page 9-27
                                                                     
Set the diskette drive switch to the 0 position on the replacement   page 9-29
drive                                                                             
                                                                     
Install the diskette drive                                           page 9-29

---------------------------------------------------------------------------------

9.2.1 Removing the Diskette Drive

    1. Shut down then power off the system.

    See Chapter 6, "Power On and Off."

    2. Remove the cover and attach a wrist strap.

    See Chapter 7, "Internal Access."

    3. Remove the two drive locking tabs from the front mounts.

    See Figure 9-17.

    4. Slide the diskette drive toward the outer side of the chassis.

    See Figure 9-17. This frees the grommets from the drive mounts.

    Figure 9-17 Removing the Diskette Drive

    5. Disconnect the DC power and internal disk connectors from the diskette drive.

    See Figure 9-17.

    6. Lift the diskette drive out. Place it on an antistatic surface.

9.2.2 Installing the Diskette Drive

    1. Set the diskette drive switch to the 0 position.

    See Figure 9-18.

    Figure 9-18 Diskette Drive Switch Settings

    2. Hold the diskette drive in one hand. With the other hand, connect the DC power and data connectors to the diskette drive.

    The connectors are keyed so that they will fit only one way. See
    Figure 9-19.

    3. Install the diskette drive.
      a. Align the three grommets into the drive mounts.
      b. Slide the diskette drive toward the center of the chassis.

      The three grommets should sit tightly in the drive mounts.

    Figure 9-19 Installing the Diskette Drive

      c. Insert the two plastic tabs into the openings in the drive mounts.

      See Figure 9-20.

    Figure 9-20 Inserting the Plastic Tabs into the Diskette Drive Mounts

Note - If you cannot insert the tabs, push the diskette drive into the chassis until the grommets are securely seated in the drive mounts. When this step is performed properly, you will not be able to see the diskette drive grommets.

    4. Detach the wrist strap and replace the cover.

    See Chapter 7, "Internal Access."

Note - If the cover does not close, the diskette drive is not seated correctly in the drive mounts.

    5. Connect any peripherals you previously removed.
    6. Power on the system.

    See Chapter 6, "Power On and Off."

9.3 Internal Disk Cable

9.3.1 Removing the Internal Disk Cable

Caution - The hard disk drive contains electronic components that are extremely sensitive to static electricity. Ordinary amounts of static from your clothes or work environment can destroy the components.

Wear a grounding strap when handling the drive. See Section 7.2, "Attaching the Wrist Strap," in Chapter 7, "Internal Access." Do not touch the components themselves or any metal parts.

    1. Shut down then power off the system.

    See Chapter 6, "Power On and Off."

    2. Remove the cover and attach a wrist strap.

    See Chapter 7, "Internal Access."

    3. Remove the disk drives from the system unit.

    See Section 9.1, "Disk Drives."

    4. Remove the diskette drive from the system unit.

    See Section 9.2, "Diskette Drive."

    5. Remove the DC power harness from the system unit.
      a. Disconnect the DC power connector from the power supply.

      See Figure 9-21.

    Figure 9-21 DC Power Harness and Internal Disk Cable Layout

      b. Slide the DC power harness out of the cable clips in the base of the system and remove the DC power harness from the chassis.

      See Figure 9-21.

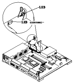
    6. Disconnect the LED connector from the LED.

    See Figure 9-22.

    Figure 9-22 Disconnecting the LED Connector from the LED

    7. Disconnect the internal disk connector from the system board.

    See Figure 9-23.

    8. Slide the internal disk cable out of the cable clips in the system base and remove it from the chassis.

    Figure 9-23 Internal Disk Cable

9.3.2 Installing the Internal Disk Cable

    1. Lay out the internal disk cable on the chassis and slide it under the cable clips.

    See Figure 9-23.

    2. Connect the internal disk connector to the system board.
    3. Insert the longer LED pin into the LED connector with the red wire.

    See Figure 9-24.

    Figure 9-24 Inserting the LED into the LED Connector

    4. Slide the LED into the LED cavity on the chassis. Push it into the cavity until it comes in contact with the locating stop. Connect the LED connector to the LED. See Figure 9-25.

    Figure 9-25 Connecting the LED Connector to the LED

    5. Lay out the DC power harness in the chassis.

    See Figure 9-27.

    6. Connect the DC power connector to the power supply harness.

    See Figure 9-26.

    7. Install the diskette drive. Install the hard disk drive(s).

    See Section 9.2, "Diskette Drive.," Section 9.1, "Disk Drives."

    8. Detach the wrist strap and replace the cover.

    See Chapter 7, "Internal Access."

    9. Connect any expansion units you previously removed.
    10. Power on the system.

    See Chapter 6, "Power On and Off."

9.4 DC Power Harness

9.4.1 Removing the DC Power Harness

    1. Shut down and power off the system.

    See Section 6.1, "Powering Off the System."

    2. Remove the cover and attach a wrist strap.

    See Chapter 7, "Internal Access."

    3. Remove all disk drives.

    See Section 9.1, "Disk Drives."

    4. Disconnect the DC power connector from the power supply cable.

    See Figure 9-26.

    Figure 9-26 Disconnecting and Reconnecting the DC Power Connector

    5. Disconnect the DC power connector from the diskette drive.

    See Figure 9-26.

    6. Slide the DC power harness out of the cable clips in the system base. Remove the DC power harness.

    See Figure 9-27.

    Figure 9-27 DC Power Harness and Internal Disk Cable Layout

9.4.2 Installing the DC Power Harness

    1. Route the DC power harness through the cable clips.

    See Figure 9-27.

    2. Connect the DC power connector to the power supply.

    See Figure 9-26.

    3. Connect the DC power connector to the diskette drive.

    See Figure 9-26.

Note - Make sure that the DC power harness and the internal disk cable lay flat.

    4. Install the disk drives.

    See Section 9.1, "Disk Drives."

    5. Detach the wrist strap and replace the cover.

    See Chapter 7, "Internal Access."

    6. Connect any expansion units you previously removed.
    7. Power on the system.

    See Section 6.2, "Restarting the System While Troubleshooting" or Section 6.3, "Powering On the System."