| SunVTS 6.2 Test Reference Manual for x86 Platforms
|
  
|
Loopback Connection Overview
Loopback connectors aid in testing communication ports. The connectors take the form of either a single plug or a port-to-port cable with some communication connections shorted (looped-back).
|
Note - Loopback connectors must be wired properly and connected firmly for the Serial Port tests to work correctly. Miswired, poorly soldered, or missing loopback connectors can cause erroneous diagnostic error messages.
|
The following table depicts the pin assignments for most loopback plugs and cables that may be used when testing a system.
TABLE A-1 Loopback Connector Pin Assignments
|
Signal Description
|
EIA
|
CCITT #
|
RS-449 A
|
RS-449 B
|
DIN 8
8-pin round
|
DB9
9-pin
|
DB25
25-pin
|
Direction
|
Alpha ID
|
|
Chassis/Frame Ground
|
AA
|
101
|
1
|
NC*
|
NC*
|
NC*
|
1
|
None
|
AA
|
|
Transmit Data
(TxDa)
|
BA
|
103
|
4
|
22
|
3
|
3
|
2
|
Output
|
BA
|
|
Receive Data
(RxDa)
|
BB
|
104
|
6
|
24
|
5
|
2
|
3
|
Input
|
BB
|
|
Request To Send
(RTSa)
|
CA
|
105
|
7
|
25
|
6
|
7
|
4
|
Output
|
CA
|
|
Clear To Send
(CTSa)
|
CB
|
106
|
9
|
27
|
2
|
8
|
5
|
Input
|
CB
|
|
Data Set Ready
(DSRa)
|
CC
|
107
|
11
|
29
|
NC*
|
6
|
6
|
Input/
output
|
CC
|
|
Signal Ground
(SG)
|
AB
|
102
|
19
|
NC*
|
4
|
5
|
7
|
None
|
AB
|
|
Data Carrier Detect
(DCDa)
|
CF
|
109
|
13
|
31
|
7
|
1
|
8
|
Input
|
CF
|
|
Transmit Clock In
(TRxCa)
|
DB
|
114
|
5
|
23
|
NC*
|
NC*
|
15
|
Input
|
DB
|
|
Receive Clock In
(RTxCa)
|
DD
|
115
|
8
|
26
|
8
|
NC*
|
17
|
Input
|
DD
|
|
Data Terminal
Ready (DTRa)
|
CD
|
108
|
12
|
30
|
1
|
4
|
20
|
Output
|
CD
|
|
External Clock Out
(TRxCa)
|
DA
|
113
|
17
|
35
|
NC*
|
NC*
|
24
|
Output
|
DA
|
|
Secondary Data
Carrier Detect
(DCDb)
|
SCF
|
122
|
NC*
|
NC*
|
NC*
|
NC*
|
12
|
Input
|
SCF
|
|
Secondary Clear
to Send (CTSb)
|
SCB
|
121
|
NC*
|
NC*
|
NC*
|
NC*
|
13
|
Input
|
SCB
|
|
Secondary Transmit
Data (TxDb)
|
SBA
|
118
|
NC*
|
NC*
|
NC*
|
NC*
|
14
|
Output
|
SBA
|
|
Secondary Receive
Data (RxDb)
|
SBB
|
119
|
NC*
|
NC*
|
NC*
|
NC*
|
16
|
Input
|
SBB
|
|
Secondary Request
to Send (RTSb)
|
SCA
|
120
|
NC*
|
NC*
|
NC*
|
NC*
|
19
|
Output
|
SCA
|
*NC = No connection
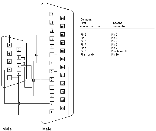
25-Pin RS-232 Loopback Plug
FIGURE A-1 shows the RS-232 and RS-423 single-port loopback plug, which is a specially wired male DB-25 connector. The plug is connected to a serial port in the back of the system under test. The following table lists the pin connections for connecting the first plug to the second plug:
TABLE A-2 25-pin RS-232 Loopback Plug Wiring Plug Connections
|
First Plug
|
Second Plug
|
|
Pin 3
|
Pin 2
|
|
Pins 6 and 8
|
Pin 20
|
|
Pins 15 and 17
|
Pin 24
|
FIGURE A-1 25-pin RS-232 Loopback Plug Wiring Diagram
25-Pin RS-232 Port-to-Port Loopback Cable
FIGURE A-2 shows how to connect 25-pin RS-232 and RS-423 port to 25-pin RS 232 and RS 423 port loopback cables (two DB-25 connections). The cable is connected to a pair of serial ports in the back of the system under test. Both plugs are male. The following table lists the pin connections for connecting the first plug to the second plug:
TABLE A-3 25-pin RS-232 Port-to-Port Loopback Cable Wiring Plug Connections
|
First Plug
|
Second Plug
|
|
Pin 2
|
Pin 3
|
|
Pin 3
|
Pin 2
|
|
Pin 4
|
Pin 5
|
|
Pin 5
|
Pin 4
|
|
Pins 6 and 8
|
Pin 20
|
|
Pin 7
|
Pin 7
|
|
Pins 15 and 17
|
Pin 24
|
|
Pin 20
|
Pins 6 and 8
|
|
Pin 24
|
Pins 15 and 17
|
FIGURE A-2 25-pin RS-232 Port-to-Port Loopback Cable Wiring Diagram
8-Pin to 8-Pin Loopback Cable
FIGURE A-3 shows how to connect 8-pin round DIN RS-232 port to RS-423 to 8-pin round-DIN RS-232 and RS-423 port loopback cables. Both plugs are male. The following table lists the pin connections for connecting the first plug to the second plug:
TABLE A-4 8-Pin to 8-Pin Loopback Cable Wiring Plug Connections
|
First Plug
|
Second Plug
|
|
Pin 3
|
Pin 5
|
|
Pin 5
|
Pin 3
|
|
Pin 6
|
Pin 2
|
|
Pin 2
|
Pin 6
|
|
Pin 7
|
Pin 1
|
FIGURE A-3 8-Pin to 8-Pin Loopback Cable Wiring Diagram
Pin 8, Receive clock In (DD), remains unconnected.
8-Pin Loopback Plug
FIGURE A-4 shows how to connect male 8-pin round-DIN RS-232 and RS-423 single-port loopback plugs. The following table lists the pin connections for connecting the first plug to the second plug:
TABLE A-5 8-Pin Loopback Plug Wiring Plug Connections
|
First Plug
|
Second Plug
|
|
Pin 3
|
Pin 5
|
|
Pin 6
|
Pin 2
|
|
Pin 1
|
Pin 7
|
FIGURE A-4 8-Pin Loopback Plug Wiring Diagram
Pin 8, Receive Clock In (DD), remains unconnected.
25-Pin Port A-to-Port B Loopback Plug
FIGURE A-5 shows how to connect a 25-pin Port A to Port B loopback plug for most systems. The following table lists the pin connections for connecting the first plug to the second plug:
TABLE A-6 Port A-to-Port B Loopback Plug Wiring Plug Connections
|
First Plug
|
Second Plug
|
|
Pin 16
|
Pin 2
|
|
Pin 3
|
Pin 14
|
|
Pin 13
|
Pin 4
|
|
Pin 5
|
Pin 19
|
|
Pins 6 and 8
|
Pin 11
|
|
Pin 12
|
Pin 20
|
|
Pin 18
|
Pin 24
|
|
Pins 15 and 17
|
Pin 25
|
FIGURE A-5 Port A-to-Port B Loopback Plug Wiring Diagram
25-Pin Port A-to-A Port B-to-B
Loopback Plug
If your system has a single communications port to connect it to peripherals, follow the connection instructions in FIGURE A-6 to make a male 25-pin loopback plug for that communication port. The following table lists the pin connections for connecting the first plug to the second plug:
TABLE A-7 Port A-to-A, Port B-to-B Loopback Plug Wiring Plug Connections
|
First Plug
|
Second Plug
|
|
Pin 3
|
Pin 2
|
|
Pin 5
|
Pin 4
|
|
Pins 6 and 8
|
Pin 20
|
|
Pin 12
|
Pin 11
|
|
Pin 13
|
Pin 19
|
|
Pin 16
|
Pin 14
|
|
Pins 15 and 17
|
Pin 24
|
|
Pin 25
|
Pin 18
|
FIGURE A-6 Port A-to-A, Port B-to-B Loopback Plug Wiring Diagram
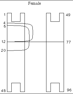
96-Pin Female Loopback Connector
FIGURE A-7 shows a 96-pin connector that can be ordered from Sun (part number 370-1366). The following table lists the pin connections for connecting the first plug to the second plug:
TABLE A-8 96-Pin Female Loopback Connector Wiring Plug Connections
|
First Plug
|
Second Plug
|
|
Pins 4 and 12
|
Pin 77
|
|
Pin 5
|
Pin 20
|
|
Pins 6
|
Pin 36
|
|
Pin 10
|
Pin 11
|
|
Pin 13
|
Pin 16
|
|
Pin 14
|
Pin 15
|
|
Pin 18
|
Pin 19
|
|
Pin 21
|
Pin 24
|
|
Pin 28
|
Pin 60
|
|
Pin 29
|
Pin 68
|
|
Pin 30
|
Pin 34
|
|
Pin 37
|
Pin 40
|
|
Pin 38
|
Pin 39
|
|
Pin 42
|
Pin 43
|
|
Pin 45
|
Pin 48
|
|
Pin 46
|
Pin 47
|
|
Pin 52
|
Pin 78
|
|
Pin 53
|
Pin 55
|
|
Pin 54
|
Pin 75
|
|
Pin 58
|
Pin 59
|
|
Pin 61
|
Pin 64
|
|
Pin 62
|
Pin 63
|
|
Pin 66
|
Pin 67
|
|
Pin 69
|
Pin 72
|
|
Pin 76
|
Pin 79
|
|
Pin 82
|
Pin 83
|
|
Pin 85
|
Pin 88
|
|
Pin 86
|
Pin 87
|
|
Pin 90
|
Pin 91
|
|
Pin 93
|
Pin 96
|
|
Pin 94
|
Pin 95
|
The following are the materials used for this plug:
- PCR-E96FA (1)
- PCS-E96LKPA (1)
- 3751 Metal Plug (1) (9563K42)
- AWG28 Madison Cable (8" long) UL/CSA Approved
FIGURE A-7 96-Pin Female Loopback Connector Wiring Diagram
96-Pin Female Special Loopback Connector
This 96-pin connector can be ordered from Sun (part number 370-1381).
FIGURE A-8 96-Pin Female Special Loopback Connector Wiring Diagram
37-Pin RS-449 Loopback Cable
Use these wiring instructions for a loopback cable for two 37-pin RS-449 synchronous ports.
FIGURE A-9 37-Pin RS-449 Loopback Cable Wiring Diagram
37-Pin RS-449 Loopback Plug
Use these wiring instructions to make a male 37-pin RS-449 loopback plug. This plug is also available from Sun (part number 530-1430).
FIGURE A-10 37-Pin RS-449 Loopback Plug Wiring Diagram
9-Pin Male Single-Port Loopback Plug
Use these wiring instructions for male 9-pin RS-232 and RS-423 single-port loopback plugs.
FIGURE A-11 9-Pin Male Single-Port Loopback Plug Wiring Diagram
9-Pin Female Single-Port Loopback Plug
Use these wiring directions for female 9-pin RS-232 and RS-423 single-port loopback plugs. Use this loopback plug with the pcmciatest.
FIGURE A-12 9-Pin Female Single-Port Loopback Plug Wiring Diagram
9-Pin to 25-Pin Port-to-Port Loopback Cable
Use these wiring instructions for a 9-pin RS-232 and RS-423 port to 25-pin RS-232 and RS 423 port loopback cables. Both connectors are male.
FIGURE A-13 9-Pin to 25-Pin Port-to-Port Loopback Cable Wiring Diagram
9-Pin to 9-Pin Port-to-Port Loopback Cable
Use these wiring instructions for 9-pin RS-232 and RS 423 port to 9-pin RS-232 and RS-423 port loopback cables. Both plugs are male.
FIGURE A-14 9-Pin to 9-Pin Port-to-Port Loopback Cable Wiring Diagram
This cable has no Sun part number assigned to it.
NT to TE Loopback Cable
Using two standard RJ-45 connectors, and connect pin 1 to pin 1, pin 2 to pin 2, and so on, for all pins. This loopback is a straight-through connection.
Twisted-Pair Ethernet (TPE) Loopback Cable for Fast Ethernet
Use the following wiring instructions for standard RJ-45 connectors for Fast Ethernet. Use loopback cable in netlbtest for eri devices.
FIGURE A-15 Twisted-Pair Ethernet (TPE) Loopback Cable Wiring Diagram for Fast Ethernet
TPE Loopback Cable for Gigabit and 10/100 Ethernet
Use the following wiring instructions for RJ-45 plugs for Gigabit and 10/100 Ethernet. This loopback cable is used in netlbtest for Gigabit and 10/100 devices.
FIGURE A-16 TPE Loopback Cable Wiring Diagram for Gigabit and 10/100 Ethernet
x86 Platform RJ-45 Serial Port Loopback Connector
Use the following wiring instructions for x86 platform RJ-45 serial port loopback plugs.
FIGURE A-17 x86 Platform RJ-45 Serial Port Loopback Connector
9-Pin Male Single-Port Loopback Plug
Use these wiring instructions for male 9-pin RS-232 and RS-423 single-port loopback plugs.
FIGURE A-18 9-Pin Male Single-Port Loopback Plug Wiring Diagram
9-Pin Female Single-Port Loopback Plug
Use these wiring directions for female 9-pin RS-232 and RS-423 single-port loopback plugs. Use this loopback plug with the pcmciatest.
FIGURE A-19 9-Pin Female Single-Port Loopback Plug Wiring Diagram
9-Pin Male DB-9 External Loopback Connector
Use these wiring instructions for male 9-pin DB-9 external loopback plugs.
FIGURE A-20 9-Pin Male DB-9 External Loopback Connector Wiring Diagram
The signals and names for the DB-9 connector are as follows.
|
Pin
|
Name
|
Signal
|
|
1
|
DCD
|
Data Carrier Detect
|
|
2
|
RxD
|
Receive Data
|
|
3
|
TxD
|
Transmit Data
|
|
4
|
DTR
|
Data Terminal Ready
|
|
5
|
SGND
|
Signal Ground
|
|
6
|
DSR
|
Data Set Ready
|
|
7
|
RTS
|
Request To Send
|
|
8
|
CTS
|
Clear To Send
|
|
9
|
RI
|
Ring Indicator
|
9-Pin Female DB-9 External Loopback Connector
Use these wiring instructions for female 9-pin DB-9 external loopback connectors. Use this loopback connector with the netlbtest on x86 platforms.
FIGURE A-21 9-Pin Female DB-9 External Loopback Connector Wiring Diagram
| SunVTS 6.2 Test Reference Manual for x86 Platforms
|
819-6456-10
|
  
|
Copyright © 2006, Sun Microsystems, Inc. All Rights Reserved.