Go to main content
Oracle® ZFS Storage Appliance 케이블 연결 설명서

인쇄 보기 종료

업데이트 날짜: 2017년 3월
 
 

케이블 연결 표 및 다이어그램

다음 표에서는 기본 캐비닛에서 3m SAS 케이블을 사용해서 구성된 컨트롤러 2개 및 Disk Shelf 8개에 대한 위치 및 포트 연결을 설명합니다. 첫번째 Disk Shelf는 RU01에 있으며 각 Disk Shelf에는 2개의 IOM(I/O 모듈)이 포함됩니다.

표 9  기본 캐비닛: 컨트롤러-Disk Shelf(3m 케이블)
시작
종료
RU
컨트롤러
HBA 포트
RU
DISK SHELF
DISK SHELF 포트
20
1
슬롯 2, 포트 0
1
1
IOM 1, 포트 2
17
0
슬롯 6, 포트 0
1
1
IOM 0 포트 2
20
1
슬롯 2, 포트 1
23
3
IOM 1, 포트 2
17
0
슬롯 6, 포트 1
23
3
IOM 0 포트 2
17
0
슬롯 2, 포트 0
1, 5, 13
1, 2, 6
IOM 1, 포트 0
20
1
슬롯 6, 포트 0
1, 5, 13
1, 2, 6
IOM 0, 포트 0
17
0
슬롯 2, 포트 1
27, 35
4, 8
IOM 1, 포트 0
20
1
슬롯 6, 포트 1
27, 35
4, 8
IOM 0, 포트 0

다음 표에서는 확장 캐비닛에서 6m SAS 케이블을 사용해서 구성된 Disk Shelf 8개에 대한 위치 및 포트 연결에 대해 설명합니다. 첫번째 Disk Shelf는 RU01에 있으며 각 Disk Shelf에는 2개의 IOM(I/O 모듈)이 포함됩니다. 확장 캐비닛은 9~16개의 Disk Shelf를 지원합니다.

표 10  확장 캐비닛: 컨트롤러-Disk Shelf(6m 케이블)
시작
종료
RU
컨트롤러
HBA 포트
RU
DISK SHELF
DISK SHELF 포트
20
1
슬롯 2, 포트 2
1
9
IOM 1, 포트 2
17
0
슬롯 6, 포트 2
1
9
IOM 0, 포트 2
20
1
슬롯 2, 포트 3
21
11
IOM 1, 포트 2
17
0
슬롯 6, 포트 3
21
11
IOM 0, 포트 2
17
0
슬롯 2, 포트 2
5, 9, 13
10, 13, 14
IOM 1, 포트 0
20
1
슬롯 6, 포트 2
5, 9, 13
10, 13, 14
IOM 0, 포트 0
17
0
슬롯 2, 포트 3
25, 33
12, 16
IOM 1, 포트 0
20
1
슬롯 6, 포트 3
25, 33
12, 16
IOM 0, 포트 0

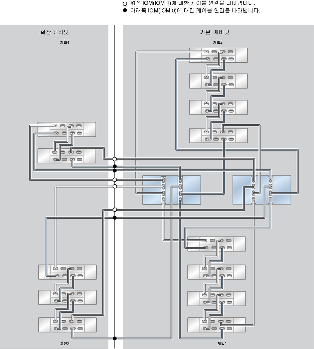
다음 다이어그램에서는 미리 랙에 구현된 시스템의 케이블 연결 방법은 물론 이후에 시스템을 확장하는 방법에 대해 설명합니다.

그림 612  ZFS Storage Appliance Racked System ZS5-2: 10개 DE3-24C Disk Shelf

image:ZFS Storage Appliance Racked System ZS5-2: 10개 DE3-24C Disk Shelf

그림 613  ZFS Storage Appliance Racked System ZS5-2: 12개 DE3-24C Disk Shelf

image:ZFS Storage Appliance Racked System ZS5-2: 12개 DE3-24C Disk Shelf

그림 614  ZFS Storage Appliance Racked System ZS5-2: 13개 DE3-24C Disk Shelf(하프 랙)

image:ZFS Storage Appliance Racked System ZS5-2: 13개 DE3-24C Disk Shelf(하프 랙)

그림 615  ZFS Storage Appliance Racked System ZS5-2: 14개 DE3-24C Disk Shelf

image:ZFS Storage Appliance Racked System ZS5-2: 14개 DE3-24C Disk Shelf

그림 616  ZFS Storage Appliance Racked System ZS5-2: 16개 DE3-24C Disk Shelf

image:ZFS Storage Appliance Racked System ZS5-2: 16개 DE3-24C Disk Shelf