Go to main content
Oracle® ZFS Storage Appliance 케이블 연결 설명서

인쇄 보기 종료

업데이트 날짜: 2017년 3월
 
 

케이블로 ZS5-2 컨트롤러에 혼합 DE3-24 및 DE2-24 Disk Shelf 연결

하나 이상의 DE3-24 Disk Shelf를 추가하여 DE2-24 Disk Shelf가 있는 시스템을 업그레이드하려면 이 절의 다이어그램을 참조하십시오. 다음 다이어그램에서 DE2-24 Disk Shelf에는 3개의 I/O 모듈 포트가 있지만 DE3-24 Disk Shelf에는 4개의 포트가 있습니다. Disk Shelf 혼용 지침은 캐비닛 및 케이블 연결 지침을 참조하십시오.


주 -  DE3-24 Disk Shelf를 추가할 때는 SAS-3 케이블 연결이 사용되지만 SAS-2 레거시 케이블 연결 방법이 유지됩니다. SAS-2 HBA를 SAS-3 HBA로 교체해도 케이블 상호 연결에는 영향을 주지 않습니다.

업그레이드 - DE2-24를 디스크 체인 끝의 DE3-24로 교체

그림 456  클러스터형 ZS5-2 컨트롤러의 HBA 1개가 DE3-24 1개와 DE2-24 3개에 2줄 체인으로 연결됨

image:클러스터형 ZS5-2 컨트롤러의 HBA 1개가 DE3-24 1개와 DE2-24 3개에 2줄 체인으로 연결됨

업그레이드 - DE2-24를 디스크 체인 중간의 DE3-24로 교체

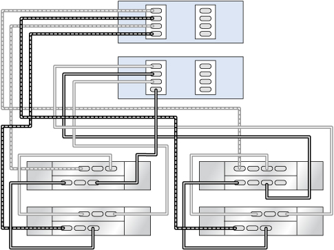
그림 457  클러스터형 ZS5-2 컨트롤러의 HBA 1개가 DE3-24 1개와 DE2-24 4개에 2줄 체인으로 연결됨

image:클러스터형 ZS5-2 컨트롤러의 HBA 1개가 DE3-24 1개와 DE2-24 4개에 2줄 체인으로 연결됨

업그레이드 - 배타적 DE3-24 디스크 체인 추가

그림 458  클러스터형 ZS5-2 컨트롤러의 HBA 2개가 DE3-24 2개와 DE2-24 4개에 3줄 체인으로 연결됨

image:클러스터형 ZS5-2 컨트롤러의 HBA 2개가 DE3-24 2개와 DE2-24 4개에 3줄 체인으로 연결됨