Go to main content

Oracle® ZFS Storage Appliance 케이블 연결 설명서

인쇄 보기 종료

업데이트 날짜: 2018년 11월
 
 

DE3-24 Disk Shelf에 ZS5-4 클러스터형 연결(HBA 2개)

다음 그림은 Oracle ZFS Storage ZS5-4 클러스터형 컨트롤러의 HBA 2개에 대해 지원되는 구성의 하위 세트를 보여줍니다. 케이블로 Disk Shelf에 컨트롤러를 연결하려면 케이블 연결 시작하기를 참조하십시오.


주 -  포트 위치는 Oracle ZFS Storage Appliance 설치 설명서에서 해당 컨트롤러에 대한 하드웨어 개요 절을 참조하십시오.

그림 52  클러스터형 ZS5-4 컨트롤러의 HBA 2개가 DE3-24 Disk Shelf 1개에 단일 체인으로 연결됨

image:클러스터형 ZS5-4 컨트롤러의 HBA 2개가 DE3-24 Disk Shelf 1개에 단일 체인으로 연결된 모습을 보여주는 그림

그림 53  클러스터형 ZS5-4 컨트롤러의 HBA 2개가 DE3-24 Disk Shelf 2개에 2줄 체인으로 연결됨

image:클러스터형 ZS5-4 컨트롤러의 HBA 2개가 DE3-24 Disk Shelf 2개에 2줄 체인으로 연결된 모습을 보여주는 그림

그림 54  클러스터형 ZS5-4 컨트롤러의 HBA 2개가 DE3-24 Disk Shelf 3개에 3줄 체인으로 연결됨

image:클러스터형 ZS5-4 컨트롤러의 HBA 2개가 DE3-24 Disk Shelf 3개에 3줄 체인으로 연결된 모습을 보여주는 그림

그림 55  클러스터형 ZS5-4 컨트롤러의 HBA 2개가 DE3-24 Disk Shelf 4개에 4줄 체인으로 연결됨

image:클러스터형 ZS5-4 컨트롤러의 HBA 2개가 DE3-24 Disk Shelf 4개에 4줄 체인으로 연결된 모습을 보여주는 그림

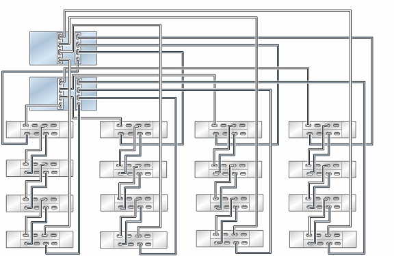
그림 56  클러스터형 ZS5-4 컨트롤러의 HBA 2개가 DE3-24 Disk Shelf 8개에 4줄 체인으로 연결됨

image:클러스터형 ZS5-4 컨트롤러의 HBA 2개가 DE3-24 Disk Shelf 8개에 4줄 체인으로 연결된 모습을 보여주는 그림

그림 57  클러스터형 ZS5-4 컨트롤러의 HBA 2개가 DE3-24 Disk Shelf 16개에 4줄 체인으로 연결됨

image:클러스터형 ZS5-4 컨트롤러의 HBA 2개가 DE3-24 Disk Shelf 16개에 4줄 체인으로 연결된 모습을 보여주는 그림

그림 58  단일 체인에 있는 여러 개의 Disk Shelf

image:동일한 체인에 있는 여러 개의 DE3를 보여주는 그림