Go to main content

Oracle® ZFS Storage Appliance 케이블 연결 설명서

인쇄 보기 종료

업데이트 날짜: 2018년 11월
 
 

ZS7-2 HE Racked System에 대한 전체 플래시/혼합 구성

이 절에서는 모두 DE3-24P Disk Shelf 또는 DE3-24P와 DE3-24C Disk Shelf의 혼합을 포함하는 전체 플래시/혼합 구성으로 이루어진 ZS7-2 HE Racked System에 대한 개요 및 케이블 연결 다이어그램을 제공합니다. 고성능 DE3-24P Disk Shelf는 20 또는 24개의 전체 플래시 SSD나 20 또는 24개의 고속 하드 디스크 드라이브로 구성됩니다. 일부 구성에는 읽기 캐시 및/또는 로그 장치가 포함됩니다. 최대 성능 구성은 DE3-24P Disk Shelf를 지원하지만, 최적 성능 구성은 DE3-24P Disk Shelf와 DE3-24C Disk Shelf를 모두 지원합니다. 일부 구성은 확장 캐비닛을 지원하지 않습니다.

이 절은 다음 항목으로 구성되어 있습니다.

ZS7-2 HE Racked System 전체 플래시/혼합 구성 개요

전체 플래시/혼합 구성은 DE3-24P 고성능 Disk Shelf를 이용하며 기본 캐비닛에서 사용하거나, 기본 캐비닛과 함께 구성에 따라 최대 3개의 확장 캐비닛에서 사용할 수 있습니다. 여섯 가지 기본 캐비닛 옵션이 총 30개의 가능한 시스템 구성에서 제공되며 모든 기본 캐비닛 옵션에 ZS7-2 HE 컨트롤러 2개가 포함됩니다.

ZS7-2 HE Racked System 최대 성능 구성에서는 기본 캐비닛에 최대 8개의 Oracle Storage Drive Enclosure DE3-24P Disk Shelf가 사용됩니다. Disk Shelf는 성능을 최대화하기 위해 체인당 하나의 Shelf로 구성됩니다. 기본 캐비닛의 체인 수에 따라 ZS7-2 HE Racked System 최대 성능 구성에는 최대 3개의 확장 캐비닛이 포함될 수 있습니다.

표 10  ZS7-2 HE Racked System 최대 성능 구성 구성요소
기본 캐비닛
확장 캐비닛 1
확장 캐비닛 2
확장 캐비닛 3
최대 8개 DE3-24P Disk Shelf
지원되는 구성: 1, 2, 4, 6 또는 8개 DE3-24P Disk Shelf
2개 ZS7-2 HE 컨트롤러
최대 10개 DE3-24C Disk Shelf
최대 10개 DE3-24C Disk Shelf
최대 10개 DE3-24C Disk Shelf

ZS7-2 HE Racked System 최적 성능 구성에서는 기본 캐비닛에 최대 18개의 Oracle Storage Drive Enclosure DE3-24P Disk Shelf(체인당 2개의 Shelf와 마지막 체인의 추가 2개 Shelf로 구성됨) 및 다양한 Oracle Storage Drive Enclosure DE3-24C와 DE3-24P Disk Shelf의 조합이 사용됩니다. 확장 캐비닛에는 DE3-24C Disk Shelf(각각 최대 10개)만 제공됩니다. 구성은 Disk Shelf의 2의 배수와 하프 랙 확장으로 제공됩니다. 각 확장 캐비닛에는 2, 4, 5개(하프 랙), 6, 8 또는 10개의 DE3-24C Disk Shelf가 포함될 수 있습니다. 기본 캐비닛의 체인 수에 따라 ZS7-2 HE Racked System 최적 성능 구성에는 최대 3개의 확장 캐비닛이 포함될 수 있습니다.

표 11  ZS7-2 HE Racked System 최적 성능 구성 구성요소
기본 캐비닛
확장 캐비닛 1
확장 캐비닛 2
확장 캐비닛 3
최대 18개 DE3-24P Disk Shelf

    지원되는 구성:

  • DE3-24P Disk Shelf: 2, 4, 6, 8, 10, 12, 14, 16 또는 18개

  • 혼합 DE3-24C/DE3-24P Disk Shelf:

    • 2개 DE3-24C/2-14개 DE3-24P

    • 4개 DE3-24C/2-10개 DE3-24P

    • 6개 DE3-24C/2-6개 DE3-24P

    • 8개 DE3-24C/2개 DE3-24P

2개 ZS7-2 HE 컨트롤러
최대 10개 DE3-24C Disk Shelf
최대 10개 DE3-24C Disk Shelf
최대 10개 DE3-24C Disk Shelf

ZS7-2 HE Racked System 전체 플래시/혼합 구성은 다양한 스토리지 옵션을 지원합니다.

표 12  ZS7-2 HE Racked System Disk Shelf 장치 유형 및 허용 가능한 구성
Disk Shelf
데이터 장치
읽기 캐시 장치
로그 장치
DE3-24P 전체 플래시
3.2TB SSD: 슬롯 0 - 23의 24개 또는 슬롯 0 - 19의 20개
허용되지 않음
슬롯 20 - 23의 200GB SSD
DE3-24P
1.2TB HDD: 슬롯 0 - 23의 24개 또는 슬롯 0 - 19의 20개
슬롯 20 - 23의 3.2TB SSD
슬롯 20 - 23의 200GB SSD
DE3-24C
10TB HDD: 슬롯 0 - 23의 24개 또는 슬롯 0 - 19의 20개
슬롯 20 - 23의 3.2TB SSD
슬롯 20 - 23의 200GB SSD

ZS7-2 HE Racked System 전체 플래시/혼합 구성에 대한 기본 캐비닛 구성

ZS7-2 HE Racked System 최대 성능 구성에서는 최대 16개의 SAS-3 HBA 연결 포트를 제공하는 SAS-3 HBA 4개가 각 컨트롤러에 있습니다.

SAS-3 HBA 포트 번호 지정 순서는 맨 아래(포트 0)에서 맨 위(포트 3)로의 오름차순입니다. SAS-3 HBA 카드와 DE3-24 Disk Shelf는 모두 SFF 8644 커넥터를 사용합니다.

다음 그림은 각 HBA 카드의 슬롯 번호 및 각 카드에 있는 포트 번호를 보여줍니다.

그림 639  ZS7-2 HE 컨트롤러 HBA 슬롯 번호(후면 보기)

image:이 그림은 HBA 포트 번호가 표시된 ZS7-2 HE 후면 패널을 보여줍니다.

다음 그림에서와 같이 DE3-24P Disk Shelf에는 각각 4개의 포트가 포함된 2개의 IOM(I/O 모듈)이 있습니다. 모든 케이블 연결 구성에서 포트 1과 포트 3은 사용되지 않습니다.

그림 640  DE3-24P Disk Shelf HBA 연결(후면 보기)

image:이 그림은 HBA 연결이 표시된 DE3-24P 후면 패널을 보여줍니다.

다음 그림에서와 같이 DE3-24C Disk Shelf에는 각각 4개의 포트가 포함된 2개의 IOM(I/O 모듈)이 있습니다. 모든 케이블 연결 구성에서 포트 1과 포트 3은 사용되지 않습니다.

그림 641  DE3-24C Disk Shelf HBA 연결(후면 보기)

image:이 그림은 HBA 연결이 표시된 DE3-24C 후면 패널을 보여줍니다.

ZS7-2 HE Racked System 전체 플래시/혼합 구성은 표준 케이블 연결 방법 및 CMA(케이블 관리 암) 사용과 관련된 추가 제한 사항을 따릅니다. SSD 로그 장치 및 읽기 캐시 장치 일치, 제한적인 다중 캐비닛 확장을 위해 보다 실제적인 구현을 제공하며 최대 또는 최적 성능에 맞게 구성될 수 있습니다.

업그레이드 시 SAS-3 HBA 카드 수가 변경되거나 원래 ZS7-2 HE Racked System이 아닌 캐비닛 또는 ZS7-2 HE Racked System과 호환되지 않는 캐비닛이 2개 이상 포함되는 경우 해당하는 특정 구성을 위해 케이블을 재연결해야 합니다. 4x4 포트 SAS-3 HBA가 있는 ZS7-2 HE 컨트롤러에 DE3-24 Disk Shelf를 연결하는 케이블 연결 예는 케이블로 ZS7-2 HE(고급) 컨트롤러에 DE3-24 Disk Shelf 연결을 참조하십시오. SAS 케이블 길이 지침은 캐비닛 및 케이블 연결 지침을 참조하십시오.

캐비닛은 자체적으로 포함되어 있으며 필요한 케이블 연결 방법에 따라 미리 케이블이 연결되어 있습니다. 다음 다이어그램은 여섯 가지 기본 캐비닛 옵션의 케이블 연결 방법을 보여줍니다.

그림 642  ZS7-2 HE Racked System 성능 구성: 1-8개 DE3-24P Disk Shelf(최대 성능)

image:이 그림은 DE3-24P Disk Shelf 1-8개가 8줄 체인으로 연결된 ZS7-2 HE Racked System을 보여줍니다.

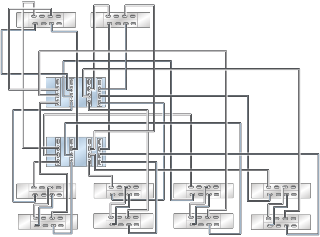
그림 643  ZS7-2 HE Racked System 성능 구성: 2-18개 DE3-24P Disk Shelf(최적 성능)

image:이 그림은 DE3-24P Disk Shelf 2-18개가 8줄 체인으로 연결된 ZS7-2 HE Racked System을 보여줍니다.

그림 644  ZS7-2 HE Racked System 성능 구성: 2개 DE3-24C(왼쪽 아래)와 2-14개 DE3-24P Disk Shelf(최적 성능)

image:이 그림은 DE3-24C Disk Shelf 2개와 DE3-24P Disk Shelf 2-14개가 7줄 체인으로 연결된 ZS7-2 HE Racked System을 보여줍니다.

그림 645  ZS7-2 HE Racked System 성능 구성: 4개 DE3-24C(왼쪽 아래)와 2-10개 DE3-24P Disk Shelf(최적 성능)

image:이 그림은 DE3-24C Disk Shelf 4개와 DE3-24P Disk Shelf 2-10개가 5줄 체인으로 연결된 ZS7-2 HE Racked System을 보여줍니다.

그림 646  ZS7-2 HE Racked System 성능 구성: 6개 DE3-24C(왼쪽에서 처음 2줄 체인)와 2-6개 DE3-24P Disk Shelf(최적 성능)

image:이 그림은 DE3-24C Disk Shelf 6개와 DE3-24P Disk Shelf 2-6개가 4줄 체인으로 연결된 ZS7-2 HE Racked System을 보여줍니다.

다음 그림에서 DE3-24C 장치는 아래쪽 8개 Disk Shelf입니다.

그림 647  ZS7-2 HE Racked System 성능 구성: 8개 DE3-24C(아래쪽 Disk Shelf)와 2개 DE3-24P Disk Shelf(최적 성능)

image:이 그림은 DE3-24C Disk Shelf 8개와 DE3-24P Disk Shelf 2개가 5줄 체인으로 연결된 ZS7-2 HE Racked System을 보여줍니다.

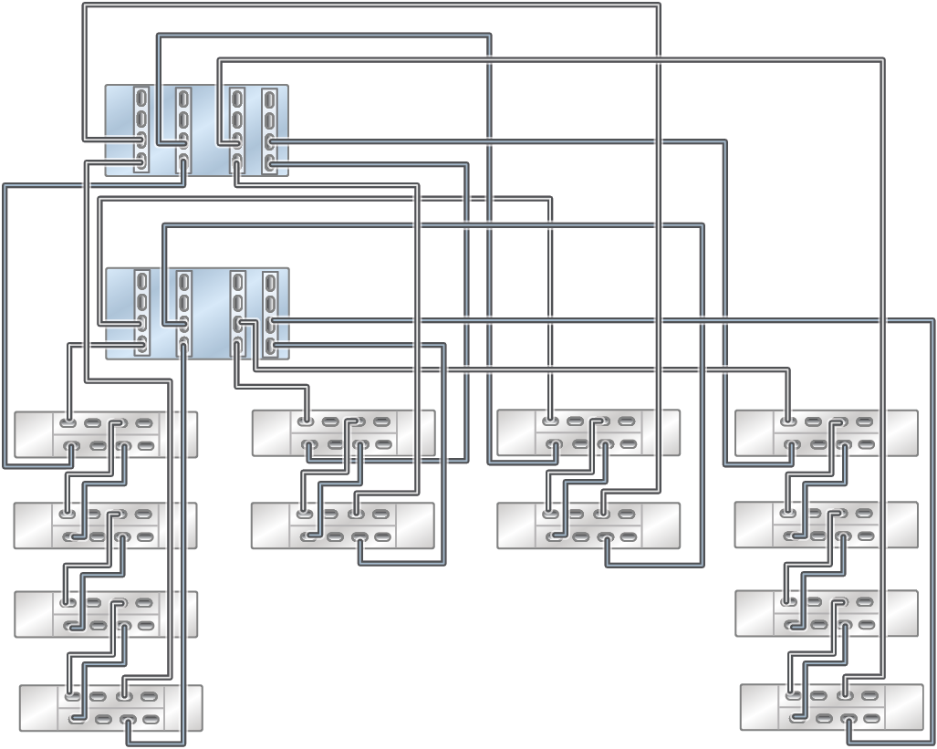
ZS7-2 HE Racked System 성능 구성에 대한 확장 캐비닛 구성

ZS7-2 HE Racked System 성능 구성은 최대 30개의 추가 Disk Shelf를 확장할 수 있도록 다중 캐비닛을 지원합니다. 각 확장 캐비닛은 최대 10개의 DE3-24C Disk Shelf를 수용하며 "하프 랙" 옵션에서도 제공됩니다.


주 -  일부 기본 캐비닛 구성에서는 확장 캐비닛을 지원하지 않습니다.

확장 캐비닛 설치는 캐비닛 아래쪽의 체인이 첫번째 Disk Shelf 쌍을 사용하며 위쪽 절반의 두번째 체인이 두번째 쌍을 사용하는 균형이 맞는 체인 설치를 따릅니다. 다른 방식으로 균형이 맞는 체인 설치를 수행하려면 SSD를 배포하고 로드 우선순위 방법을 따르십시오.

지원되는 확장 캐비닛 수는 ZS7-2 HE Racked System 기본 캐비닛에 남아 있는 체인 수에 따라 다릅니다. 전체 확장 캐비닛을 지원하려면 각 ZS7-2 HE Racked System 확장 캐비닛에 2줄 체인이 필요합니다. 또한 각 확장 캐비닛에 총 4개의 SAS-3 HBA 포트(체인마다 HBA 포트 2개)가 필요합니다.

다음 다이어그램은 ZS7-2 HE Racked System 확장 캐비닛 구성의 케이블 연결을 보여줍니다. 각 다이어그램에 대한 범례는 다음과 같습니다.

  • 빈 원은 맨 위에 있는 IOM(IOM 1)에 대한 케이블 연결을 나타냅니다.

  • 단색 원은 맨 아래에 있는 IOM(IOM 0)에 대한 케이블 연결을 나타냅니다.


주 -  ZS7-2 HE Racked System에 대한 전체 플래시/혼합 구성에 설명된 대로 기본 캐비닛에는 모두 DE3-24P(HDD) Disk Shelf 또는 모두 DE3-24P 전체 플래시(SSD) Disk Shelf이거나 DE3-24C와 DE3-24P Disk Shelf의 혼합이 포함될 수 있습니다.

그림 648  ZS7-2 HE Racked System 성능 구성: DE3-24C Disk Shelf 2개가 있는 확장 캐비닛 1개

image:이 그림은 확장 캐비닛 1개(DE3-24C Disk Shelf 2개)가 있는 ZS7-2 HE Racked System 전체 플래시를 보여줍니다.

그림 649  ZS7-2 HE Racked System 성능 구성: DE3-24C Disk Shelf 4개가 있는 확장 캐비닛 1개

image:이 그림은 확장 캐비닛 1개(DE3-24C Disk Shelf 4개)가 있는 ZS7-2 HE Racked System 전체 플래시를 보여줍니다.

그림 650  ZS7-2 HE Racked System 성능 구성: DE3-24C Disk Shelf 5개가 있는 확장 캐비닛 1개(하프 랙)

image:이 그림은 확장 캐비닛 1개(DE3-24C Disk Shelf 5개)가 있는 ZS7-2 HE Racked System 전체 플래시를 보여줍니다.

그림 651  ZS7-2 HE Racked System 성능 구성: DE3-24C Disk Shelf 6개가 있는 확장 캐비닛 1개

image:이 그림은 확장 캐비닛 1개(DE3-24C Disk Shelf 6개)가 있는 ZS7-2 HE Racked System 전체 플래시를 보여줍니다.

그림 652  ZS7-2 HE Racked System 성능 구성: DE3-24C Disk Shelf 8개가 있는 확장 캐비닛 1개

image:이 그림은 확장 캐비닛 1개(DE3-24C Disk Shelf 8개)가 있는 ZS7-2 HE Racked System 전체 플래시를 보여줍니다.

그림 653  ZS7-2 HE Racked System 성능 구성: DE3-24C Disk Shelf 10개가 있는 확장 캐비닛 1개

image:이 그림은 확장 캐비닛 1개(DE3-24C Disk Shelf 10개)가 있는 ZS7-2 HE Racked System 전체 플래시를 보여줍니다.

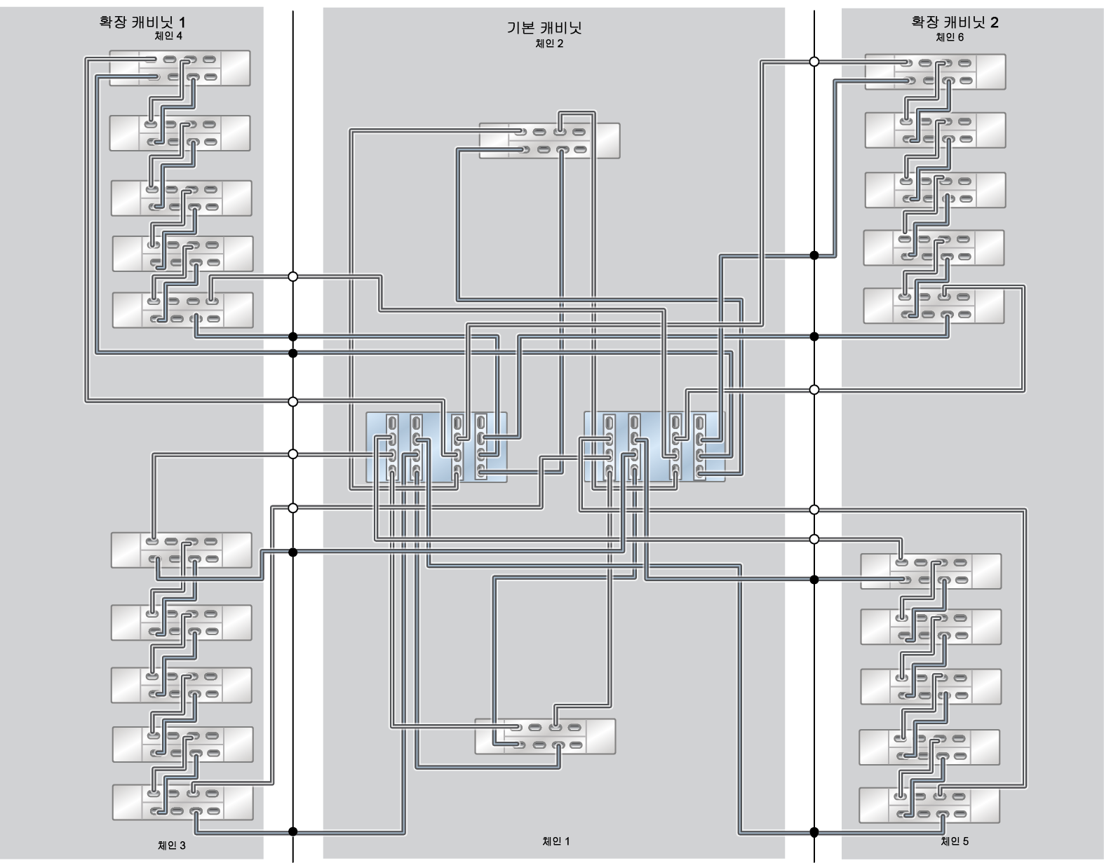
그림 654  ZS7-2 HE Racked System 성능 구성: DE3-24C Disk Shelf 20개가 있는 확장 캐비닛 2개

image:이 그림은 확장 캐비닛 2개(DE3-24C Disk Shelf 20개)가 있는 ZS7-2 HE Racked System 전체 플래시를 보여줍니다.

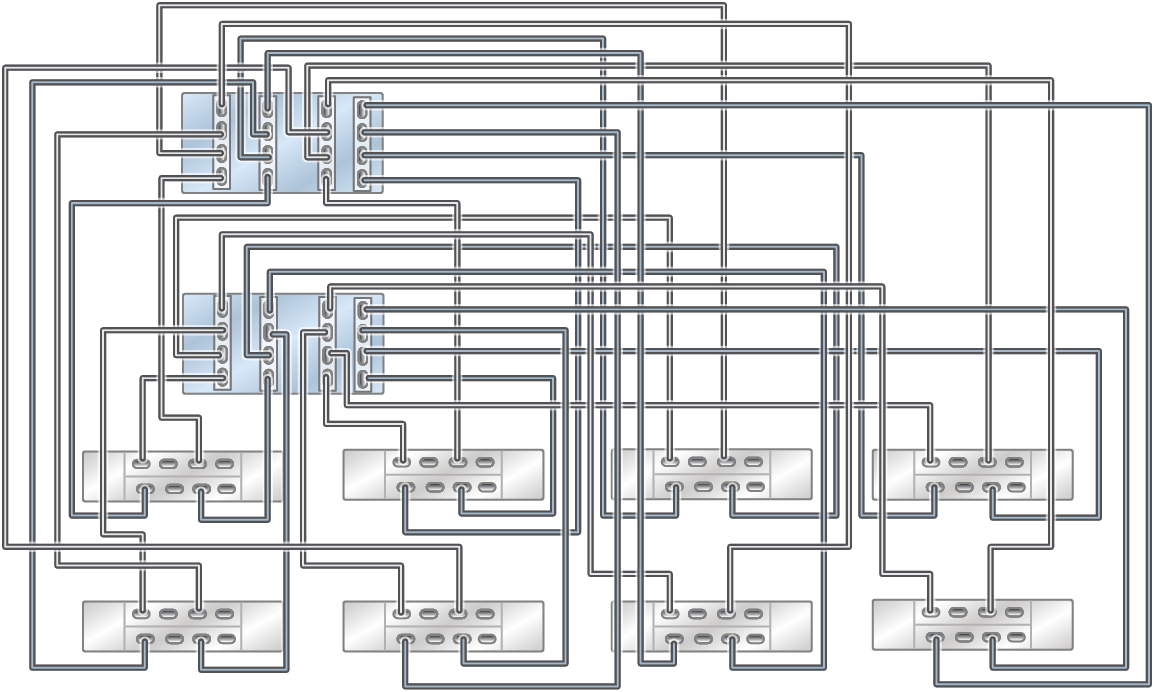
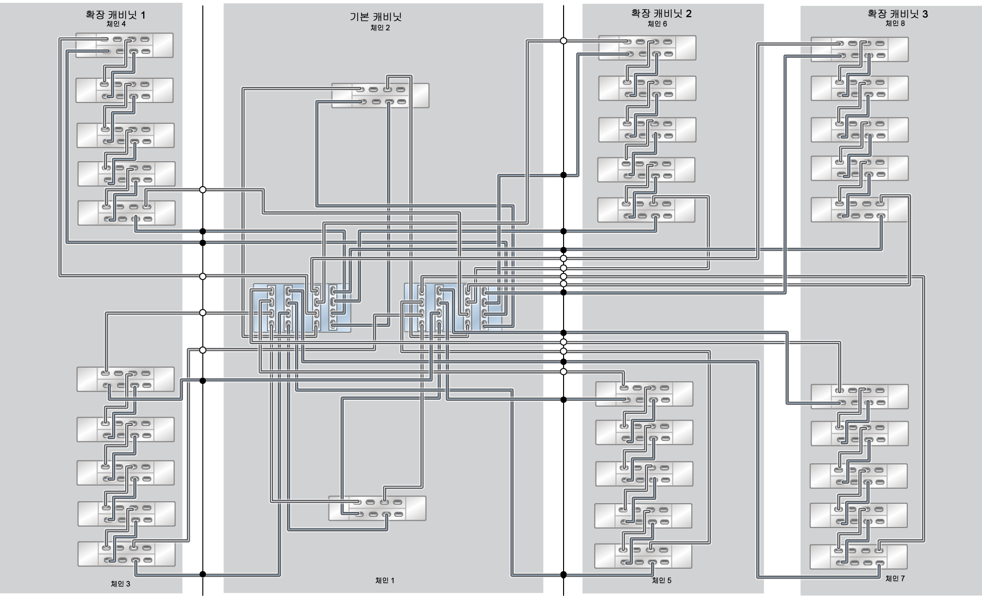
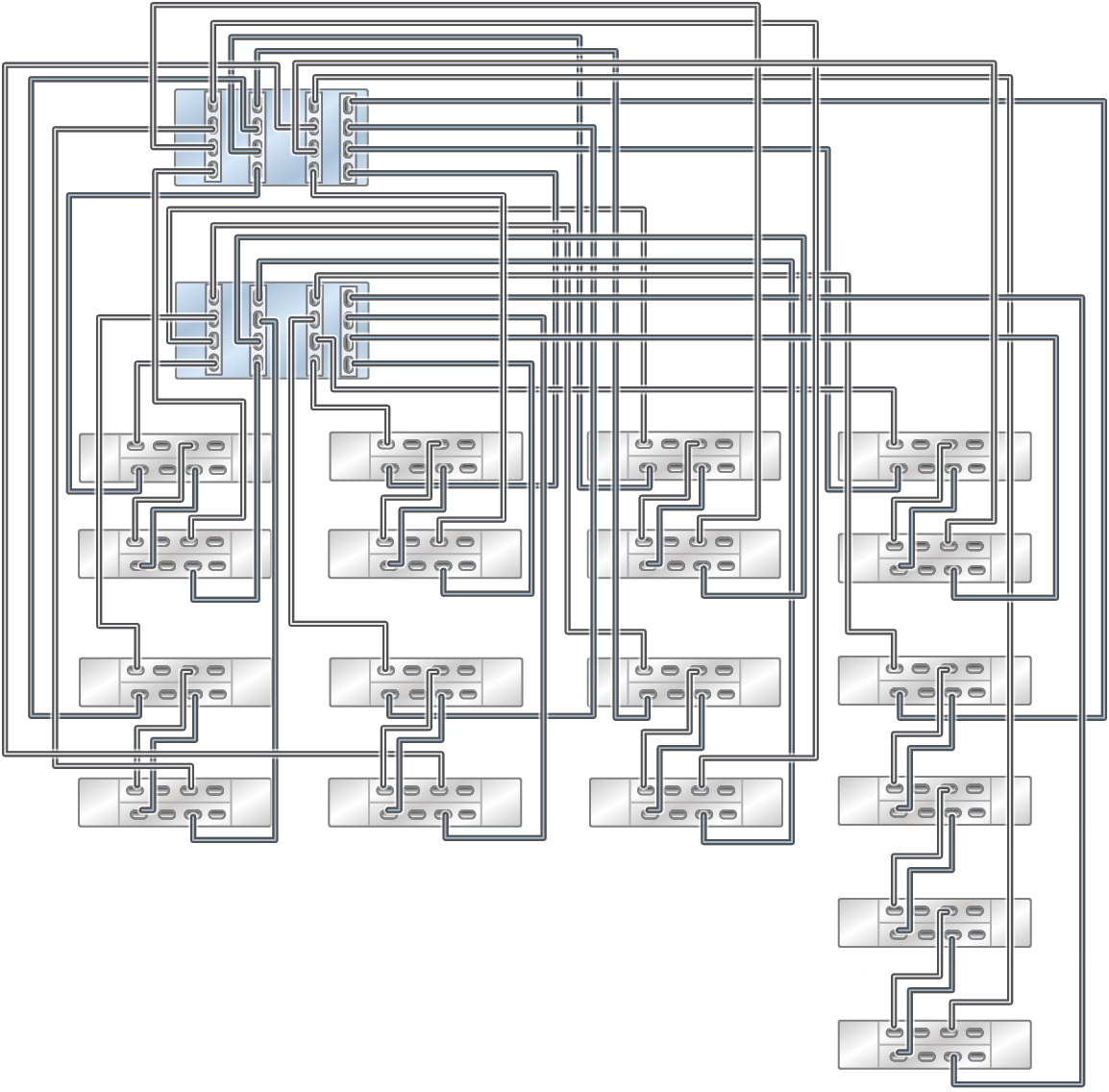
그림 655  ZS7-2 HE Racked System 성능 구성: DE3-24C Disk Shelf 30개가 있는 확장 캐비닛 3개

image:이 그림은 확장 캐비닛 3개(DE3-24C Disk Shelf 30개)가 있는 ZS7-2 HE Racked System 전체 플래시를 보여줍니다.