Go to main content

Oracle® ZFS Storage Appliance 케이블 연결 설명서

인쇄 보기 종료

업데이트 날짜: 2018년 11월
 
 

ZS5-4 Racked System 용량 구성에 대한 케이블 연결 표 및 다이어그램

다음 표에서는 기본 캐비닛에서 3m SAS 케이블을 사용해서 구성된 컨트롤러 2개 및 Disk Shelf 8개에 대한 위치 및 포트 연결을 설명합니다. 첫번째 Disk Shelf는 RU01에 있으며 각 Disk Shelf에는 2개의 IOM이 포함됩니다.

표 20  기본 캐비닛: 컨트롤러와 Disk Shelf 위치 및 연결
시작
종료
RU
컨트롤러
HBA 포트
RU
DISK SHELF
DISK SHELF 포트
20
1
슬롯 3, 포트 0
1
1
IOM 1, 포트 2
17
0
슬롯 6, 포트 0
1
1
IOM 0, 포트 2
20
1
슬롯 7, 포트 0
23
3
IOM 1, 포트 2
17
0
슬롯 9, 포트 0
23
3
IOM 0, 포트 2
17
0
슬롯 3, 포트 0
5, 13
2, 6
IOM 1, 포트 0
20
1
슬롯 6, 포트 0
5, 13
2, 6
IOM 0, 포트 0
17
0
슬롯 7, 포트 0
27, 35
4, 8
IOM 1, 포트 0
20
1
슬롯 9, 포트 0
27, 35
4, 8
IOM 0, 포트 0

다음 표에서는 확장 캐비닛 1에서 6m SAS 케이블을 사용해서 구성된 Disk Shelf 10개에 대한 위치 및 포트 연결을 설명합니다. 첫번째 Disk Shelf는 RU01에 있으며 각 Disk Shelf에는 2개의 IOM이 포함됩니다. 확장 캐비닛 1은 9~18의 Disk Shelf를 지원합니다.

표 21  확장 캐비닛 1: 컨트롤러와 Disk Shelf 위치 및 연결
시작
종료
RU
컨트롤러
HBA 포트
RU
DISK SHELF
DISK SHELF 포트
20
1
슬롯 3, 포트 1
1
9
IOM 1, 포트 2
17
0
슬롯 6, 포트 1
1
9
IOM 0, 포트 2
20
1
슬롯 7, 포트 1
21
11
IOM 1, 포트 2
17
0
슬롯 9, 포트 1
21
11
IOM 0, 포트 2
17
0
슬롯 3, 포트 1
5, 9, 13, 17
10, 13, 14, 17
IOM 1, 포트 0
20
1
슬롯 6, 포트 1
5, 9, 13, 17
10, 13, 14, 17
IOM 0, 포트 0
17
0
슬롯 7, 포트 1
25, 33, 37
12, 16, 18
IOM 1, 포트 0
20
1
슬롯 9, 포트 1
25, 33, 37
12, 16, 18
IOM 0, 포트 0

다음 표에서는 확장 캐비닛 2에서 6m SAS 케이블을 사용해서 구성된 Disk Shelf 10개에 대한 위치 및 포트 연결을 설명합니다. 첫번째 Disk Shelf는 RU01에 있으며 각 Disk Shelf에는 2개의 IOM이 포함됩니다. 확장 캐비닛 2는 19~28의 Disk Shelf를 지원합니다.

표 22  확장 캐비닛 2: 컨트롤러와 Disk Shelf 위치 및 연결
시작
종료
RU
컨트롤러
HBA 포트
RU
DISK SHELF
DISK SHELF 포트
20
1
슬롯 3, 포트 2
1
19
IOM 1, 포트 2
17
0
슬롯 6, 포트 2
1
19
IOM 0, 포트 2
20
1
슬롯 7, 포트 2
21
21
IOM 1, 포트 2
17
0
슬롯 9, 포트 2
21
21
IOM 0, 포트 2
17
0
슬롯 3, 포트 2
5, 9, 13, 17
20, 23, 24, 27
IOM 1, 포트 0
20
1
슬롯 6, 포트 2
5, 9, 13, 17
20, 23, 24, 27
IOM 0, 포트 0
17
0
슬롯 7, 포트 2
25, 33, 37
22, 26, 28
IOM 1, 포트 0
20
1
슬롯 9, 포트 2
25, 33, 37
22, 26, 28
IOM 0, 포트 0

다음 표에서는 확장 캐비닛 3에서 6m SAS 케이블을 사용해서 구성된 Disk Shelf 10개에 대한 위치 및 포트 연결을 설명합니다. 첫번째 Disk Shelf는 RU01에 있으며 각 Disk Shelf에는 2개의 IOM이 포함됩니다. 확장 캐비닛 2는 29~38개의 Disk Shelf를 지원합니다.

표 23  확장 캐비닛 3: 컨트롤러와 Disk Shelf 위치 및 연결
시작
종료
RU
컨트롤러
HBA 포트
RU
DISK SHELF
DISK SHELF 포트
20
1
슬롯 3, 포트 3
1
29
IOM 1, 포트 2
17
0
슬롯 6, 포트 3
1
29
IOM 0, 포트 2
20
1
슬롯 7, 포트 3
21
31
IOM 1, 포트 2
17
0
슬롯 9, 포트 3
21
31
IOM 0, 포트 2
17
0
슬롯 3, 포트 3
5, 9, 13, 17
30, 33, 34, 37
IOM 1, 포트 0
20
1
슬롯 6, 포트 3
5, 9, 13, 17
30, 33, 34, 37
IOM 0, 포트 0
17
0
슬롯 7, 포트 3
25, 33, 37
32, 36, 38
IOM 1, 포트 0
20
1
슬롯 9, 포트 3
25, 33, 37
32, 36, 38
IOM 0, 포트 0

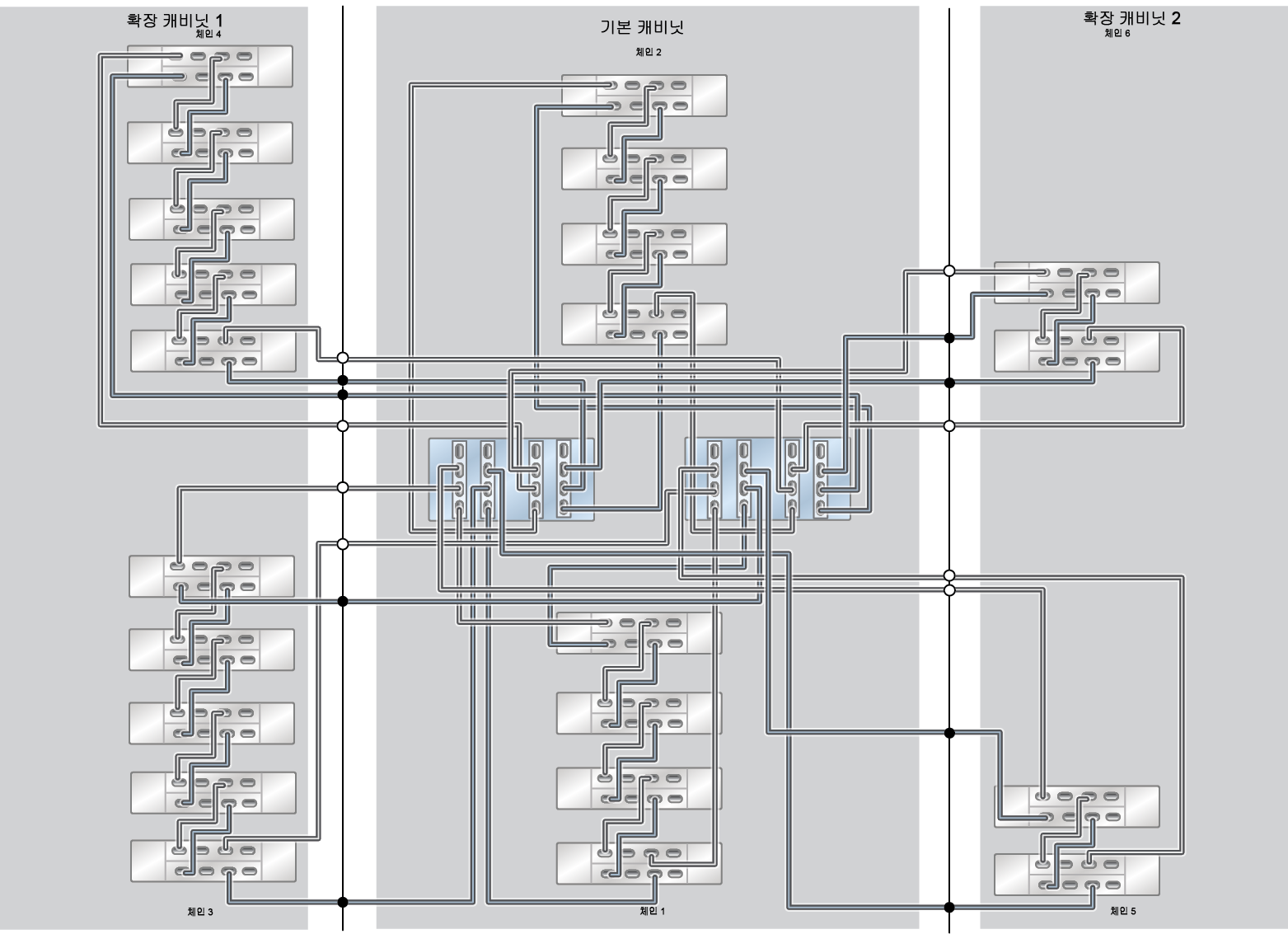
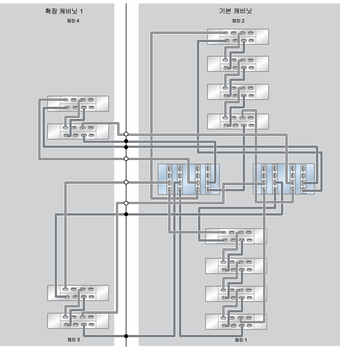
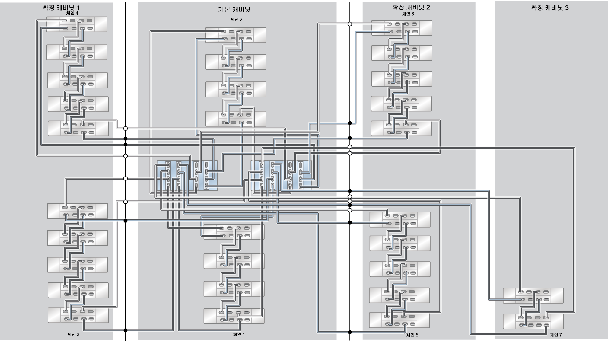
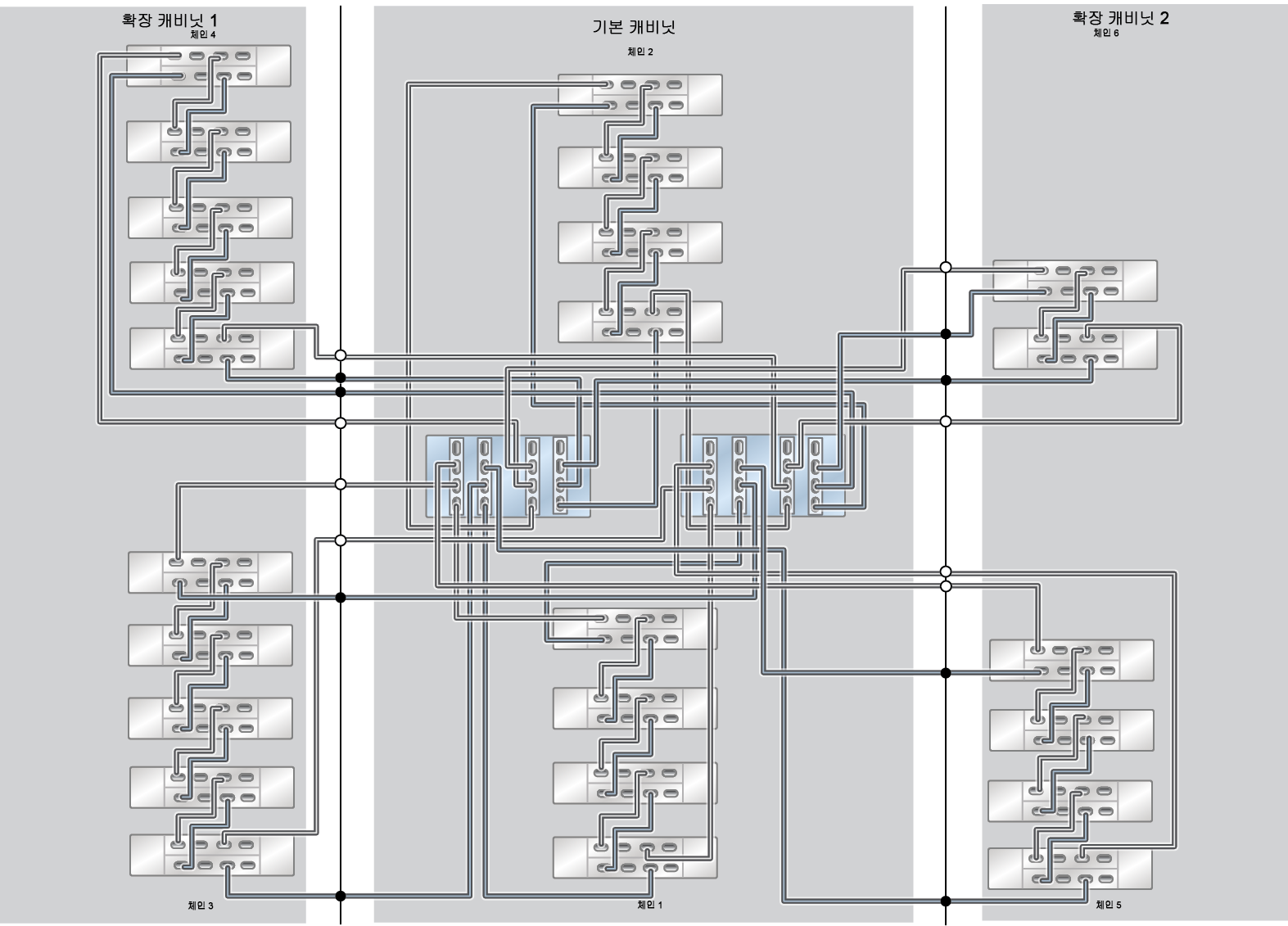
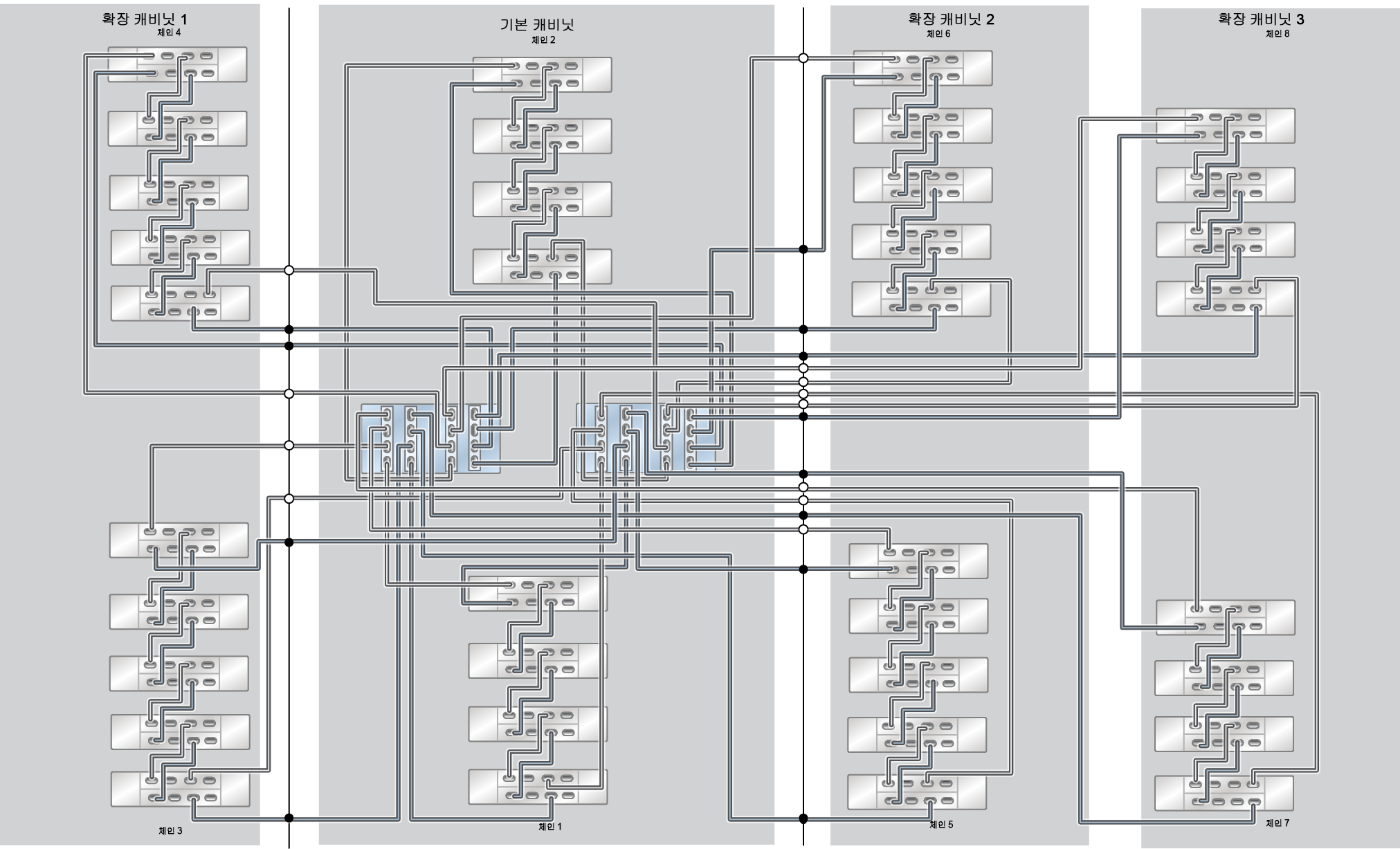
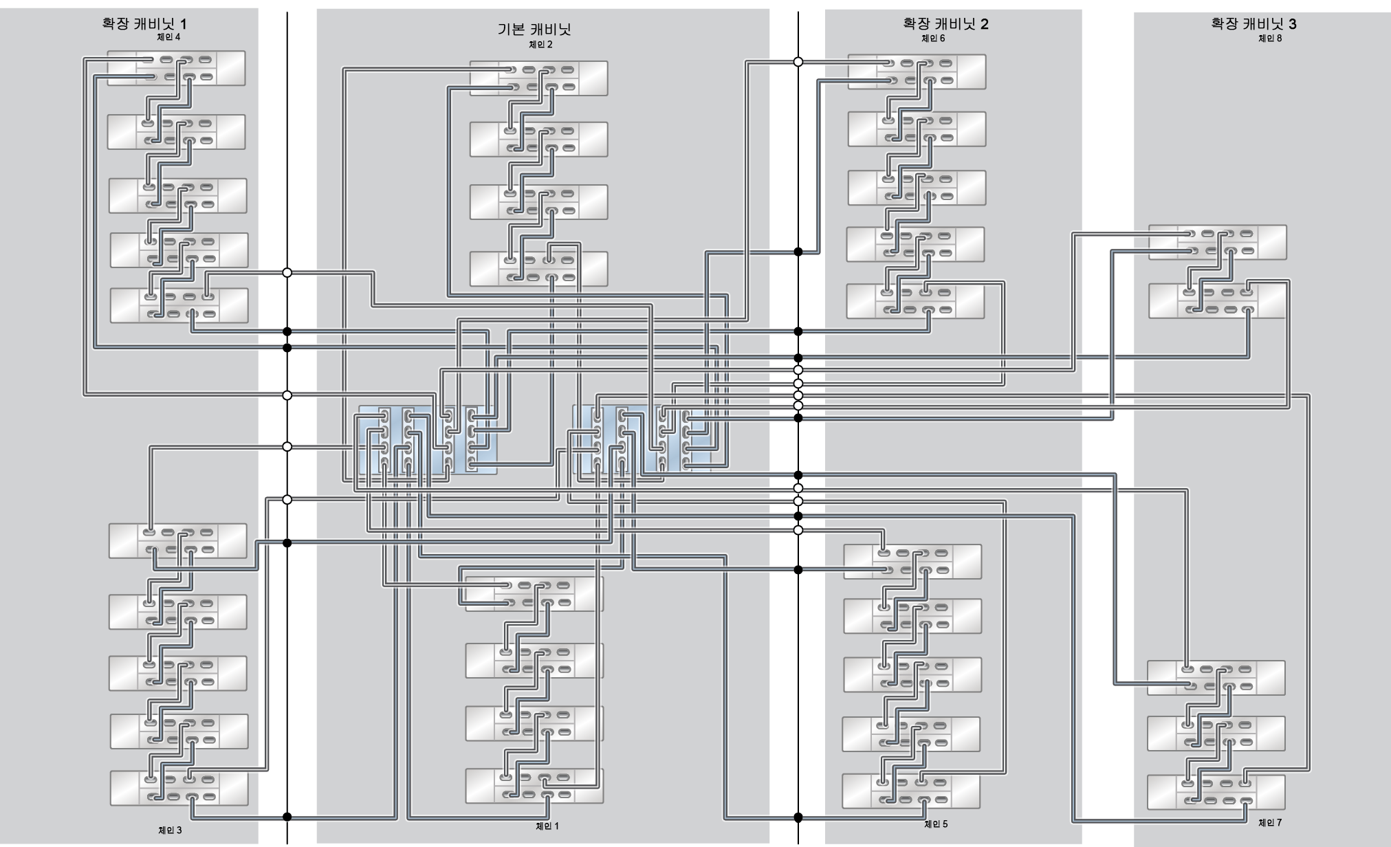
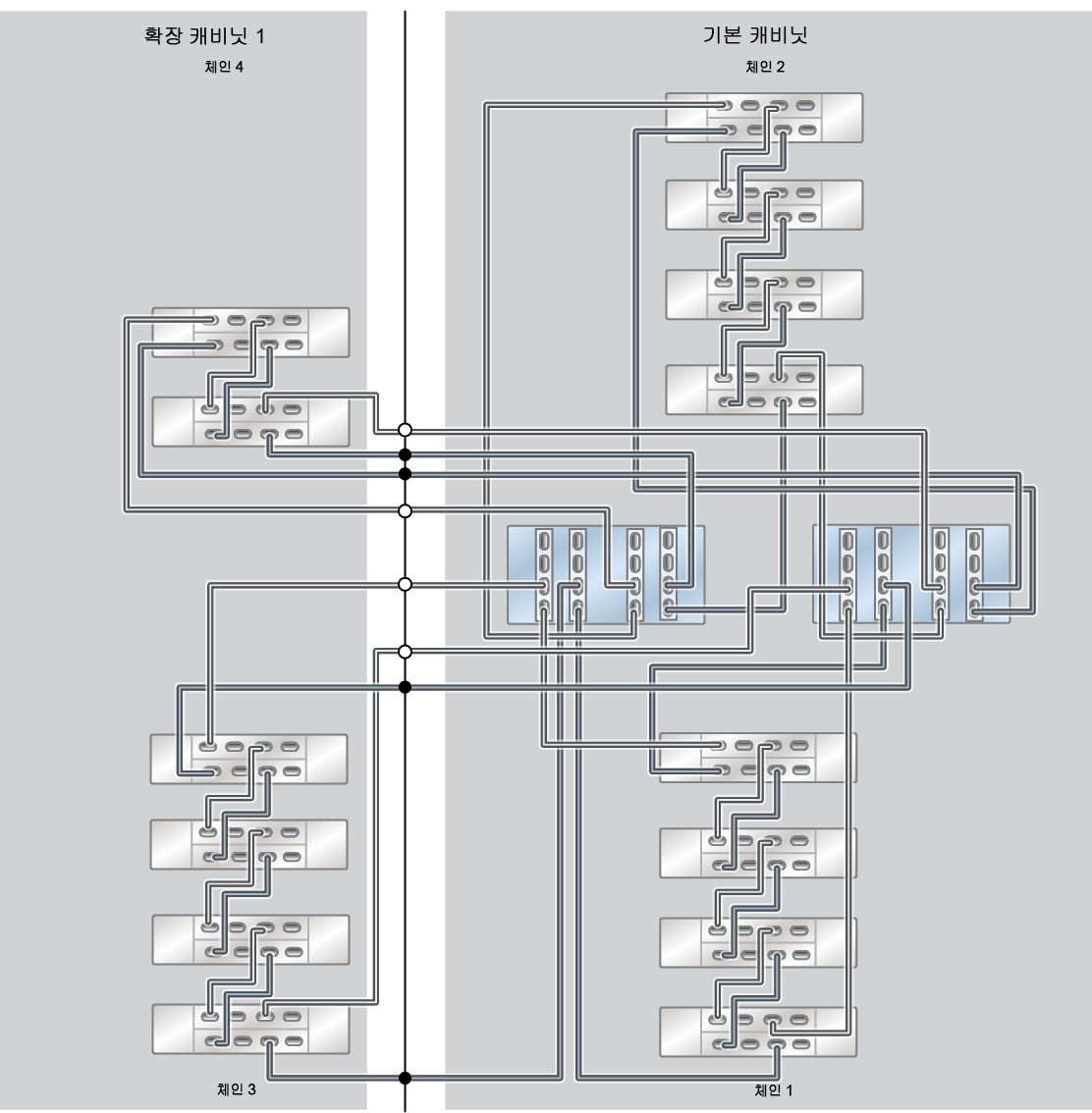
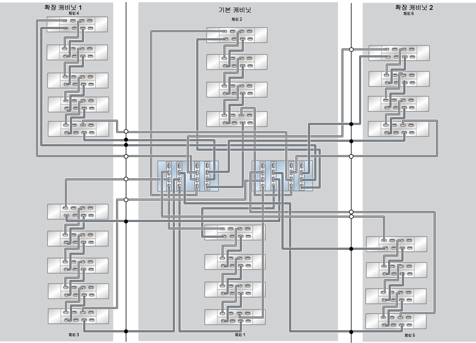
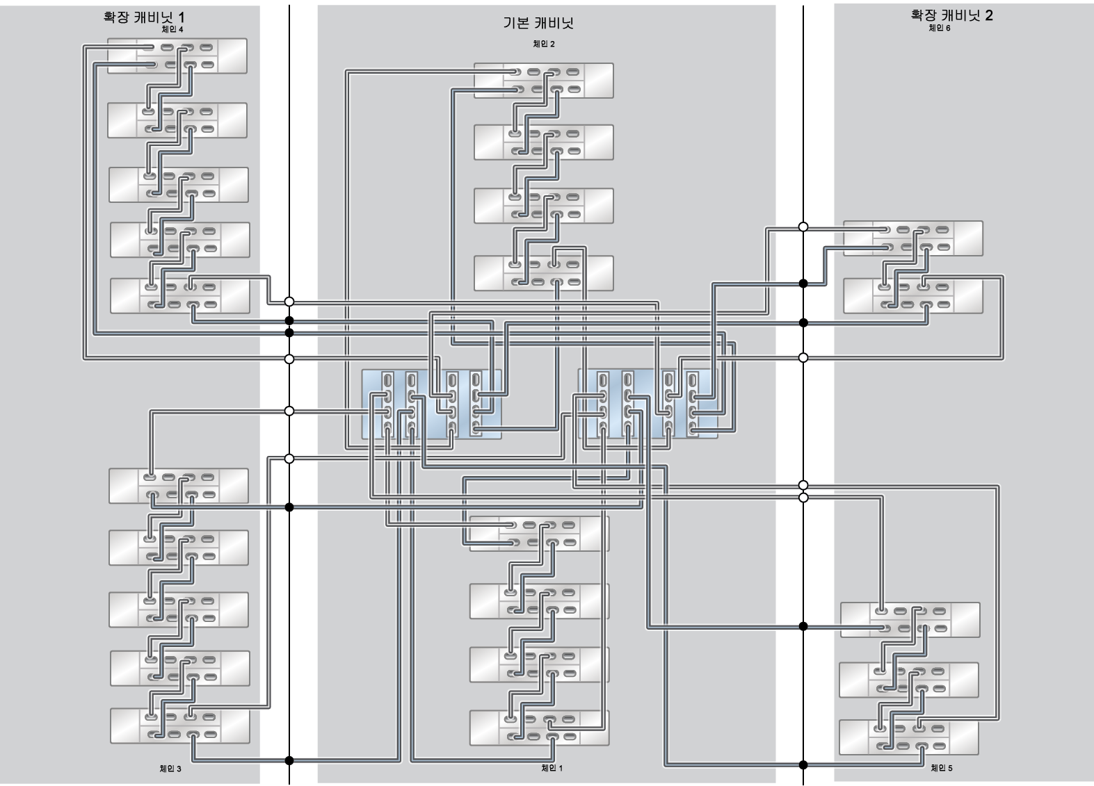
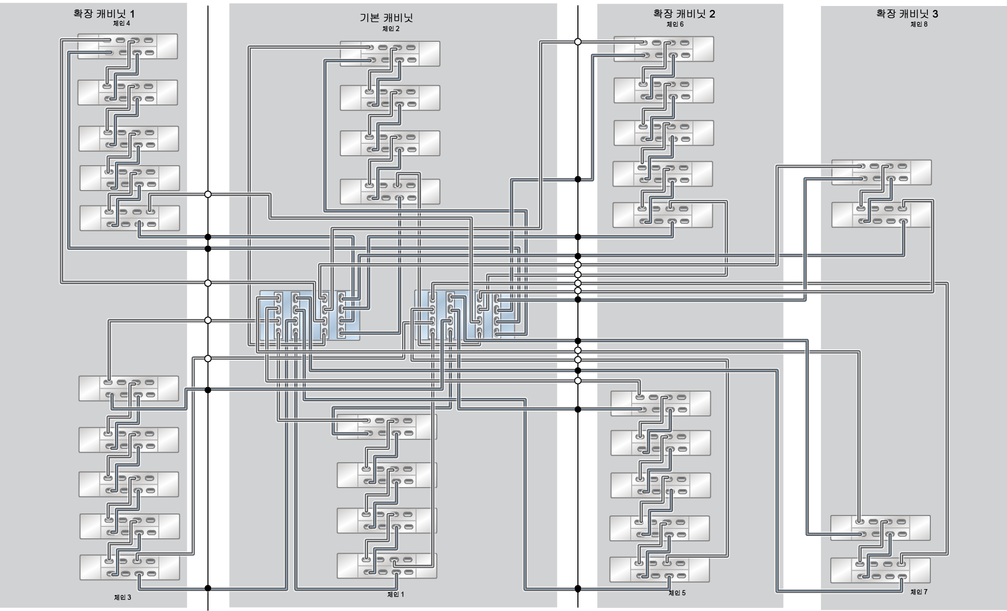
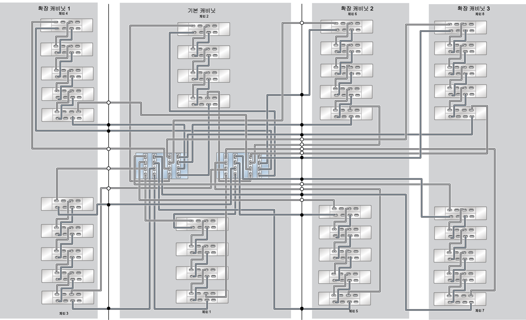
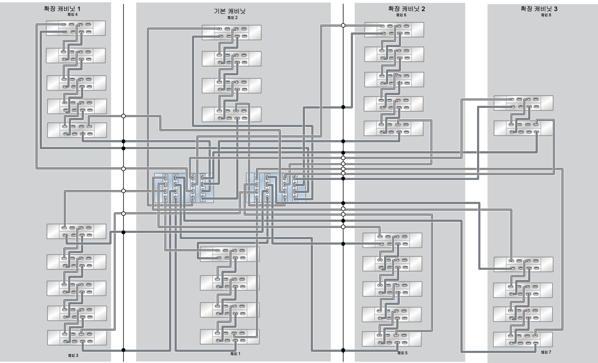
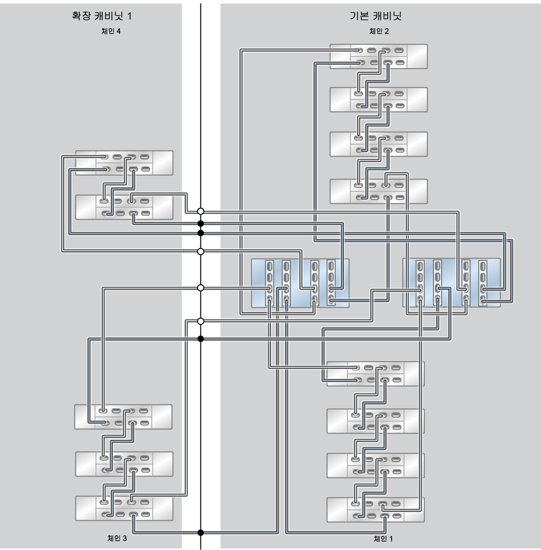
다음 다이어그램은 미리 랙에 구현된 시스템을 케이블로 연결하는 방법과 이후 시스템을 확장하는 방법을 보여줍니다. 각 다이어그램에 대한 범례는 다음과 같습니다.

  • 빈 원은 맨 위에 있는 IOM(IOM 1)에 대한 케이블 연결을 나타냅니다.

  • 단색 원은 맨 아래에 있는 IOM(IOM 0)에 대한 케이블 연결을 나타냅니다.

그림 674  ZS5-4 Racked System 용량 구성: 10개 DE3-24C Disk Shelf

image:ZFS Storage Appliance Racked System ZS5-4: 10개 DE3-24C Disk Shelf

그림 675  ZS5-4 Racked System 용량 구성: 12개 DE3-24C Disk Shelf

image:ZFS Storage Appliance Racked System ZS5-4: 12개 DE3-24C Disk Shelf

그림 676  ZS5-4 Racked System 용량 구성: 13개 DE3-24C Disk Shelf(하프 랙)

image:ZFS Storage Appliance Racked System ZS5-4: 13개 DE3-24C Disk Shelf(하프 랙)

그림 677  ZS5-4 Racked System 용량 구성: 14개 DE3-24C Disk Shelf

image:ZFS Storage Appliance Racked System ZS5-4: 14개 DE3-24C Disk Shelf

그림 678  ZS5-4 Racked System 용량 구성: 16개 DE3-24C Disk Shelf

image:ZFS Storage Appliance Racked System ZS5-4: 16개 DE3-24C Disk Shelf

그림 679  ZS5-4 Racked System 용량 구성: 18개 DE3-24C Disk Shelf

image:ZFS Storage Appliance Racked System ZS5-4: 18개 DE3-24C Disk Shelf

그림 680  ZS5-4 Racked System 용량 구성: 20개 DE3-24C Disk Shelf

image:ZFS Storage Appliance Racked System ZS5-4: 20개 DE3-24C Disk Shelf

그림 681  ZS5-4 Racked System 용량 구성: 22개 DE3-24C Disk Shelf

image:ZFS Storage Appliance Racked System ZS5-4: 22개 DE3-24C Disk Shelf

그림 682  ZS5-4 Racked System 용량 구성: 23개 DE3-24C Disk Shelf(하프 랙)

image:ZFS Storage Appliance Racked System ZS5-4: 23개 DE3-24C Disk Shelf(하프 랙)

그림 683  ZS5-4 Racked System 용량 구성: 24개 DE3-24C Disk Shelf

image:ZFS Storage Appliance Racked System ZS5-4: 24개 DE3-24C Disk Shelf

그림 684  ZS5-4 Racked System 용량 구성: 26개 DE3-24C Disk Shelf

image:ZFS Storage Appliance Racked System ZS5-4: 26개 DE3-24C Disk Shelf

그림 685  ZS5-4 Racked System 용량 구성: 28개 DE3-24C Disk Shelf

image:ZFS Storage Appliance Racked System ZS5-4: 28개 DE3-24C Disk Shelf

그림 686  ZS5-4 Racked System 용량 구성: 30개 DE3-24C Disk Shelf

image:ZFS Storage Appliance Racked System ZS5-4: 30개 DE3-24C Disk Shelf

그림 687  ZS5-4 Racked System 용량 구성: 32개 DE3-24C Disk Shelf

image:ZFS Storage Appliance Racked System ZS5-4: 32개 DE3-24C Disk Shelf

그림 688  ZS5-4 Racked System 용량 구성: 33개 DE3-24C Disk Shelf(하프 랙)

image:ZFS Storage Appliance Racked System ZS5-4: 33개 DE3-24C Disk Shelf(하프 랙)

그림 689  ZS5-4 Racked System 용량 구성: 34개 DE3-24C Disk Shelf

image:ZFS Storage Appliance Racked System ZS5-4: 34개 DE3-24C Disk Shelf

그림 690  ZS5-4 Racked System 용량 구성: 36개 DE3-24C Disk Shelf

image:ZFS Storage Appliance Racked System ZS5-4: 36개 DE3-24C Disk Shelf

그림 691  ZS5-4 Racked System 용량 구성: 38개 DE3-24C Disk Shelf

image:ZFS Storage Appliance Racked System ZS5-4: 38개 DE3-24C Disk Shelf