Go to main content

Oracle® ZFS Storage Appliance 케이블 연결 설명서

인쇄 보기 종료

업데이트 날짜: 2018년 11월
 
 

ZS7-2 MR Racked System에 대한 용량 구성

이 절에서는 ZS7-2 MR Racked System 용량 구성에 대한 개요 및 케이블 연결 다이어그램을 제공합니다.

이 절은 다음 항목으로 구성되어 있습니다.

ZS7-2 MR Racked System 용량 구성 개요

용량 구성은 고용량 Disk Shelf를 이용하며 기본 캐비닛에서 사용하거나 기본 캐비닛과 함께 1개의 확장 캐비닛에서 사용할 수 있습니다. 다음 표에서와 같이 2개의 ZS7-2 MR 컨트롤러와 최대 16개의 Oracle Storage Drive Enclosure DE3-24C Disk Shelf가 지원될 수 있습니다. 기본 캐비닛과 확장 캐비닛의 총 Disk Shelf 수는 16개를 초과할 수 없습니다.

표 13  ZS7-2 MR Racked System 용량 구성 구성요소
기본 캐비닛
확장 캐비닛 1
최대 9개 DE3-24C Disk Shelf
지원되는 구성: 1, 2, 4, 6, 8 또는 9개 DE3-24C Disk Shelf
2개 ZS7-2 MR 컨트롤러
최대 7개 DE3-24C Disk Shelf
지원되는 구성: 2, 4, 5, 6 또는 7개 DE3-24C Disk Shelf

각 ZS7-2 MR 컨트롤러는 2개의 SAS HBA 카드를 지원합니다. 각 ZS7-2 MR 컨트롤러에는 2개의 SAS HBA 카드를 설치하여 확장 캐비닛의 Disk Shelf를 지원할 수 있습니다.

각 ZS7-2 MR 컨트롤러에 SAS HBA 카드 2개가 있습니다. 클러스터형 ZS7-2 MR 컨트롤러는 다음으로 이루어진 고가용성 구성을 지원합니다.

  • 기본 캐비닛: 1줄 체인의 Disk Shelf 4개와 다른 1줄 체인의 Disk Shelf 5개로 구성된 2줄 체인이 지원되어 총 9개의 Disk Shelf가 제공됩니다.

  • 확장 캐비닛: 1줄 체인의 Disk Shelf 4개와 다른 1줄 체인의 Disk Shelf 3개 중 1개로 구성된 2줄 체인이 지원되어 총 7개의 Disk Shelf가 제공됩니다.

캐비닛은 자체적으로 포함되어 있으며 필요한 케이블 연결 방법에 따라 미리 케이블이 연결되어 있습니다. 미리 랙에 구현된 시스템에 대한 케이블 연결 표 및 다이어그램이 ZS7-2 MR Racked System 용량 구성에 대한 케이블 연결 표 및 다이어그램 절에서 제공되어 향후 시스템 확장 계획에 참조할 수 있습니다.

각 캐비닛에는 맨 아래에 있는 RU01을 포함해서 42개의 RU(랙 장치)가 있습니다. 각 ZS7-2 MR 컨트롤러는 2개의 랙 장치를 차지하며 위치는 가장 아래쪽 랙 장치 번호로 참조됩니다. 맨 위의 컨트롤러는 컨트롤러 1로 표시되며 기본 캐비닛에서 RU20에 있습니다. 맨 아래의 컨트롤러는 RU17에 있는 컨트롤러 0입니다. ZS7-2 MR 컨트롤러는 2개의 랙 장치를 차지하지만 기본 캐비닛에서는 각 컨트롤러 위에 필러 패널이 있으므로, 캐비닛 레이아웃은 3개의 랙 장치 컨트롤러가 포함된 Oracle Racked System의 이전 제품과 유사합니다. 또한 후면 CMA를 통해 서비스 액세스와 케이블 연결 성능이 향상됩니다. 다음 그림은 각 HBA 카드의 슬롯 번호 및 각 카드에 있는 포트 번호를 보여줍니다.

그림 656  ZS7-2 MR 컨트롤러 HBA 슬롯 번호(후면 보기)

image:이 그림은 HBA 슬롯 번호가 표시된 ZS7-2 MR 후면 패널을 보여줍니다.

각 DE3-24C Disk Shelf는 4개의 랙 장치를 차지하며 Disk Shelf는 안정성을 위해 일반적으로 캐비닛의 맨 아래에서 맨 위의 순서로 설치됩니다. 다음 그림에 표시된 것처럼 DE3-24C Disk Shelf에는 각각 4개의 포트가 포함된 2개의 IOM(I/O 모듈)이 있습니다. 모든 케이블 연결 구성에서 포트 1과 포트 3은 사용되지 않습니다.

그림 657  DE3-24C Disk Shelf HBA 연결(후면 보기)

image:이 그림은 HBA 연결이 포함된 Storage Drive Enclosure DE3-24C 후면 패널을 보여줍니다.

ZS7-2 MR Racked System 용량 구성에 대한 케이블 연결 표 및 다이어그램

다음 표에서는 기본 캐비닛에서 3m SAS 광케이블을 사용해서 구성된 컨트롤러 2개 및 Disk Shelf 9개에 대한 위치 및 포트 연결을 설명합니다. 첫번째 Disk Shelf는 RU01에 있으며 각 Disk Shelf에는 2개의 IOM이 포함됩니다.


주 -  다음 표에서는 2줄 체인으로 구성된 전체 기본 랙 구성과 2줄 체인으로 구성된 확장 랙 구성을 보여줍니다.
표 14  기본 캐비닛: 컨트롤러와 Disk Shelf 위치 및 연결
시작
종료
RU
컨트롤러
HBA 포트
RU
DISK SHELF 포트
20
1
슬롯 2, 포트 0
1
IOM 1, 포트 2
17
0
슬롯 10, 포트 0
1
IOM 0 포트 2
20
1
슬롯 2, 포트 1
23
IOM 1, 포트 2
17
0
슬롯 10, 포트 1
23
IOM 0 포트 2
17
0
슬롯 2, 포트 0
1, 5, 13
IOM 1, 포트 0
20
1
슬롯 10, 포트 0
1, 5, 13
IOM 0, 포트 0
17
0
슬롯 2, 포트 1
27, 35, 39
IOM 1, 포트 0
20
1
슬롯 10, 포트 1
27, 35, 39
IOM 0, 포트 0

다음 표에서는 확장 캐비닛에서 6m SAS 광케이블을 사용해서 구성된 Disk Shelf 7개에 대한 위치 및 포트 연결에 대해 설명합니다. 첫번째 Disk Shelf는 RU01에 있으며 각 Disk Shelf에는 2개의 IOM이 포함됩니다. 확장 캐비닛은 10~16개의 Disk Shelf를 지원합니다.

표 15  확장 캐비닛: 컨트롤러와 Disk Shelf 위치 및 연결
시작
종료
RU
컨트롤러
HBA 포트
RU
DISK SHELF 포트
20
1
슬롯 2, 포트 2
1
IOM 1, 포트 2
17
0
슬롯 10, 포트 2
1
IOM 0, 포트 2
20
1
슬롯 2, 포트 3
21
IOM 1, 포트 2
17
0
슬롯 10, 포트 3
21
IOM 0, 포트 2
17
0
슬롯 2, 포트 2
5, 9, 13
IOM 1, 포트 0
20
1
슬롯 10, 포트 2
5, 9, 13
IOM 0, 포트 0
17
0
슬롯 2, 포트 3
25, 29
IOM 1, 포트 0
20
1
슬롯 10, 포트 3
25, 29
IOM 0, 포트 0

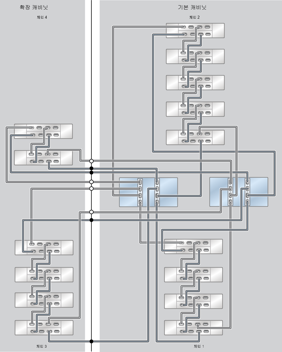
다음 다이어그램은 미리 랙에 구현된 시스템을 케이블로 연결하는 방법과 이후 시스템을 확장하는 방법을 보여줍니다. 각 다이어그램에 대한 범례는 다음과 같습니다.

  • 빈 원은 맨 위에 있는 IOM(IOM 1)에 대한 케이블 연결을 나타냅니다.

  • 단색 원은 맨 아래에 있는 IOM(IOM 0)에 대한 케이블 연결을 나타냅니다.

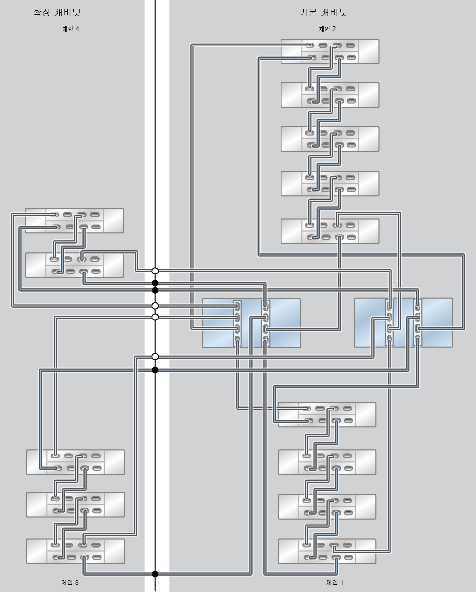
그림 658  ZS7-2 MR Racked System 용량 구성: 11개 DE3-24C Disk Shelf

image:ZFS Storage Appliance Racked System ZS7-2 MR: 11개 DE3-24C Disk Shelf

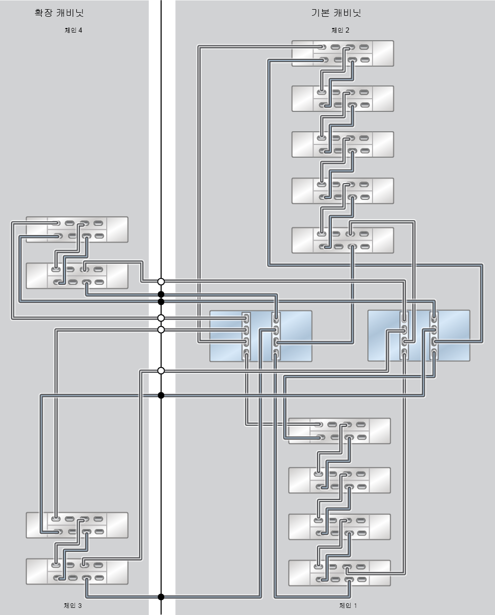
그림 659  ZS7-2 MR Racked System 용량 구성: 13개 DE3-24C Disk Shelf

image:ZFS Storage Appliance Racked System ZS7-2 MR: 13개 DE3-24C Disk Shelf

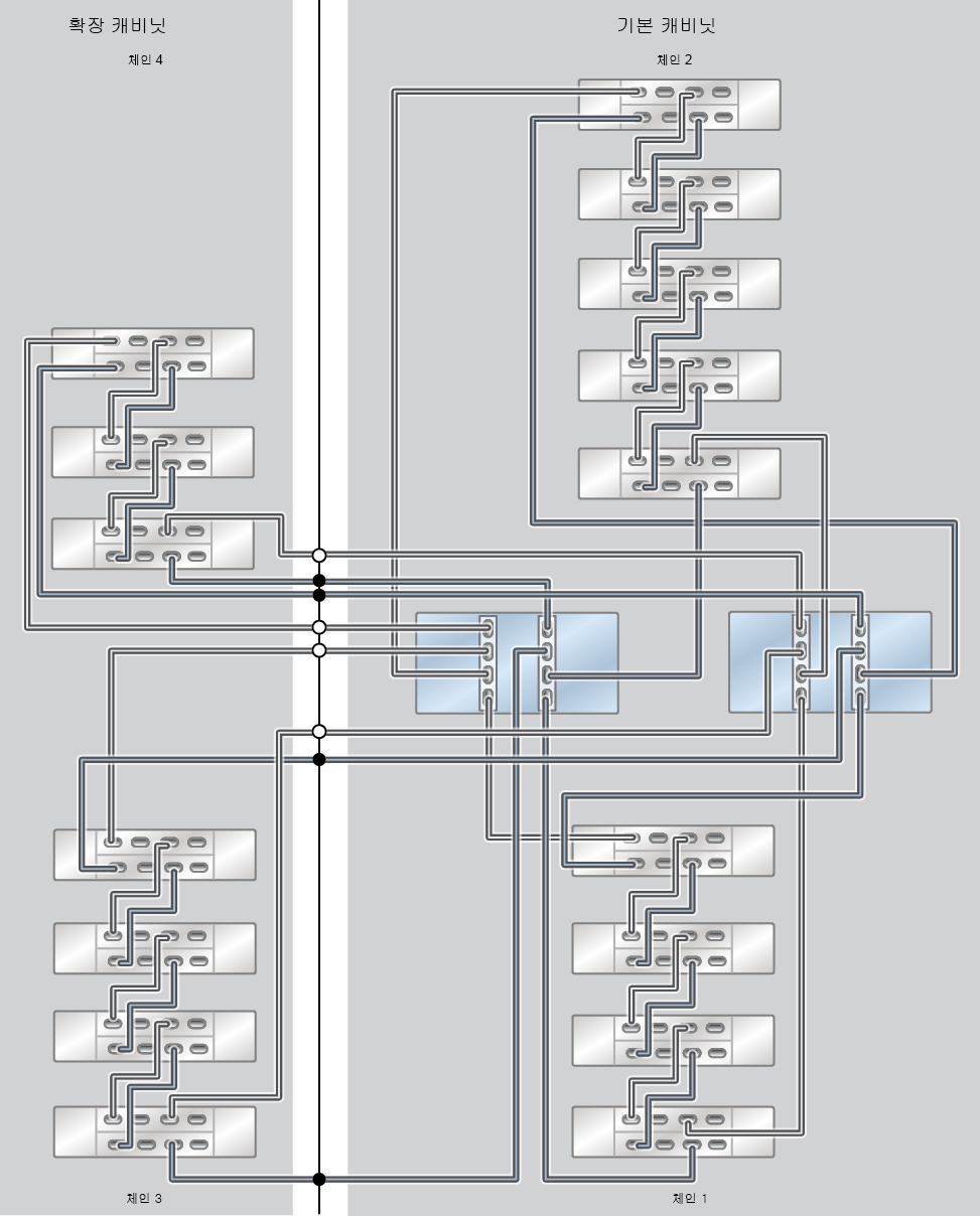
그림 660  ZS7-2 MR Racked System 용량 구성: 14개 DE3-24C Disk Shelf(하프 랙)

image:ZFS Storage Appliance Racked System ZS7-2 MR: 14개 DE3-24C Disk Shelf(하프 랙)

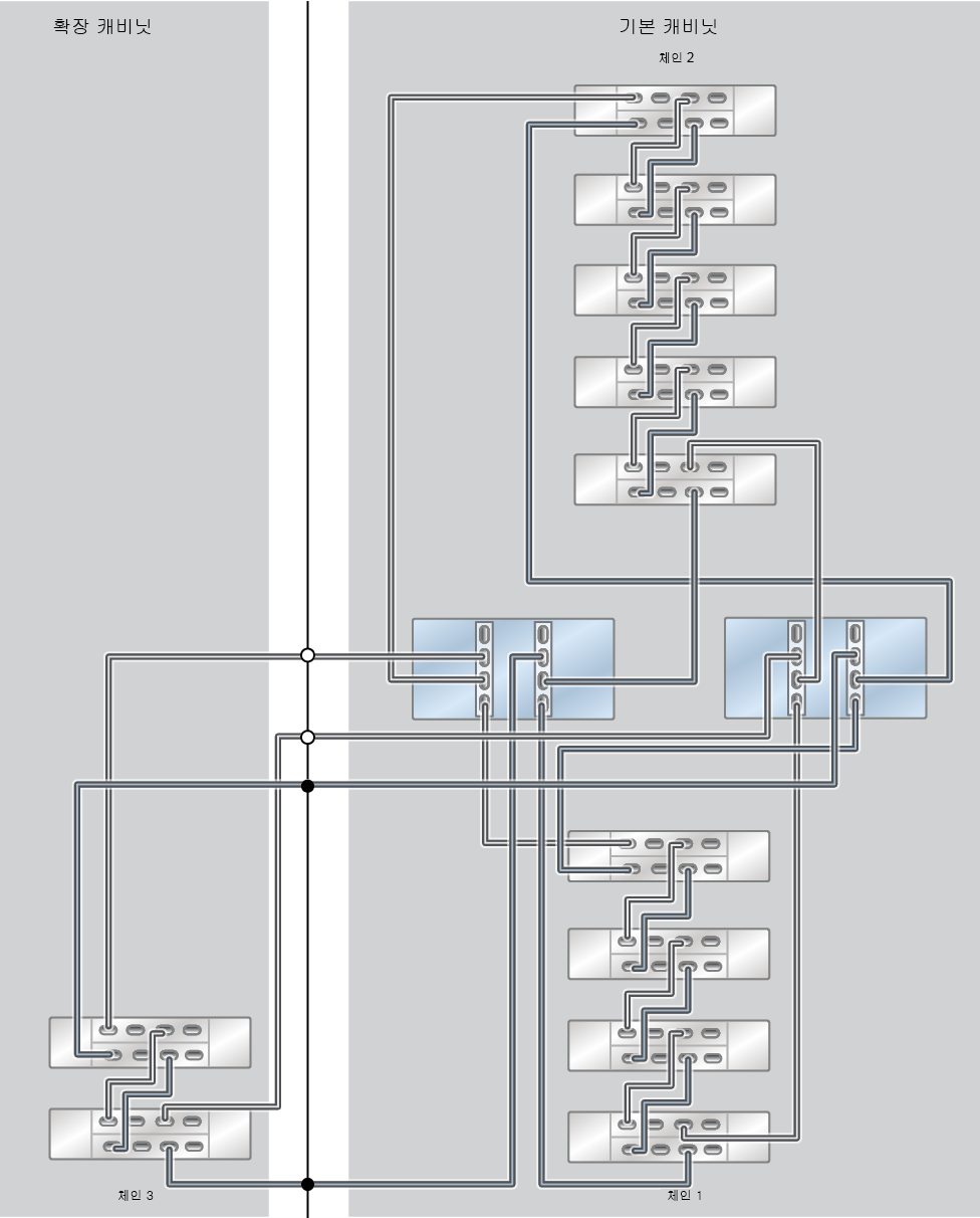
그림 661  ZS7-2 MR Racked System 용량 구성: 15개 DE3-24C Disk Shelf

image:ZFS Storage Appliance Racked System ZS7-2 MR: 15개 DE3-24C Disk Shelf

그림 662  ZS7-2 MR Racked System 용량 구성: 16개 DE3-24C Disk Shelf

image:ZFS Storage Appliance Racked System ZS7-2 MR: 16개 DE3-24C Disk Shelf