Go to main content

Oracle® ZFS Storage Appliance 케이블 연결 설명서

인쇄 보기 종료

업데이트 날짜: 2018년 11월
 
 

ZS7-2 HE Racked System에 대한 용량 구성

이 절에서는 ZS7-2 HE Racked System 용량 구성에 대한 개요 및 케이블 연결 다이어그램을 제공합니다.

이 절은 다음 항목으로 구성되어 있습니다.

ZS7-2 HE Racked System 용량 구성 개요

용량 구성은 고용량 Disk Shelf를 이용하며 기본 캐비닛에서 사용하거나 기본 캐비닛과 함께 최대 3개의 확장 캐비닛에서 사용할 수 있습니다. 다음 표에서와 같이 2개의 ZS7-2 컨트롤러와 최대 39개의 Disk Shelf가 지원될 수 있습니다.

표 5  ZS7-2 HE Racked System 용량 구성 구성요소
기본 캐비닛
확장 캐비닛 1
확장 캐비닛 2
확장 캐비닛 3
2줄 체인의 최대 9개 DE3-24C Disk Shelf
지원되는 구성: 1, 2, 4, 6, 8 또는 9개 DE3-24C Disk Shelf
2개 ZS7-2 HE 컨트롤러
최대 10개 DE3-24C Disk Shelf
지원되는 구성: 2, 4, 5, 6, 8 또는 10개 DE3-24C Disk Shelf
최대 10개 DE3-24C Disk Shelf
최대 10개 DE3-24C Disk Shelf
4줄 체인의 최대 9개 DE3-24C Disk Shelf
지원되는 구성: 1, 2, 4, 6, 8 또는 9개 DE3-24C Disk Shelf
2개 ZS7-2 HE 컨트롤러
최대 10개 DE3-24C Disk Shelf
최대 10개 DE3-24C Disk Shelf
지원되지 않음
8줄 체인의 최대 9개 DE3-24C Disk Shelf
지원되는 구성: 1, 2, 4, 6, 8 또는 9개 DE3-24C Disk Shelf
2개 ZS7-2 HE 컨트롤러
지원되지 않음
지원되지 않음
지원되지 않음

각 ZS7-2 HE 용량 기본 캐비닛은 1, 2, 4, 6, 8 또는 9개 DE3-24C Disk Shelf로 구성됩니다. 각 확장 캐비닛은 2, 4, 5(하프 랙), 6, 8 또는 10개 DE3-24C Disk Shelf로 구성됩니다. 최대 39개의 Disk Shelf가 기본 캐비닛 1개와 확장 캐비닛 3개에 수용될 수 있습니다.

각 ZS7-2 HE 컨트롤러에 SAS HBA 카드 4개가 있습니다. 클러스터형 ZS7-2 HE 컨트롤러는 다음으로 이루어진 고가용성 구성을 지원합니다.

  • 2, 4 또는 8줄 체인으로 구성된 기본 캐비닛의 최대 9개 Disk Shelf

  • 최대 3개의 확장 캐비닛이 제공되며, 각 캐비닛에서는 디스크 체인당 최대 5개의 Disk Shelf로 구성된 2개의 체인을 지원하므로 확장 캐비닛 1개의 경우 총 10개의 Disk Shelf, 확장 캐비닛 2개의 경우 총 20개의 Disk Shelf, 확장 캐비닛 3개의 경우 총 30개의 Disk Shelf가 제공됩니다.

캐비닛은 자체적으로 포함되어 있으며 필요한 케이블 연결 방법에 따라 미리 케이블이 연결되어 있습니다. 미리 랙에 구현된 시스템에 대한 케이블 연결 표 및 다이어그램이 ZS7-2 HE Racked System 용량 구성에 대한 케이블 연결 표 및 다이어그램 절에서 제공되어 향후 시스템 확장 계획에 참조할 수 있습니다.

각 캐비닛에는 맨 아래에 있는 RU01을 포함해서 42개의 RU(랙 장치)가 있습니다. 각 ZS7-2 컨트롤러는 2개의 랙 장치를 차지하며 위치는 가장 아래쪽 랙 장치 번호로 참조됩니다. 맨 위의 컨트롤러는 컨트롤러 1로 표시되며, 기본 캐비닛에서 RU20에 있습니다. 맨 아래의 컨트롤러는 RU17에 있는 컨트롤러 0입니다. 다음 그림은 각 HBA 카드의 슬롯 번호 및 각 카드에 있는 포트 번호를 보여줍니다.

그림 619  ZS7-2 HE 컨트롤러 HBA 슬롯 번호(후면 보기)

image:이 그림은 HBA 슬롯 번호가 표시된 ZS7-2 HE 후면 패널을 보여줍니다.

각 DE3-24C Disk Shelf는 4개의 랙 장치를 차지하며 Disk Shelf는 안정성을 위해 일반적으로 기본 캐비닛의 맨 아래에서 맨 위의 순서로 설치됩니다. ZS7-2 HE 컨트롤러는 2개의 랙 장치를 차지하지만 기본 캐비닛에서는 각 컨트롤러 위에 필러 패널이 있으므로, 캐비닛 레이아웃은 3개의 랙 장치 컨트롤러가 포함된 Oracle Racked System의 이전 제품과 유사합니다. 또한 후면 CMA(케이블 관리 암)를 통해 서비스 액세스와 케이블 연결 성능이 향상됩니다. 다음 그림에 표시된 것처럼 DE3-24C Disk Shelf에는 각각 4개의 포트가 포함된 2개의 IOM(I/O 모듈)이 있습니다. 모든 케이블 연결 구성에서 포트 1과 포트 3은 사용되지 않습니다.

그림 620  DE3-24C Disk Shelf HBA 연결(후면 보기)

image:이 그림은 HBA 연결이 포함된 Storage Drive Enclosure DE3-24C 후면 패널을 보여줍니다.

ZS7-2 HE Racked System 용량 구성에 대한 케이블 연결 표 및 다이어그램

다음 표에서는 기본 캐비닛에서 3m SAS 광케이블을 사용해서 구성된 컨트롤러 2개 및 Disk Shelf 9개에 대한 위치 및 포트 연결을 설명합니다. 첫번째 Disk Shelf는 RU01에 있으며 각 Disk Shelf에는 2개의 IOM이 포함됩니다.

다음 표에서는 기본 캐비닛의 2줄 체인 구성과 확장 캐비닛당 2줄 체인 구성을 보여줍니다. 최대 39개의 Disk Shelf가 허용됩니다.

표 6  기본 캐비닛: 컨트롤러와 Disk Shelf 위치 및 연결(2줄 체인)
시작
종료
RU
컨트롤러
HBA 포트
RU
DISK SHELF 포트
20
1
슬롯 2, 포트 0
1
IOM 1, 포트 2
17
0
슬롯 3, 포트 0
1
IOM 0, 포트 2
20
1
슬롯 9, 포트 0
23
IOM 1, 포트 2
17
0
슬롯 10, 포트 0
23
IOM 0, 포트 2
17
0
슬롯 2, 포트 0
1, 5, 13
IOM 1, 포트 0
20
1
슬롯 3, 포트 0
1, 5, 13
IOM 0, 포트 0
17
0
슬롯 9, 포트 0
27, 35, 39
IOM 1, 포트 0
20
1
슬롯 10, 포트 0
27, 35, 39
IOM 0, 포트 0

다음 표에서는 확장 캐비닛 1에서 6m SAS 광케이블을 사용해서 구성된 Disk Shelf 10개에 대한 위치 및 포트 연결을 설명합니다. 첫번째 Disk Shelf는 RU01에 있으며 각 Disk Shelf에는 2개의 IOM이 포함됩니다. 확장 캐비닛 1은 10~19의 Disk Shelf를 지원합니다.

표 7  확장 캐비닛 1: 컨트롤러와 Disk Shelf 위치 및 연결(2줄 체인)
시작
종료
RU
컨트롤러
HBA 포트
RU
DISK SHELF 포트
20
1
슬롯 2, 포트 1
1
IOM 1, 포트 2
17
0
슬롯 3, 포트 1
1
IOM 0, 포트 2
20
1
슬롯 9, 포트 1
21
IOM 1, 포트 2
17
0
슬롯 10, 포트 1
21
IOM 0, 포트 2
17
0
슬롯 2, 포트 1
5, 9, 13, 17
IOM 1, 포트 0
20
1
슬롯 3, 포트 1
5, 9, 13, 17
IOM 0, 포트 0
17
0
슬롯 9, 포트 1
25, 33, 37
IOM 1, 포트 0
20
1
슬롯 10, 포트 1
25, 33, 37
IOM 0, 포트 0

다음 표에서는 확장 캐비닛 2에서 6m SAS 광케이블을 사용해서 구성된 Disk Shelf 10개에 대한 위치 및 포트 연결을 설명합니다. 첫번째 Disk Shelf는 RU01에 있으며 각 Disk Shelf에는 2개의 IOM이 포함됩니다. 확장 캐비닛 2은 20~29의 Disk Shelf를 지원합니다.

표 8  확장 캐비닛 2: 컨트롤러와 Disk Shelf 위치 및 연결(2줄 체인)
시작
종료
RU
컨트롤러
HBA 포트
RU
DISK SHELF 포트
20
1
슬롯 2, 포트 2
1
IOM 1, 포트 2
17
0
슬롯 3, 포트 2
1
IOM 0, 포트 2
20
1
슬롯 9, 포트 2
21
IOM 1, 포트 2
17
0
슬롯 10, 포트 2
21
IOM 0, 포트 2
17
0
슬롯 2, 포트 2
5, 9, 13, 17
IOM 1, 포트 0
20
1
슬롯 3, 포트 2
5, 9, 13, 17
IOM 0, 포트 0
17
0
슬롯 9, 포트 2
25, 33, 37
IOM 1, 포트 0
20
1
슬롯 10, 포트 2
25, 33, 37
IOM 0, 포트 0

다음 표에서는 확장 캐비닛 3에서 6m SAS 광케이블을 사용해서 구성된 Disk Shelf 10개에 대한 위치 및 포트 연결을 설명합니다. 첫번째 Disk Shelf는 RU01에 있으며 각 Disk Shelf에는 2개의 IOM이 포함됩니다. 확장 캐비닛 2은 30~39의 Disk Shelf를 지원합니다.

표 9  확장 캐비닛 3: 컨트롤러와 Disk Shelf 위치 및 연결(2줄 체인)
시작
종료
RU
컨트롤러
HBA 포트
RU
DISK SHELF 포트
20
1
슬롯 2, 포트 3
1
IOM 1, 포트 2
17
0
슬롯 3, 포트 3
1
IOM 0, 포트 2
20
1
슬롯 9, 포트 3
21
IOM 1, 포트 2
17
0
슬롯 10, 포트 3
21
IOM 0, 포트 2
17
0
슬롯 2, 포트 3
5, 9, 13, 17
IOM 1, 포트 0
20
1
슬롯 3, 포트 3
5, 9, 13, 17
IOM 0, 포트 0
17
0
슬롯 9, 포트 3
25, 33, 37
IOM 1, 포트 0
20
1
슬롯 10, 포트 3
25, 33, 37
IOM 0, 포트 0

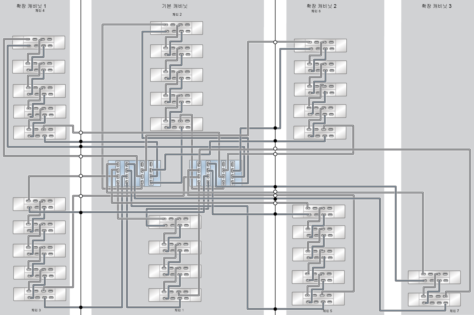
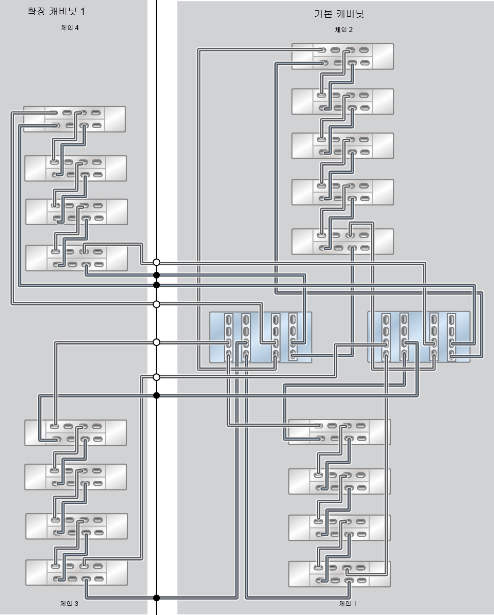
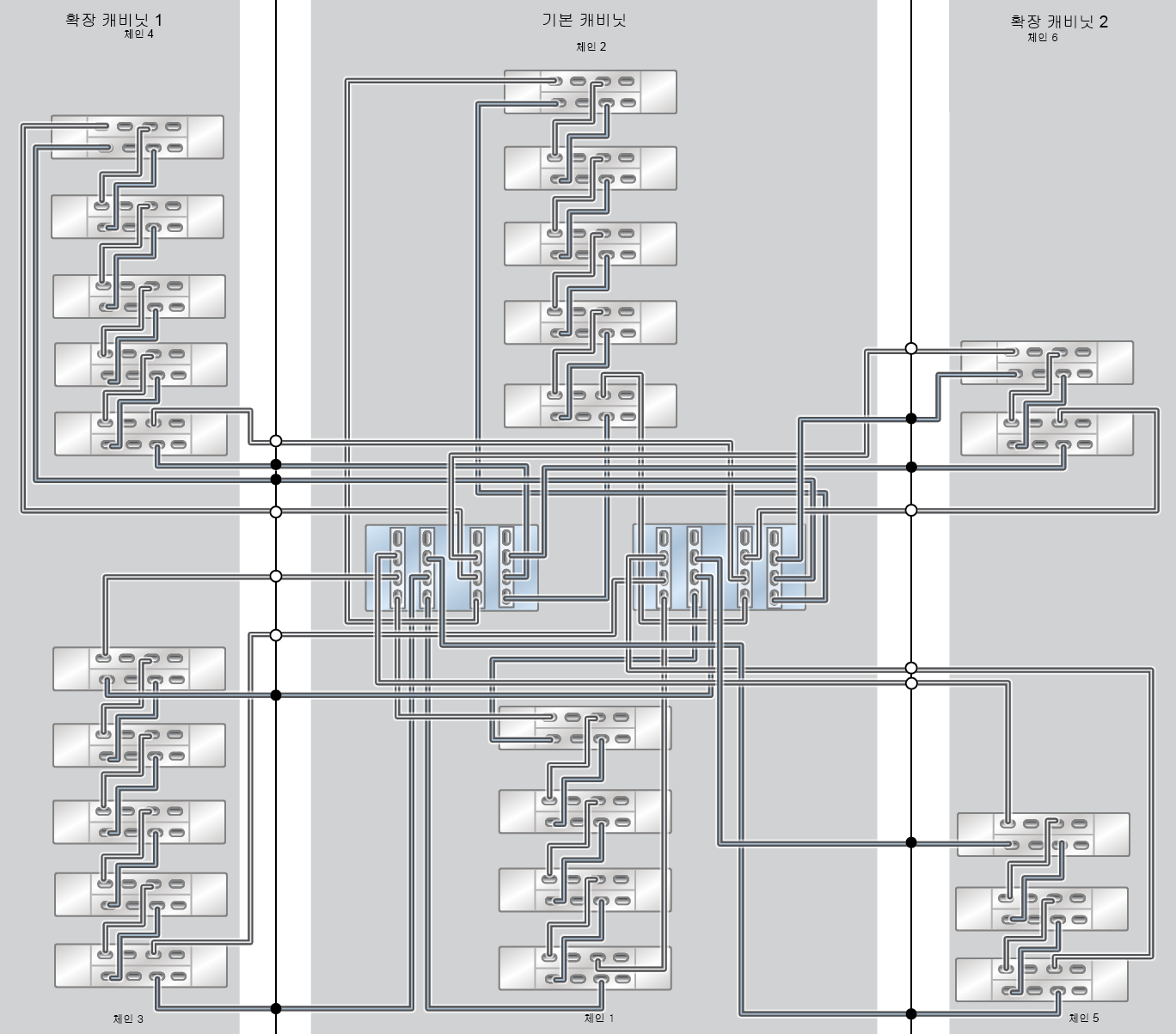
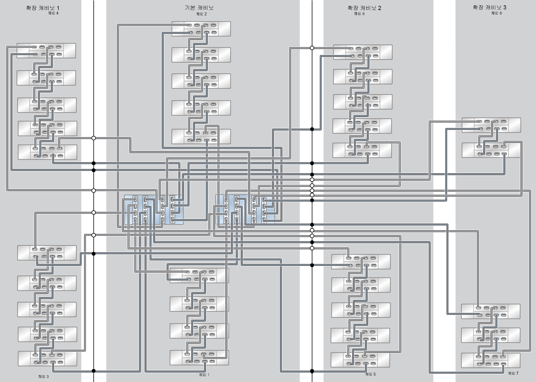
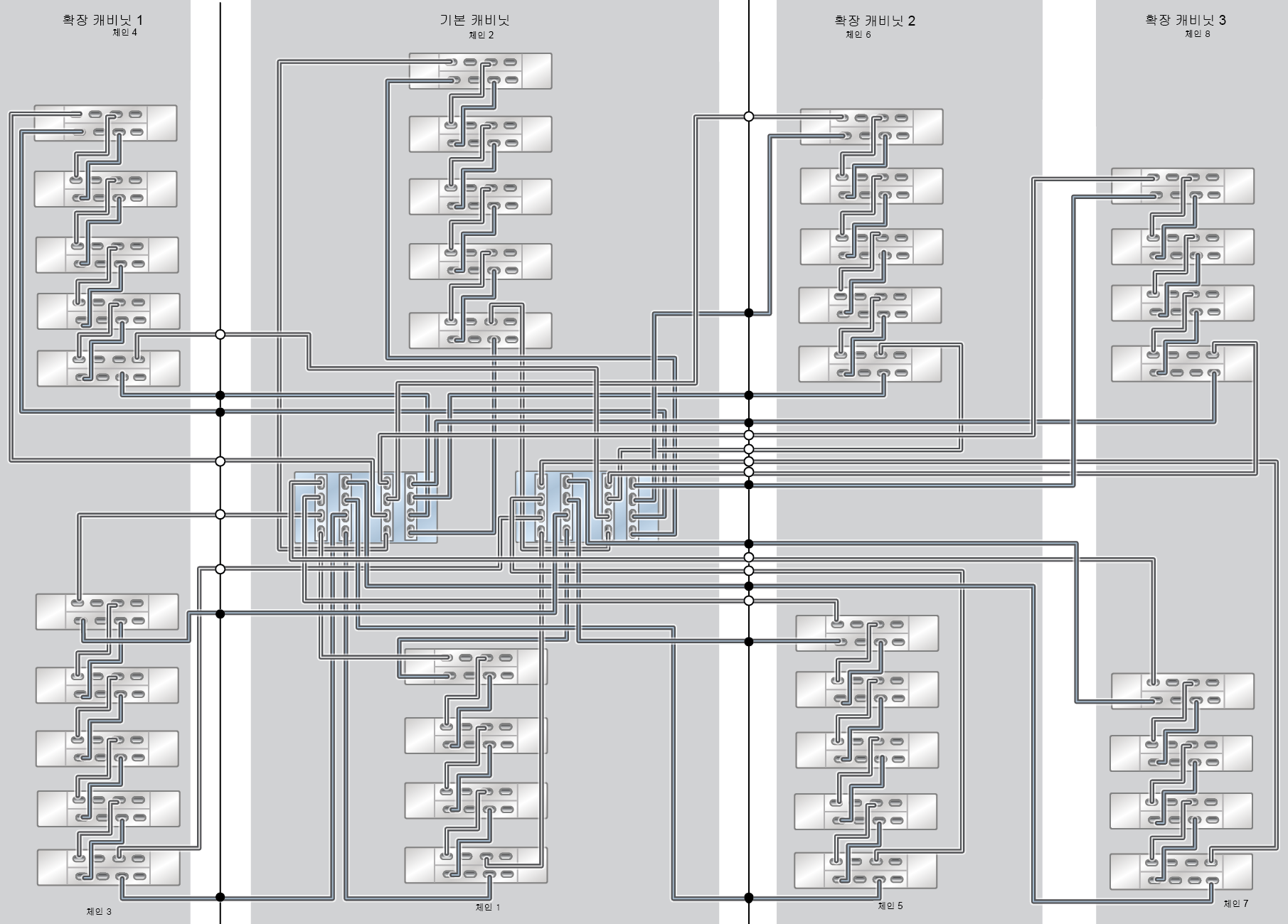
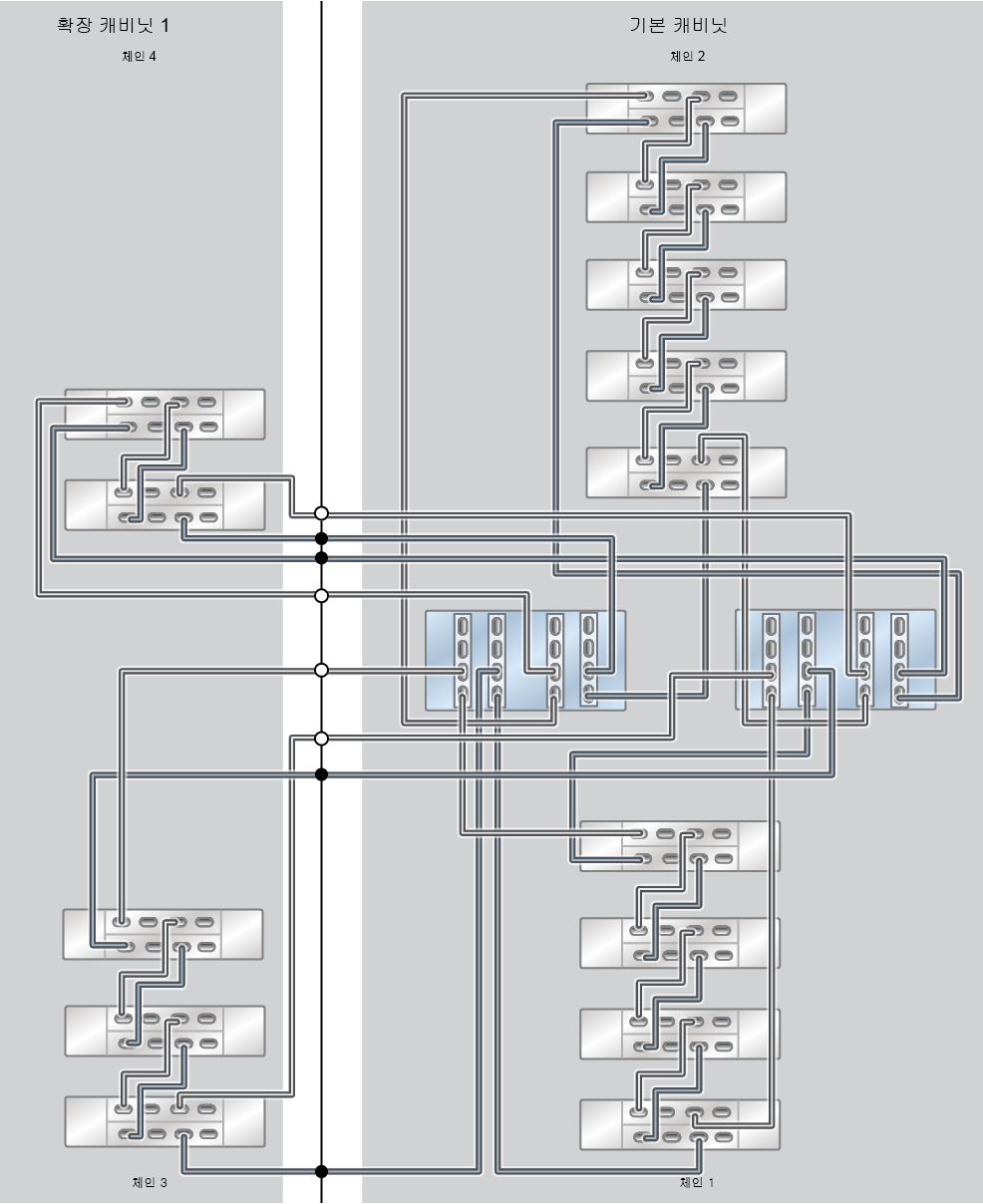
다음 다이어그램은 미리 랙에 구현된 시스템을 케이블로 연결하는 방법과 이후 시스템을 확장하는 방법을 보여줍니다. 각 다이어그램에 대한 범례는 다음과 같습니다.

  • 빈 원은 맨 위에 있는 IOM(IOM 1)에 대한 케이블 연결을 나타냅니다.

  • 단색 원은 맨 아래에 있는 IOM(IOM 0)에 대한 케이블 연결을 나타냅니다.

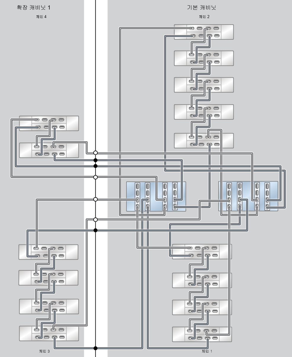
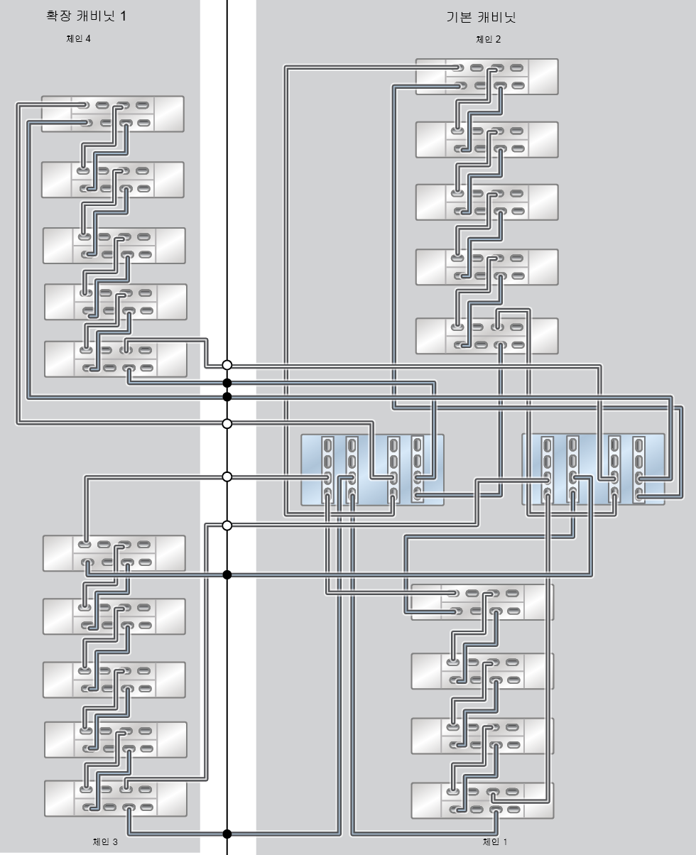
그림 621  ZS7-2 HE Racked System 용량 구성: 11개 DE3-24C Disk Shelf

image:ZFS Storage Appliance Racked System ZS7-2 HE: 11개 DE3-24C Disk Shelf

그림 622  ZS7-2 HE Racked System 용량 구성: 13개 DE3-24C Disk Shelf

image:ZFS Storage Appliance Racked System ZS7-2 HE: 13개 DE3-24C Disk Shelf

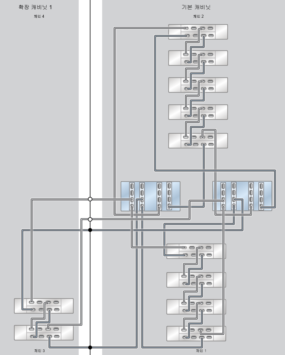
그림 623  ZS7-2 HE Racked System 용량 구성: 14개 DE3-24C Disk Shelf(확장 캐비닛 1 하프 랙)

image:ZFS Storage Appliance Racked System ZS7-2 HE: 14개 DE3-24C Disk Shelf(하프 랙)

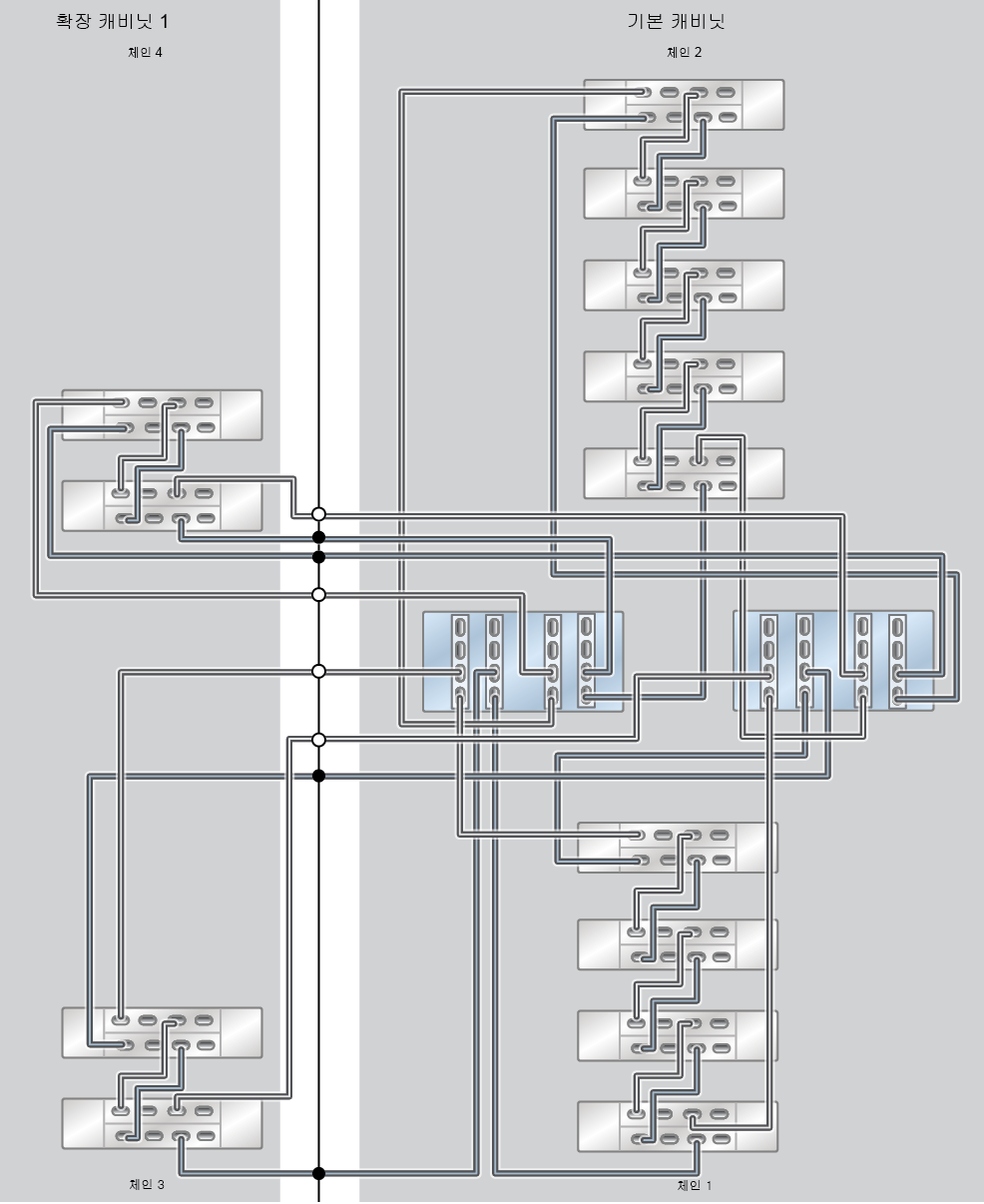
그림 624  ZS7-2 HE Racked System 용량 구성: 15개 DE3-24C Disk Shelf

image:ZFS Storage Appliance Racked System ZS7-2 HE: 15개 DE3-24C Disk Shelf

그림 625  ZS7-2 HE Racked System 용량 구성: 17개 DE3-24C Disk Shelf

image:ZFS Storage Appliance Racked System ZS7-2 HE: 17개 DE3-24C Disk Shelf

그림 626  ZS7-2 HE Racked System 용량 구성: 19개 DE3-24C Disk Shelf

image:ZFS Storage Appliance Racked System ZS7-2 HE: 19개 DE3-24C Disk Shelf

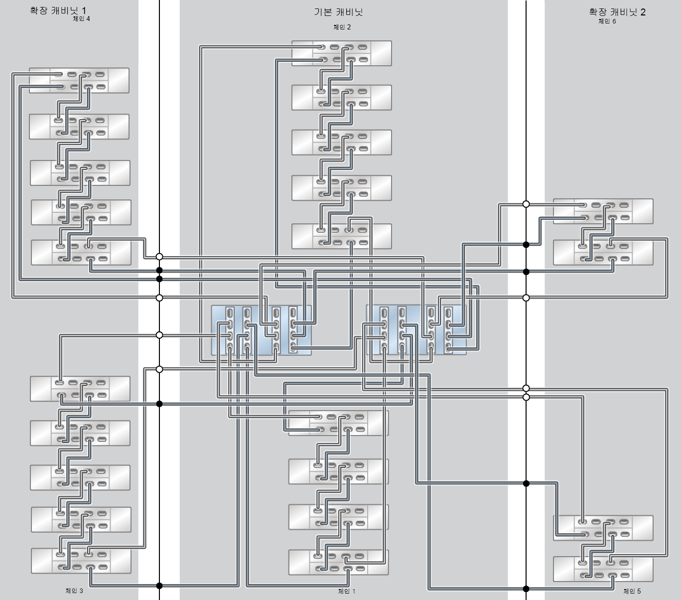
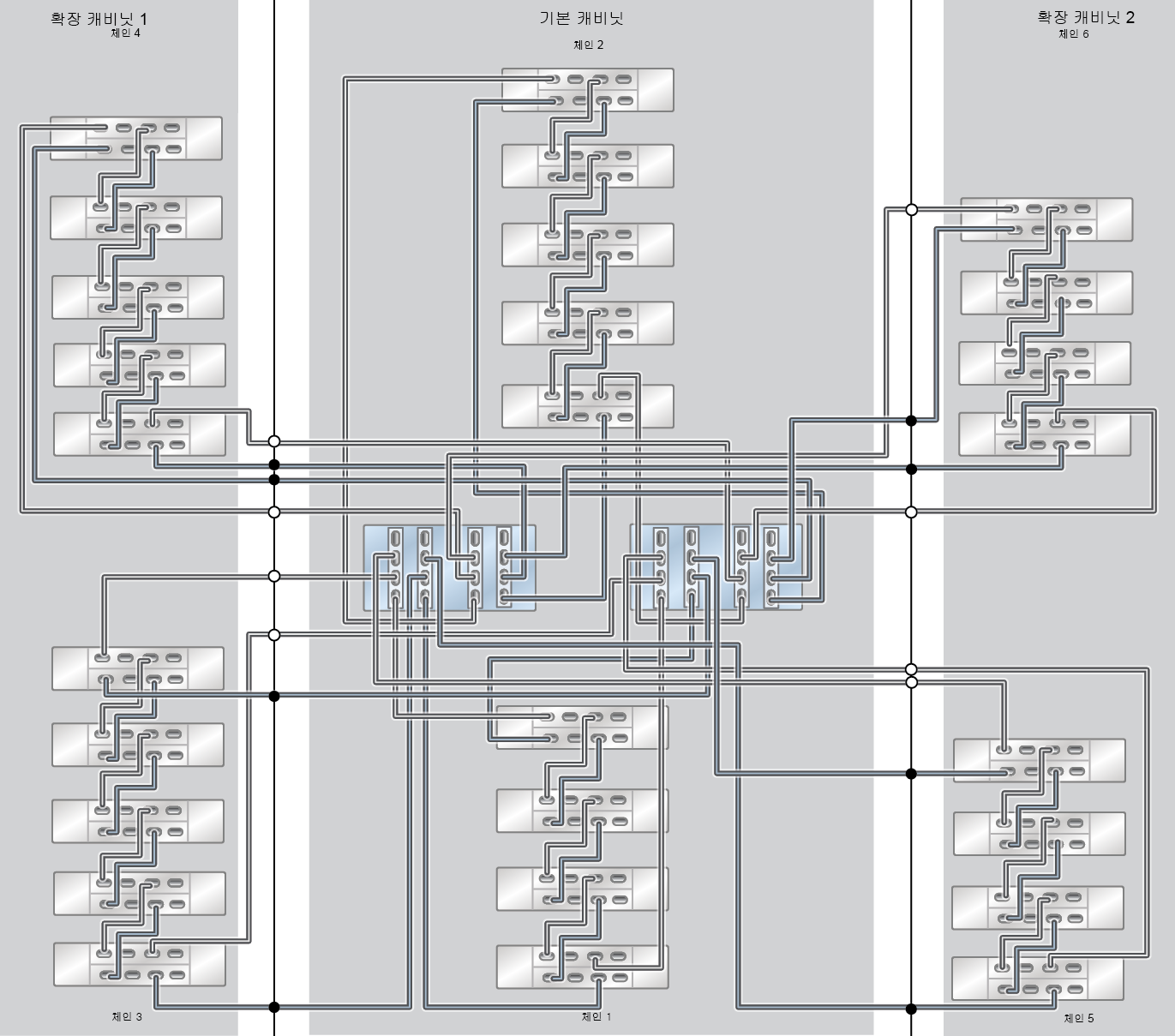
그림 627  ZS7-2 HE Racked System 용량 구성: 21개 DE3-24C Disk Shelf

image:ZFS Storage Appliance Racked System ZS7-2 HE: 21개 DE3-24C Disk Shelf

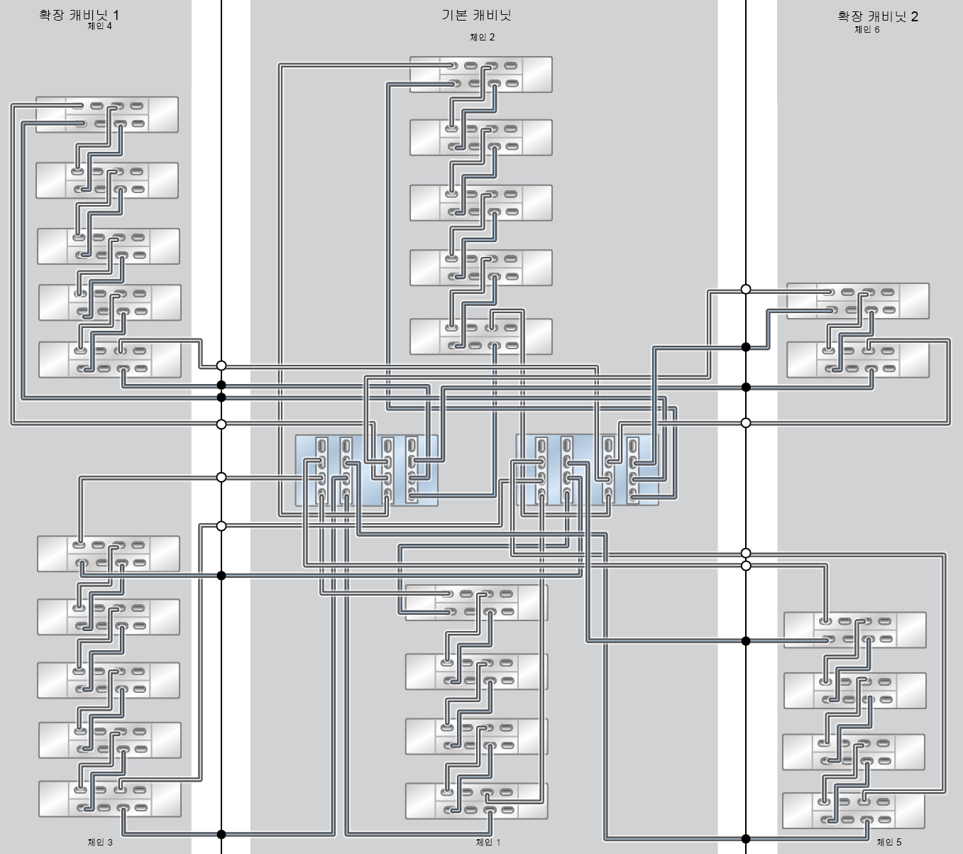
그림 628  ZS7-2 HE Racked System 용량 구성: 23개 DE3-24C Disk Shelf

image:ZFS Storage Appliance Racked System ZS7-2 HE: 23개 DE3-24C Disk Shelf

그림 629  ZS7-2 HE Racked System 용량 구성: 24개 DE3-24C Disk Shelf(확장 캐비닛 2 하프 랙)

image:ZFS Storage Appliance Racked System ZS7-2 HE: 24개 DE3-24C Disk Shelf(하프 랙)

그림 630  ZS7-2 HE Racked System 용량 구성: 25개 DE3-24C Disk Shelf

image:ZFS Storage Appliance Racked System ZS7-2 HE: 25개 DE3-24C Disk Shelf

그림 631  ZS7-2 HE Racked System 용량 구성: 27개 DE3-24C Disk Shelf

image:ZFS Storage Appliance Racked System ZS7-2 HE: 27개 DE3-24C Disk Shelf

그림 632  ZS7-2 HE Racked System 용량 구성: 29개 DE3-24C Disk Shelf

image:ZFS Storage Appliance Racked System ZS7-2 HE: 29개 DE3-24C Disk Shelf

그림 633  ZS7-2 HE Racked System 용량 구성: 31개 DE3-24C Disk Shelf

image:ZFS Storage Appliance Racked System ZS7-2 HE: 31개 DE3-24C Disk Shelf

그림 634  ZS7-2 HE Racked System 용량 구성: 33개 DE3-24C Disk Shelf

image:ZFS Storage Appliance Racked System ZS7-2 HE: 33개 DE3-24C Disk Shelf

그림 635  ZS7-2 HE Racked System 용량 구성: 34개 DE3-24C Disk Shelf(확장 캐비닛 3 하프 랙)

image:ZFS Storage Appliance Racked System ZS7-2 HE: 34개 DE3-24C Disk Shelf(하프 랙)

그림 636  ZS7-2 HE Racked System 용량 구성: 35개 DE3-24C Disk Shelf

image:ZFS Storage Appliance Racked System ZS7-2 HE: 35개 DE3-24C Disk Shelf

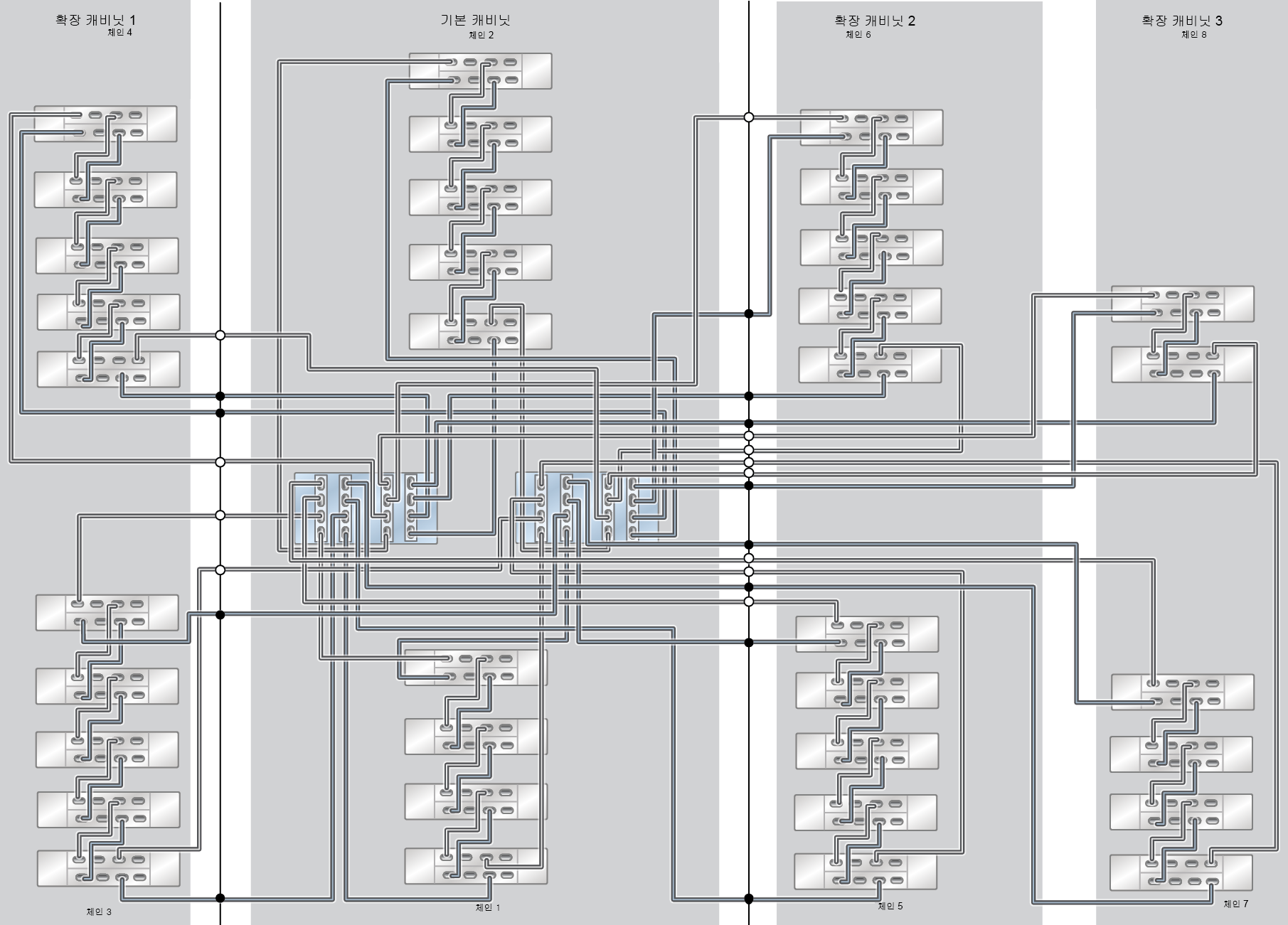
그림 637  ZS7-2 HE Racked System 용량 구성: 37개 DE3-24C Disk Shelf

image:ZFS Storage Appliance Racked System ZS7-2 HE: 37개 DE3-24C Disk Shelf

그림 638  ZS7-2 HE Racked System 용량 구성: 39개 DE3-24C Disk Shelf

image:ZFS Storage Appliance Racked System ZS7-2 HE: 39개 DE3-24C Disk Shelf