Go to main content

Oracle® ZFS Storage Appliance 케이블 연결 설명서

인쇄 보기 종료

업데이트 날짜: 2018년 11월
 
 

ZS5-2 Racked System 성능 구성에 대한 기본 캐비닛 구성

ZS5-2 Racked System 최대 성능 구성을 위해서는 최대 8개의 SAS-3 HBA 연결 포트를 제공하는 SAS-3 HBA 2개가 필요합니다.

SAS-3 HBA 포트 번호 지정 순서는 맨 아래(포트 0)에서 맨 위(포트 3)로의 오름차순입니다. SAS-3 HBA 카드와 DE3-24 Disk Shelf는 모두 SFF 8644 커넥터를 사용합니다.

그림 719  ZS5-2 컨트롤러 HBA 슬롯 번호(후면 보기)

image:이 그림은 HBA 슬롯 번호가 표시된 ZS5-2 후면 패널을 보여줍니다.

그림 720  DE3-24P Disk Shelf HBA 연결(후면 보기)

image:이 그림은 HBA 연결이 표시된 DE3-24P 후면 패널을 보여줍니다.

그림 721  DE3-24C Disk Shelf HBA 연결(후면 보기)

image:이 그림은 HBA 연결이 표시된 DE3-24C 후면 패널을 보여줍니다.

ZS5-2 Racked System 케이블 연결 구성은 표준 케이블 연결 방법 및 CMA(케이블 관리 암) 사용과 관련된 추가 제한 사항을 따릅니다. SSD 로그 장치 및 읽기 캐시 장치 일치를 위해 보다 실제적인 구현을 제공하며 최대 또는 최적 성능에 맞게 구성될 수 있습니다.

업그레이드 시 SAS-3 HBA 카드 수가 변경되거나 원래 ZS5-2 Racked System이 아닌 캐비닛 또는 ZS5-2 Racked System과 호환되지 않는 캐비닛이 2개 이상 포함되는 경우 해당하는 특정 구성을 위해 케이블을 재연결해야 합니다. 4x4 포트 SAS-3 HBA가 있는 ZS5-2 컨트롤러에 DE3-24 Disk Shelf를 연결하는 케이블 연결 예는 케이블로 ZS5-2 컨트롤러에 DE3-24 Disk Shelf 연결을 참조하십시오. SAS 케이블 길이 지침은 캐비닛 및 케이블 연결 지침을 참조하십시오.

캐비닛은 자체적으로 포함되어 있으며 필요한 케이블 연결 방법에 따라 미리 케이블이 연결되어 있습니다. 다음 다이어그램은 다섯 가지 기본 캐비닛 옵션의 케이블 연결 방법을 보여줍니다.

그림 722  ZS5-2 Racked System 성능 구성: 4개 DE3-24P 전체 플래시 Disk Shelf(최대 성능)

image:이 그림은 DE3-24P Disk Shelf 4개가 4줄 체인으로 연결된 ZS5-2 Racked System 전체 플래시를 보여줍니다.

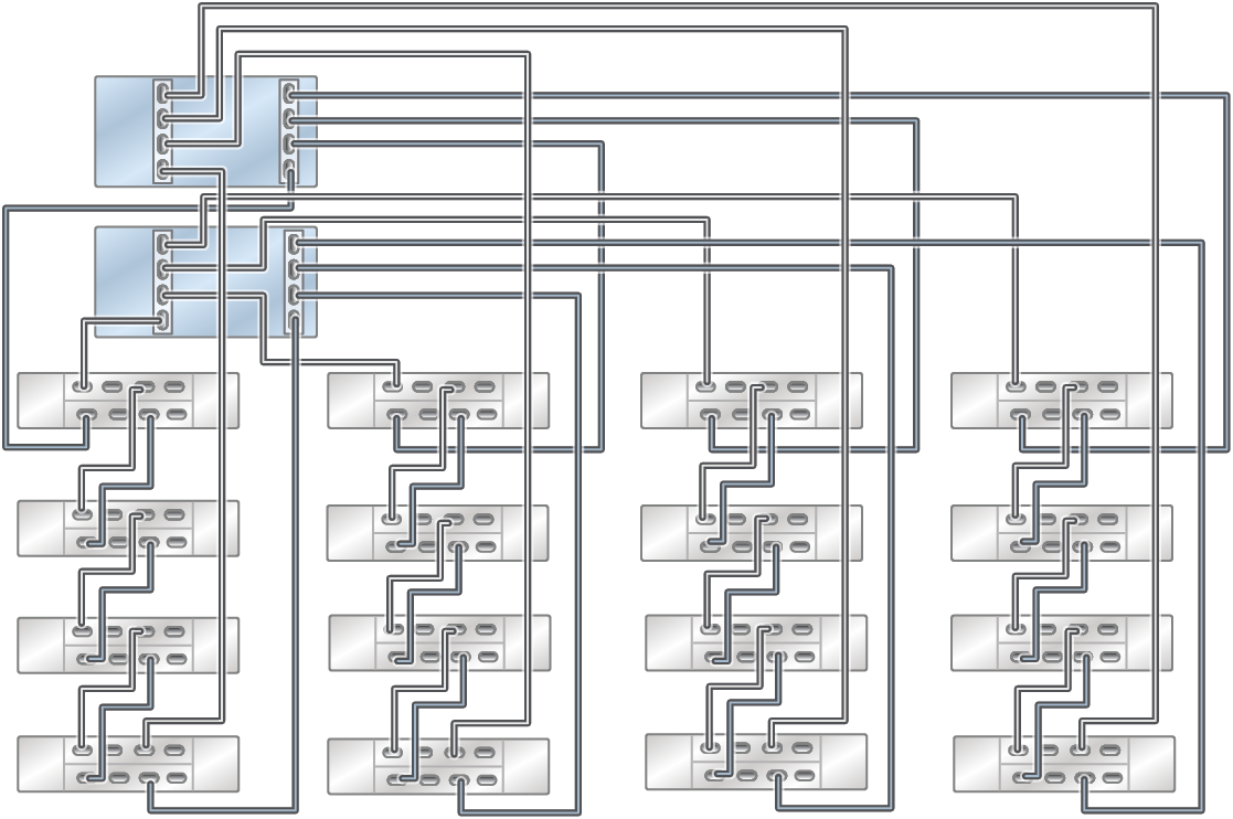
그림 723  ZS5-2 Racked System 성능 구성: 16개 DE3-24P Disk Shelf(최적 성능)

image:이 그림은 DE3-24P Disk Shelf 16개가 4줄 체인으로 연결된 ZS5-2 Racked System 전체 플래시를 보여줍니다.

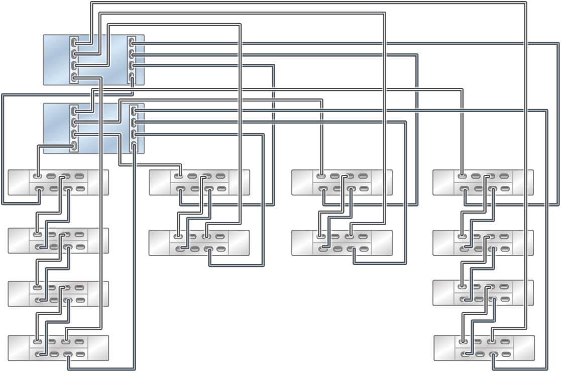
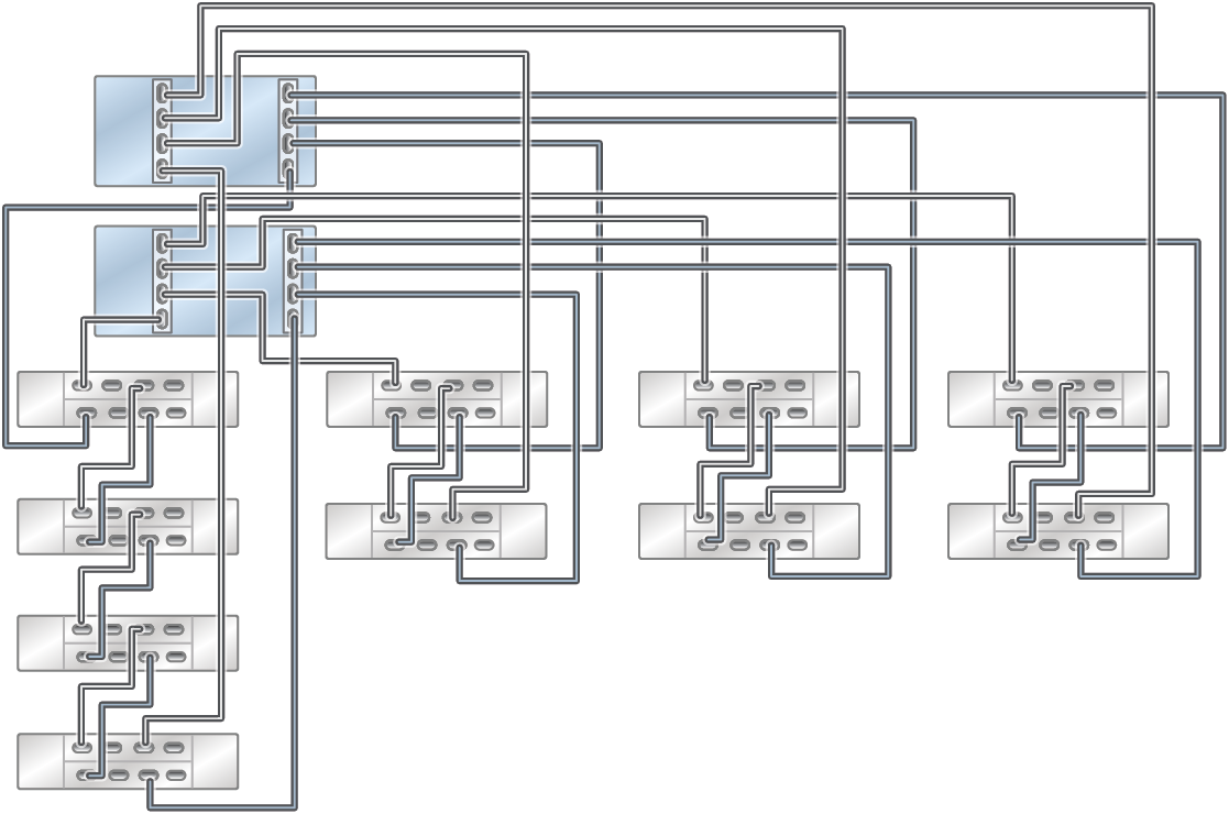
그림 724  ZS5-2 Racked System 성능 구성: 2개 DE3-24C(왼쪽 아래)와 12개 DE3-24P Disk Shelf(최적 성능)

image:이 그림은 DE3-24C(왼쪽 아래) 2개와 DE3-24P Disk Shelf 12개가 4줄 체인으로 연결된 ZS5-2 Racked System 전체 플래시를 보여줍니다.

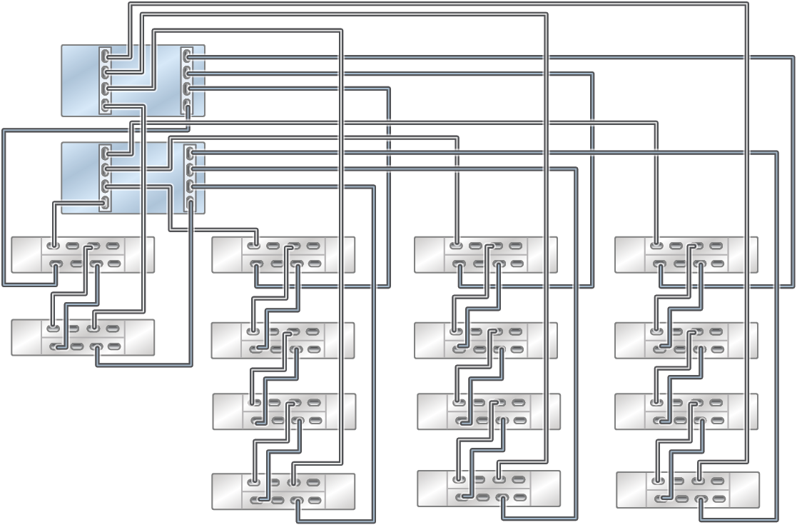
그림 725  ZS5-2 Racked System 성능 구성: 4개 DE3-24C(왼쪽 아래)와 8개 DE3-24P Disk Shelf(최적 성능)

image:이 그림은 DE3-24C(왼쪽 아래) 4개와 DE3-24P Disk Shelf 8개가 4줄 체인으로 연결된 ZS5-2 Racked System 전체 플래시를 보여줍니다.

그림 726  ZS5-2 Racked System 성능 구성: 6개 DE3-24C(왼쪽에서 처음 2줄 체인)와 4개 DE3-24P Disk Shelf(최적 성능)

image:이 그림은 DE3-24C(왼쪽에서 처음 2줄 체인) 6개와 DE3-24P Disk Shelf 4개가 4줄 체인으로 연결된 ZS5-2 Racked System 전체 플래시를 보여줍니다.