Go to main content

Oracle® ZFS Storage Appliance 케이블 연결 설명서

인쇄 보기 종료

업데이트 날짜: 2018년 11월
 
 

케이블로 ZS4-4 컨트롤러에 혼합 DE3-24 및 DE2-24 Disk Shelf 연결

하나 이상의 DE3-24 Disk Shelf를 도입하여 DE2-24 Disk Shelf가 있는 시스템을 업그레이드하거나 해당 시스템에 추가하려면 이 절의 다이어그램을 참조하십시오. 다음 다이어그램에서 DE2-24 Disk Shelf에는 3개의 I/O 모듈 포트가 있지만 DE3-24 Disk Shelf에는 4개의 포트가 있습니다. Disk Shelf 혼용 지침은 캐비닛 및 케이블 연결 지침을 참조하십시오.


주 -  DE3-24 Disk Shelf를 추가할 때는 SAS-3 케이블 연결이 사용되지만 SAS-2 레거시 케이블 연결 방법이 유지됩니다. SAS-2 HBA를 SAS-3 HBA로 교체해도 케이블 상호 연결에는 영향을 주지 않습니다.

체인 끝의 DE2-24 Disk Shelf에 DE3-24 추가

이 예에서는 DE3-24(오른쪽 체인, 첫번째 Disk Shelf)가 단일 DE2-24 Disk Shelf 체인에 추가됩니다. 왼쪽 체인은 변경되지 않습니다.

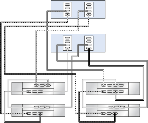
그림 488  클러스터형 ZS4-4 컨트롤러의 HBA 2개가 DE3-24(오른쪽 체인, 첫번째 Disk Shelf) 1개와 DE2-24 3개에 2줄 체인으로 연결됨

image:클러스터형 ZS4-4 컨트롤러의 HBA 2개가 DE3-24(오른쪽 체인, 첫번째 Disk Shelf) 1개와 DE2-24 3개에 2줄 체인으로 연결됨

체인 중간의 DE2-24 Disk Shelf에(서) DE3-24 추가/교체

이 예에서는 DE3-24(아래쪽 체인, 두번째 Disk Shelf)가 중간의 DE2-24 Disk Shelf 체인에(서) 추가/교체됩니다. 위쪽의 나머지 2줄 체인은 변경되지 않습니다.

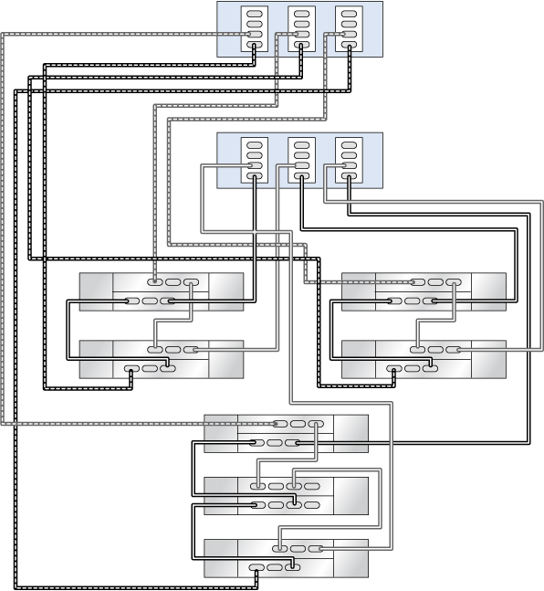
그림 489  클러스터형 ZS4-4 컨트롤러의 HBA 3개가 DE3-24(아래쪽 체인, 두번째 Disk Shelf) 1개와 DE2-24 6개에 3줄 체인으로 연결됨

image:클러스터형 ZS4-4 컨트롤러의 HBA 3개가 DE3-24(아래쪽 체인, 두번째 Disk Shelf) 1개와 DE2-24 6개에 3줄 체인으로 연결됨

배타적 DE3-24 Disk Shelf 체인 추가

이 예에서는 DE3-24(오른쪽 체인, 세번째 및 네번째 Disk Shelf) 2개의 1줄 체인이 추가됩니다. 나머지 3줄 체인은 변경되지 않습니다.

그림 490  클러스터형 ZS4-4 컨트롤러의 HBA 4개가 DE3-24(오른쪽 체인, 세번째 및 네번째 Disk Shelf) 2개와 DE2-24 6개에 4줄 체인으로 연결됨

image:클러스터형 ZS4-4 컨트롤러의 HBA 4개가 DE3-24(오른쪽 체인, 세번째 및 네번째 Disk Shelf) 2개와 DE2-24 6개에 4줄 체인으로 연결됨