| Oracle Advanced Supply Chain Planningインプリメンテーションおよびユーザーズ・ガイド リリース12 E06012-01 | 目次 | 前へ | 次へ |
この章のトピックは、次のとおりです。
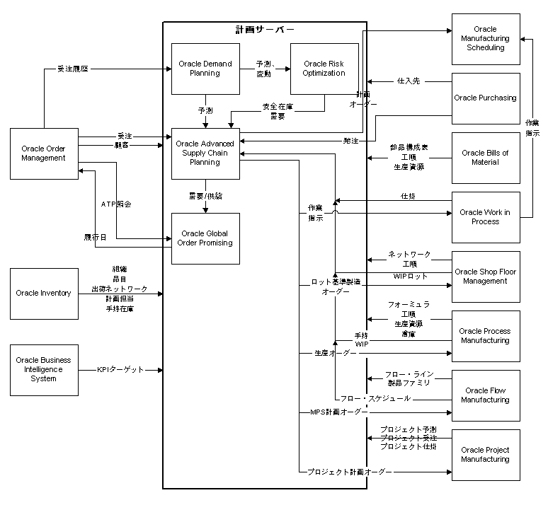
ここでは、Oracle Advanced Planning Suiteのコンポーネント間での情報フローと、複数の主要なビジネス・フローを達成するために各コンポーネントを併用する方法の概要について説明します。
ここで説明するトピックは、次のとおりです。
APSの情報フロー
需要-製造/需要-購買のビジネス・フロー
照会-受注のビジネス・フロー
次の図に、Oracle Advanced Planning Suiteのコンポーネントと他のOracle Applicationsの間の主要な情報フローを示します。
APSの情報フロー

需要-製造/需要-購買のビジネス・フローは、サプライ・チェーンのアクティビティを促す独立需要を設定することから始まります。
Oracle Demand Planningでは、Oracle Order Managementからの販売履歴に基づいて、統計的需要予測が生成されます。計画担当によって調整された後、これらの予測およびOracle Demand Planningによる統計的需要予測の変動がOracle Inventory Optimizationに入力されます。
Oracle Inventory Optimizationでは、この需要予測の変動と仕入先リード・タイムの変動に関するユーザーの指定情報を使用して、最適な期間別安全在庫計画が生成されます。
Oracle Advanced Supply Chain Planning(以下、Oracle ASCP)では、独立需要についてOracle Inventory Optimizationからの安全在庫の計画需要、Oracle Demand Planningからの需要予測およびOracle Order Managementからの受注需要という3つのストリームが考慮されます。Oracle ASCPでの出力は期間別の供給計画(計画オーダー)であり、それをOracle Purchasing、Oracle Work in Process(ショップ型製造の場合)、Oracle Process Manufacturing、Oracle Flow Manufacturing、Oracle Project ManufacturingまたはOracle Shop Floor Management(半導体製造)など、適切な実行システムに直接リリースできます。
Oracle ASCPから出力される需給データは、Oracle Global Order Promisingにより計算されるオーダー納期処理結果の基準として機能します。Oracle Global Order Promisingは、Webストアなどの顧客向け受注獲得アプリケーションやOracle Order Managementからコールできます。
照会-受注のビジネス・フローでは、潜在的な受注の照会がOracle Order ManagementからOracle Global Order Promisingに送信されます。Global Order Promisingからは履行日が戻され、履行日が当初要求日より後の場合は、受注の新規要求日として移入されます。この要求日検証処理は予定作成と呼ばれます。受注予定が正常に作成された後、それを記帳してOracle ASCPで供給計画用に参照可能にすることができます。
ここでは、計画担当が計画サイクル中に実行する計画フロー全体について説明します。このフローは、典型的な計画担当が作業中に使用するOracle ASCPの主機能を示しています。
計画サイクル時に発生する一般的なフローを次の図に示します。
計画担当の日次作業

Oracle ASCPで使用するために、調整済(制約なし)予測を基準需要計画(MDS)にロードします。
注意: 予測は、Oracle Master Scheduling/MRPとOracle Supply Chain Planning、またはOracle Demand Planningを使用して生成できます。Oracle Demand Planningを使用して予測を生成する場合、MDSをロードしたり、収集を実行する必要はありません。予測は、APS Planner Server上のOracle ASCPで直接使用できます。
「MDS」->「名称」を選択して、新規MDSの名前を作成するか、または既存のMDSを使用します。
「MDS」->「ソース・リスト」を選択して、個々の予測とMDSを関連付けます。
顧客、販売地域などに関する個々の予測は、単一のMDSにロードして、指定されたすべての予測が一度に計画されるようにできます。
「MDS」->「ロード/コピー/マージ」を選択して、新規または更新済MDSを別のMDSにロードしてマージします。
Oracle Master Scheduling/MRPおよびOracle Supply Chain Planningの基本予測とMDS機能を使用する場合は、『Oracle Master Scheduling/MRPおよびOracle Supply Chain Planningユーザーズ・ガイド』の「予測の概要」を参照してください。Oracle Demand Planningを使用する場合は、『Oracle Demand Planningユーザース・ガイド』を参照してください。
収集を実行して、ソース・インスタンスから計画サーバーに計画データを取り込みます。これにより、Oracle ASCPからデータへアクセス可能になります。詳細は、「収集の実行」を参照してください。
MDSを定義した後は、生産、製造または物流計画/スケジュールを作成できます。
「サプライ・チェーン計画」->「名称」を選択し、新規計画/スケジュールを作成するか、既存の計画/スケジュールを変更します。
「計画オプション」を選択して計画オプションを指定します。
作業内容を保存します。
詳細は、「計画の定義」を参照してください。
MRP、MPSまたはMPP計画/スケジュールを作成して保存した後に、[生産計画、製造計画または物流計画]>「名称」から計画を選択し、「計画の起動」を選択します。
「その他」->「要求」を選択すると、計画の実行ステータスを表示できます。
新規計画の実行を完了した後は、その新規計画をキー・パフォーマンス・インディケータ(KPI)と比較して実績を評価できます。KPIへの影響に基づいた計画の評価は、計画による影響を調べるための効率的な方法です。この方法では、期日どおりに満たされた需要、満たされない需要を調べるために、オフライン分析や計画詳細の検索を行う必要はありません。
キー・インディケータでは、実際の計画値がターゲット・リポジトリに定義されているターゲット値と比較されます。KPIを基準にして計画を評価すると、定義した組織目標に最も適した計画を選択できます。
右マウス・メニューを使用すると、長期のトレンドへドリル・ダウンできます。
「プランナ・ワークベンチ」にナビゲートします。
左ペインで「組織」タブまたは「品目」タブを選択します。
右ペインで「キー・パフォーマンス・インディケータ」タブを選択します。
左パネルで、評価する計画または比較する計画を選択します。
右パネルのグラフで結果を確認します。
詳細は、「プランナ・ワークベンチ」および「キー・パフォーマンス・インディケータ」を参照してください。
KPIに基づいて計画を評価した後は、生成された例外の番号とタイプに基づいて計画を評価できます。計画によって生成された例外をレビューすると、KPI比較の場合よりも詳細に計画の実績を評価できます。「プランナ・ワークベンチ」に表示される例外タイプごとに、例外をクリックしてドリル・ダウンすると、その例外の特質に関する詳細情報を取得できます。
Oracle ASCPでは、すべての計画について一定範囲の例外メッセージが提供されます。注意を要する品目と受注のみを表示して計画を簡単に管理できます。また、購買担当別や明細別のような他の基準を使用して、検索対象をさらに限定できます。シミュレーションを再計画するたびに例外メッセージを保存すると、同じ計画の様々なバージョンを比較したり、1つの計画の長所と短所を分析できます。
計画によって生成される例外の評価と解釈のガイドラインについては、「例外メッセージ」を参照してください。
「プランナ・ワークベンチ」にナビゲートします。
ナビゲータで「組織」または「品目」タブを選択し、例外を表示する計画を選択します。
右クリックして「例外」->「詳細」を選択します。例外は、ウィンドウ上部に例外タイプ別に表示されます。例外件数は、ウィンドウ最下部にグラフィック表示できます。
例外をダブルクリックして詳細へドリル・ダウンします。
詳細は、「例外メッセージ」を参照してください。
Oracle ASCPの強力なコラボレーション機能により、顧客および仕入先とのやりとりを自動化し、合理化できます。
例外処理を自動化し、より迅速かつ効率的に訂正処理を実行し、処理に伴う間接費を削減できます。
例外通知の経路、通知の受信者が使用可能な処理および承認ステップなど、ワークフロー通知がたどるプロセスを定義できます。メッセージは、アプリケーションで(関連項目 例外のレビュー)またはEメールを介して表示できます。一定の応答処理が必要な場合があります。
次の表に、各種の例外を生成する標準ワークフロー・プロセスを示します。
通知の作成と新規ワークフローの作成の詳細は、『Oracle Workflowガイド』を参照してください。
強力なグラフィカル・ペギング機能を使用して、部品構成表の任意のレベルで供給または需要の順序変更による影響を簡単に分析できます。フル・ペギングでは、品目の供給情報が対応する最終需要詳細までトレースされます。また、受注の需要を、対応するすべての供給にリンクすることもできます。購買品目または半組立品の不足は、その影響を受ける受注までトレースできます。この情報を使用して、重要な資材および生産能力の生産資源の優先度を設定します。
グラフィカル・ペギング機能を使用するには、「計画オプション」ウィンドウで「ペギング」を選択する必要があります。また、Oracle Inventoryの「ペギング」品目属性も、ペギング・オプションの1つに設定する必要があります。
ペギングの詳細は、「「需要/供給」ウィンドウ」を参照してください。また、『Oracle Inventoryユーザーズ・ガイド』の「品目属性管理」も参照してください。
計画結果に問題がある場合は、最適化の目的を変更して、KPIに対する計画の実績を改善するか、例外の件数を削減できます。
使用可能なサプライ・チェーン最適化の目的は、次のとおりです。
在庫回転率の最大化
計画収益の最大化
納期搬送の最大化
「サプライ・チェーン計画」->「オプション」->「最適化」タブを選択し、「最適化」チェック・ボックスを選択して、最適化の目的または関連ペナルティ原価を調整します。
目的を変更した後は、別個の新規計画を実行できます。あるいは、ネット・チェンジ・モードでシミュレーションを実行して、ベースライン計画とシミュレートされた計画の差異のみを表示できます。
追加情報については、「最適化の概要」および「シミュレーションの概要」を参照してください。
また、制約なしの計画を実行し、使用可能な資材および生産資源に基づいて計画を評価したり、実現可能性をチェックすることもできます。
「サプライ・チェーン計画」->「オプション」を選択します。
「制約」タブを選択し、「制約付き計画」および「需要納期の施行」を選択します。
資材および生産資源制約の設定には「No」を選択します。
「最適化」タブで、「最適化」の選択を解除します。
変更を加えた後は、別個の新規計画を実行できます。あるいは、ネット・チェンジ・モードでシミュレーションを実行して、ベースライン計画とシミュレートされた計画の差異のみを表示できます。
追加情報については、「最適化の概要」および「シミュレーションの概要」を参照してください。
最適化の目的の変更に基づいて追加の計画またはシミュレーションを実行した後も、計画の結果に問題が残っている場合があります。
この時点で、需要および供給レベルの変更による影響を検討します。在庫、発注計画および製品需要の変更による影響をすばやく簡単にシミュレーションできます。需要の変更は、MDS内で直接実行する方法と、MDSに関連した個々の予測に対して行う方法があります。供給の変更は、資材の可用性(仕入先生産能力など)または生産資源の可用性の変更で構成されます。生産能力または資材を変更し、その変更が計画に与える影響を確認できます。
「プランナ・ワークベンチ」にナビゲートします。
「ツール」->「需要/供給」を選択します。
値リストから、変更する需要/供給を選択します。
必要な変更を加えてウィンドウをクローズします。
使用可能な供給を増やすには、生産資源の可用性を変更する必要があります。
生産資源を変更するには、次のように様々な方法があります。
生産資源を追加します(シフトの追加など)。
特定品目の生産に使用可能な代替生産資源を定義します。
品目の生産資源消費を変更します(特定期間中に生産できる品目の量の変更など)。
「プランナ・ワークベンチ」にナビゲートします。
「ツール」->「生産資源」を選択します。
必要な変更を加えてウィンドウをクローズします。
この時点で、仕入先生産能力、仕入先オーダー・モディファイア、仕入先許容範囲フェンスなどの供給パラメータを変更できます。詳細は、「サプライ・チェーン・モデル作成」を参照してください。
最適化の目的、需要、供給または生産資源を変更した後に、シミュレートした計画をネット・チェンジ・モードで実行し、ベースライン計画と比較して、その差異のみを表示できます。
ネット・チェンジは、次の変更に使用します。
品目の供給、需要および生産資源の可用性
目的
需要優先度ルール
ソーシング
部品構成表/工順の有効性
詳細は、「ネット・チェンジ再計画によるシミュレーションの実行」を参照してください。
サプライ・チェーン計画にロードされる需要予測またはMDSは、通常、需要に対する会社の生産能力に関係なく顧客の総需要を予測したものです。
入力として制約なしの需要予測/MDSを使用してサプライ・チェーン計画を実行すると、資材および生産資源の可用性による制約を受けていた計画は、生産能力による制約を受ける需要計画となります。
制約なしの需要計画と制約付きの需要計画の差異を確認するには、計画オプションで「資材制約」と「生産資源制約」を「Yes」に設定し、サプライ・チェーン計画を実行して、発生した例外を調べるのが最も簡単です。
例外メッセージ「顧客需要の遅延予測」には、資材および生産資源の制限により満たすことができない需要がすべて表示されます。
また、制約なしの需要計画を制約付き計画と比較するには、計画オプションで「資材制約」と「生産資源制約」を「No」に設定してサプライ・チェーン計画を実行してから、この2つの制約を「Yes」に設定して第2の計画を実行する方法もあります。KPI比較または例外比較を介して、この2つの計画を並べて比較できます。
「プランナ・ワークベンチ」から「ツール」->「需要/供給」を選択します。
「オーダー」タブで、組織と品目を選択し、その組織または品目のオーダーをリリースまたは確定するように選択します。
組織または品目のリリース・プロパティを再定義することもできます。