Go to main content
Oracle® ZFS Storage Appliance 布线指南

退出打印视图

更新时间: 2017 年 3 月
 
 

布线表和图

下表说明了基本机柜中两个控制器和八个磁盘机框的位置及端口连接(使用 3 米 SAS 电缆)。第一个磁盘机框位于 RU01 中,每个磁盘机框具有两个 I/O 模块 (I/O Module, IOM)。

表 9  基本机柜:控制器到磁盘机框(3 米电缆)
RU
控制器
HBA 端口
RU
磁盘机框
磁盘机框端口
20
1
插槽 2,端口 0
1
1
IOM 1,端口 2
17
0
插槽 6,端口 0
1
1
IOM 0 端口 2
20
1
插槽 2,端口 1
23
3
IOM 1,端口 2
17
0
插槽 6,端口 1
23
3
IOM 0 端口 2
17
0
插槽 2,端口 0
1、5、13
1、2、6
IOM 1,端口 0
20
1
插槽 6,端口 0
1、5、13
1、2、6
IOM 0,端口 0
17
0
插槽 2,端口 1
27、35
4、8
IOM 1,端口 0
20
1
插槽 6,端口 1
27、35
4、8
IOM 0,端口 0

下表说明了扩展机柜中八个磁盘机框的位置及端口连接(使用 6 米 SAS 电缆)。第一个磁盘机框位于 RU01 中,每个磁盘机框具有两个 I/O 模块 (I/O Module, IOM)。扩展机柜支持磁盘机框 9 到 16。

表 10  扩展机柜:控制器到磁盘机框(6 米电缆)
RU
控制器
HBA 端口
RU
磁盘机框
磁盘机框端口
20
1
插槽 2,端口 2
1
9
IOM 1,端口 2
17
0
插槽 6,端口 2
1
9
IOM 0,端口 2
20
1
插槽 2,端口 3
21
11
IOM 1,端口 2
17
0
插槽 6,端口 3
21
11
IOM 0,端口 2
17
0
插槽 2,端口 2
5、9、13
10、13、14
IOM 1,端口 0
20
1
插槽 6,端口 2
5、9、13
10、13、14
IOM 0,端口 0
17
0
插槽 2,端口 3
25、33
12、16
IOM 1,端口 0
20
1
插槽 6,端口 3
25、33
12、16
IOM 0,端口 0

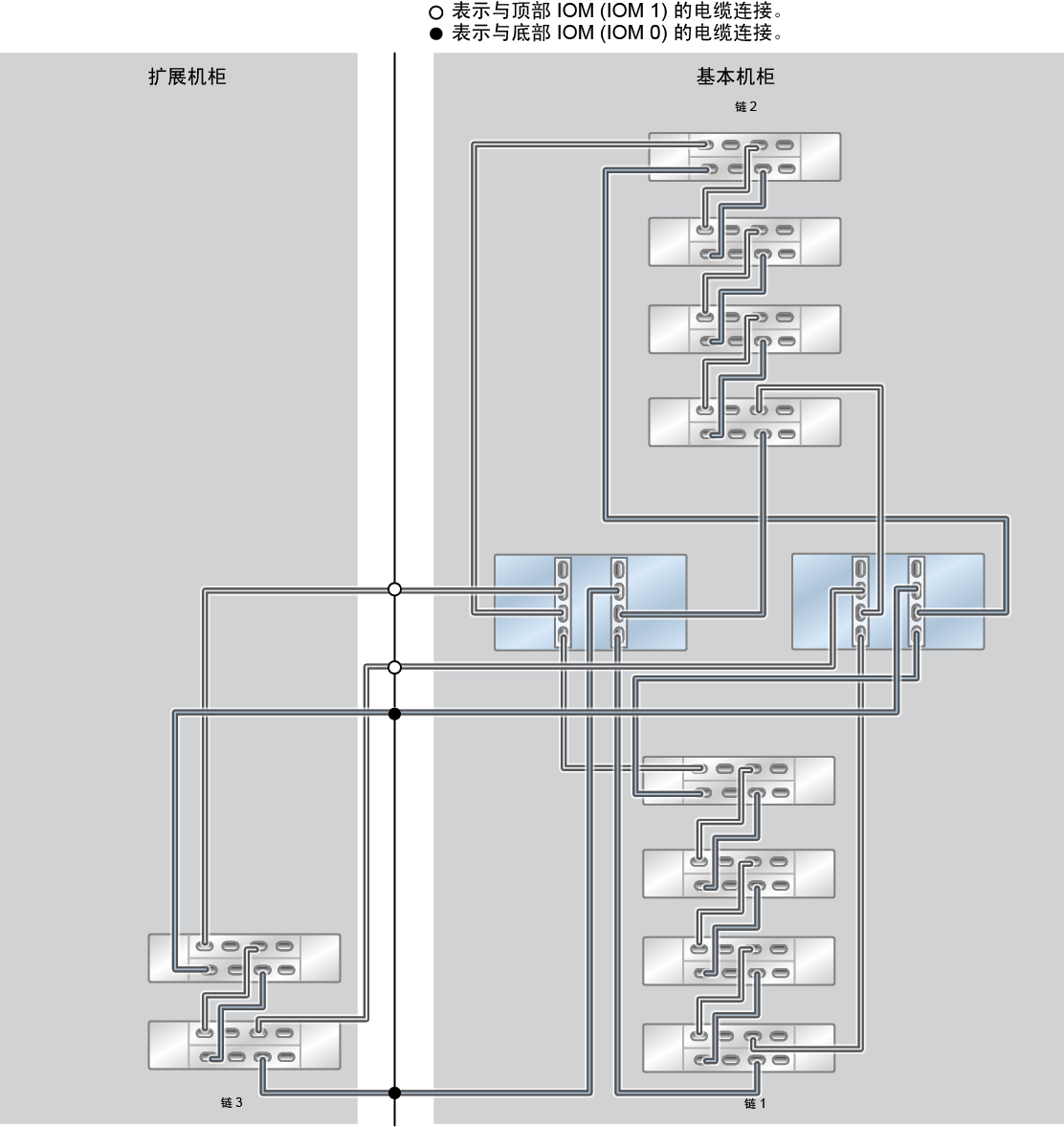
下面的图说明了如何为预先装配好的系统布线,以及将来如何扩展系统。

图 612  ZFS Storage Appliance Racked System ZS5-2:10 个 DE3-24C 磁盘机框

image:ZFS Storage Appliance Racked System ZS5-2:10 个 DE3-24C 磁盘机框

图 613  ZFS Storage Appliance Racked System ZS5-2:12 个 DE3-24C 磁盘机框

image:ZFS Storage Appliance Racked System ZS5-2:12 个 DE3-24C 磁盘机框

图 614  ZFS Storage Appliance Racked System ZS5-2:13 个 DE3-24C 磁盘机框(半机架)

image:ZFS Storage Appliance Racked System ZS5-2:13 个 DE3-24C 磁盘机框(半机架)

图 615  ZFS Storage Appliance Racked System ZS5-2:14 个 DE3-24C 磁盘机框

image:ZFS Storage Appliance Racked System ZS5-2:14 个 DE3-24C 磁盘机框

图 616  ZFS Storage Appliance Racked System ZS5-2:16 个 DE3-24C 磁盘机框

image:ZFS Storage Appliance Racked System ZS5-2:16 个 DE3-24C 磁盘机框