Go to main content
Oracle® ZFS Storage Appliance 配線ガイド

印刷ビューの終了

更新: 2017 年 3 月
 
 

配線の表および図

次の表では、3 メートル SAS ケーブルを使用する場合の、基本キャビネット内の 2 台のコントローラおよび 8 台のディスクシェルフの位置およびポート接続について説明します。最初のディスクシェルフは RU01 内にあり、各ディスクシェルフには 2 基の I/O モジュール (IOM) があります。

表 5  基本キャビネット: コントローラからディスクシェルフ (3 メートルケーブル)
RU
コントローラ
HBA ポート
RU
ディスクシェルフ
ディスクシェルフポート
20
1
スロット 3、ポート 0
1
1
IOM 1、ポート 2
17
0
スロット 6、ポート 0
1
1
IOM 0、ポート 2
20
1
スロット 7、ポート 0
23
3
IOM 1、ポート 2
17
0
スロット 9、ポート 0
23
3
IOM 0、ポート 2
17
0
スロット 3、ポート 0
5、13
2、6
IOM 1、ポート 0
20
1
スロット 6、ポート 0
5、13
2、6
IOM 0、ポート 0
17
0
スロット 7、ポート 0
27、35
4、8
IOM 1、ポート 0
20
1
スロット 9、ポート 0
27、35
4、8
IOM 0、ポート 0

次の表では、6 メートル SAS ケーブルを使用する場合の、拡張キャビネット 1 内の 10 台のディスクシェルフの位置およびポート接続について説明します。最初のディスクシェルフは RU01 内にあり、各ディスクシェルフには 2 基の I/O モジュール (IOM) があります。拡張キャビネット 1 は、ディスクシェルフ 9 から 18 をサポートしています。

表 6  拡張キャビネット 1: コントローラからディスクシェルフ (6 メートルケーブル)
RU
コントローラ
HBA ポート
RU
ディスクシェルフ
ディスクシェルフポート
20
1
スロット 3、ポート 1
1
9
IOM 1、ポート 2
17
0
スロット 6、ポート 1
1
9
IOM 0、ポート 2
20
1
スロット 7、ポート 1
21
11
IOM 1、ポート 2
17
0
スロット 9、ポート 1
21
11
IOM 0、ポート 2
17
0
スロット 3、ポート 1
5、9、13、17
10、13、14、17
IOM 1、ポート 0
20
1
スロット 6、ポート 1
5、9、13、17
10、13、14、17
IOM 0、ポート 0
17
0
スロット 7、ポート 1
25、33、37
12、16、18
IOM 1、ポート 0
20
1
スロット 9、ポート 1
25、33、37
12、16、18
IOM 0、ポート 0

次の表では、6 メートル SAS ケーブルを使用する場合の、拡張キャビネット 2 内の 10 台のディスクシェルフの位置およびポート接続について説明します。最初のディスクシェルフは RU01 内にあり、各ディスクシェルフには 2 基の I/O モジュール (IOM) があります。拡張キャビネット 2 は、ディスクシェルフ 19 から 28 をサポートしています。

表 7  拡張キャビネット 2: コントローラからディスクシェルフ (6 メートルケーブル)
RU
コントローラ
HBA ポート
RU
ディスクシェルフ
ディスクシェルフポート
20
1
スロット 3、ポート 2
1
19
IOM 1、ポート 2
17
0
スロット 6、ポート 2
1
19
IOM 0、ポート 2
20
1
スロット 7、ポート 2
21
21
IOM 1、ポート 2
17
0
スロット 9、ポート 2
21
21
IOM 0、ポート 2
17
0
スロット 3、ポート 2
5、9、13、17
20、23、24、27
IOM 1、ポート 0
20
1
スロット 6、ポート 2
5、9、13、17
20、23、24、27
IOM 0、ポート 0
17
0
スロット 7、ポート 2
25、33、37
22、26、28
IOM 1、ポート 0
20
1
スロット 9、ポート 2
25、33、37
22、26、28
IOM 0、ポート 0

次の表では、6 メートル SAS ケーブルを使用する場合の、拡張キャビネット 3 内の 10 台のディスクシェルフの位置およびポート接続について説明します。最初のディスクシェルフは RU01 内にあり、各ディスクシェルフには 2 基の I/O モジュール (IOM) があります。拡張キャビネット 2 は、ディスクシェルフ 29 から 38 をサポートしています。

表 8  拡張キャビネット 3: コントローラからディスクシェルフ (6 メートルケーブル)
RU
コントローラ
HBA ポート
RU
ディスクシェルフ
ディスクシェルフポート
20
1
スロット 3、ポート 3
1
29
IOM 1、ポート 2
17
0
スロット 6、ポート 3
1
29
IOM 0、ポート 2
20
1
スロット 7、ポート 3
21
31
IOM 1、ポート 2
17
0
スロット 9、ポート 3
21
31
IOM 0、ポート 2
17
0
スロット 3、ポート 3
5、9、13、17
30、33、34、37
IOM 1、ポート 0
20
1
スロット 6、ポート 3
5、9、13、17
30、33、34、37
IOM 0、ポート 0
17
0
スロット 7、ポート 3
25、33、37
32、36、38
IOM 1、ポート 0
20
1
スロット 9、ポート 3
25、33、37
32、36、38
IOM 0、ポート 0

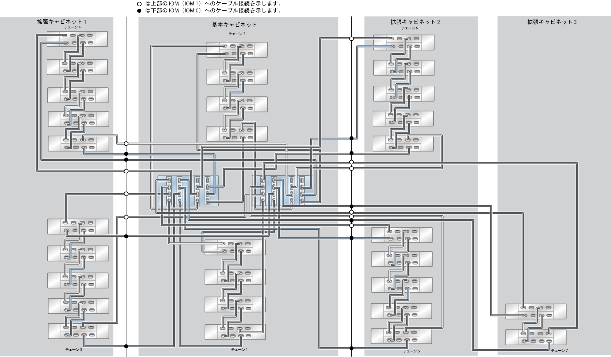
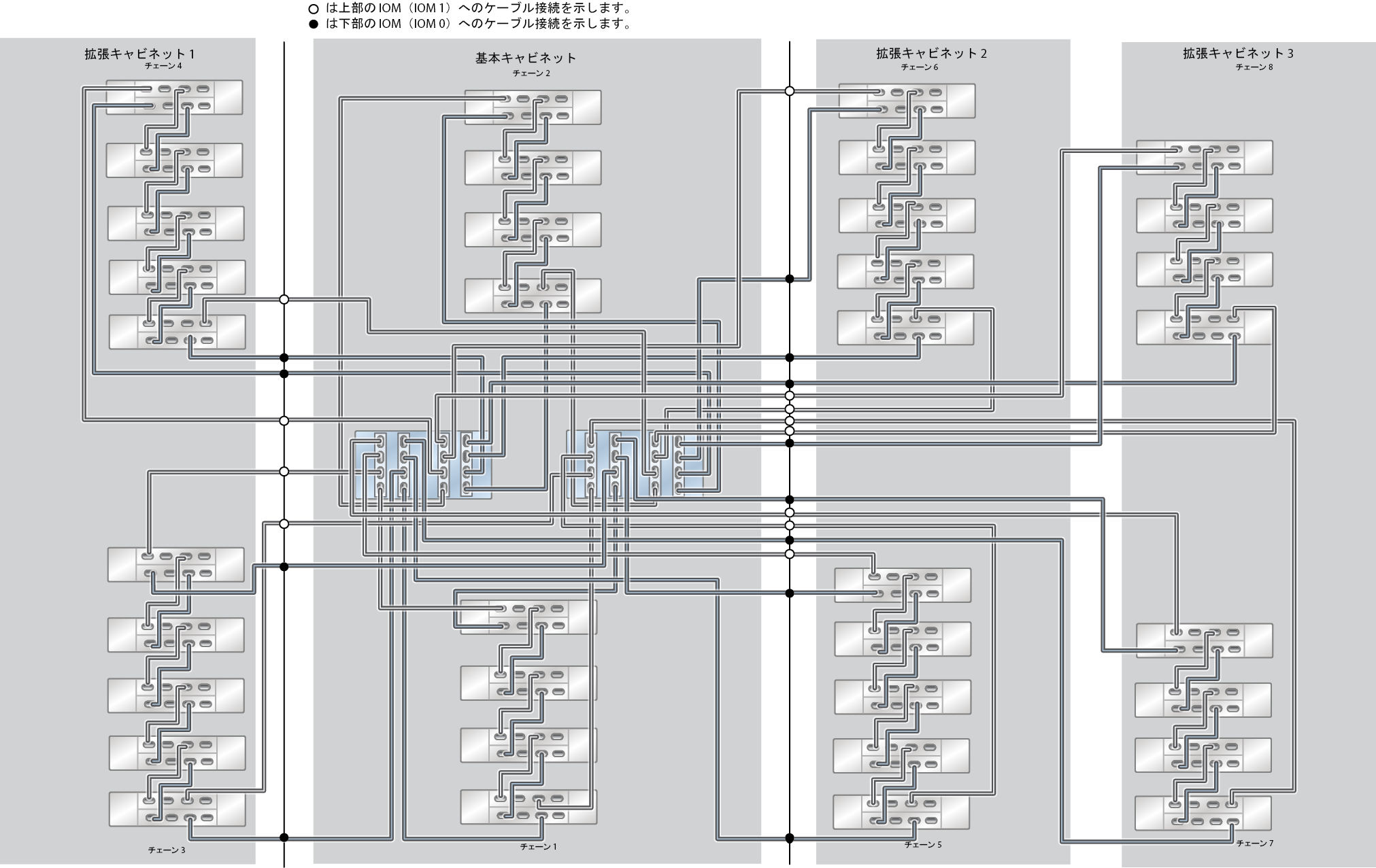
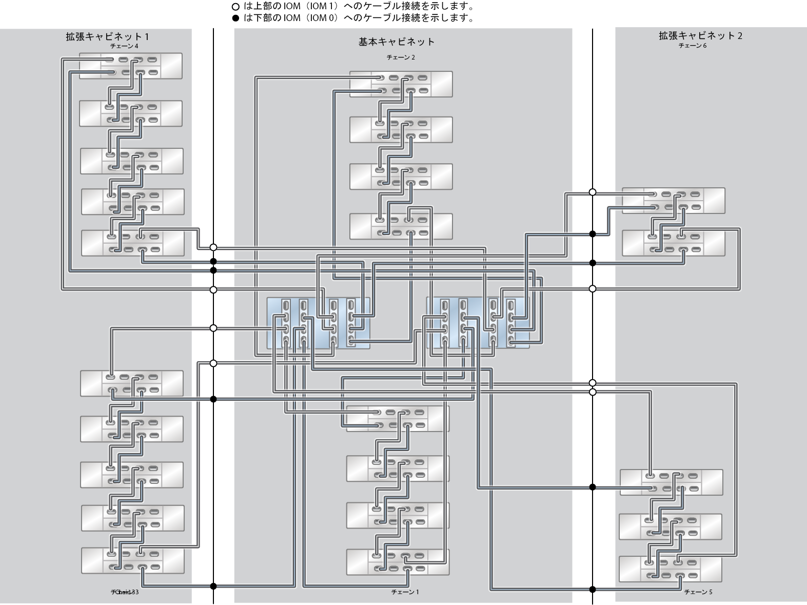
次の図は、事前ラック搭載済みシステムを配線する方法、および将来システムを拡張する方法について説明します。

図 592  ZFS Storage Appliance ラック搭載システム ZS5-4: 10 台の DE3-24C ディスクシェルフ

image:ZFS Storage Appliance ラック搭載システム ZS5-4: 10 台の DE3-24C ディスクシェルフ

図 593  ZFS Storage Appliance ラック搭載システム ZS5-4: 12 台の DE3-24C ディスクシェルフ

image:ZFS Storage Appliance ラック搭載システム ZS5-4: 12 台の DE3-24C ディスクシェルフ

図 594  ZFS Storage Appliance ラック搭載システム ZS5-4: 13 台の DE3-24C ディスクシェルフ (ハーフラック)

image:ZFS Storage Appliance ラック搭載システム ZS5-4: 13 台の DE3-24C ディスクシェルフ (ハーフラック)

図 595  ZFS Storage Appliance ラック搭載システム ZS5-4: 14 台の DE3-24C ディスクシェルフ

image:ZFS Storage Appliance ラック搭載システム ZS5-4: 14 台の DE3-24C ディスクシェルフ

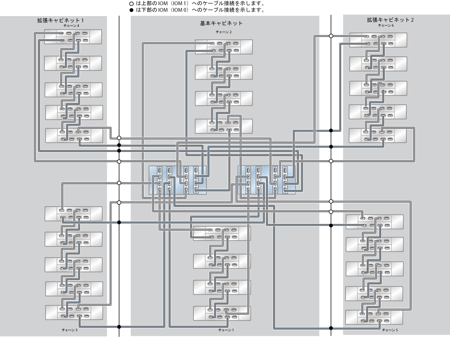
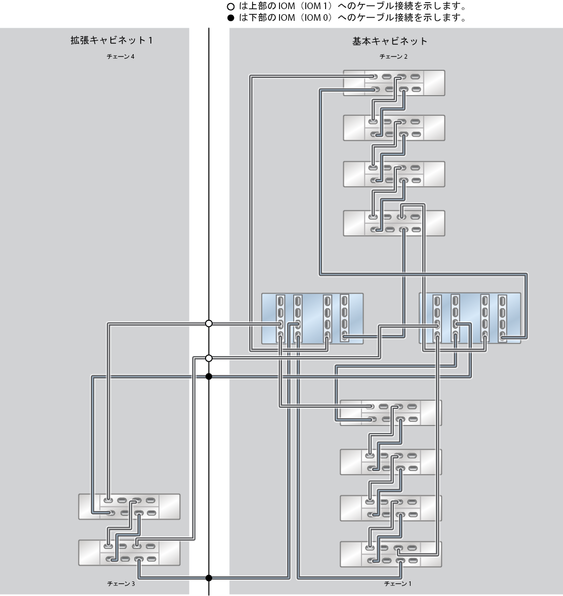
図 596  ZFS Storage Appliance ラック搭載システム ZS5-4: 16 台の DE3-24C ディスクシェルフ

image:ZFS Storage Appliance ラック搭載システム ZS5-4: 16 台の DE3-24C ディスクシェルフ

図 597  ZFS Storage Appliance ラック搭載システム ZS5-4: 18 台の DE3-24C ディスクシェルフ

image:ZFS Storage Appliance ラック搭載システム ZS5-4: 18 台の DE3-24C ディスクシェルフ

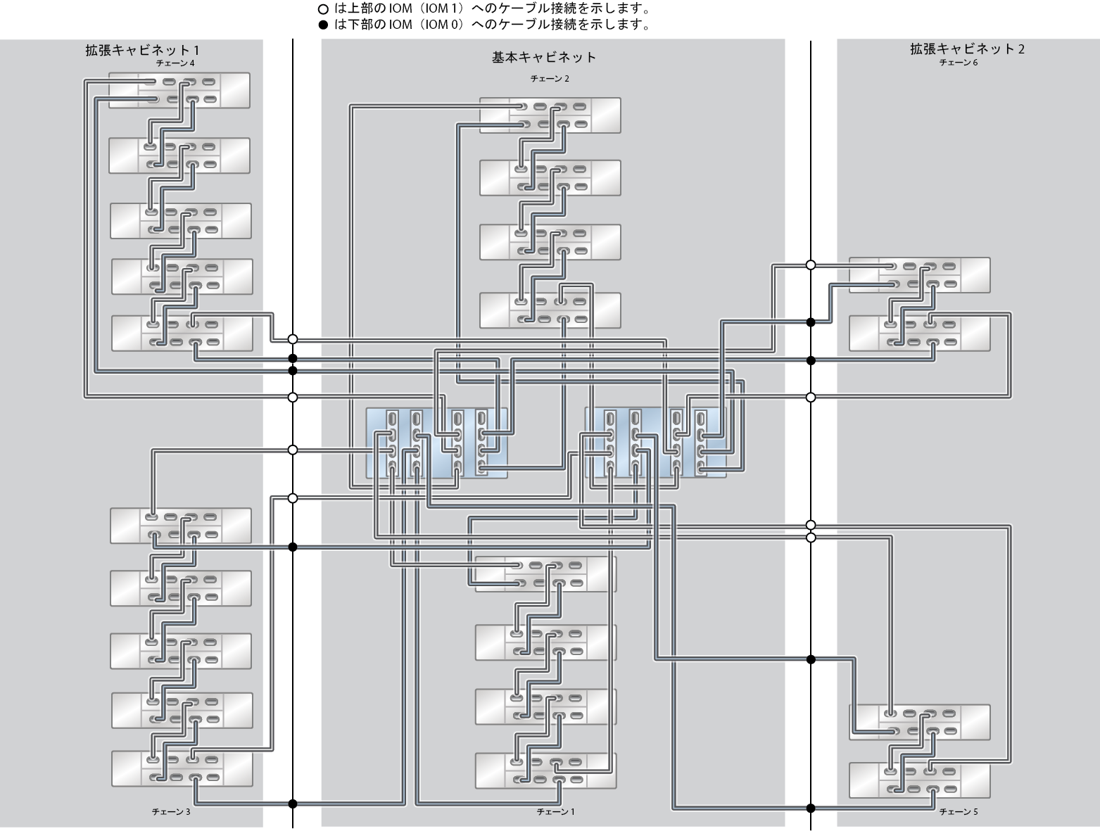
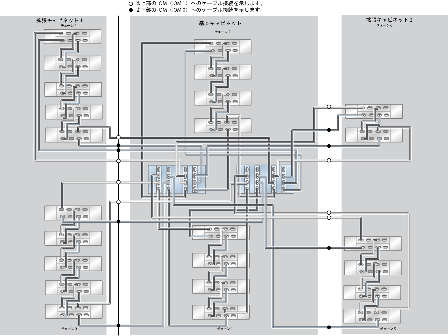
図 598  ZFS Storage Appliance ラック搭載システム ZS5-4: 20 台の DE3-24C ディスクシェルフ

image:ZFS Storage Appliance ラック搭載システム ZS5-4: 20 台の DE3-24C ディスクシェルフ

図 599  ZFS Storage Appliance ラック搭載システム ZS5-4: 22 台の DE3-24C ディスクシェルフ

image:ZFS Storage Appliance ラック搭載システム ZS5-4: 22 台の DE3-24C ディスクシェルフ

図 600  ZFS Storage Appliance ラック搭載システム ZS5-4: 23 台の DE3-24C ディスクシェルフ (ハーフラック)

image:ZFS Storage Appliance ラック搭載システム ZS5-4: 23 台の DE3-24C ディスクシェルフ (ハーフラック)

図 601  ZFS Storage Appliance ラック搭載システム ZS5-4: 24 台の DE3-24C ディスクシェルフ

image:ZFS Storage Appliance ラック搭載システム ZS5-4: 24 台の DE3-24C ディスクシェルフ

図 602  ZFS Storage Appliance ラック搭載システム ZS5-4: 26 台の DE3-24C ディスクシェルフ

image:ZFS Storage Appliance ラック搭載システム ZS5-4: 26 台の DE3-24C ディスクシェルフ

図 603  ZFS Storage Appliance ラック搭載システム ZS5-4: 28 台の DE3-24C ディスクシェルフ

image:ZFS Storage Appliance ラック搭載システム ZS5-4: 28 台の DE3-24C ディスクシェルフ

図 604  ZFS Storage Appliance ラック搭載システム ZS5-4: 30 台の DE3-24C ディスクシェルフ

image:ZFS Storage Appliance ラック搭載システム ZS5-4: 30 台の DE3-24C ディスクシェルフ

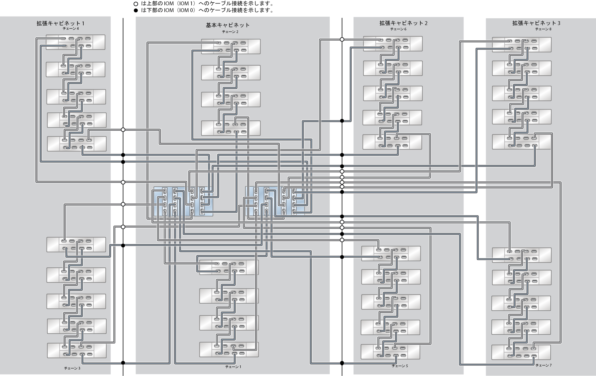
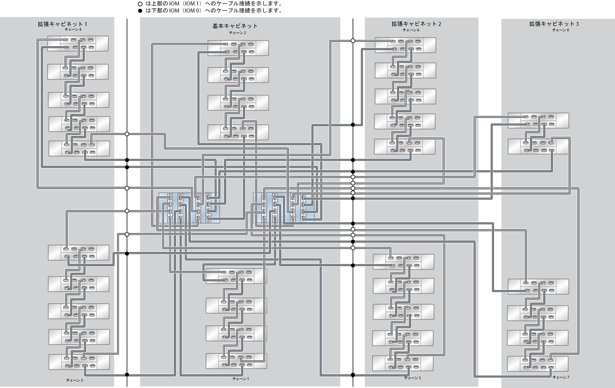
図 605  ZFS Storage Appliance ラック搭載システム ZS5-4: 32 台の DE3-24C ディスクシェルフ

image:ZFS Storage Appliance ラック搭載システム ZS5-4: 32 台の DE3-24C ディスクシェルフ

図 606  ZFS Storage Appliance ラック搭載システム ZS5-4: 33 台の DE3-24C ディスクシェルフ (ハーフラック)

image:ZFS Storage Appliance ラック搭載システム ZS5-4: 33 台の DE3-24C ディスクシェルフ (ハーフラック)

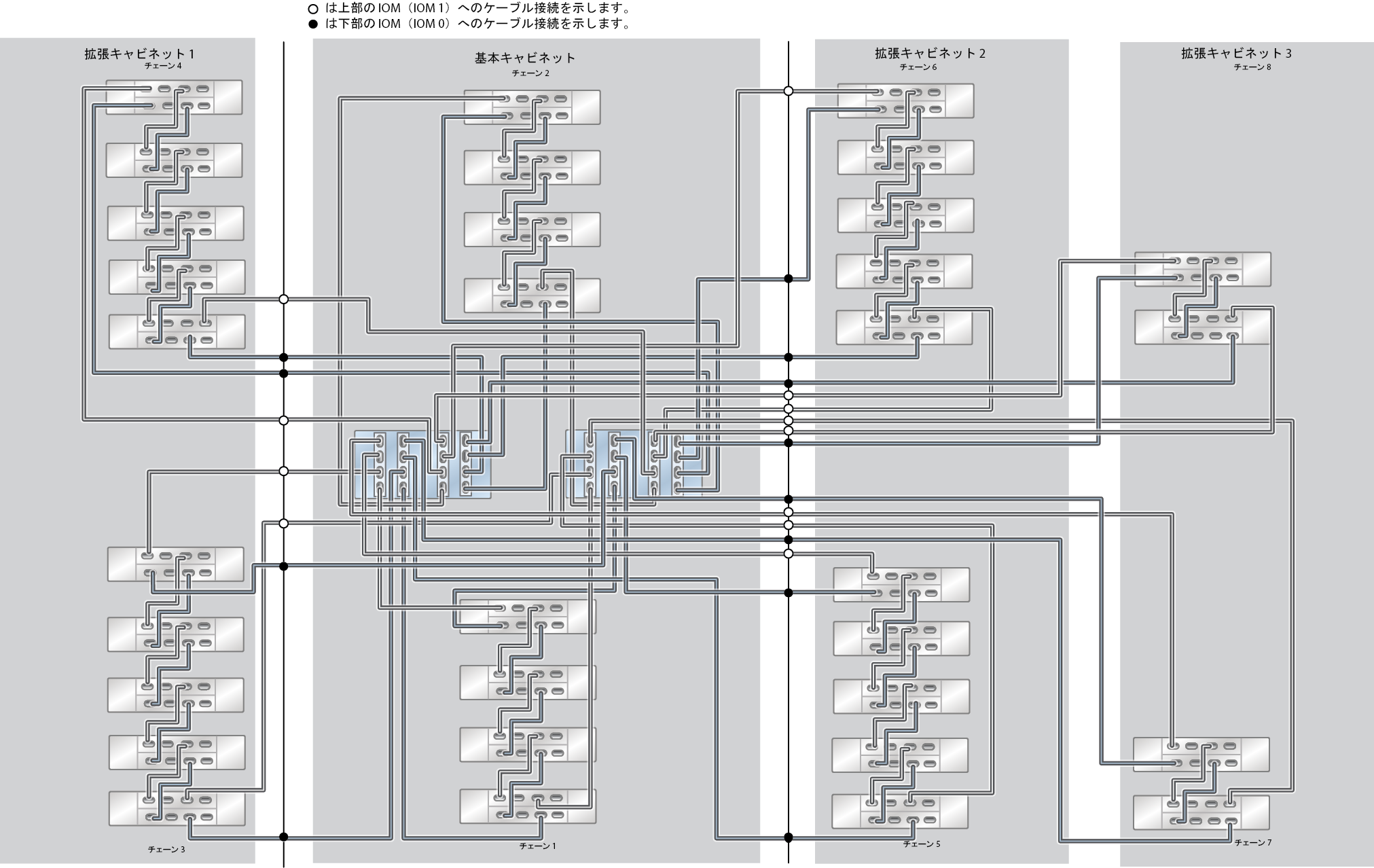
図 607  ZFS Storage Appliance ラック搭載システム ZS5-4: 34 台の DE3-24C ディスクシェルフ

image:ZFS Storage Appliance ラック搭載システム ZS5-4: 34 台の DE3-24C ディスクシェルフ

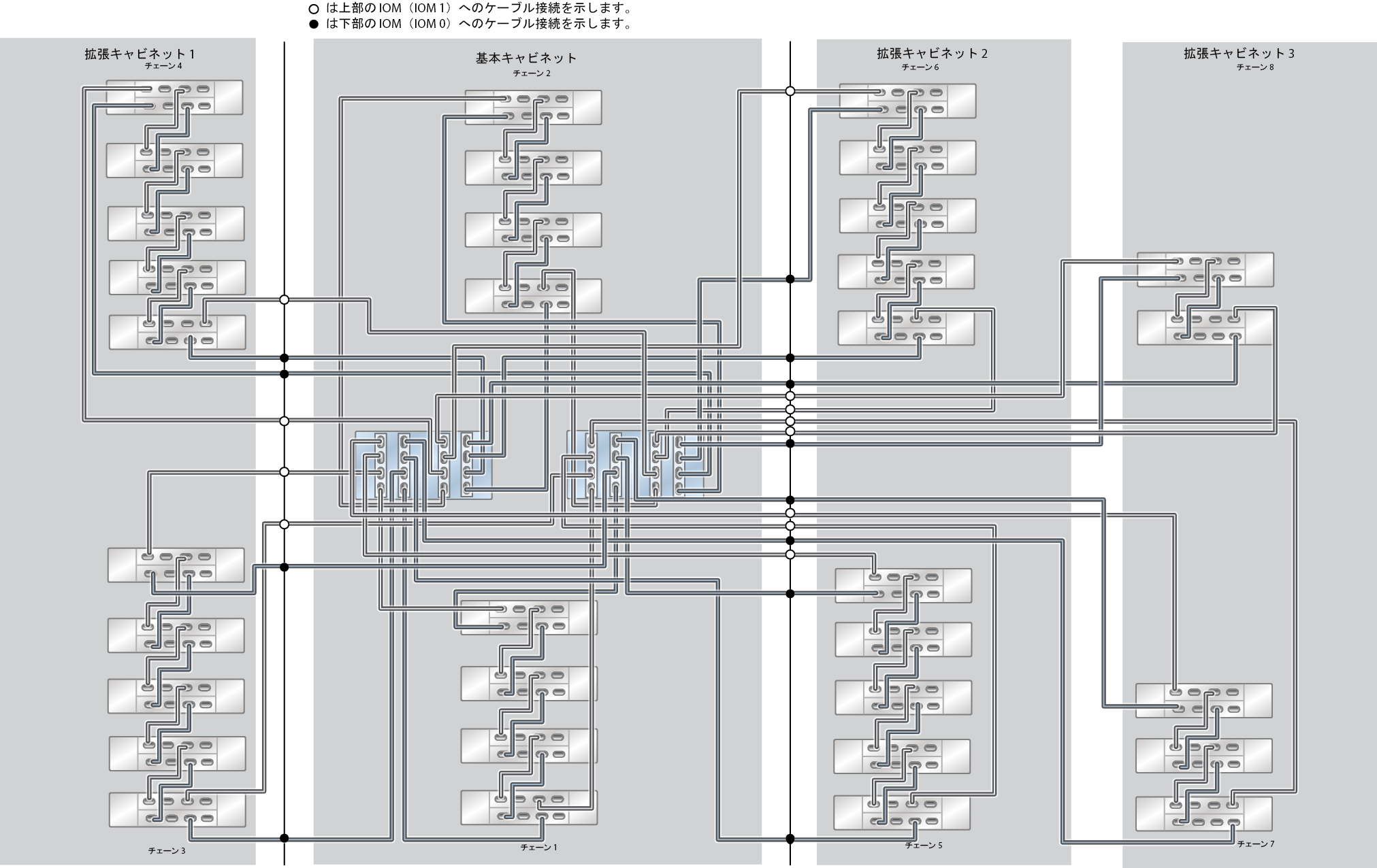
図 608  ZFS Storage Appliance ラック搭載システム ZS5-4: 36 台の DE3-24C ディスクシェルフ

image:ZFS Storage Appliance ラック搭載システム ZS5-4: 36 台の DE3-24C ディスクシェルフ

図 609  ZFS Storage Appliance ラック搭載システム ZS5-4: 38 台の DE3-24C ディスクシェルフ

image:ZFS Storage Appliance ラック搭載システム ZS5-4: 38 台の DE3-24C ディスクシェルフ