Go to main content
Guide de câblage des systèmes Oracle® ZFS Storage Appliance

Quitter la vue de l'impression

Mis à jour : Mars 2017
 
 

Diagrammes et tableaux de câblage

Le tableau suivant décrit les emplacements et les connexions de port pour deux contrôleurs et huit étagères de disques dans l'armoire de base avec des câbles SAS de 3 mètres. La première étagère de disques se situe dans l'unité RU01 et chaque étagère de disques contient deux modules d'E/S (IOM).

Table 5  Armoire de base : contrôleur avec une étagère de disques (câbles de 3 mètres)
DEPUIS
VERS
RU
CONTROLEUR
PORT HBA
RU
ETAGERE DE DISQUES
PORT DE L'ETAGERE DE DISQUES
20
1
Emplacement 3, Port 0
1
1
IOM 1, Port 2
17
0
Emplacement 6, Port 0
1
1
IOM 0, Port 2
20
1
Emplacement 7, Port 0
23
3
IOM 1, Port 2
17
0
Emplacement 9, Port 0
23
3
IOM 0, Port 2
17
0
Emplacement 3, Port 0
5, 13
2, 6
IOM 1, Port 0
20
1
Emplacement 6, Port 0
5, 13
2, 6
IOM 0, Port 0
17
0
Emplacement 7, Port 0
27, 35
4, 8
IOM 1, Port 0
20
1
Emplacement 9, Port 0
27, 35
4, 8
IOM 0, Port 0

Le tableau suivant décrit les emplacements et les connexions de port pour dix étagères de disques dans l'armoire d'extension 1 avec des câbles SAS de 6 mètres. La première étagère de disques se situe dans l'unité RU01 et chaque étagère de disques contient deux modules d'E/S (IOM). L'armoire d'extension 1 prend en charge les étagères de disques 9 à 18.

Table 6  Armoire d'extension 1 : contrôleur avec une étagère de disques (câbles de 6 mètres)
DEPUIS
VERS
RU
CONTROLEUR
PORT HBA
RU
ETAGERE DE DISQUES
PORT DE L'ETAGERE DE DISQUES
20
1
Emplacement 3, Port 1
1
9
IOM 1, Port 2
17
0
Emplacement 6, Port 1
1
9
IOM 0, Port 2
20
1
Emplacement 7, Port 1
21
11
IOM 1, Port 2
17
0
Emplacement 9, Port 1
21
11
IOM 0, Port 2
17
0
Emplacement 3, Port 1
5, 9, 13, 17
10, 13, 14, 17
IOM 1, Port 0
20
1
Emplacement 6, Port 1
5, 9, 13, 17
10, 13, 14, 17
IOM 0, Port 0
17
0
Emplacement 7, Port 1
25, 33, 37
12, 16, 18
IOM 1, Port 0
20
1
Emplacement 9, Port 1
25, 33, 37
12, 16, 18
IOM 0, Port 0

Le tableau suivant décrit les emplacements et les connexions de port pour dix étagères de disques dans l'armoire d'extension 2 avec des câbles SAS de 6 mètres. La première étagère de disques se situe dans l'unité RU01 et chaque étagère de disques contient deux modules d'E/S (IOM). L'armoire d'extension 2 prend en charge les étagères de disques 19 à 28.

Table 7  Armoire d'extension 2 : contrôleur avec une étagère de disques (câbles de 6 mètres)
DEPUIS
VERS
RU
CONTROLEUR
PORT HBA
RU
ETAGERE DE DISQUES
PORT DE L'ETAGERE DE DISQUES
20
1
Emplacement 3, Port 2
1
19
IOM 1, Port 2
17
0
Emplacement 6, Port 2
1
19
IOM 0, Port 2
20
1
Emplacement 7, Port 2
21
21
IOM 1, Port 2
17
0
Emplacement 9, Port 2
21
21
IOM 0, Port 2
17
0
Emplacement 3, Port 2
5, 9, 13, 17
20, 23, 24, 27
IOM 1, Port 0
20
1
Emplacement 6, Port 2
5, 9, 13, 17
20, 23, 24, 27
IOM 0, Port 0
17
0
Emplacement 7, Port 2
25, 33, 37
22, 26, 28
IOM 1, Port 0
20
1
Emplacement 9, Port 2
25, 33, 37
22, 26, 28
IOM 0, Port 0

Le tableau suivant décrit les emplacements et les connexions de port pour dix étagères de disques dans l'armoire d'extension 3 avec des câbles SAS de 6 mètres. La première étagère de disques se situe dans l'unité RU01 et chaque étagère de disques contient deux modules d'E/S (IOM). L'armoire d'extension 2 prend en charge les étagères de disques 29 à 38.

Table 8  Armoire d'extension 3 : contrôleur avec une étagère de disques (câbles de 6 mètres)
DEPUIS
VERS
RU
CONTROLEUR
PORT HBA
RU
ETAGERE DE DISQUES
PORT DE L'ETAGERE DE DISQUES
20
1
Emplacement 3, Port 3
1
29
IOM 1, Port 2
17
0
Emplacement 6, Port 3
1
29
IOM 0, Port 2
20
1
Emplacement 7, Port 3
21
31
IOM 1, Port 2
17
0
Emplacement 9, Port 3
21
31
IOM 0, Port 2
17
0
Emplacement 3, Port 3
5, 9, 13, 17
30, 33, 34, 37
IOM 1, Port 0
20
1
Emplacement 6, Port 3
5, 9, 13, 17
30, 33, 34, 37
IOM 0, Port 0
17
0
Emplacement 7, Port 3
25, 33, 37
32, 36, 38
IOM 1, Port 0
20
1
Emplacement 9, Port 3
25, 33, 37
32, 36, 38
IOM 0, Port 0

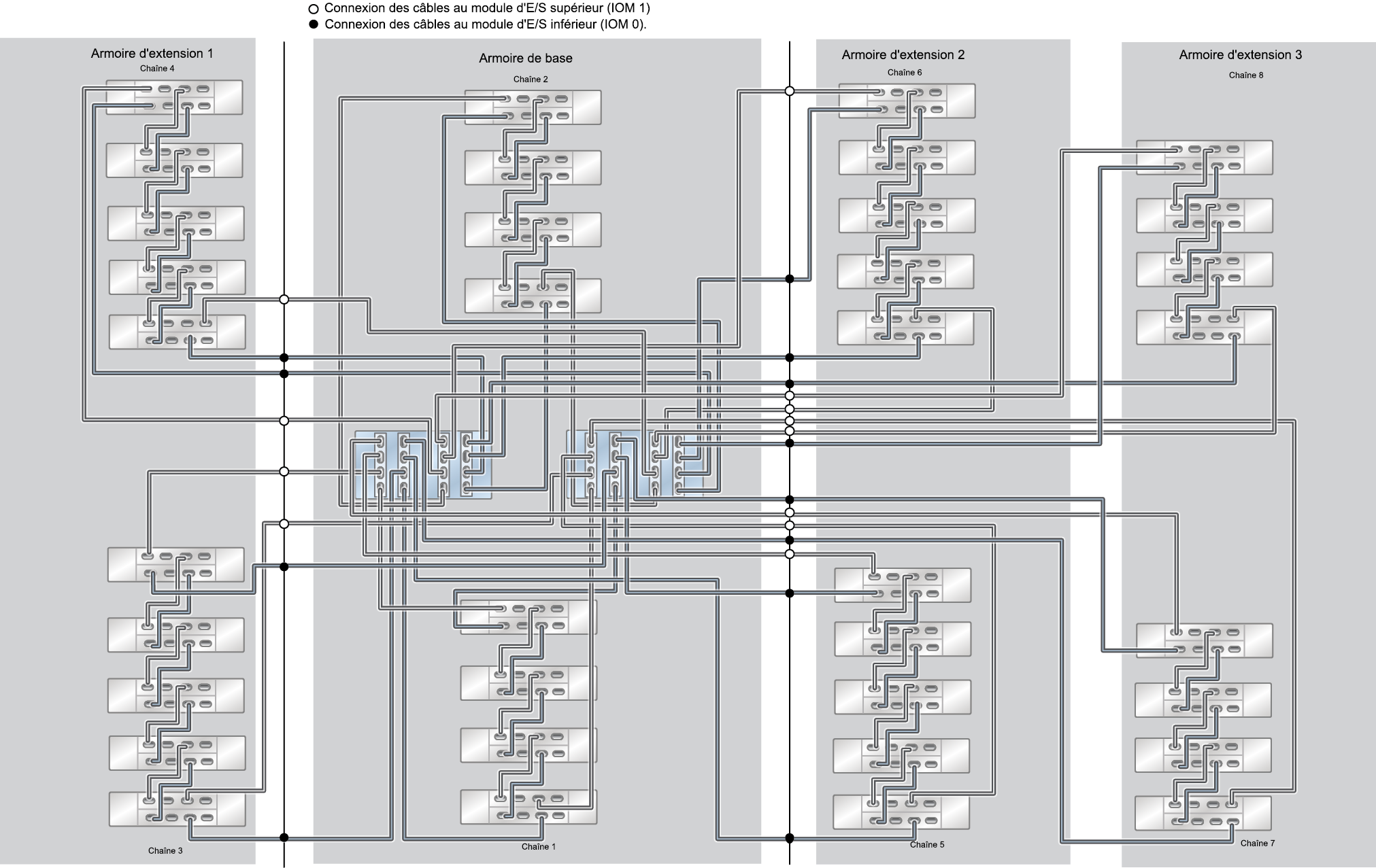
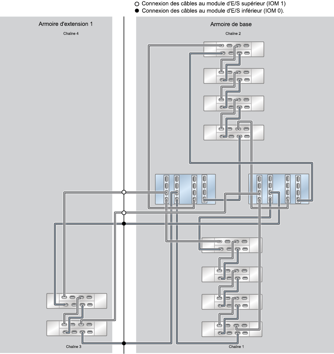
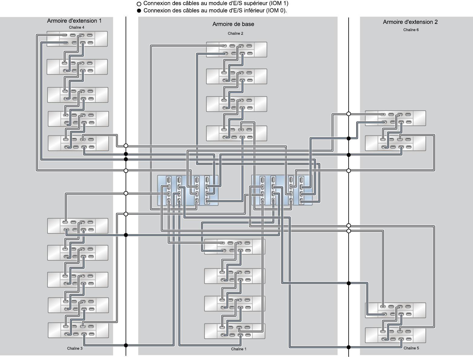
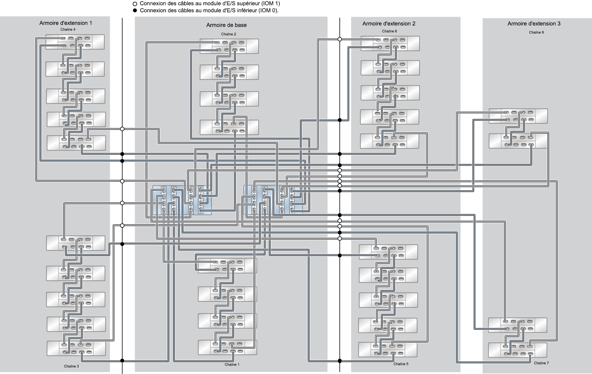
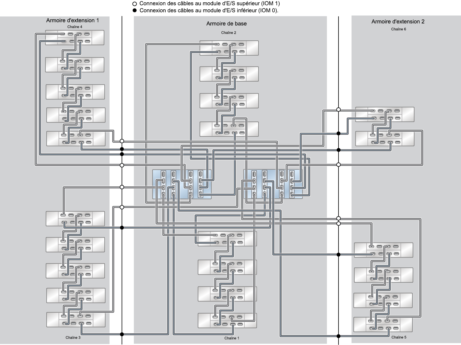
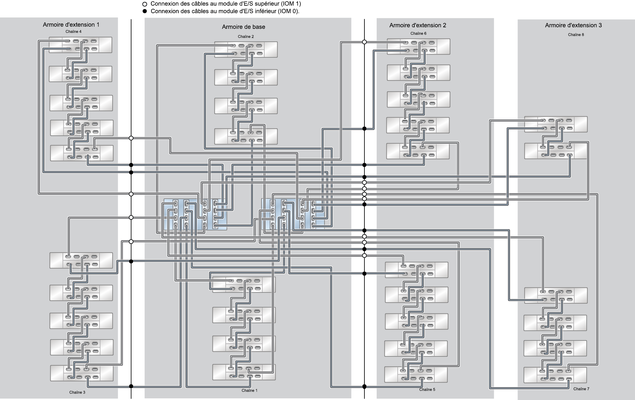
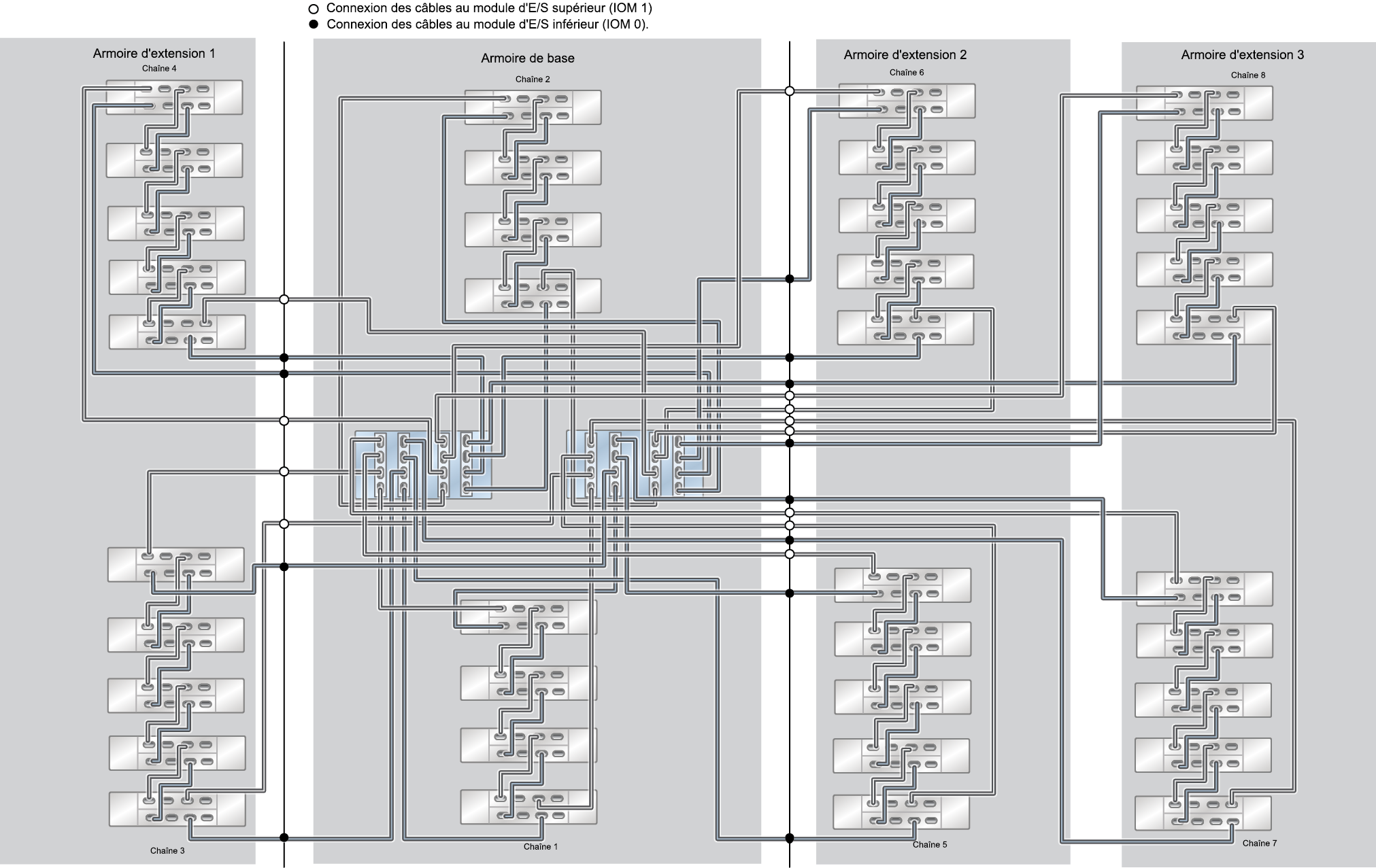
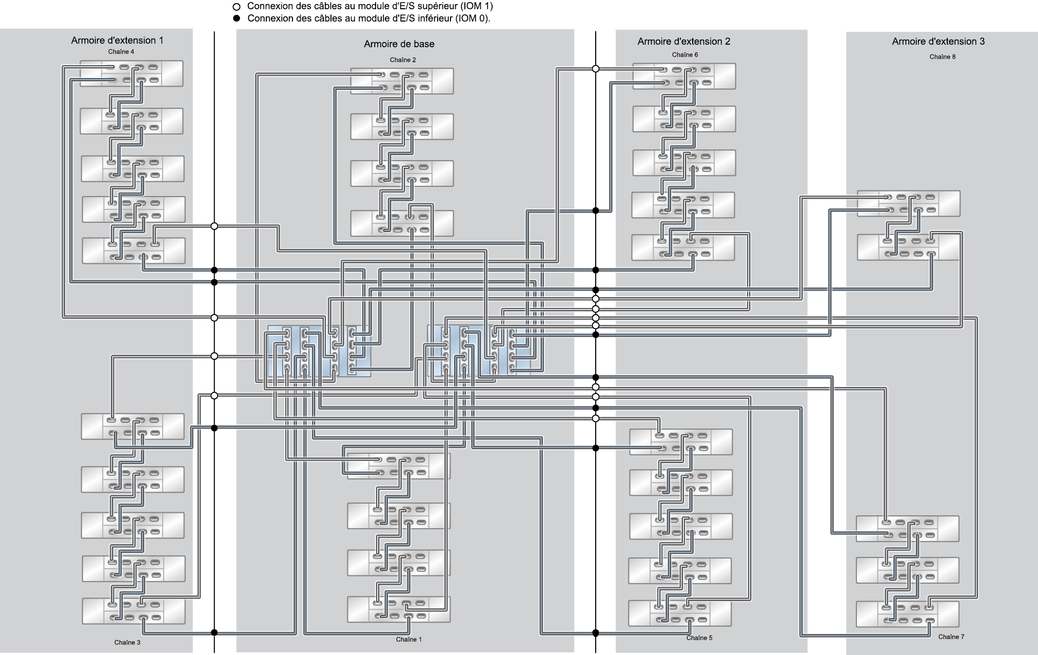
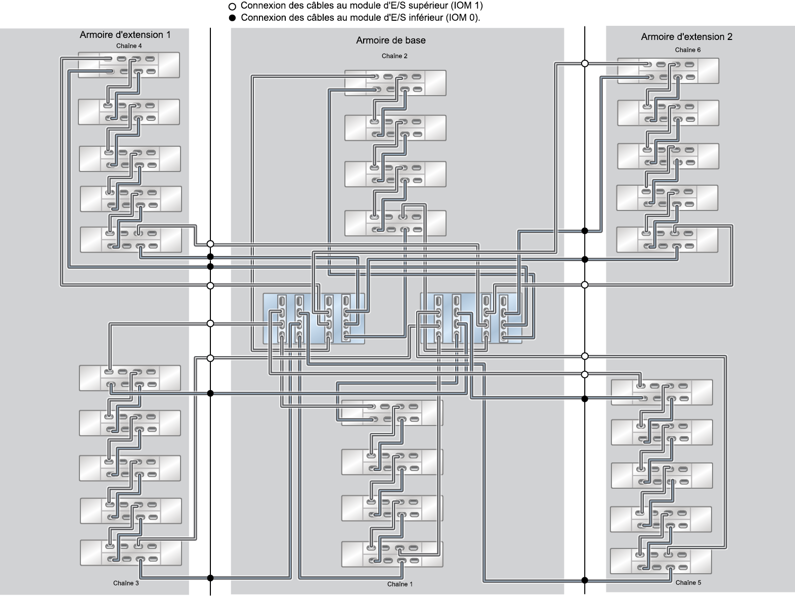
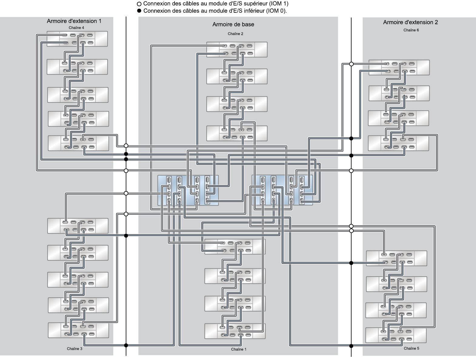
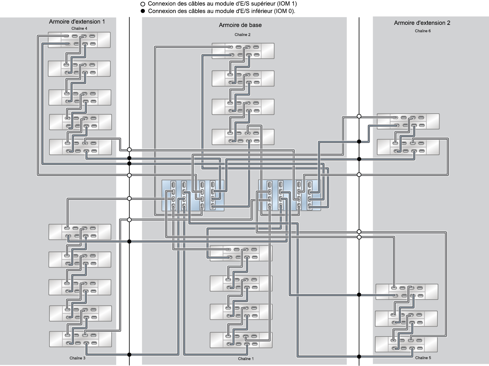
Les diagrammes suivants décrivent câblage des systèmes pré-montés en rack, ainsi que les possibilités d'extension de votre système à l'avenir.

Figure 592  Système monté en rack ZFS Storage Appliance ZS5-4 : 10 étagères de disques DE3-24C

image:Système monté en rack ZFS Storage Appliance ZS5-4 : 10 étagères de disques DE3-24C

Figure 593  Système monté en rack ZFS Storage Appliance ZS5-4 : 12 étagères de disques DE3-24C

image:Système monté en rack ZFS Storage Appliance ZS5-4 : 12 étagères de disques DE3-24C

Figure 594  Système monté en rack ZFS Storage Appliance ZS5-4 : 13 étagères de disques DE3-24C (demi-rack)

image:Système monté en rack ZFS Storage Appliance ZS5-4 : 13 étagères de disques DE3-24C (demi-rack)

Figure 595  Système monté en rack ZFS Storage Appliance ZS5-4 : 14 étagères de disques DE3-24C

image:Système monté en rack ZFS Storage Appliance ZS5-4 : 14 étagères de disques DE3-24C

Figure 596  Système monté en rack ZFS Storage Appliance ZS5-4 : 16 étagères de disques DE3-24C

image:Système monté en rack ZFS Storage Appliance ZS5-4 : 16 étagères de disques DE3-24C

Figure 597  Système monté en rack ZFS Storage Appliance ZS5-4 : 18 étagères de disques DE3-24C

image:Système monté en rack ZFS Storage Appliance ZS5-4 : 18 étagères de disques DE3-24C

Figure 598  Système monté en rack ZFS Storage Appliance ZS5-4 : 20 étagères de disques DE3-24C

image:Système monté en rack ZFS Storage Appliance ZS5-4 : 20 étagères de disques DE3-24C

Figure 599  Système monté en rack ZFS Storage Appliance ZS5-4 : 22 étagères de disques DE3-24C

image:Système monté en rack ZFS Storage Appliance ZS5-4 : 22 étagères de disques DE3-24C

Figure 600  Système monté en rack ZFS Storage Appliance ZS5-4 : 23 étagères de disques DE3-24C (demi-rack)

image:Système monté en rack ZFS Storage Appliance ZS5-4 : 23 étagères de disques DE3-24C (demi-rack)

Figure 601  Système monté en rack ZFS Storage Appliance ZS5-4 : 24 étagères de disques DE3-24C

image:Système monté en rack ZFS Storage Appliance ZS5-4 : 24 étagères de disques DE3-24C

Figure 602  Système monté en rack ZFS Storage Appliance ZS5-4 : 26 étagères de disques DE3-24C

image:Système monté en rack ZFS Storage Appliance ZS5-4 : 26 étagères de disques DE3-24C

Figure 603  Système monté en rack ZFS Storage Appliance ZS5-4 : 28 étagères de disques DE3-24C

image:Système monté en rack ZFS Storage Appliance ZS5-4 : 28 étagères de disques DE3-24C

Figure 604  Système monté en rack ZFS Storage Appliance ZS5-4 : 30 étagères de disques DE3-24C

image:Système monté en rack ZFS Storage Appliance ZS5-4 : 30 étagères de disques DE3-24C

Figure 605  Système monté en rack ZFS Storage Appliance ZS5-4 : 32 étagères de disques DE3-24C

image:Système monté en rack ZFS Storage Appliance ZS5-4 : 32 étagères de disques DE3-24C

Figure 606  Système monté en rack ZFS Storage Appliance ZS5-4 : 33 étagères de disques DE3-24C (demi-rack)

image:Système monté en rack ZFS Storage Appliance ZS5-4 : 33 étagères de disques DE3-24C (demi-rack)

Figure 607  Système monté en rack ZFS Storage Appliance ZS5-4 : 34 étagères de disques DE3-24C

image:Système monté en rack ZFS Storage Appliance ZS5-4 : 34 étagères de disques DE3-24C

Figure 608  Système monté en rack ZFS Storage Appliance ZS5-4 : 36 étagères de disques DE3-24C

image:Système monté en rack ZFS Storage Appliance ZS5-4 : 36 étagères de disques DE3-24C

Figure 609  Système monté en rack ZFS Storage Appliance ZS5-4 : 38 étagères de disques DE3-24C

image:Système monté en rack ZFS Storage Appliance ZS5-4 : 38 étagères de disques DE3-24C