Go to main content
Guide de câblage des systèmes Oracle® ZFS Storage Appliance

Quitter la vue de l'impression

Mis à jour : Mars 2017
 
 

Câblage d'étagères de disques DE3-24 et DE2-24 mixtes avec des contrôleurs ZS4-4

Reportez-vous aux diagrammes de cette section pour mettre à niveau un système avec des étagères de disques DE2-24 en introduisant une ou plusieurs étagères de disques DE3-24. Dans les diagrammes suivants, les étagères de disques DE2-24 comportent trois ports de module d'E/S, tandis que les étagères de disques DE3-24 en contiennent quatre. Pour obtenir des instructions relatives à la combinaison d'étagères de disques, reportez-vous à la section Instructions de configuration de l'armoire et de câblage.


Remarque -  L'ajout d'étagères de disques DE3-24 utilise un câblage SAS-3, mais conserve la méthodologie de câblage SAS-2 existante. Le remplacement de HBA SAS-2 par des HBA SAS-3 n'affecte pas l'interconnexion de câblage.

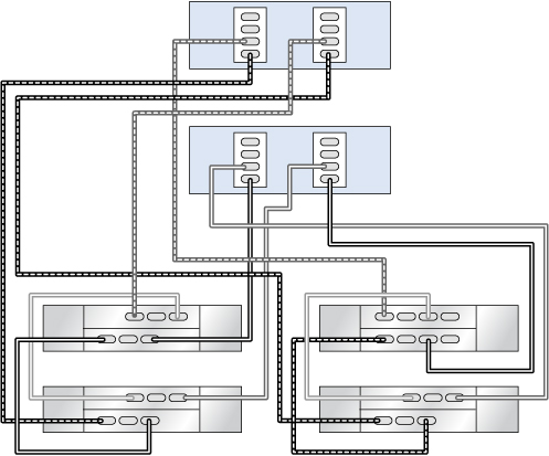
Mise à niveau - Remplacement d'une étagère de disques DE2-24 par une étagère de disques DE3-24 à la fin de la chaîne de disques

Figure 459  Contrôleurs ZS4-4 en cluster avec deux HBA connectés à une étagère de disques DE3-24 et trois étagères de disques DE2-24 dans deux chaînes

image:Contrôleurs ZS4-4 en cluster avec deux HBA connectés à une étagère de disques DE3-24 et trois étagères de disques DE2-24 dans deux chaînes

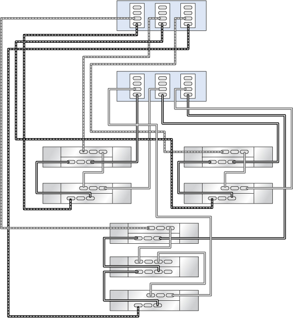
Mise à niveau - Remplacement d'une étagère de disques DE2-24 par une étagère de disques DE3-24 au milieu de la chaîne de disques

Figure 460  Contrôleurs ZS4-4 en cluster avec trois HBA connectés à une étagère de disques DE3-24 et six étagères de disques DE2-24 dans trois chaînes

image:Contrôleurs ZS4-4 en cluster avec trois HBA connectés à une étagère de disques DE3-24 et six étagères de disques DE2-24 dans trois chaînes

Mise à niveau - Ajout d'une chaîne de disques DE3-24 exclusive

Figure 461  Contrôleurs ZS4-4 en cluster avec quatre HBA connectés à deux étagères de disques DE3-24 et six étagères de disques DE2-24 dans quatre chaînes

image:Contrôleurs ZS4-4 en cluster avec quatre HBA connectés à deux étagères de disques DE3-24 et six étagères de disques DE2-24 dans quatre chaînes