Go to main content

Oracle® ZFS Storage Appliance 케이블 연결 설명서, 릴리스 OS8.8.x

인쇄 보기 종료

업데이트 날짜: 2021년 8월
 
 

ZS4-4 Racked System 용량 구성에 대한 케이블 연결 표 및 다이어그램

다음 표에서는 기본 캐비닛에서 3m SAS 케이블을 사용해서 구성된 컨트롤러 2개 및 Disk Shelf 8개에 대한 위치 및 포트 연결을 설명합니다. 첫번째 Disk Shelf는 RU01에 있으며 각 Disk Shelf에는 2개의 IOM이 포함됩니다.

표 48  기본 캐비닛: 컨트롤러와 Disk Shelf 위치 및 연결
시작
종료
RU
컨트롤러
HBA 포트
RU
DISK SHELF
DISK SHELF 포트
20
1
슬롯 3, 포트 0
1
1
IOM 0, 포트 0
17
0
슬롯 6, 포트 1
1
1
IOM 1, 포트 2
20
1
슬롯 6, 포트 0
9
3
IOM 0, 포트 0
17
0
슬롯 7, 포트 1
9
3
IOM 1, 포트 2
20
1
슬롯 7, 포트 0
23
5
IOM 0, 포트 0
17
0
슬롯 9, 포트 1
23
5
IOM 1, 포트 2
20
1
슬롯 9, 포트 0
31
7
IOM 0, 포트 0
17
0
슬롯 3, 포트 1
31
7
IOM 1, 포트 2
17
0
슬롯 3, 포트 0
5
2
IOM 0, 포트 2
20
1
슬롯 6, 포트 1
5
2
IOM 1, 포트 0
17
0
슬롯 6, 포트 0
13
4
IOM 0, 포트 2
20
1
슬롯 7, 포트 1
13
4
IOM 1, 포트 0
17
0
슬롯 7, 포트 0
27
6
IOM 0, 포트 2
20
1
슬롯 9, 포트 1
27
6
IOM 1, 포트 0
17
0
슬롯 9, 포트 0
35
8
IOM 0, 포트 2
20
1
슬롯 3, 포트 1
35
8
IOM 1, 포트 0

다음 표에서는 확장 캐비닛 1에서 6m SAS 케이블을 사용해서 구성된 Disk Shelf 10개에 대한 위치 및 포트 연결을 설명합니다. 첫번째 Disk Shelf는 RU01에 있으며 각 Disk Shelf에는 2개의 IOM이 포함됩니다. 확장 캐비닛 1은 9~18의 Disk Shelf를 지원합니다.

표 49  확장 캐비닛 1: 컨트롤러와 Disk Shelf 위치 및 연결
시작
종료
RU
컨트롤러
HBA 포트
RU
DISK SHELF
DISK SHELF 포트
20
1
슬롯 3, 포트 2
1
9
IOM 0, 포트 0
17
0
슬롯 6, 포트 3
1
9
IOM 1, 포트 2
20
1
슬롯 6, 포트 2
21
11
IOM 0, 포트 0
17
0
슬롯 7, 포트 3
21
11
IOM 1, 포트 2
17
0
슬롯 3, 포트 2
5, 9, 13, 18
10, 13, 14, 17
IOM 0, 포트 2
20
1
슬롯 6, 포트 3
5, 9, 13, 18
10, 13, 14, 17
IOM 1, 포트 0
17
0
슬롯 6, 포트 2
25, 29, 33, 37
12, 15, 16, 18
IOM 0, 포트 2
20
1
슬롯 7, 포트 3
25, 29, 33, 37
12, 15, 16, 18
IOM 1, 포트 0

다음 표에서는 확장 캐비닛 2에서 6m SAS 케이블을 사용해서 구성된 Disk Shelf 10개에 대한 위치 및 포트 연결을 설명합니다. 첫번째 Disk Shelf는 RU01에 있으며 각 Disk Shelf에는 2개의 IOM이 포함됩니다. 확장 캐비닛 2는 19~28의 Disk Shelf를 지원합니다.

표 50  확장 캐비닛 2: 컨트롤러와 Disk Shelf 위치 및 연결
시작
종료
RU
컨트롤러
HBA 포트
RU
DISK SHELF
DISK SHELF 포트
20
1
슬롯 7, 포트 2
1
19
IOM 0, 포트 0
17
0
슬롯 9, 포트 3
1
19
IOM 1, 포트 2
20
1
슬롯 9, 포트 2
21
21
IOM 0, 포트 0
17
0
슬롯 3, 포트 3
21
21
IOM 1, 포트 2
17
0
슬롯 7, 포트 2
5, 9, 13, 18
20, 23, 24, 27
IOM 0, 포트 2
20
1
슬롯 9, 포트 3
5, 9, 13, 18
20, 23, 24, 27
IOM 1, 포트 0
17
0
슬롯 9, 포트 2
25, 29, 33, 37
22, 25, 26, 28
IOM 0, 포트 2
20
1
슬롯 3, 포트 3
25, 29, 33, 37
22, 25, 26, 28
IOM 1, 포트 0

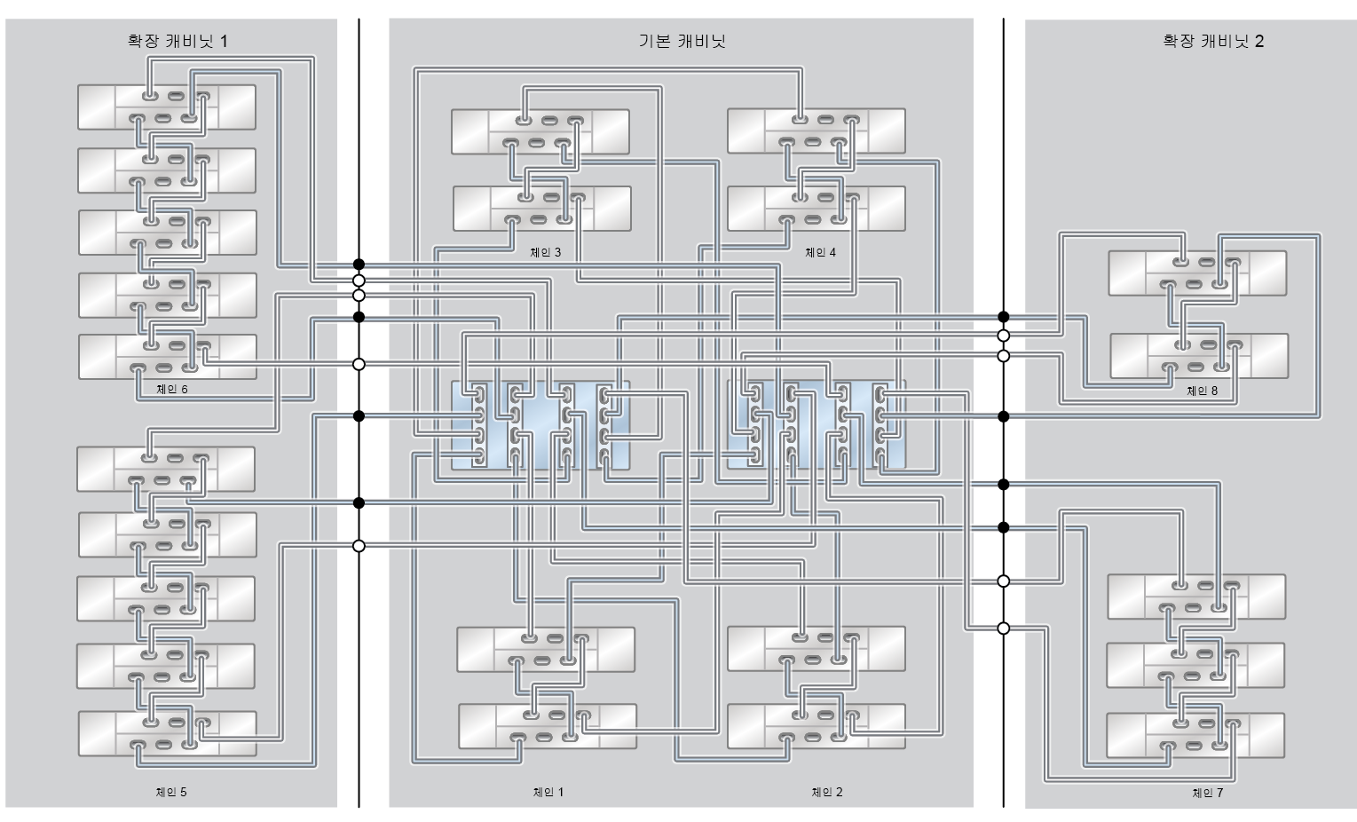
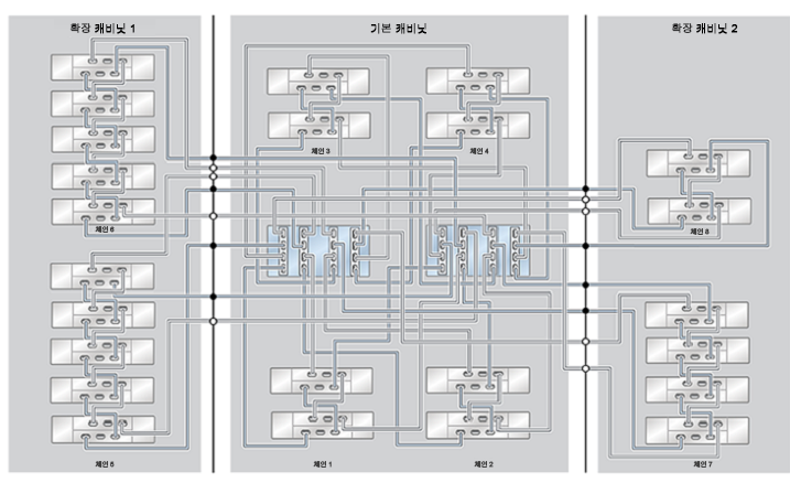
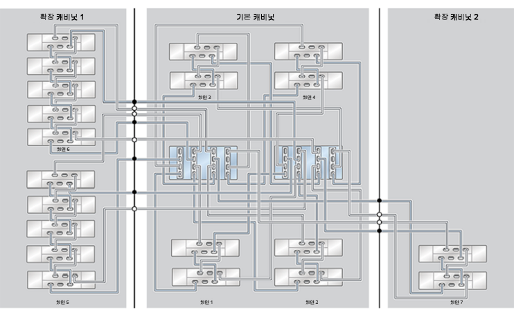
다음 다이어그램은 미리 랙에 구현된 시스템을 케이블로 연결하는 방법과 이후 시스템을 확장하는 방법을 보여줍니다. 각 다이어그램에 대한 범례는 다음과 같습니다.

  • 빈 원은 맨 위에 있는 IOM(IOM 1)에 대한 케이블 연결을 나타냅니다.

  • 단색 원은 맨 아래에 있는 IOM(IOM 0)에 대한 케이블 연결을 나타냅니다.

그림 832  ZS4-4 Racked System 용량 구성: 10개 DE2-24C Disk Shelf

image:ZFS Storage Appliance Racked System ZS4-4: 10 DE2-24C Disk Shelf

그림 833  ZS4-4 Racked System 용량 구성: 12개 DE2-24C Disk Shelf

image:ZFS Storage Appliance Racked System ZS4-4: 12 DE2-24C Disk Shelf

그림 834  ZS4-4 Racked System 용량 구성: 13개 DE2-24C Disk Shelf(하프 랙)

image:ZFS Storage Appliance Racked System ZS4-4: 13 DE2-24C Disk Shelf

그림 835  ZS4-4 Racked System 용량 구성: 14개 DE2-24C Disk Shelf

image:ZFS Storage Appliance Racked System ZS4-4: 14 DE2-24C Disk Shelf

그림 836  ZS4-4 Racked System 용량 구성: 16개 DE2-24C Disk Shelf

image:ZFS Storage Appliance Racked System ZS4-4: 16 DE2-24C Disk Shelf

그림 837  ZS4-4 Racked System 용량 구성: 18개 DE2-24C Disk Shelf

image:ZFS Storage Appliance Racked System ZS4-4: 18 DE2-24C Disk Shelf

그림 838  ZS4-4 Racked System 용량 구성: 20개 DE2-24C Disk Shelf

image:ZFS Storage Appliance Racked System ZS4-4: 20 DE2-24C Disk Shelf

그림 839  ZS4-4 Racked System 용량 구성: 22개 DE2-24C Disk Shelf

image:ZFS Storage Appliance Racked System ZS4-4: 22 DE2-24C Disk Shelf

그림 840  ZS4-4 Racked System 용량 구성: 23개 DE2-24C Disk Shelf(하프 랙)

image:ZFS Storage Appliance Racked System ZS4-4: 23 DE2-24C Disk Shelf

그림 841  ZS4-4 Racked System 용량 구성: 24개 DE2-24C Disk Shelf

image:ZFS Storage Appliance Racked System ZS4-4: 24 DE2-24C Disk Shelf

그림 842  ZS4-4 Racked System 용량 구성: 26개 DE2-24C Disk Shelf

image:ZFS Storage Appliance Racked System ZS4-4: 26 DE2-24C Disk Shelf

그림 843  ZS4-4 Racked System 용량 구성: 28개 DE2-24C Disk Shelf

image:ZFS Storage Appliance Racked System ZS4-4: 28 DE2-24C Disk Shelf