Go to main content

Oracle® ZFS Storage Appliance 配線ガイド

印刷ビューの終了

更新: 2018 年 11 月
 
 

ZS5-4 クラスタ化から DE3-24 ディスクシェルフ (HBA 2 基)

次の図は、HBA 2 基を搭載する Oracle ZFS Storage ZS5-4 クラスタ化コントローラでサポートされる構成のサブセットを示します。コントローラをディスクシェルフに配線するには、配線の入門を参照してください。


注 -  ポートの位置については、Oracle ZFS Storage Appliance インストールガイドに記載された対応するコントローラのハードウェア概要のセクションを参照してください。

図 52  1 つのチェーン内で DE3-24 ディスクシェルフ 1 台に接続された HBA 2 基を搭載するクラスタ化 ZS5-4 コントローラ

image:1 つのチェーン内で DE3-24 ディスクシェルフ 1 台に接続された HBA 2 基を搭載するクラスタ化 ZS5-4 コントローラを示す図

図 53  2 つのチェーン内で DE3-24 ディスクシェルフ 2 台に接続された HBA 2 基を搭載するクラスタ化 ZS5-4 コントローラ

image:2 つのチェーン内で DE3-24 ディスクシェルフ 2 台に接続された HBA 2 基を搭載するクラスタ化 ZS5-4 コントローラを示す図

図 54  3 つのチェーン内で DE3-24 ディスクシェルフ 3 台に接続された HBA 2 基を搭載するクラスタ化 ZS5-4 コントローラ

image:3 つのチェーン内で DE3-24 ディスクシェルフ 3 台に接続された HBA 2 基を搭載するクラスタ化 ZS5-4 コントローラを示す図

図 55  4 つのチェーン内で DE3-24 ディスクシェルフ 4 台に接続された HBA 2 基を搭載するクラスタ化 ZS5-4 コントローラ

image:4 つのチェーン内で DE3-24 ディスクシェルフ 4 台に接続された HBA 2 基を搭載するクラスタ化 ZS5-4 コントローラを示す図

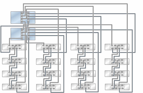
図 56  4 つのチェーン内で DE3-24 ディスクシェルフ 8 台に接続された HBA 2 基を搭載するクラスタ化 ZS5-4 コントローラ

image:4 つのチェーン内で DE3-24 ディスクシェルフ 8 台に接続された HBA 2 基を搭載するクラスタ化 ZS5-4 コントローラを示す図

図 57  4 つのチェーン内で DE3-24 ディスクシェルフ 16 台に接続された HBA 2 基を搭載するクラスタ化 ZS5-4 コントローラ

image:4 つのチェーン内で DE3-24 ディスクシェルフ 16 台に接続された HBA 2 基を搭載するクラスタ化 ZS5-4 コントローラを示す図

図 58  1 つのチェーン内の複数のディスクシェルフ

image:同じチェーン内の複数の DE3 を示す図。