Go to main content

Oracle® ZFS Storage Appliance 配線ガイド

印刷ビューの終了

更新: 2018 年 11 月
 
 

ZS7-2 MR ラック搭載システムの容量構成

このセクションでは、ZS7-2 MR ラック搭載システムの容量構成についての概要および配線図を提供します。

このセクションには、次のトピックが含まれています。

ZS7-2 MR ラック搭載システムの容量構成の概要

容量構成は大容量ディスクシェルフを利用し、基本キャビネットまたは 1 台の拡張キャビネットを含む基本キャビネットで使用できます。次の表に示すように、2 台の ZS7-2 MR コントローラと最大 16 台の Oracle Storage Drive Enclosure DE3-24C ディスクシェルフをサポートできます。基本キャビネットと拡張キャビネットの合計ディスクシェルフ数が 16 台を超えることはできません。

表 13  ZS7-2 MR ラック搭載システムの容量構成のコンポーネント
基本キャビネット
拡張キャビネット 1
最大 9 台の DE3-24C ディスクシェルフ
サポートされる構成: 1、2、4、6、8、または 9 台の DE3-24C ディスクシェルフ
2 台の ZS7-2 MR コントローラ
最大 7 台の DE3-24C ディスクシェルフ
サポートされる構成: 2、4、5、6、または 7 台の DE3-24C ディスクシェルフ

各 ZS7-2 MR コントローラは 2 つの SAS HBA カードをサポートします。拡張キャビネット内のディスクシェルフをサポートするには、2 基の SAS HBA カードを各 ZS7-2 MR コントローラに取り付ける必要があります。

各 ZS7-2 MR コントローラは 2 つの SAS HBA カードを備えています。クラスタ化 ZS7-2 MR コントローラの場合、次の要素から成る高可用性構成がサポートされます。

  • 基本キャビネット: 2 つのチェーン (一方のチェーンに 4 台、他方のチェーンに 5 台、合計 9 台のディスクシェルフが含まれる)

  • 拡張キャビネット: 2 つのチェーン (一方のチェーンに 4 台、他方のチェーンに 3 台、合計 7 台のディスクシェルフが含まれる)。

キャビネットは自己完結型であり、必要な配線方法に従って事前配線されています。将来のシステム拡張計画にも使用できる、事前ラック搭載済みシステムの配線の表および図は、ZS7-2 MR ラック搭載システムの容量構成のための配線の表および図のセクションにあります。

各キャビネットには 42 台のラックユニット (RU) が含まれ、いちばん下が RU01 です。各 ZS7-2 MR コントローラは 2 ラックユニットを占め、その場所はいちばん下のラックユニット番号によって参照されます。いちばん上のコントローラはコントローラ 1 と呼ばれ、基本キャビネット内の RU20 にあり、いちばん下のコントローラは RU17 にあるコントローラ 0 です。ZS7-2 MR コントローラは 2 ラックユニットを占有し、基本キャビネットでは各コントローラの上にフィラーパネルが含まれるため、キャビネットのレイアウトは、3 ラックユニットのコントローラを含む以前の Oracle ラック搭載システム製品に似たものとなります。またこれにより、保守時のアクセスや、背面の CMA 経由での配線が容易になります。次の図に、各 HBA カードのスロット番号、および各カードのポート番号を示します。

図 656  ZS7-2 MR コントローラ HBA スロット番号 (背面図)

image:この図には ZS7-2 MR のバックパネルと HBA スロット番号を示しています。

各 DE3-24C ディスクシェルフは 4 ラックユニットを占め、通常は安定性のためキャビネットの下部から設置されます。次の図に示すように、DE3-24C ディスクシェルフには 2 つの I/O モジュール (IOM) があり、それぞれ 4 つのポートがあります。どの配線構成でも、ポート 1 とポート 3 は決して使用されません。

図 657  DE3-24C ディスクシェルフ HBA 接続 (背面図)

image:この図にはストレージドライブエンクロージャー DE3-24C のバックパネルと HBA 接続を示しています。

ZS7-2 MR ラック搭載システムの容量構成のための配線の表および図

次の表では、3 メートルの SAS 光ケーブルを使用する場合の、基本キャビネット内の 2 台のコントローラおよび 9 台のディスクシェルフの位置およびポート接続について説明します。最初のディスクシェルフは RU01 にあり、各ディスクシェルフには 2 基の IOM があります。


注 -  次の表は、2 つのチェーンから成る完全な基本ラック構成、および 2 つのチェーンから成る拡張ラック構成に対するものです。
表 14  基本キャビネット: コントローラおよびディスクシェルフの位置および接続
RU
コントローラ
HBA ポート
RU
ディスクシェルフポート
20
1
スロット 2、ポート 0
1
IOM 1、ポート 2
17
0
スロット 10、ポート 0
1
IOM 0、ポート 2
20
1
スロット 2、ポート 1
23
IOM 1、ポート 2
17
0
スロット 10、ポート 1
23
IOM 0、ポート 2
17
0
スロット 2、ポート 0
1、5、13
IOM 1、ポート 0
20
1
スロット 10、ポート 0
1、5、13
IOM 0、ポート 0
17
0
スロット 2、ポート 1
27、35、39
IOM 1、ポート 0
20
1
スロット 10、ポート 1
27、35、39
IOM 0、ポート 0

次の表では、6 メートルの SAS 光ケーブルを使用する場合の、拡張キャビネット内の 7 台のディスクシェルフの位置およびポート接続について説明します。最初のディスクシェルフは RU01 にあり、各ディスクシェルフには 2 基の IOM があります。拡張キャビネットは、ディスクシェルフ 10 から 16 をサポートしています。

表 15  拡張キャビネット: コントローラおよびディスクシェルフの位置および接続
RU
コントローラ
HBA ポート
RU
ディスクシェルフポート
20
1
スロット 2、ポート 2
1
IOM 1、ポート 2
17
0
スロット 10、ポート 2
1
IOM 0、ポート 2
20
1
スロット 2、ポート 3
21
IOM 1、ポート 2
17
0
スロット 10、ポート 3
21
IOM 0、ポート 2
17
0
スロット 2、ポート 2
5、9、13
IOM 1、ポート 0
20
1
スロット 10、ポート 2
5、9、13
IOM 0、ポート 0
17
0
スロット 2、ポート 3
25、29
IOM 1、ポート 0
20
1
スロット 10、ポート 3
25、29
IOM 0、ポート 0

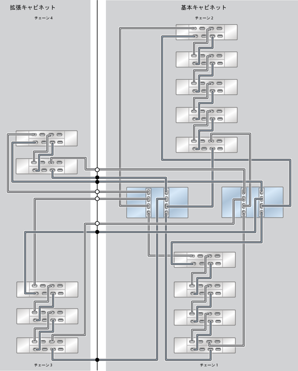
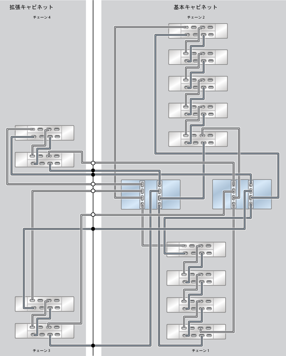
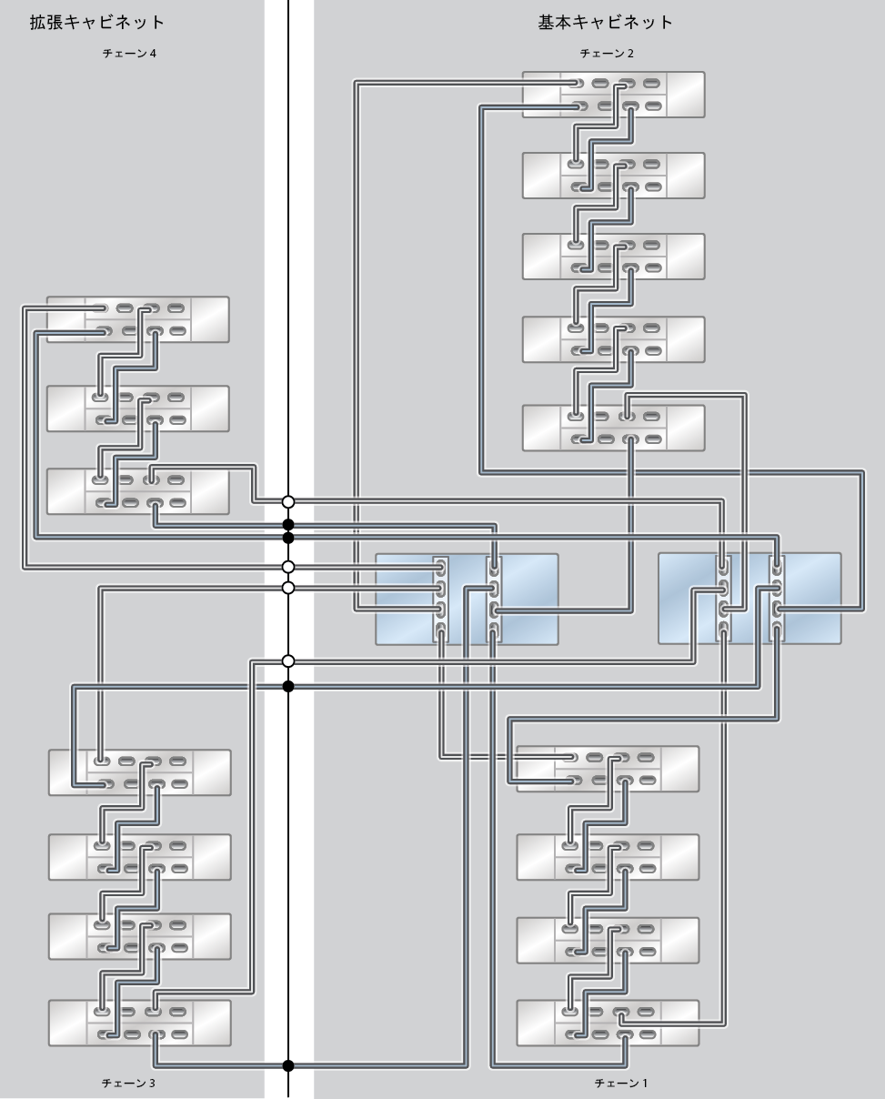
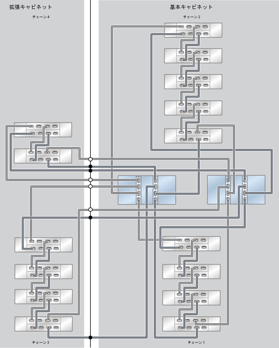
次の図は、事前ラック搭載済みシステムを配線する方法、および将来システムを拡張する方法について説明します。各図の凡例は次のとおりです。

  • 白丸は上部 IOM (IOM 1) へのケーブル接続を示しています。

  • 黒丸は下部 IOM (IOM 0) へのケーブル接続を示しています。

図 658  ZS7-2 MR ラック搭載システムの容量構成: 11 台の DE3-24C ディスクシェルフ

image:ZFS Storage Appliance ラック搭載システム ZS7-2 MR: 11 台の DE3-24C ディスクシェルフ

図 659  ZS7-2 MR ラック搭載システムの容量構成: 13 台の DE3-24C ディスクシェルフ

image:ZFS Storage Appliance ラック搭載システム ZS7-2 MR: 13 台の DE3-24C ディスクシェルフ

図 660  ZS7-2 MR ラック搭載システムの容量構成: 14 台の DE3-24C ディスクシェルフ (ハーフラック)

image:ZFS Storage Appliance ラック搭載システム ZS7-2 MR: 14 台の DE3-24C ディスクシェルフ (ハーフラック)

図 661  ZS7-2 MR ラック搭載システムの容量構成: 15 台の DE3-24C ディスクシェルフ

image:ZFS Storage Appliance ラック搭載システム ZS7-2 MR: 15 台の DE3-24C ディスクシェルフ

図 662  ZS7-2 MR ラック搭載システムの容量構成: 16 台の DE3-24C ディスクシェルフ

image:ZFS Storage Appliance ラック搭載システム ZS7-2 MR: 16 台の DE3-24C ディスクシェルフ