Go to main content

Oracle® ZFS Storage Appliance 配線ガイド

印刷ビューの終了

更新: 2018 年 11 月
 
 

ZS7-2 MR ラック搭載システムのオールフラッシュ/混在構成

このセクションでは、DE3-24P ディスクシェルフのみを含むかディスクシェルフ DE3-24P と DE3-24C の組み合わせを含むオールフラッシュ/混在構成から成る ZS7-2 MR ラック搭載システムの概要と配線図を示します。高性能な DE3-24P ディスクシェルフは、20 台または 24 台のオールフラッシュ SSD から構成されるか、20 台または 24 台の高速ハードディスクドライブから構成されます。一部の構成には読み取りキャッシュデバイスやログデバイスが含まれます。最大パフォーマンス構成では DE3-24P ディスクシェルフがサポートされますが、最適パフォーマンス構成ではディスクシェルフ DE3-24P と DE3-24C の両方がサポートされます。一部の構成では拡張キャビネットがサポートされません。

このセクションには、次のトピックが含まれています。

ZS7-2 MR ラック搭載システムのオールフラッシュ/混在構成の概要

オールフラッシュ/混在パフォーマンス構成は高性能ディスクシェルフ DE3-24P を利用し、基本キャビネット、または一部の構成では最大 1 つの拡張キャビネットを含む基本キャビネットで使用できます。合計 27 種類のシステム構成が可能な 6 つの基本キャビネットオプションが提供されており、すべての基本キャビネットオプションに ZS7-2 MR コントローラが 2 台搭載されています。

ZS7-2 MR ラック搭載システムの最大パフォーマンス構成では、基本キャビネットに最大 4 台の Oracle Storage Drive Enclosure DE3-24P ディスクシェルフが搭載されます。最大のパフォーマンスを実現するため、ディスクシェルフはチェーンあたり 1 つの単一シェルフとして構成されます。ZS7-2 MR ラック搭載システムの最大パフォーマンス構成では、基本キャビネット内のチェーン数によっては 1 つの拡張キャビネットを使用できます。

表 16  ZS7-2 MR ラック搭載システムの最大パフォーマンス構成のコンポーネント
基本キャビネット
拡張キャビネット
最大 4 台の DE3-24P ディスクシェルフ
サポートされる構成: 1、2、または 4 台の DE3-24P ディスクシェルフ
2 台の ZS7-2 MR コントローラ
最大 10 台の DE3-24C ディスクシェルフ

ZS7-2 MR ラック搭載システムの最適パフォーマンス構成では、最大 16 台の Oracle Storage Drive Enclosure DE3-24P ディスクシェルフ (チェーンあたり 4 台のシェルフとして構成)、または Oracle Storage Drive Enclosure ディスクシェルフ DE3-24C と DE3-24P のさまざまな組み合わせ、が基本キャビネットに搭載されます。ZS7-2 MR ラック搭載システムの最適パフォーマンス構成では、基本キャビネット内のチェーン数に応じて最大 1 つの拡張キャビネットを使用できます。

表 17  ZS7-2 MR ラック搭載システムの最適パフォーマンス構成のコンポーネント
基本キャビネット
拡張キャビネット
最大 16 台の DE3-24P ディスクシェルフ

    サポートされる構成:

  • DE3-24P ディスクシェルフ: 2、4、6、8、10、12、14、または 16 台

  • ディスクシェルフ DE3-24C と DE3-24P の混在:

    • 2 台の DE3-24C/2 - 14 台の DE3-24P

    • 4 台の DE3-24C/2 - 10 台の DE3-24P

    • 6 台の DE3-24C/2 - 6 台の DE3-24P

    • 8 台の DE3-24C/2 台の DE3-24P

2 台の ZS7-2 MR コントローラ
最大 10 台の DE3-24C ディスクシェルフ

ZS7-2 MR ラック搭載システムのオールフラッシュ/混在構成ではさまざまなストレージオプションがサポートされます。

表 18  ZS7-2 MR ラック搭載システムのディスクシェルフのデバイスタイプと許容される構成
ディスクシェルフ
データデバイス
読み取りキャッシュデバイス
ログデバイス
DE3-24P オールフラッシュ
3.2 TB SSD: スロット 0 - 23 に 24 台、またはスロット 0 - 19 に 20 台
使用不可
200 GB SSD (スロット 20 - 23)
DE3-24P
1.2 TB HDD: スロット 0 - 23 に 24 台、またはスロット 0 - 19 に 20 台
3.2 TB SSD (スロット 20 - 23)
200 GB SSD (スロット 20 - 23)
DE3-24C
8 TB HDD: スロット 0 - 23 に 24 台、またはスロット 0 - 19 に 20 台
3.2 TB SSD (スロット 20 - 23)
200 GB SSD (スロット 20 - 23)

ZS7-2 MR ラック搭載システムのオールフラッシュ/混在構成のための基本キャビネット構成

ZS7-2 MR ラック搭載システムのオールフラッシュ/混在構成の各コントローラには、SAS-3 HBA 接続用に最大 8 ポートを提供する 2 基の SAS-3 HBA があります。

SAS-3 HBA ポートの番号付けは、いちばん下 (ポート 0) からいちばん上 (ポート 3) に向かって昇順です。SAS-3 HBA カードと DE3-24 ディスクシェルフは両方とも SFF 8644 コネクタを使用します。

次の図に、各 HBA カードのスロット番号、および各カードのポート番号を示します。

図 663  ZS7-2 MR コントローラ HBA スロット番号 (背面図)

image:この画像は ZS7-2 MR のバックパネルと HBA スロット番号を示しています。

次の図に示すように、DE3-24P ディスクシェルフには 2 つの I/O モジュール (IOM) があり、それぞれ 4 つのポートがあります。どの配線構成でも、ポート 1 とポート 3 は決して使用されません。

図 664  DE3-24P ディスクシェルフ HBA 接続 (背面図)

image:この画像は DE3-24P のバックパネルと HBA 接続を示しています。

次の図に示すように、DE3-24C ディスクシェルフには 2 つの I/O モジュール (IOM) があり、それぞれ 4 つのポートがあります。どの配線構成でも、ポート 1 とポート 3 は決して使用されません。

図 665  DE3-24C ディスクシェルフ HBA 接続 (背面図)

image:この画像は DE3-24C のバックパネルと HBA 接続を示しています。

ZS7-2 MR ラック搭載システムの配線構成は、ケーブル管理アーム (CMA) の使用が可能な追加の制限事項を伴う標準的な配線方法に従っています。この方法により、SSD ログデバイスおよび読み取りキャッシュデバイスのマッチングのための実用的な実装が可能になり、最大パフォーマンスまたは最適パフォーマンスのための構成が可能になります。

SAS-3 HBA カードの数を変更したり、元の ZS7-2 MR ラック搭載システムでないか ZS7-2 MR ラック搭載システムと互換性のない複数のキャビネットを組み込んだりするすべてのアップグレードは、その特定の構成用に配線し直す必要があります。4x4 ポート SAS-3 HBA で DE3-24 ディスクシェルフを ZS7-2 MR コントローラに接続する配線の例については、DE3-24 ディスクシェルフを ZS7-2 ミドルレンジ (MR) コントローラに配線するを参照してください。SAS ケーブル長のガイドラインについては、キャビネットおよび配線のガイドラインを参照してください。

キャビネットは自己完結型であり、必要な配線方法に従って事前配線されています。次の図は、6 つの基本キャビネットオプションの配線方法を示しています。

図 666  ZS7-2 MR ラック搭載システムのパフォーマンス構成: 4 台の DE3-24P ディスクシェルフ (最大パフォーマンス)

image:この画像は、4 つのチェーンに 4 台の DE3-24P ディスクシェルフを持つ ZS7-2 MR ラック搭載システムを示しています。

この構成には、最大パフォーマンス配線方式を利用した 1、2、または 4 台の DE3-24P ディスクシェルフを含めることができます。

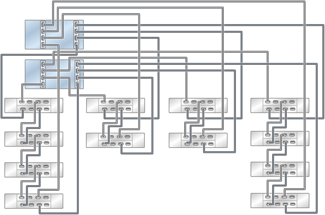
図 667  ZS7-2 MR ラック搭載システムのパフォーマンス構成: 16 台の DE3-24P ディスクシェルフ (最適パフォーマンス)

image:この画像は、4 つのチェーンに 16 台の DE3-24P ディスクシェルフを持つ ZS7-2 MR ラック搭載システムを示しています。

この構成の DE3-24P ディスクシェルフはペアで追加されます。ほかのディスクシェルフの組み合わせは常に、ラックの下部からペアで追加されます。有効なディスクシェルフ数の組み合わせは、2、4、6、8、10、12、14、および 16 ディスクシェルフです。

図 668  ZS7-2 MR ラック搭載システムのパフォーマンス構成: 2 台の DE3-24C (左下) および 2 - 14 台の DE3-24P ディスクシェルフ (最適パフォーマンス)

image:この画像は、4 つのチェーンに 2 台の DE3-24C (左下) および 2 - 14 台の DE3-24P ディスクシェルフを持つ ZS7-2 MR ラック搭載システムを示しています。

この構成の DE3-24P ディスクシェルフはペアで追加されます。ほかのディスクシェルフの組み合わせは常に、ラックの下部からペアで追加されます。有効なディスクシェルフ数の組み合わせは、2、4、6、8、10、12、14、および 16 ディスクシェルフです。

図 669  ZS7-2 MR ラック搭載システムのパフォーマンス構成: 4 台の DE3-24C (左下) および 2 - 10 台の DE3-24P ディスクシェルフ (最適パフォーマンス)

image:この画像は、4 つのチェーンに 4 台の DE3-24C (左下) および 2 - 10 台の DE3-24P ディスクシェルフを持つ ZS7-2 MR ラック搭載システムを示しています。

図 670  ZS7-2 MR ラック搭載システムのパフォーマンス構成: 6 台の DE3-24C (左から 2 つまでのチェーン) および 2 - 6 台の DE3-24P ディスクシェルフ (最適パフォーマンス)

image:この画像は、4 つのチェーンに 6 台の DE3-24C および 2 - 6 台の DE3-24P ディスクシェルフを持つ ZS7-2 MR ラック搭載システムを示しています。

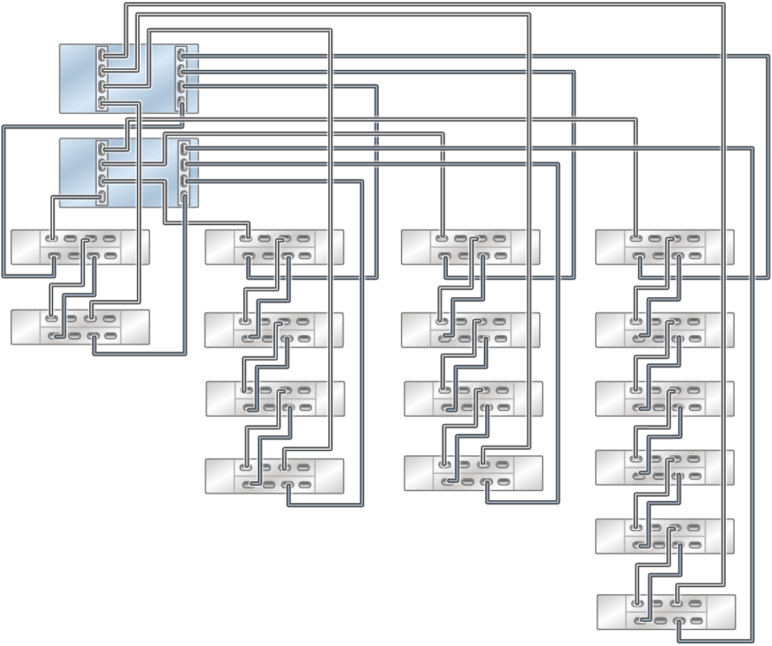
図 671  ZS7-2 MR ラック搭載システムのパフォーマンス構成: 8 台の DE3-24C (左から 2 つまでのチェーン) および 2 台の DE3-24P ディスクシェルフ (最適パフォーマンス)

image:この画像は、4 つのチェーンに 8 台の DE3-24C および 2 台の DE3-24P ディスクシェルフを持つ ZS7-2 MR ラック搭載システムを示しています。