Go to main content

Oracle® ZFS Storage Appliance 配線ガイド

印刷ビューの終了

更新: 2018 年 11 月
 
 

ZS7-2 HE ラック搭載システムの容量構成

このセクションでは、ZS7-2 HE ラック搭載システムの容量構成についての概要および配線図を提供します。

このセクションには、次のトピックが含まれています。

ZS7-2 HE ラック搭載システムの容量構成の概要

容量構成は大容量ディスクシェルフを利用し、基本キャビネットまたは最大 3 つの拡張キャビネットを含む基本キャビネットで使用できます。次の表に示すように、2 台の ZS7-2 コントローラと最大 39 台のディスクシェルフをサポートできます。

表 5  ZS7-2 HE ラック搭載システムの容量構成のコンポーネント
基本キャビネット
拡張キャビネット 1
拡張キャビネット 2
拡張キャビネット 3
最大 9 台の DE3-24C ディスクシェルフ (2 チェーン)
サポートされる構成: 1、2、4、6、8、または 9 台の DE3-24C ディスクシェルフ
2 台の ZS7-2 HE コントローラ
最大 10 台の DE3-24C ディスクシェルフ
サポートされる構成: 2、4、5、6、8、または 10 台の DE3-24C ディスクシェルフ
最大 10 台の DE3-24C ディスクシェルフ
最大 10 台の DE3-24C ディスクシェルフ
最大 9 台の DE3-24C ディスクシェルフ (4 チェーン)
サポートされる構成: 1、2、4、6、8、または 9 台の DE3-24C ディスクシェルフ
2 台の ZS7-2 HE コントローラ
最大 10 台の DE3-24C ディスクシェルフ
最大 10 台の DE3-24C ディスクシェルフ
未サポート
最大 9 台の DE3-24C ディスクシェルフ (8 チェーン)
サポートされる構成: 1、2、4、6、8、または 9 台の DE3-24C ディスクシェルフ
2 台の ZS7-2 HE コントローラ
未サポート
未サポート
未サポート

各 ZS7-2 HE 容量構成の基本キャビネットは、1、2、4、6、8、または 9 台の DE3-24C ディスクシェルフから構成されます。各拡張キャビネットは、2、4、5 (ハーフラック)、6、8、または 10 台の DE3-24C ディスクシェルフから構成されます。1 つの基本キャビネットと 3 つの拡張キャビネットに最大 39 台のディスクシェルフを収容できます。

各 ZS7-2 HE コントローラは 4 基の SAS HBA カードを備えています。クラスタ化 ZS7-2 HE コントローラの場合、次の要素から成る高可用性構成がサポートされます。

  • 基本キャビネット内の最大 9 台のディスクシェルフ (2、4、または 8 つのチェーンで構成)

  • 最大 3 つの拡張キャビネット。各キャビネットは、ディスクチェーンあたりの最大ディスクシェルフ数 5 台のチェーンを 2 つサポートするので、拡張キャビネットが 1 つの場合は合計 10 台のディスクシェルフ、2 つの場合は 20 台のディスクシェルフ、3 つの場合は 30 台のディスクシェルフになります。

キャビネットは自己完結型であり、必要な配線方法に従って事前配線されています。将来のシステム拡張計画にも使用できる、事前ラック搭載済みシステムの配線の表および図は、ZS7-2 HE ラック搭載システムの容量構成のための配線の表および図のセクションにあります。

各キャビネットには 42 台のラックユニット (RU) が含まれ、いちばん下が RU01 です。各 ZS7-2 コントローラは 2 ラックユニットを占め、その場所はいちばん下のラックユニット番号によって参照されます。いちばん上のコントローラはコントローラ 1 と呼ばれ、基本キャビネット内の RU20 にあり、いちばん下のコントローラは RU17 にあるコントローラ 0 です。次の図に、各 HBA カードのスロット番号、および各カードのポート番号を示します。

図 619  ZS7-2 HE コントローラ HBA スロット番号 (背面図)

image:この図には ZS7-2 HE のバックパネルと HBA スロット番号を示しています。

各 DE3-24C ディスクシェルフは 4 ラックユニットを占め、通常は安定性のため基本キャビネットの下部から設置されます。ZS7-2 HE コントローラは 2 ラックユニットを占有し、基本キャビネットでは各コントローラの上にフィラーパネルが含まれるため、キャビネットのレイアウトは、3 ラックユニットのコントローラを含む以前の Oracle ラック搭載システム製品に似たものとなります。またこれにより、保守時のアクセスや、背面のケーブル管理アーム (CMA) 経由での配線が容易になります。次の図に示すように、DE3-24C ディスクシェルフには 2 つの I/O モジュール (IOM) があり、それぞれ 4 つのポートがあります。どの配線構成でも、ポート 1 とポート 3 は決して使用されません。

図 620  DE3-24C ディスクシェルフ HBA 接続 (背面図)

image:この図にはストレージドライブエンクロージャー DE3-24C のバックパネルと HBA 接続を示しています。

ZS7-2 HE ラック搭載システムの容量構成のための配線の表および図

次の表では、3 メートルの SAS 光ケーブルを使用する場合の、基本キャビネット内の 2 台のコントローラおよび 9 台のディスクシェルフの位置およびポート接続について説明します。最初のディスクシェルフは RU01 にあり、各ディスクシェルフには 2 基の IOM があります。

次の表は、基本キャビネットで 2 つのチェーン、拡張キャビネットごとに 2 つのチェーン、という構成に対するものなので、最大 39 台のディスクシェルフを使用できます。

表 6  基本キャビネット: コントローラおよびディスクシェルフの位置および接続 (2 チェーン)
RU
コントローラ
HBA ポート
RU
ディスクシェルフポート
20
1
スロット 2、ポート 0
1
IOM 1、ポート 2
17
0
スロット 3、ポート 0
1
IOM 0、ポート 2
20
1
スロット 9、ポート 0
23
IOM 1、ポート 2
17
0
スロット 10、ポート 0
23
IOM 0、ポート 2
17
0
スロット 2、ポート 0
1、5、13
IOM 1、ポート 0
20
1
スロット 3、ポート 0
1、5、13
IOM 0、ポート 0
17
0
スロット 9、ポート 0
27、35、39
IOM 1、ポート 0
20
1
スロット 10、ポート 0
27、35、39
IOM 0、ポート 0

次の表では、6 メートルの SAS 光ケーブルを使用する場合の、拡張キャビネット 1 内の 10 台のディスクシェルフの位置およびポート接続について説明します。最初のディスクシェルフは RU01 にあり、各ディスクシェルフには 2 基の IOM があります。拡張キャビネット 1 は、ディスクシェルフ 10 から 19 をサポートしています。

表 7  拡張キャビネット 1: コントローラおよびディスクシェルフの位置および接続 (2 チェーン)
RU
コントローラ
HBA ポート
RU
ディスクシェルフポート
20
1
スロット 2、ポート 1
1
IOM 1、ポート 2
17
0
スロット 3、ポート 1
1
IOM 0、ポート 2
20
1
スロット 9、ポート 1
21
IOM 1、ポート 2
17
0
スロット 10、ポート 1
21
IOM 0、ポート 2
17
0
スロット 2、ポート 1
5、9、13、17
IOM 1、ポート 0
20
1
スロット 3、ポート 1
5、9、13、17
IOM 0、ポート 0
17
0
スロット 9、ポート 1
25、33、37
IOM 1、ポート 0
20
1
スロット 10、ポート 1
25、33、37
IOM 0、ポート 0

次の表では、6 メートルの SAS 光ケーブルを使用する場合の、拡張キャビネット 2 内の 10 台のディスクシェルフの位置およびポート接続について説明します。最初のディスクシェルフは RU01 にあり、各ディスクシェルフには 2 基の IOM があります。拡張キャビネット 2 は、ディスクシェルフ 20 から 29 をサポートしています。

表 8  拡張キャビネット 2: コントローラおよびディスクシェルフの位置および接続 (2 チェーン)
RU
コントローラ
HBA ポート
RU
ディスクシェルフポート
20
1
スロット 2、ポート 2
1
IOM 1、ポート 2
17
0
スロット 3、ポート 2
1
IOM 0、ポート 2
20
1
スロット 9、ポート 2
21
IOM 1、ポート 2
17
0
スロット 10、ポート 2
21
IOM 0、ポート 2
17
0
スロット 2、ポート 2
5、9、13、17
IOM 1、ポート 0
20
1
スロット 3、ポート 2
5、9、13、17
IOM 0、ポート 0
17
0
スロット 9、ポート 2
25、33、37
IOM 1、ポート 0
20
1
スロット 10、ポート 2
25、33、37
IOM 0、ポート 0

次の表では、6 メートルの SAS 光ケーブルを使用する場合の、拡張キャビネット 3 内の 10 台のディスクシェルフの位置およびポート接続について説明します。最初のディスクシェルフは RU01 にあり、各ディスクシェルフには 2 基の IOM があります。拡張キャビネット 2 は、ディスクシェルフ 30 から 39 をサポートしています。

表 9  拡張キャビネット 3: コントローラおよびディスクシェルフの位置および接続 (2 チェーン)
RU
コントローラ
HBA ポート
RU
ディスクシェルフポート
20
1
スロット 2、ポート 3
1
IOM 1、ポート 2
17
0
スロット 3、ポート 3
1
IOM 0、ポート 2
20
1
スロット 9、ポート 3
21
IOM 1、ポート 2
17
0
スロット 10、ポート 3
21
IOM 0、ポート 2
17
0
スロット 2、ポート 3
5、9、13、17
IOM 1、ポート 0
20
1
スロット 3、ポート 3
5、9、13、17
IOM 0、ポート 0
17
0
スロット 9、ポート 3
25、33、37
IOM 1、ポート 0
20
1
スロット 10、ポート 3
25、33、37
IOM 0、ポート 0

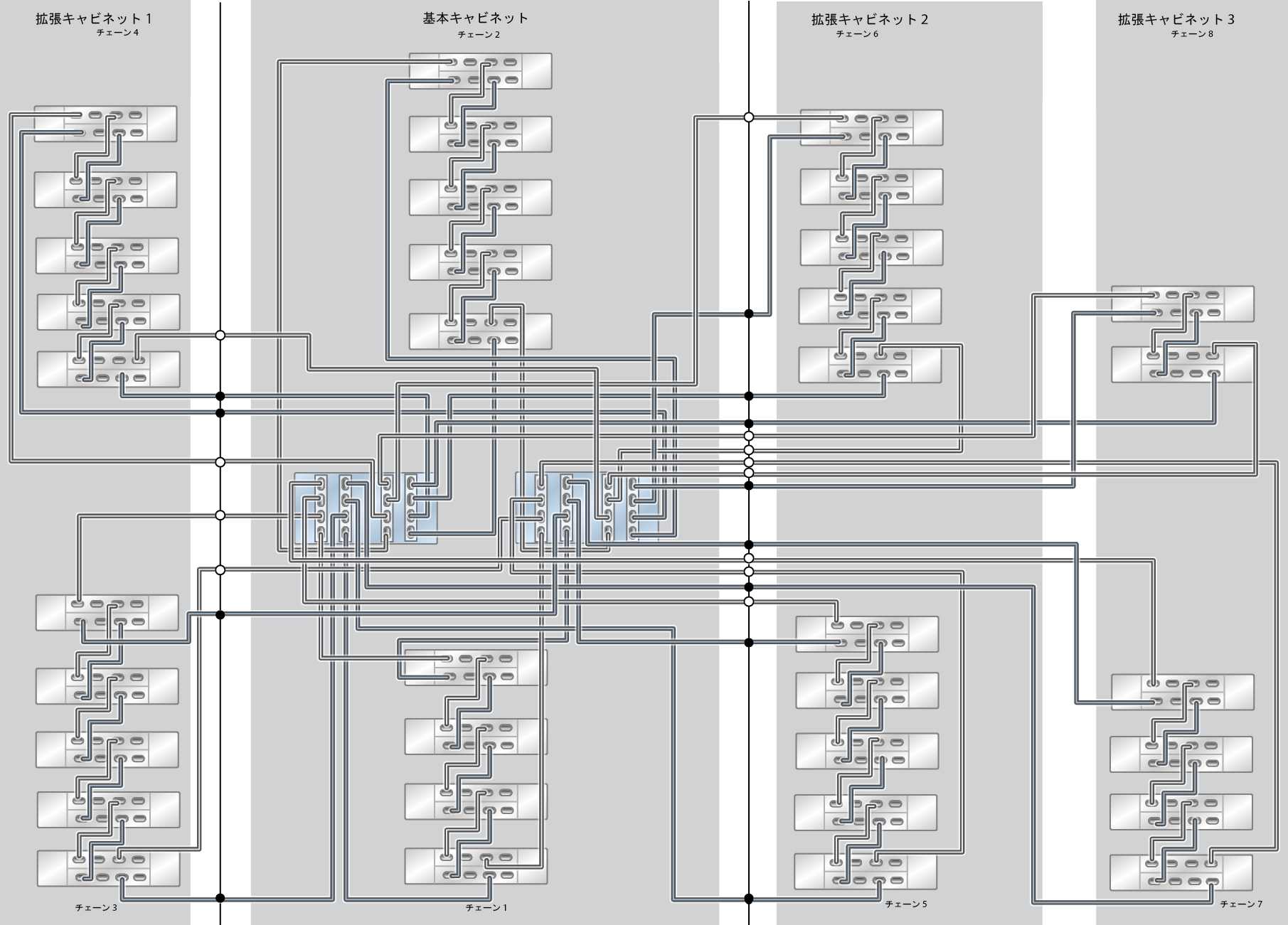
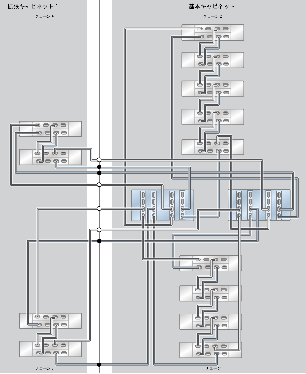
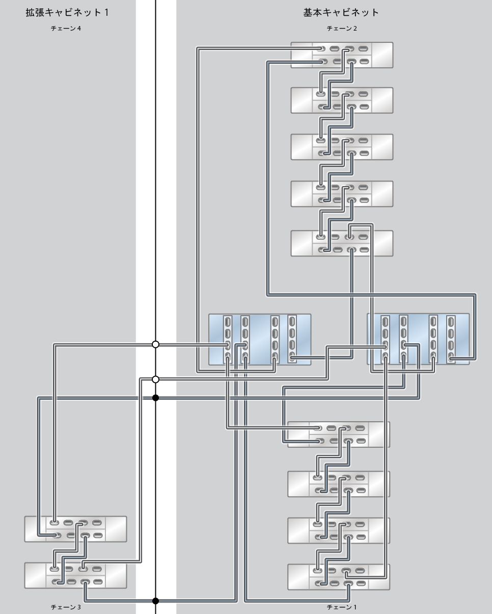
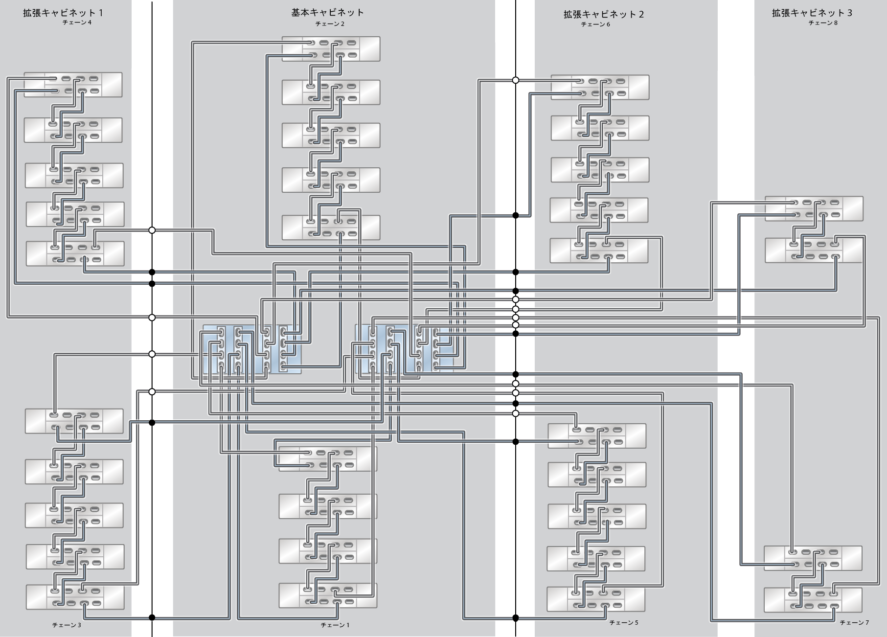
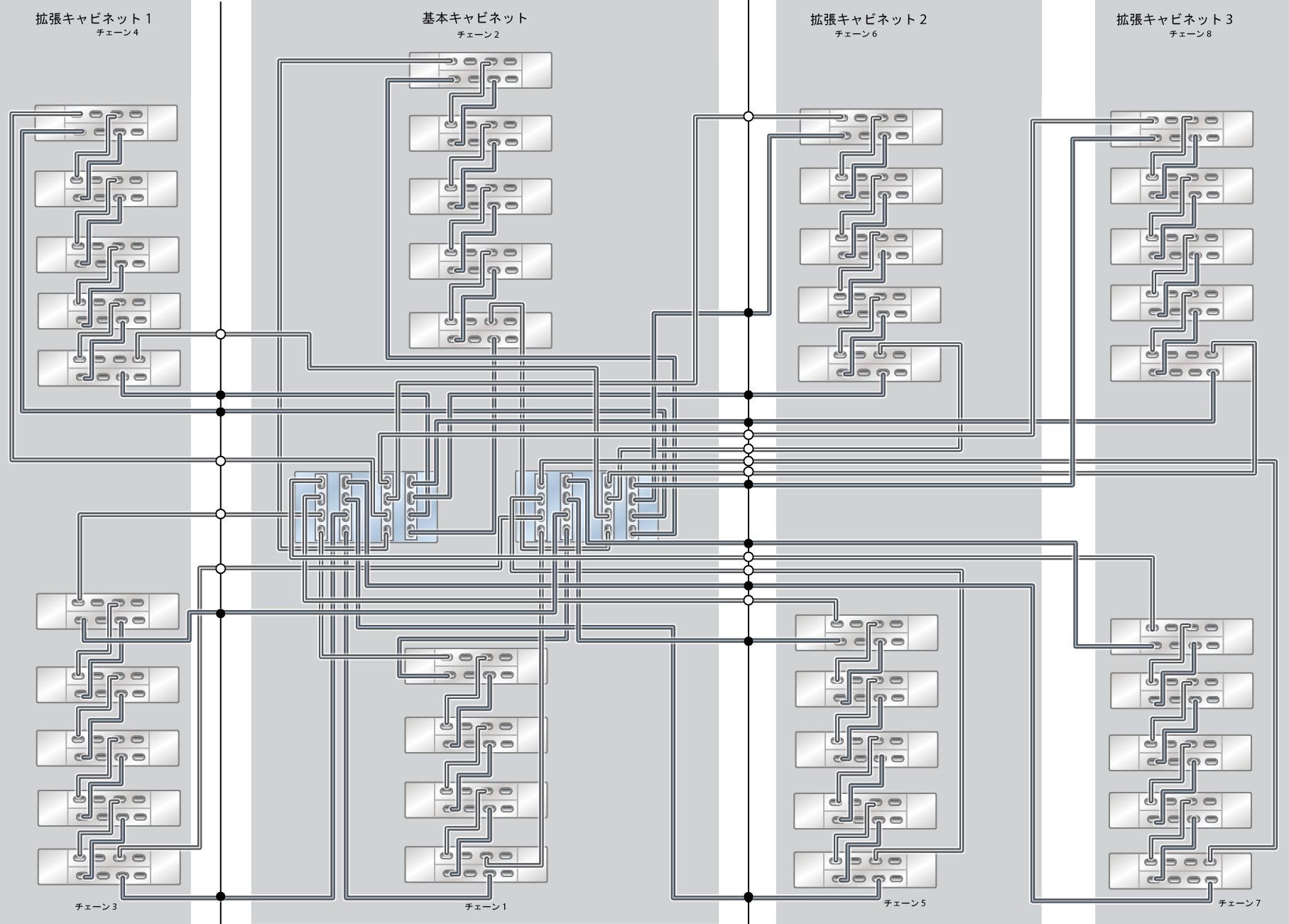
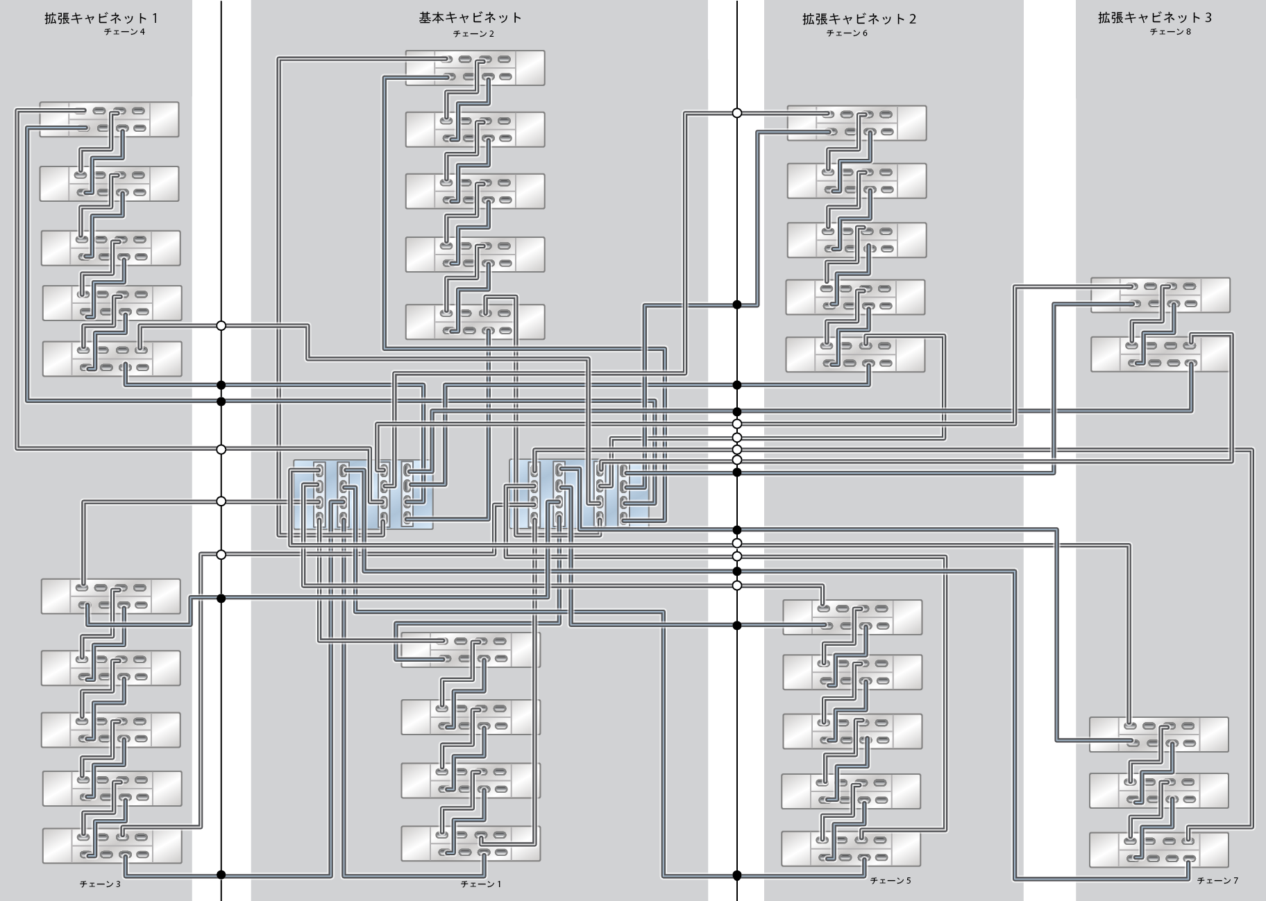
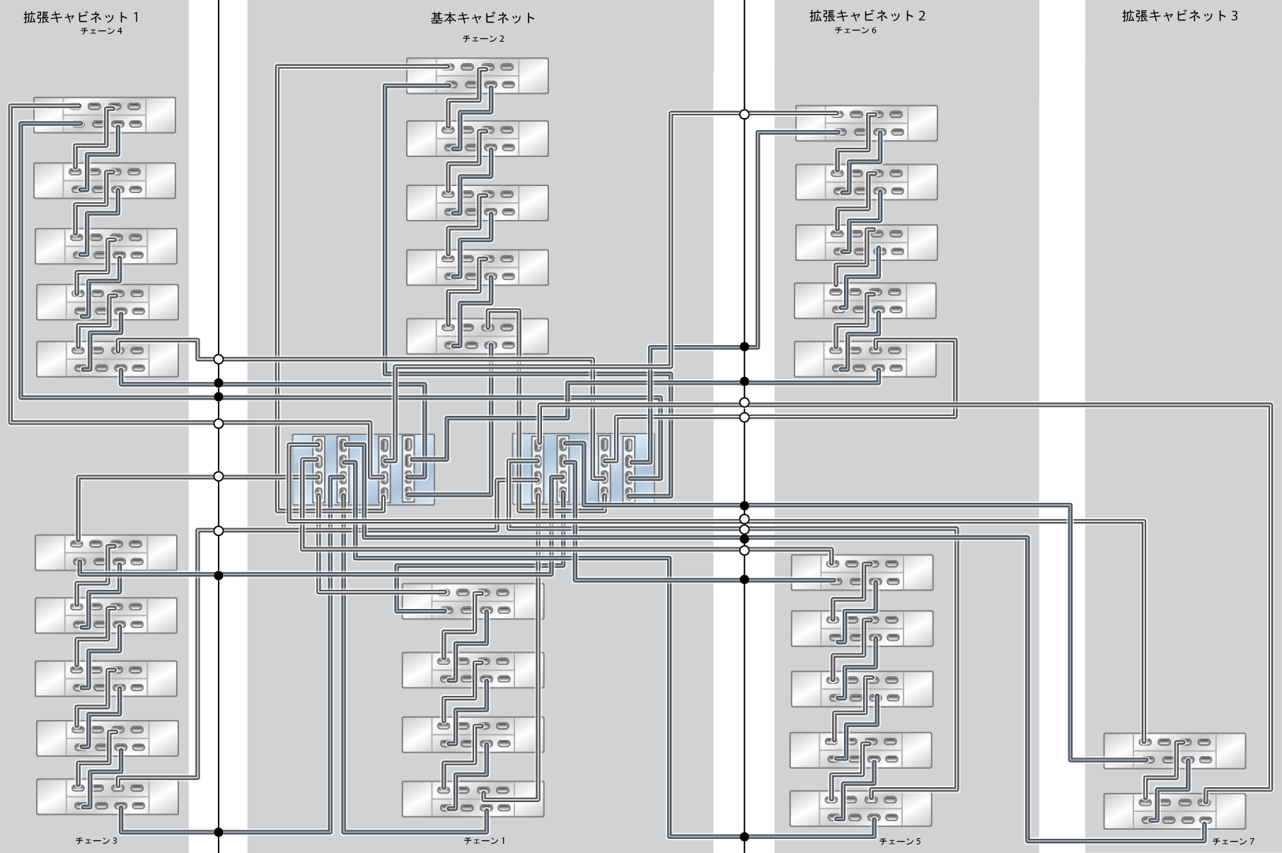
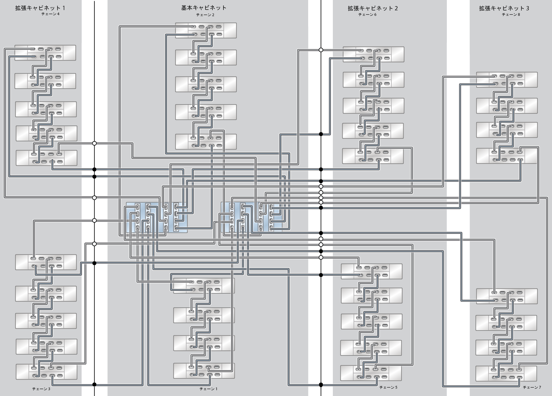
次の図は、事前ラック搭載済みシステムを配線する方法、および将来システムを拡張する方法について説明します。各図の凡例は次のとおりです。

  • 白丸は上部 IOM (IOM 1) へのケーブル接続を示しています。

  • 黒丸は下部 IOM (IOM 0) へのケーブル接続を示しています。

図 621  ZS7-2 HE ラック搭載システムの容量構成: 11 台の DE3-24C ディスクシェルフ

image:ZFS Storage Appliance ラック搭載システム ZS7-2 HE: 11 台の DE3-24C ディスクシェルフ

図 622  ZS7-2 HE ラック搭載システムの容量構成: 13 台の DE3-24C ディスクシェルフ

image:ZFS Storage Appliance ラック搭載システム ZS7-2 HE: 13 台の DE3-24C ディスクシェルフ

図 623  ZS7-2 HE ラック搭載システムの容量構成: 14 台の DE3-24C ディスクシェルフ (拡張キャビネット 1: ハーフラック)

image:ZFS Storage Appliance ラック搭載システム ZS7-2 HE: 14 台の DE3-24C ディスクシェルフ (ハーフラック)

図 624  ZS7-2 HE ラック搭載システムの容量構成: 15 台の DE3-24C ディスクシェルフ

image:ZFS Storage Appliance ラック搭載システム ZS7-2 HE: 15 台の DE3-24C ディスクシェルフ

図 625  ZS7-2 HE ラック搭載システムの容量構成: 17 台の DE3-24C ディスクシェルフ

image:ZFS Storage Appliance ラック搭載システム ZS7-2 HE: 17 台の DE3-24C ディスクシェルフ

図 626  ZS7-2 HE ラック搭載システムの容量構成: 19 台の DE3-24C ディスクシェルフ

image:ZFS Storage Appliance ラック搭載システム ZS7-2 HE: 19 台の DE3-24C ディスクシェルフ

図 627  ZS7-2 HE ラック搭載システムの容量構成: 21 台の DE3-24C ディスクシェルフ

image:ZFS Storage Appliance ラック搭載システム ZS7-2 HE: 21 台の DE3-24C ディスクシェルフ

図 628  ZS7-2 HE ラック搭載システムの容量構成: 23 台の DE3-24C ディスクシェルフ

image:ZFS Storage Appliance ラック搭載システム ZS7-2 HE: 23 台の DE3-24C ディスクシェルフ

図 629  ZS7-2 HE ラック搭載システムの容量構成: 24 台の DE3-24C ディスクシェルフ (拡張キャビネット 2: ハーフラック)

image:ZFS Storage Appliance ラック搭載システム ZS7-2 HE: 24 台の DE3-24C ディスクシェルフ (ハーフラック)

図 630  ZS7-2 HE ラック搭載システムの容量構成: 25 台の DE3-24C ディスクシェルフ

image:ZFS Storage Appliance ラック搭載システム ZS7-2 HE: 25 台の DE3-24C ディスクシェルフ

図 631  ZS7-2 HE ラック搭載システムの容量構成: 27 台の DE3-24C ディスクシェルフ

image:ZFS Storage Appliance ラック搭載システム ZS7-2 HE: 27 台の DE3-24C ディスクシェルフ

図 632  ZS7-2 HE ラック搭載システムの容量構成: 29 台の DE3-24C ディスクシェルフ

image:ZFS Storage Appliance ラック搭載システム ZS7-2 HE: 29 台の DE3-24C ディスクシェルフ

図 633  ZS7-2 HE ラック搭載システムの容量構成: 31 台の DE3-24C ディスクシェルフ

image:ZFS Storage Appliance ラック搭載システム ZS7-2 HE: 31 台の DE3-24C ディスクシェルフ

図 634  ZS7-2 HE ラック搭載システムの容量構成: 33 台の DE3-24C ディスクシェルフ

image:ZFS Storage Appliance ラック搭載システム ZS7-2 HE: 33 台の DE3-24C ディスクシェルフ

図 635  ZS7-2 HE ラック搭載システムの容量構成: 34 台の DE3-24C ディスクシェルフ (拡張キャビネット 3: ハーフラック)

image:ZFS Storage Appliance ラック搭載システム ZS7-2 HE: 34 台の DE3-24C ディスクシェルフ (ハーフラック)

図 636  ZS7-2 HE ラック搭載システムの容量構成: 35 台の DE3-24C ディスクシェルフ

image:ZFS Storage Appliance ラック搭載システム ZS7-2 HE: 35 台の DE3-24C ディスクシェルフ

図 637  ZS7-2 HE ラック搭載システムの容量構成: 37 台の DE3-24C ディスクシェルフ

image:ZFS Storage Appliance ラック搭載システム ZS7-2 HE: 37 台の DE3-24C ディスクシェルフ

図 638  ZS7-2 HE ラック搭載システムの容量構成: 39 台の DE3-24C ディスクシェルフ

image:ZFS Storage Appliance ラック搭載システム ZS7-2 HE: 39 台の DE3-24C ディスクシェルフ