Go to main content

Oracle® ZFS Storage Appliance 配線ガイド

印刷ビューの終了

更新: 2018 年 11 月
 
 

DE3-24 ディスクシェルフを ZS7-2 ハイエンド (HE) コントローラに配線する

このセクションでは、スタンドアロンおよびクラスタ化 ZS7-2 HE コントローラを DE3-24 ディスクシェルフに適切に配線するためのガイドラインを説明します。

1 台以上のディスクシェルフに接続するには、次のトピックの図を使用してください。

ZS7-2 HE スタンドアロンから DE3-24 ディスクシェルフ (HBA 4 基)

次の図は、HBA 4 基を搭載する Oracle ZFS Storage ZS7-2 HE スタンドアロンコントローラでサポートされる構成のサブセットを示します。コントローラをディスクシェルフに配線するには、配線の入門を参照してください。


注 -  ポートの位置については、Oracle ZFS Storage Appliance インストールガイドに記載された対応するコントローラのハードウェア概要のセクションを参照してください。

図 3  2 つのチェーン内で DE3-24 ディスクシェルフ 2 台に接続された HBA 4 基を搭載するスタンドアロン ZS7-2 HE コントローラ

image:2 つのチェーン内で DE3-24 ディスクシェルフ 2 台に接続された HBA 4 基を搭載するスタンドアロン ZS7-2 HE コントローラを示す図

図 4  3 つのチェーン内で DE3-24 ディスクシェルフ 3 台に接続された HBA 4 基を搭載するスタンドアロン ZS7-2 HE コントローラ

image:3 つのチェーン内で DE3-24 ディスクシェルフ 3 台に接続された HBA 4 基を搭載するスタンドアロン ZS7-2 HE コントローラを示す図

図 5  4 つのチェーン内で DE3-24 ディスクシェルフ 4 台に接続された HBA 4 基を搭載するスタンドアロン ZS7-2 HE コントローラ

image:4 つのチェーン内で DE3-24 ディスクシェルフ 4 台に接続された HBA 4 基を搭載するスタンドアロン ZS7-2 HE コントローラを示す図

図 6  5 つのチェーン内で DE3-24 ディスクシェルフ 5 台に接続された HBA 4 基を搭載するスタンドアロン ZS7-2 HE コントローラ

image:5 つのチェーン内で DE3-24 ディスクシェルフ 5 台に接続された HBA 4 基を搭載するスタンドアロン ZS7-2 HE コントローラを示す図

図 7  6 つのチェーン内で DE3-24 ディスクシェルフ 6 台に接続された HBA 4 基を搭載するスタンドアロン ZS7-2 HE コントローラ

image:6 つのチェーン内で DE3-24 ディスクシェルフ 6 台に接続された HBA 4 基を搭載するスタンドアロン ZS7-2 HE コントローラを示す図

図 8  7 つのチェーン内で DE3-24 ディスクシェルフ 7 台に接続された HBA 4 基を搭載するスタンドアロン ZS7-2 HE コントローラ

image:4 つのチェーン内で DE3-24 ディスクシェルフ 7 台に接続された HBA 4 基を搭載するスタンドアロン ZS7-2 HE コントローラを示す図

図 9  8 つのチェーン内で DE3-24 ディスクシェルフ 8 台に接続された HBA 4 基を搭載するスタンドアロン ZS7-2 HE コントローラ

image:4 つのチェーン内で DE3-24 ディスクシェルフ 8 台に接続された HBA 4 基を搭載するスタンドアロン ZS7-2 HE コントローラを示す図

図 10  1 つのチェーン内の複数のディスクシェルフ

image:同じチェーン内の複数の DE3 を示す図。

ZS7-2 HE クラスタ化から DE3-24 ディスクシェルフ (HBA 4 基)

次の図は、HBA 4 基を搭載する Oracle ZFS Storage ZS7-2 HE クラスタ化コントローラでサポートされる構成のサブセットを示します。コントローラをディスクシェルフに配線するには、配線の入門を参照してください。


注 -  ポートの位置については、Oracle ZFS Storage Appliance インストールガイドに記載された対応するコントローラのハードウェア概要のセクションを参照してください。

図 11  2 つのチェーン内で DE3-24 ディスクシェルフ 2 台に接続された HBA 4 基を搭載するクラスタ化 ZS7-2 HE コントローラ

image:2 つのチェーン内で DE3-24 ディスクシェルフ 2 台に接続された HBA 4 基を搭載するクラスタ化 ZS7-2 HE コントローラを示す図

図 12  3 つのチェーン内で DE3-24 ディスクシェルフ 3 台に接続された HBA 4 基を搭載するクラスタ化 ZS7-2 HE コントローラ

image:3 つのチェーン内で DE3-24 ディスクシェルフ 3 台に接続された HBA 4 基を搭載するクラスタ化 ZS7-2 HE コントローラを示す図

図 13  4 つのチェーン内で DE3-24 ディスクシェルフ 4 台に接続された HBA 4 基を搭載するクラスタ化 ZS7-2 HE コントローラ

image:4 つのチェーン内で DE3-24 ディスクシェルフ 4 台に接続された HBA 4 基を搭載するクラスタ化 ZS7-2 HE コントローラを示す図

図 14  5 つのチェーン内で DE3-24 ディスクシェルフ 5 台に接続された HBA 4 基を搭載するクラスタ化 ZS7-2 HE コントローラ

image:5 つのチェーン内で DE3-24 ディスクシェルフ 5 台に接続された HBA 4 基を搭載するクラスタ化 ZS7-2 HE コントローラを示す図

図 15  6 つのチェーン内で DE3-24 ディスクシェルフ 6 台に接続された HBA 4 基を搭載するクラスタ化 ZS7-2 HE コントローラ

image:6 つのチェーン内で DE3-24 ディスクシェルフ 6 台に接続された HBA 4 基を搭載するクラスタ化 ZS7-2 HE コントローラを示す図

図 16  7 つのチェーン内で DE3-24 ディスクシェルフ 7 台に接続された HBA 4 基を搭載するクラスタ化 ZS7-2 HE コントローラ

image:4 つのチェーン内で DE3-24 ディスクシェルフ 7 台に接続された HBA 4 基を搭載するクラスタ化 ZS7-2 HE コントローラを示す図

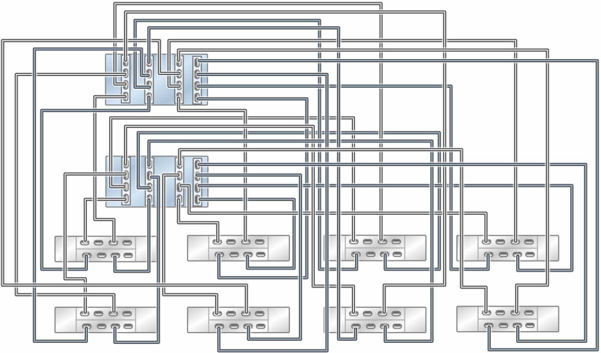
図 17  8 つのチェーン内で DE3-24 ディスクシェルフ 8 台に接続された HBA 4 基を搭載するクラスタ化 ZS7-2 HE コントローラ

image:4 つのチェーン内で DE3-24 ディスクシェルフ 8 台に接続された HBA 4 基を搭載するクラスタ化 ZS7-2 HE コントローラを示す図

図 18  1 つのチェーン内の複数のディスクシェルフ

image:同じチェーン内の複数の DE3 を示す図。