Go to main content

Oracle® ZFS Storage Appliance 布线指南,发行版 OS8.8.x

退出打印视图

更新时间: 2021 年 8 月
 
 

用电缆将混合 DE3-24 和 DE2-24 磁盘机框连接到 ZS4-4 控制器

参考本节中的图通过引入一个或多个 DE3-24 磁盘机框来升级或添加到具有 DE2-24 磁盘机框的系统。在下图中,DE2-24 磁盘机框具有三个 I/O 模块端口,DE3-24 磁盘机框具有四个端口。有关磁盘机框混合使用准则,请参见机柜和布线准则


注 -  添加 DE3-24 磁盘机框使用 SAS-3 布线,但是保留 SAS-2 传统布线方法。使用 SAS-3 HBA 替换 SAS-2 HBA 不会影响布线互连。

在链末尾将 DE3-24 添加到 DE2-24 磁盘机框

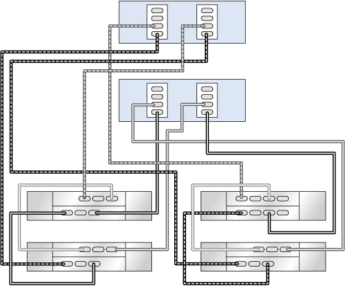
在此示例中,将一个 DE3-24(右侧链,第一个磁盘机框)添加到单个 DE2-24 磁盘机框链。左侧链未更改。

图 536  具有两个 HBA 且通过两个链连接到一个 DE3-24(右侧链,第一个磁盘机框)和三个 DE2-24 的群集 ZS4-4 控制器

image:具有两个 HBA 且通过两个链连接到一个 DE3-24(右侧链,第一个磁盘机框)和三个 DE2-24 的群集 ZS4-4 控制器

在链中间将一个 DE3-24 添加/替换到 DE2-24 磁盘机框

在此示例中,在中间将一个 DE3-24(底部链,第二个磁盘机框)添加/替换到一个 DE2-24 磁盘机框链。它上方的其余两个链未更改。

图 537  具有三个 HBA 且通过三个链连接到一个 DE3-24(底部链,第二个磁盘机框)和六个 DE2-24 的群集 ZS4-4 控制器

image:具有三个 HBA 且通过三个链连接到一个 DE3-24(底部链,第二个磁盘机框)和六个 DE2-24 的群集 ZS4-4 控制器

添加专用 DE3-24 磁盘机框链

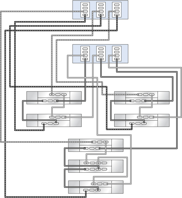
在此示例中,添加了一个包含两个 DE3-24(右侧链,第二个和第四个磁盘机框)的链。其余三个链未更改。

图 538  具有四个 HBA 且通过四个链连接到两个 DE3-24(右侧链,第三个和第四个磁盘机框)和六个 DE2-24 的群集 ZS4-4 控制器

image:具有四个 HBA 且通过四个链连接到两个 DE3-24(右侧链,第三个和第四个磁盘机框)和六个 DE2-24 的群集 ZS4-4 控制器