Go to main content

Oracle® ZFS Storage Appliance 布线指南,发行版 OS8.8.x

退出打印视图

更新时间: 2021 年 8 月
 
 

ZS9-2 MR Racked System 的全闪存/混合配置

本节提供了采用全闪存/混合配置(只使用 DE3-24P 磁盘机框或混合使用 DE3-24P 和 DE3-24C 磁盘机框)的 ZS9-2 MR Racked System 的概述和布线图。高性能 DE3-24P 磁盘机框包含 20 或 24 个全闪存 SSD,或包含 20 或 24 个高速硬盘驱动器。有些配置包含读高速缓存设备和/或日志设备。最大性能配置支持 DE3-24P 磁盘机框,而最佳性能配置支持 DE3-24P 和 DE3-24C 磁盘机框。有些配置不支持扩展机柜。

本节包含以下主题:

ZS9-2 MR Racked System 全闪存/混合配置概述

全闪存/混合配置利用 DE3-24P 高性能磁盘机框,可用于基本机柜,对于某些配置也可用于最多具有一个扩展机柜的基本机柜。六种基本机柜选件总共有 27 种可能的系统配置,所有基本机柜选件都包含两个 ZS9-2 MR 控制器。


注 -  Oracle ZFS Storage Appliance Racked System ZS9-2 具有预设配置,可以在现场升级到 Oracle ZFS Storage ZS9-2 支持的任何配置。例如,可以通过将一个磁盘机框添加到双磁盘机框配置、为新磁盘机框添加布线,然后对这些磁盘机框重新布线,来升级机架式系统。这样,将支持三个磁盘机框,即使未在三磁盘机框配置中提供机架式系统也是如此。复杂的升级需要大量规划和重新布线。

ZS9-2 MR Racked System 最大性能配置支持基本机柜中最多有四个 Oracle Storage Drive Enclosure DE3-24P 磁盘机框。磁盘机框按每个链一个机框进行配置以获得最大性能。根据基本机柜中的链数量,ZS9-2 MR Racked System 最大性能配置可以支持一个扩展机柜。

表 16  ZS9-2 MR Racked System 最大性能配置组件
基本机柜
扩展机柜
最多 4 个 DE3-24P 磁盘机框
出厂配置:1、2 或 4 个 DE3-24P 磁盘机框
两个 ZS9-2 MR 控制器
最多 10 个 DE3-24C 磁盘机框

ZS9-2 MR Racked System 最佳性能配置支持基本机柜中最多有 18 个 Oracle Storage Drive Enclosure DE3-24P 磁盘机框以及 Oracle Storage Drive Enclosure DE3-24C 和 DE3-24P 磁盘机框各种组合。根据基本机柜中的链数量,ZS9-2 MR Racked System 最佳性能配置最多可以支持一个扩展机柜。

表 17  ZS9-2 MR Racked System 最佳性能配置组件
基本机柜
扩展机柜
最多 18 个 DE3-24P 磁盘机框

    出厂配置:

  • DE3-24P 磁盘机框:2、4、6、8、10、12、14、16 或 18

  • 混合 DE3-24C/DE3-24P 磁盘机框:

    • 2 个 DE3-24C/2 个到 14 个 DE3-24P

    • 4 个 DE3-24C/2 个到 10 个 DE3-24P

    • 6 个 DE3-24C/2 个到 6 个 DE3-24P

    • 8 个 DE3-24C/2 个 DE3-24P

两个 ZS9-2 MR 控制器
最多 10 个 DE3-24C 磁盘机框

ZS9-2 MR Racked System 全闪存/混合配置支持各种存储选件。

表 18  ZS9-2 MR Racked System 磁盘机框设备类型和允许的配置
磁盘机框
数据设备
读高速缓存设备
日志设备
DE3-24P 全闪存
7.68 TB SSD:24 个(在插槽 0 - 23 中)或 20 个(在插槽 0 - 19 中)
不允许
200 GB SSD(在插槽 20 - 23 中)
DE3-24P
1.2 TB HDD:24 个(在插槽 0 - 23 中)或 20 个(在插槽 0 - 19 中)
7.68 TB SSD(在插槽 20 - 23 中)
200 GB SSD(在插槽 20 - 23 中)
DE3-24C
10 或 14 TB HDD:24 个(在插槽 0 - 23 中)或 20 个(在插槽 0 - 19 中)
7.68 TB SSD(在插槽 20 - 23 中)
200 GB SSD(在插槽 20 - 23 中)

ZS9-2 MR Racked System 全闪存/混合配置的基本机柜配置

在 ZS9-2 MR Racked System 全闪存/混合配置中,每个控制器中有两个 SAS-3 HBA(最多可提供八个端口用于 SAS-3 HBA 连接)。

SAS-3 HBA 端口编号顺序采用升序方式,即自下(端口 0)而上(端口 3)。SAS-3 HBA 卡和 DE3-24 磁盘机框都使用 SFF 8644 连接器。

下图显示了每个 HBA 卡的插槽编号,以及每个卡中的端口号。

图 712  ZS9-2 MR 控制器 HBA 插槽编号(后视图)

image:此图显示了 ZS9-2 MR 后面板与 HBA 插槽编号。

如下图所示,DE3-24P 磁盘机框具有两个 I/O 模块 (I/O module, IOM),每个 IOM 具有四个端口。在任何布线配置中,从来不使用端口 1 和端口 3。

图 713  DE3-24P 磁盘机框 HBA 连接(后视图)

image:此图显示了 DE3-24P 后面板与 HBA 连接。

如下图所示,DE3-24C 磁盘机框具有两个 I/O 模块 (I/O module, IOM),每个 IOM 具有四个端口。在任何布线配置中,从来不使用端口 1 和端口 3。

图 714  DE3-24C 磁盘机框 HBA 连接(后视图)

image:此图显示了 DE3-24C 后面板与 HBA 连接。

ZS9-2 MR Racked System 布线配置遵循标准布线方法,但存在附加限制,即要使用理线架 (cable management arm, CMA)。这种配置可为 SSD 日志设备和读高速缓存设备匹配提供更加实用的实施方式,并可以按最大性能或最佳性能进行配置。

如果升级要更改 SAS-3 HBA 卡数量或包含多个机柜,而这些机柜不是原始 ZS9-2 MR Racked System 或与 ZS9-2 MR Racked System 不兼容,则必须针对该特殊配置重新连接电缆。有关将 DE3-24 磁盘机框连接到具有 4x4 端口 SAS-3 HBA 的 ZS9-2 MR 控制器的布线示例,请参见将 DE3-24 磁盘机框用电缆连接到 ZS9-2 中端 (Mid-range, MR) 控制器。有关 SAS 电缆长度准则,请参见机柜和布线准则

机柜是独立系统,并且预先已按照所需布线方法连接电缆。以下各图显示了如何用电缆连接六种基本机柜选件。

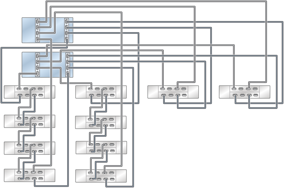
图 715  ZS9-2 MR Racked System 性能配置:四个 DE3-24P 磁盘机框(最大性能)

image:此图显示了通过四个链连接四个 DE3-24P 磁盘机框的 ZS9-2 MR Racked System。

此配置利用最大性能布线方案,可以有一个、两个或四个 DE3-24P 磁盘机框。

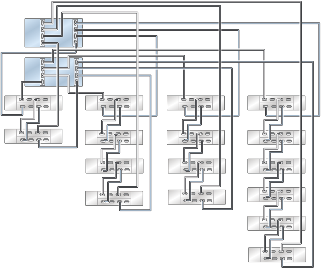
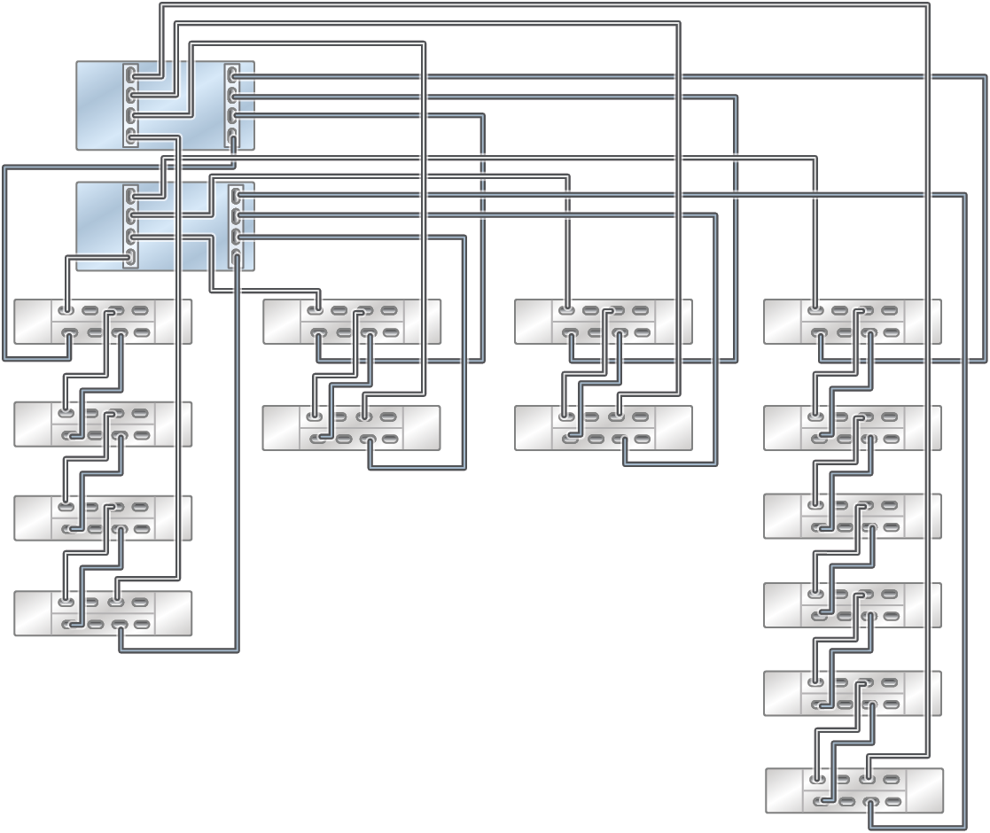
图 716  ZS9-2 MR Racked System 性能配置:18 个 DE3-24P 磁盘机框(最佳性能)

image:此图显示了通过四个链连接 18 个 DE3-24P 磁盘机框的 ZS9-2 MR Racked System 性能配置。

此配置中的 DE3-24P 磁盘机框以成对方式添加。任何其他磁盘机框组合以成对方式从机架底部开始添加。有效的磁盘机框计数组合为 2、4、6、8、10、12、14、16 和 18 个磁盘机框。

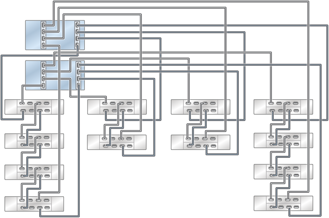
图 717  ZS9-2 MR Racked System 性能配置:两个 DE3-24C(底部左侧)和两个 DE3-24P 到 14 个 DE3-24P 磁盘机框(最佳性能)

image:此图显示了通过 4 个链连接 2 个 DE3-24C 磁盘机框和 2 个到 14 个 DE3-24P 磁盘机框的 ZS9-2 MR Racked System 性能配置。

此配置中的 DE3-24P 磁盘机框以成对方式添加。任何其他磁盘机框组合以成对方式从机架底部开始添加。有效的磁盘机框计数组合为 2、4、6、8、10、12、14 和 16 个磁盘机框。

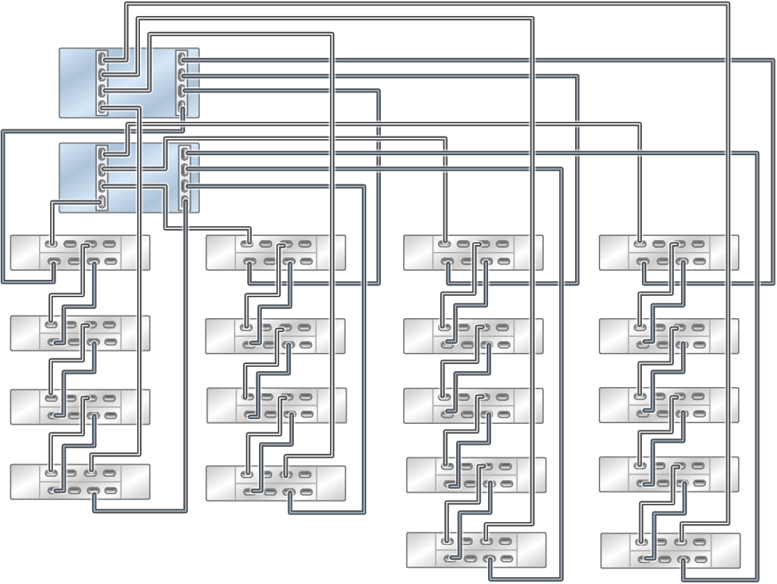
图 718  ZS9-2 MR Racked System 性能配置:四个 DE3-24C(底部左侧)和两个 DE3-24P 到十个 DE3-24P 磁盘机框(最佳性能)

image:此图显示了通过 4 个链连接 4 个 DE3-24C 磁盘机框和 2 个到 10 个 DE3-24P 磁盘机框的 ZS9-2 MR Racked System 性能配置。

图 719  ZS9-2 MR Racked System 性能配置:六个 DE3-24C(左侧前两个链)和两个 DE3-24P 到六个 DE3-24P 磁盘机框(最佳性能)

image:此图显示了通过四个链连接六个 DE3-24C 和两 个 DE3-24P 到六 个 DE3-24P 磁盘机框的 ZS9-2 MR Racked System 全闪存。

图 720  ZS9-2 MR Racked System 性能配置:八个 DE3-24C(左侧前两个链)和两个 DE3-24P 磁盘机框(最佳性能)

image:此图显示了通过四个链连接八个 DE3-24C 和两个 DE3-24P 磁盘机框的 ZS9-2 MR Racked System。