Go to main content

Oracle® ZFS Storage Appliance 布线指南,发行版 OS8.8.x

退出打印视图

更新时间: 2021 年 8 月
 
 

ZS4-4 Racked System 容量配置的布线表和图

下表说明了基本机柜中两个控制器和八个磁盘机框的位置及端口连接(使用 3 米 SAS 电缆)。第一个磁盘机框位于 RU01 中,每个磁盘机框具有两个 IOM。

表 48  基本机柜:控制器和磁盘机框位置和连接
RU
控制器
HBA 端口
RU
磁盘机框
磁盘机框端口
20
1
插槽 3,端口 0
1
1
IOM 0,端口 0
17
0
插槽 6,端口 1
1
1
IOM 1,端口 2
20
1
插槽 6,端口 0
9
3
IOM 0,端口 0
17
0
插槽 7,端口 1
9
3
IOM 1,端口 2
20
1
插槽 7,端口 0
23
5
IOM 0,端口 0
17
0
插槽 9,端口 1
23
5
IOM 1,端口 2
20
1
插槽 9,端口 0
31
7
IOM 0,端口 0
17
0
插槽 3,端口 1
31
7
IOM 1,端口 2
17
0
插槽 3,端口 0
5
2
IOM 0,端口 2
20
1
插槽 6,端口 1
5
2
IOM 1,端口 0
17
0
插槽 6,端口 0
13
4
IOM 0,端口 2
20
1
插槽 7,端口 1
13
4
IOM 1,端口 0
17
0
插槽 7,端口 0
27
6
IOM 0,端口 2
20
1
插槽 9,端口 1
27
6
IOM 1,端口 0
17
0
插槽 9,端口 0
35
8
IOM 0,端口 2
20
1
插槽 3,端口 1
35
8
IOM 1,端口 0

下表说明了扩展机柜 1 中 10 个磁盘机框的位置及端口连接(使用 6 米 SAS 电缆)。第一个磁盘机框位于 RU01 中,每个磁盘机框具有两个 IOM。扩展机柜 1 支持磁盘机框 9 到 18。

表 49  扩展机柜 1:控制器和磁盘机框位置和连接
RU
控制器
HBA 端口
RU
磁盘机框
磁盘机框端口
20
1
插槽 3,端口 2
1
9
IOM 0,端口 0
17
0
插槽 6,端口 3
1
9
IOM 1,端口 2
20
1
插槽 6,端口 2
21
11
IOM 0,端口 0
17
0
插槽 7,端口 3
21
11
IOM 1,端口 2
17
0
插槽 3,端口 2
5、9、13、18
10、13、14、17
IOM 0,端口 2
20
1
插槽 6,端口 3
5、9、13、18
10、13、14、17
IOM 1,端口 0
17
0
插槽 6,端口 2
25、29、33、37
12、15、16、18
IOM 0,端口 2
20
1
插槽 7,端口 3
25、29、33、37
12、15、16、18
IOM 1,端口 0

下表说明了扩展机柜 2 中 10 个磁盘机框的位置及端口连接(使用 6 米 SAS 电缆)。第一个磁盘机框位于 RU01 中,每个磁盘机框具有两个 IOM。扩展机柜 2 支持磁盘机框 19 到 28。

表 50  扩展机柜 2:控制器和磁盘机框位置和连接
RU
控制器
HBA 端口
RU
磁盘机框
磁盘机框端口
20
1
插槽 7,端口 2
1
19
IOM 0,端口 0
17
0
插槽 9,端口 3
1
19
IOM 1,端口 2
20
1
插槽 9,端口 2
21
21
IOM 0,端口 0
17
0
插槽 3,端口 3
21
21
IOM 1,端口 2
17
0
插槽 7,端口 2
5、9、13、18
20、23、24、27
IOM 0,端口 2
20
1
插槽 9,端口 3
5、9、13、18
20、23、24、27
IOM 1,端口 0
17
0
插槽 9,端口 2
25、29、33、37
22、25、26、28
IOM 0,端口 2
20
1
插槽 3,端口 3
25、29、33、37
22、25、26、28
IOM 1,端口 0

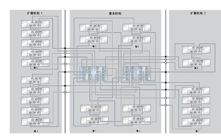
以下各图显示了如何为预先装入机架的系统布线,以及将来如何扩展系统。每个图的图例如下:

  • 空心圆表示到顶部 IOM (IOM 1) 的电缆连接。

  • 实心圆表示到底部 IOM (IOM 0) 的电缆连接。

图 832  ZS4-4 Racked System 容量配置:10 个 DE2-24C 磁盘机框

image:ZFS Storage Appliance Racked System ZS4-4:10 个 DE2-24C 磁盘机框

图 833  ZS4-4 Racked System 容量配置:12 个 DE2-24C 磁盘机框

image:ZFS Storage Appliance Racked System ZS4-4:12 个 DE2-24C 磁盘机框

图 834  ZS4-4 Racked System 容量配置:13 个 DE2-24C 磁盘机框(半机架)

image:ZFS Storage Appliance Racked System ZS4-4:13 个 DE2-24C 磁盘机框

图 835  ZS4-4 Racked System 容量配置:14 个 DE2-24C 磁盘机框

image:ZFS Storage Appliance Racked System ZS4-4:14 个 DE2-24C 磁盘机框

图 836  ZS4-4 Racked System 容量配置:16 个 DE2-24C 磁盘机框

image:ZFS Storage Appliance Racked System ZS4-4:16 个 DE2-24C 磁盘机框

图 837  ZS4-4 Racked System 容量配置:18 个 DE2-24C 磁盘机框

image:ZFS Storage Appliance Racked System ZS4-4:18 个 DE2-24C 磁盘机框

图 838  ZS4-4 Racked System 容量配置:20 个 DE2-24C 磁盘机框

image:ZFS Storage Appliance Racked System ZS4-4:20 个 DE2-24C 磁盘机框

图 839  ZS4-4 Racked System 容量配置:22 个 DE2-24C 磁盘机框

image:ZFS Storage Appliance Racked System ZS4-4:22 个 DE2-24C 磁盘机框

图 840  ZS4-4 Racked System 容量配置:23 个 DE2-24C 磁盘机框(半机架)

image:ZFS Storage Appliance Racked System ZS4-4:23 个 DE2-24C 磁盘机框

图 841  ZS4-4 Racked System 容量配置:24 个 DE2-24C 磁盘机框

image:ZFS Storage Appliance Racked System ZS4-4:24 个 DE2-24C 磁盘机框

图 842  ZS4-4 Racked System 容量配置:26 个 DE2-24C 磁盘机框

image:ZFS Storage Appliance Racked System ZS4-4:26 个 DE2-24C 磁盘机框

图 843  ZS4-4 Racked System 容量配置:28 个 DE2-24C 磁盘机框

image:ZFS Storage Appliance Racked System ZS4-4:28 个 DE2-24C 磁盘机框