Go to main content

Oracle® ZFS Storage Appliance 布线指南,发行版 OS8.8.x

退出打印视图

更新时间: 2021 年 8 月
 
 

ZS5-2 Racked System 性能配置的基本机柜配置

ZS5-2 Racked System 最大性能配置需要两个 SAS-3 HBA(最多可提供八个端口用于 SAS-3 HBA 连接)。

SAS-3 HBA 端口编号顺序采用升序方式,即自下(端口 0)而上(端口 3)。SAS-3 HBA 卡和 DE3-24 磁盘机框都使用 SFF 8644 连接器。

图 822  ZS5-2 控制器 HBA 插槽编号(后视图)

image:此图显示了 ZS5-2 后面板与 HBA 插槽编号。

图 823  DE3-24P 磁盘机框 HBA 连接(后视图)

image:此图显示了 DE3-24P 后面板与 HBA 连接。

图 824  DE3-24C 磁盘机框 HBA 连接(后视图)

image:此图显示了 DE3-24C 后面板与 HBA 连接。

ZS5-2 Racked System 布线配置遵循标准布线方法,但存在附加限制,即要使用理线架 (cable management arm, CMA)。这种配置可为 SSD 日志设备和读高速缓存设备匹配提供更加实用的实施方式,并可以按最大性能或最佳性能进行配置。

如果升级要更改 SAS-3 HBA 卡数量或包含多个机柜,而这些机柜不是原始 ZS5-2 Racked System 或与 ZS5-2 Racked System 不兼容,则必须针对该特殊配置重新连接电缆。有关将 DE3-24 磁盘机框连接到具有 4x4 端口 SAS-3 HBA 的 ZS5-2 控制器的布线示例,请参见将 DE3-24 磁盘机框用电缆连接到 ZS5-2 控制器。有关 SAS 电缆长度准则,请参见机柜和布线准则

机柜是独立系统,并且预先已按照所需布线方法连接电缆。以下各图显示了如何用电缆连接五种基本机柜选件。

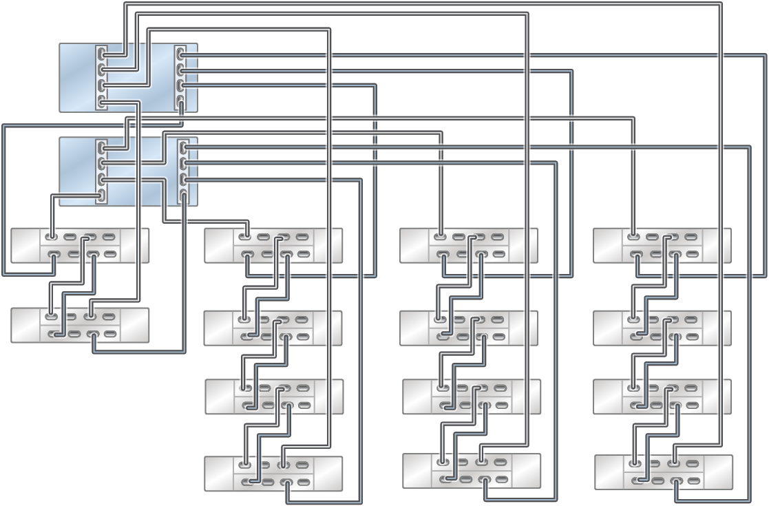
图 825  ZS5-2 Racked System 性能配置:四个 DE3-24P 全闪存磁盘机框(最大性能)

image:此图显示了通过四个链连接四个 DE3-24P 磁盘机框的 ZS5-2 Racked System 全闪存。

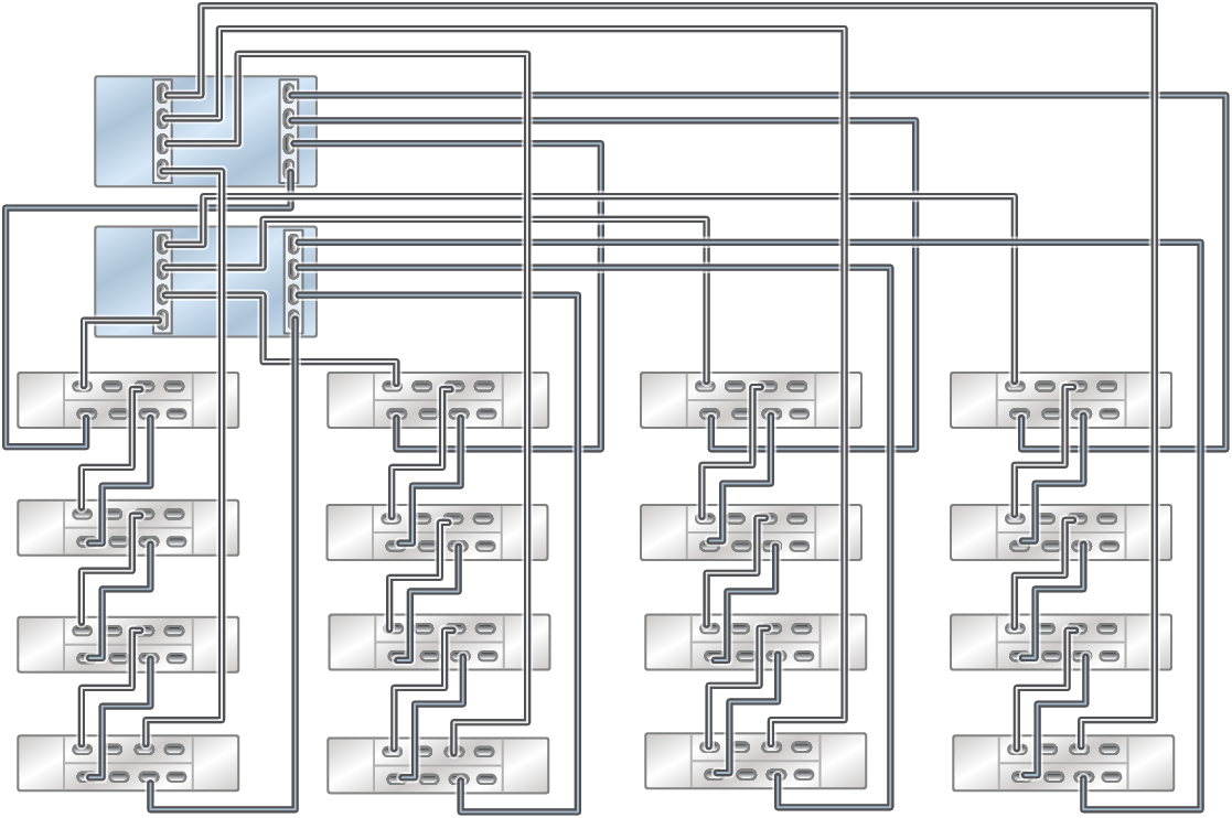
图 826  ZS5-2 Racked System 性能配置:16 个 DE3-24P 磁盘机框(最佳性能)

image:此图显示了通过四个链连接 16 个 DE3-24P 磁盘机框的 ZS5-2 Racked System 全闪存。

图 827  ZS5-2 Racked System 性能配置:两个 DE3-24C(底部左侧)和 12 个 DE3-24P 磁盘机框(最佳性能)

image:此图显示了通过四个链连接两个 DE3-24C(底部左侧)和 12 个 DE3-24P 磁盘机框的 ZS5-2 Racked System 全闪存。

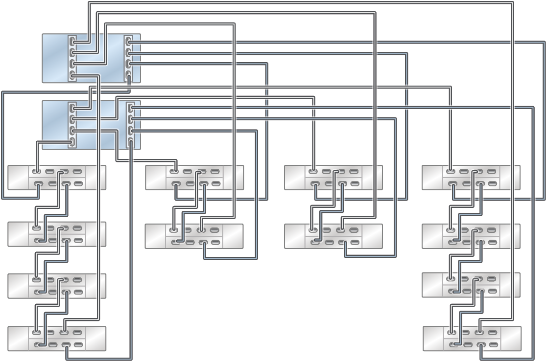
图 828  ZS5-2 Racked System 性能配置:四个 DE3-24C(底部左侧)和八个 DE3-24P 磁盘机框(最佳性能)

image:此图显示了通过四个链连接四个 DE3-24C(底部左侧)和八个 DE3-24P 磁盘机框的 ZS5-2 Racked System 全闪存。

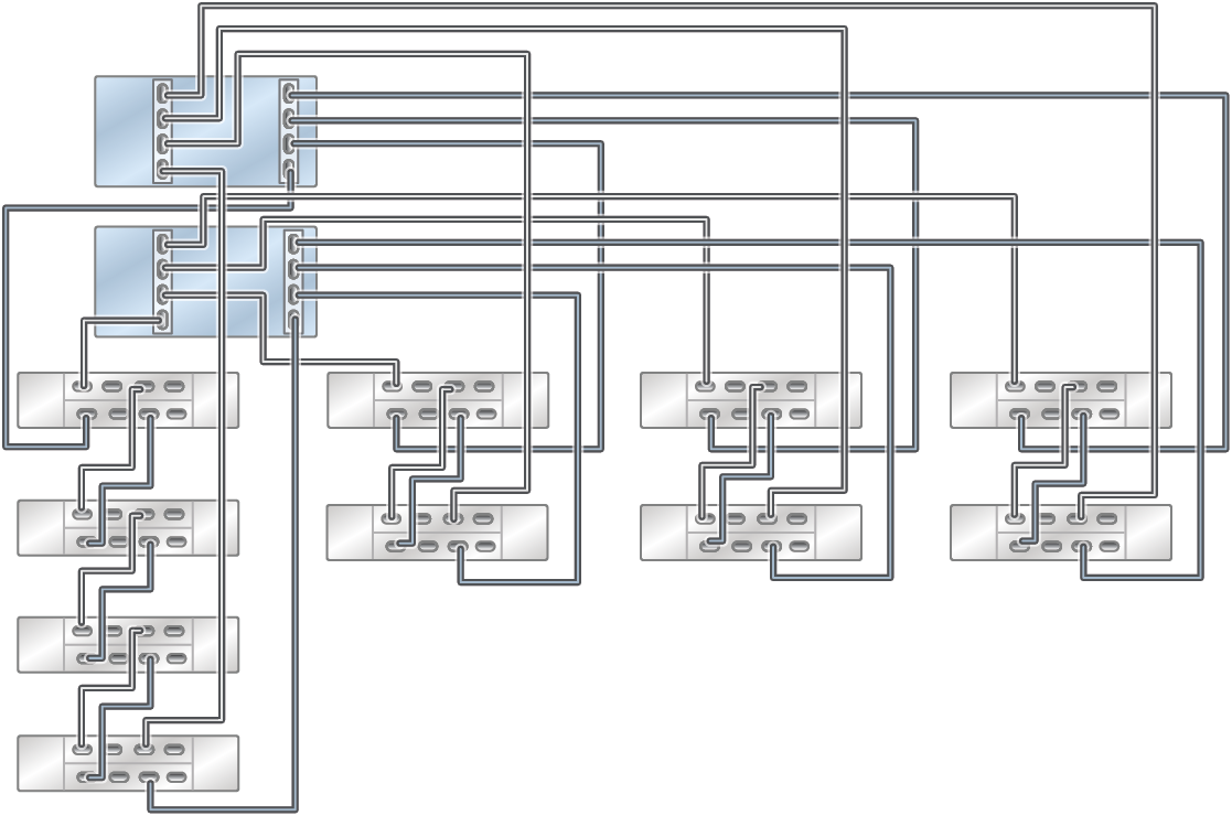
图 829  ZS5-2 Racked System 性能配置:六个 DE3-24C(左侧前两个链)和四个 DE3-24P 磁盘机框(最佳性能)

image:此图显示了通过四个链连接六个 DE3-24C(左侧前两个链)和四个 DE3-24P 磁盘机框的 ZS5-2 Racked System 全闪存。