Go to main content
Oracle® ZFS Storage Appliance 布线指南

退出打印视图

更新时间: 2016 年 12 月
 
 

布线表和图

下表说明了基本机柜中两个控制器和八个磁盘机框的位置及端口连接(使用 3 米 SAS 电缆)。第一个磁盘机框位于 RU01 中,每个磁盘机框具有两个 I/O 模块 (I/O Module, IOM)。

表 10  基本机柜:控制器到磁盘机框(3 米电缆)
RU
控制器
HBA 端口
RU
磁盘机框
磁盘机框端口
20
1
插槽 3,端口 0
1
1
IOM 1,端口 2
17
0
插槽 6,端口 0
1
1
IOM 0,端口 2
20
1
插槽 7,端口 0
23
3
IOM 1,端口 2
17
0
插槽 9,端口 0
23
3
IOM 0,端口 2
17
0
插槽 3,端口 0
5、13
2、6
IOM 1,端口 0
20
1
插槽 6,端口 0
5、13
2、6
IOM 0,端口 0
17
0
插槽 7,端口 0
27、35
4、8
IOM 1,端口 0
20
1
插槽 9,端口 0
27、35
4、8
IOM 0,端口 0

下表说明了扩展机柜 1 中十个磁盘机框的位置及端口连接(使用 6 米 SAS 电缆)。第一个磁盘机框位于 RU01 中,每个磁盘机框具有两个 I/O 模块 (I/O Module, IOM)。扩展机柜 1 支持磁盘机框 9 到 18。

表 11  扩展机柜 1:控制器到磁盘机框(6 米电缆)
RU
控制器
HBA 端口
RU
磁盘机框
磁盘机框端口
20
1
插槽 3,端口 1
1
9
IOM 1,端口 2
17
0
插槽 6,端口 1
1
9
IOM 0,端口 2
20
1
插槽 7,端口 1
21
11
IOM 1,端口 2
17
0
插槽 9,端口 1
21
11
IOM 0,端口 2
17
0
插槽 3,端口 1
5、9、13、17
10、13、14、17
IOM 1,端口 0
20
1
插槽 6,端口 1
5、9、13、17
10、13、14、17
IOM 0,端口 0
17
0
插槽 7,端口 1
25、33、37
12、16、18
IOM 1,端口 0
20
1
插槽 9,端口 1
25、33、37
12、16、18
IOM 0,端口 0

下表说明了扩展机柜 2 中十个磁盘机框的位置及端口连接(使用 6 米 SAS 电缆)。第一个磁盘机框位于 RU01 中,每个磁盘机框具有两个 I/O 模块 (I/O Module, IOM)。扩展机柜 2 支持磁盘机框 19 到 28。

表 12  扩展机柜 2:控制器到磁盘机框(6 米电缆)
RU
控制器
HBA 端口
RU
磁盘机框
磁盘机框端口
20
1
插槽 3,端口 2
1
19
IOM 1,端口 2
17
0
插槽 6,端口 2
1
19
IOM 0,端口 2
20
1
插槽 7,端口 2
21
21
IOM 1,端口 2
17
0
插槽 9,端口 2
21
21
IOM 0,端口 2
17
0
插槽 3,端口 2
5、9、13、17
20、23、24、27
IOM 1,端口 0
20
1
插槽 6,端口 2
5、9、13、17
20、23、24、27
IOM 0,端口 0
17
0
插槽 7,端口 2
25、33、37
22、26、28
IOM 1,端口 0
20
1
插槽 9,端口 2
25、33、37
22、26、28
IOM 0,端口 0

下表说明了扩展机柜 3 中十个磁盘机框的位置及端口连接(使用 6 米 SAS 电缆)。第一个磁盘机框位于 RU01 中,每个磁盘机框具有两个 I/O 模块 (I/O Module, IOM)。扩展机柜 2 支持磁盘机框 29 到 38。

表 13  扩展机柜 3:控制器到磁盘机框(6 米电缆)
RU
控制器
HBA 端口
RU
磁盘机框
磁盘机框端口
20
1
插槽 3,端口 3
1
29
IOM 1,端口 2
17
0
插槽 6,端口 3
1
29
IOM 0,端口 2
20
1
插槽 7,端口 3
21
31
IOM 1,端口 2
17
0
插槽 9,端口 3
21
31
IOM 0,端口 2
17
0
插槽 3,端口 3
5、9、13、17
30、33、34、37
IOM 1,端口 0
20
1
插槽 6,端口 3
5、9、13、17
30、33、34、37
IOM 0,端口 0
17
0
插槽 7,端口 3
25、33、37
32、36、38
IOM 1,端口 0
20
1
插槽 9,端口 3
25、33、37
32、36、38
IOM 0,端口 0

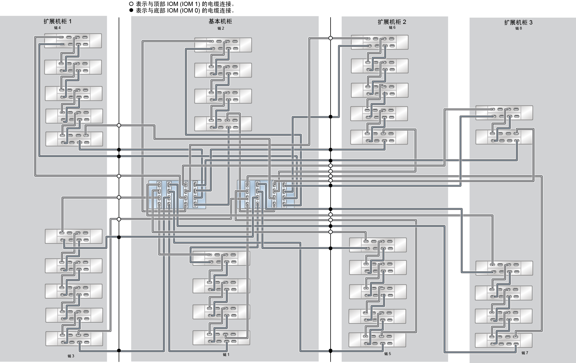
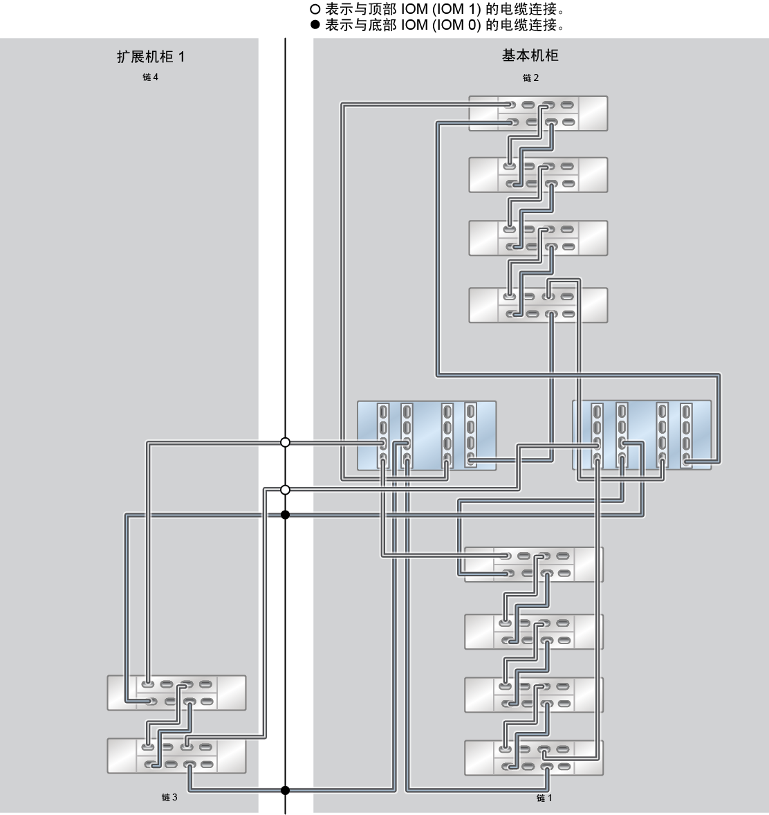
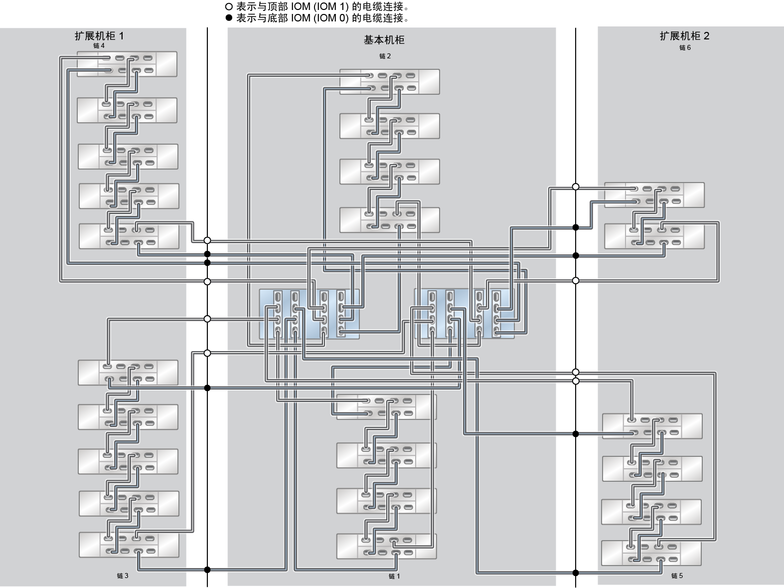
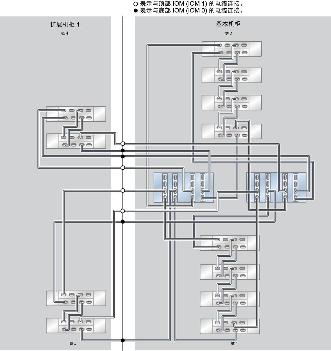
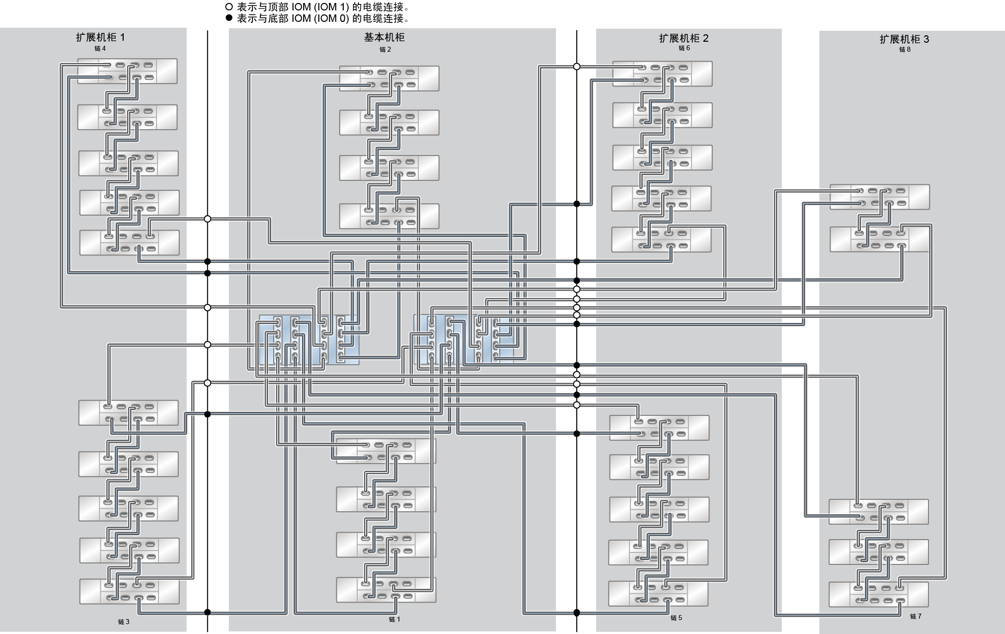
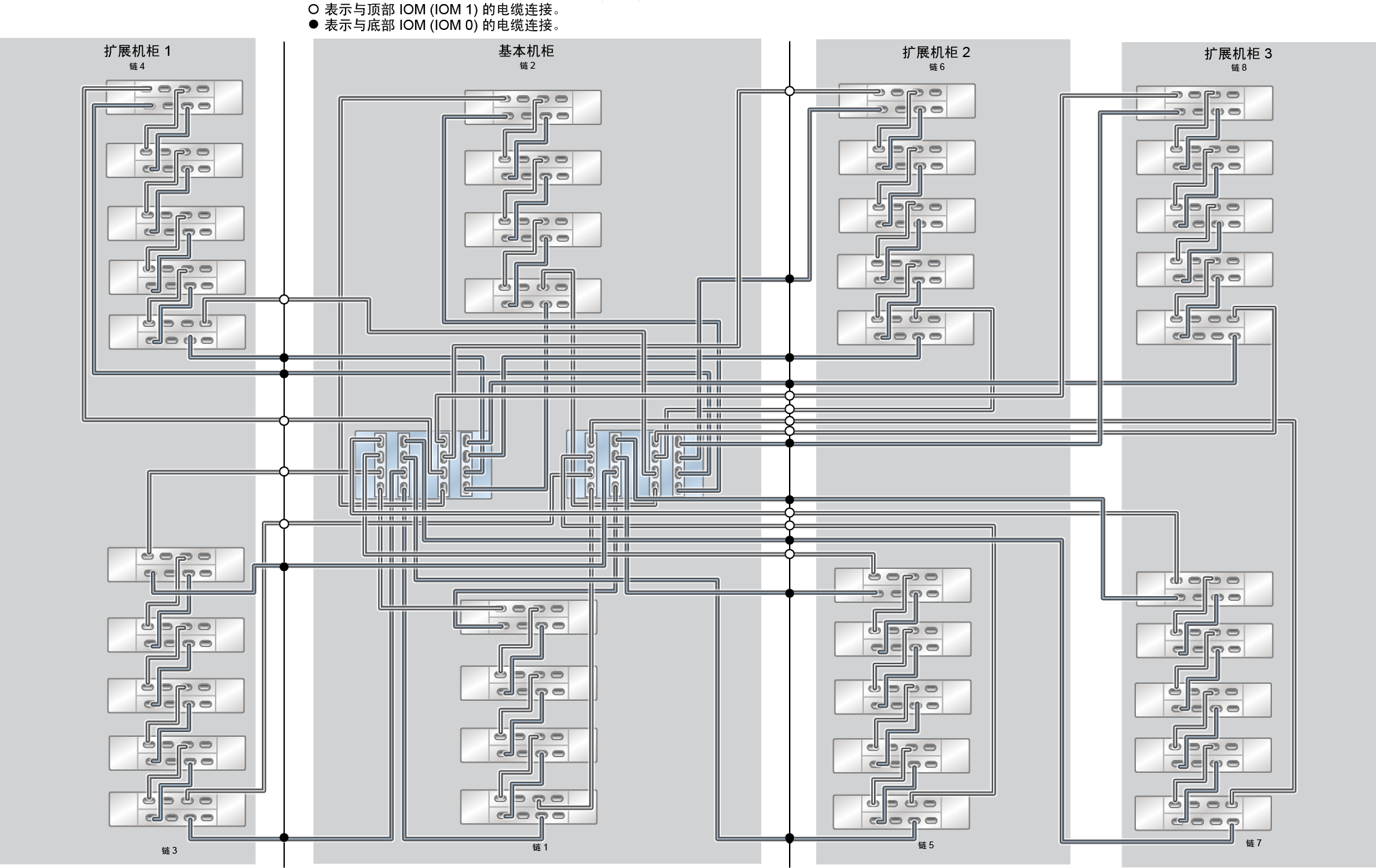
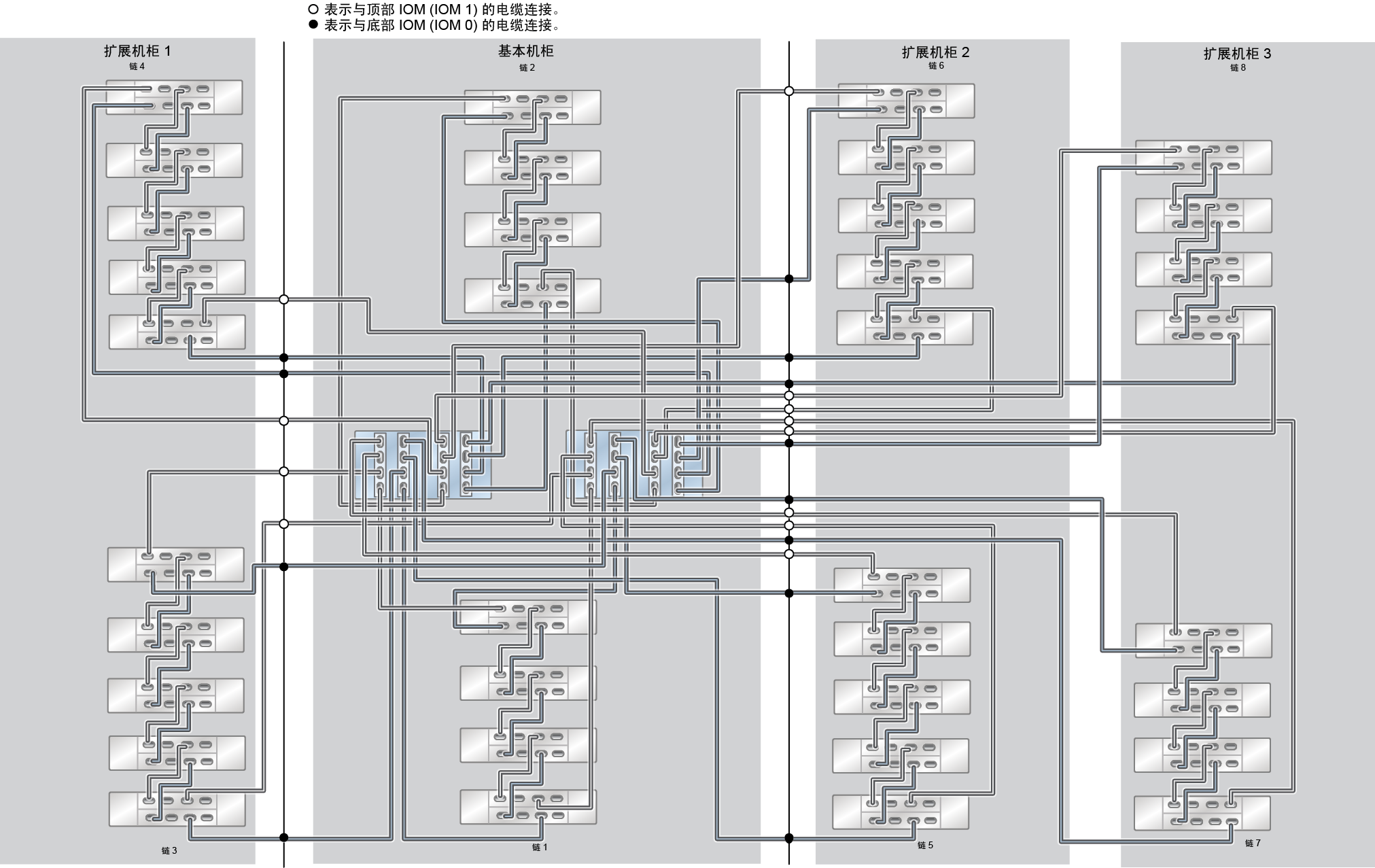
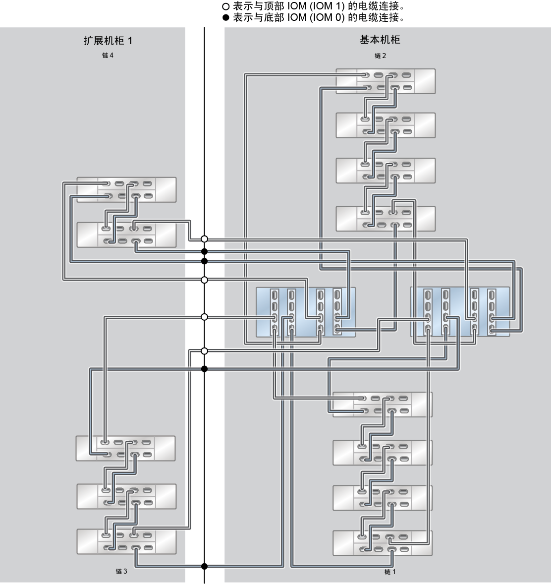
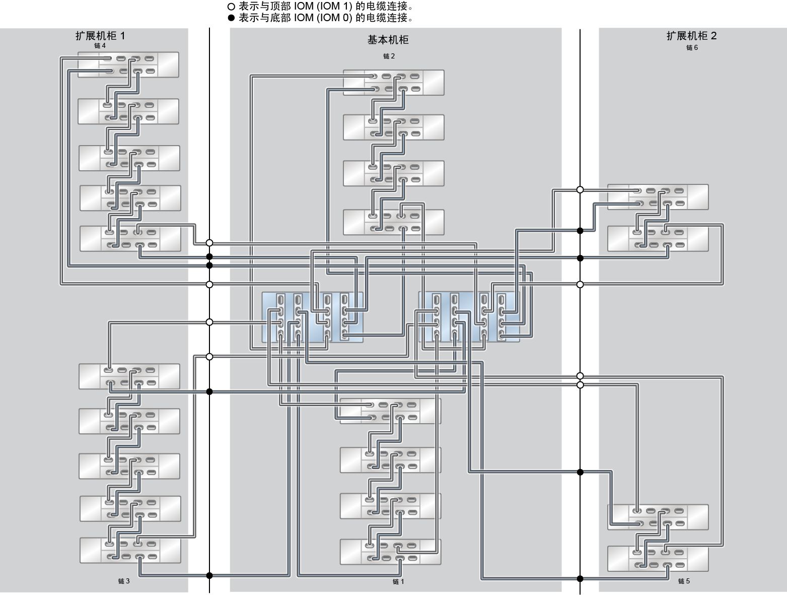
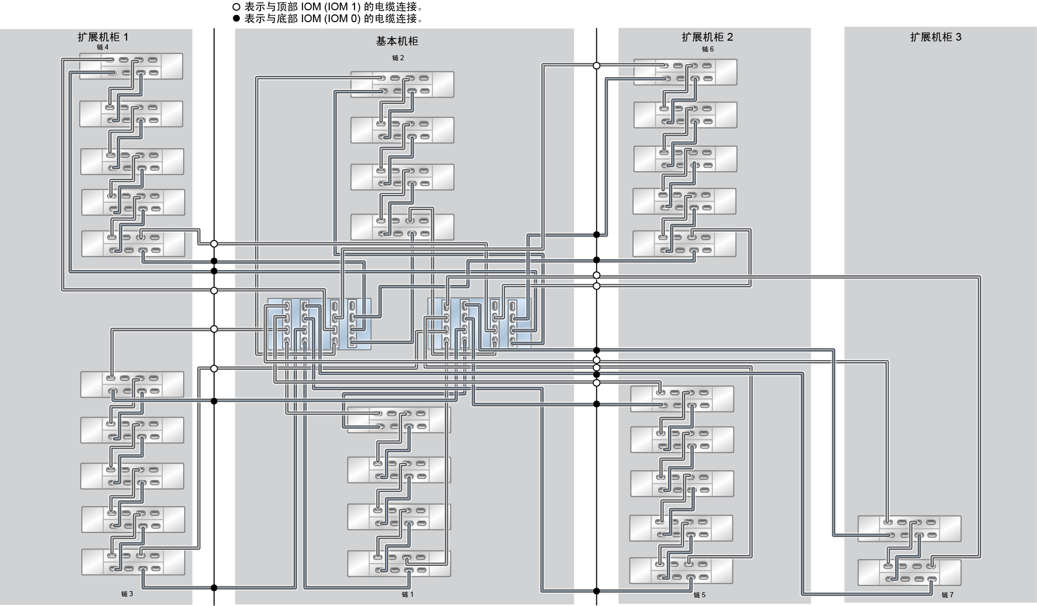
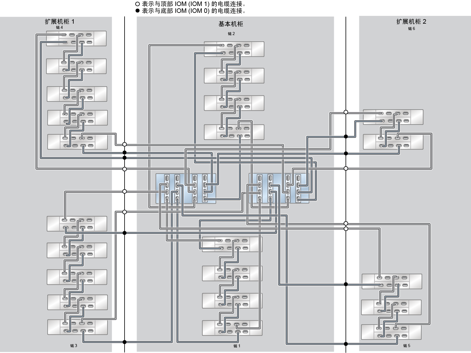
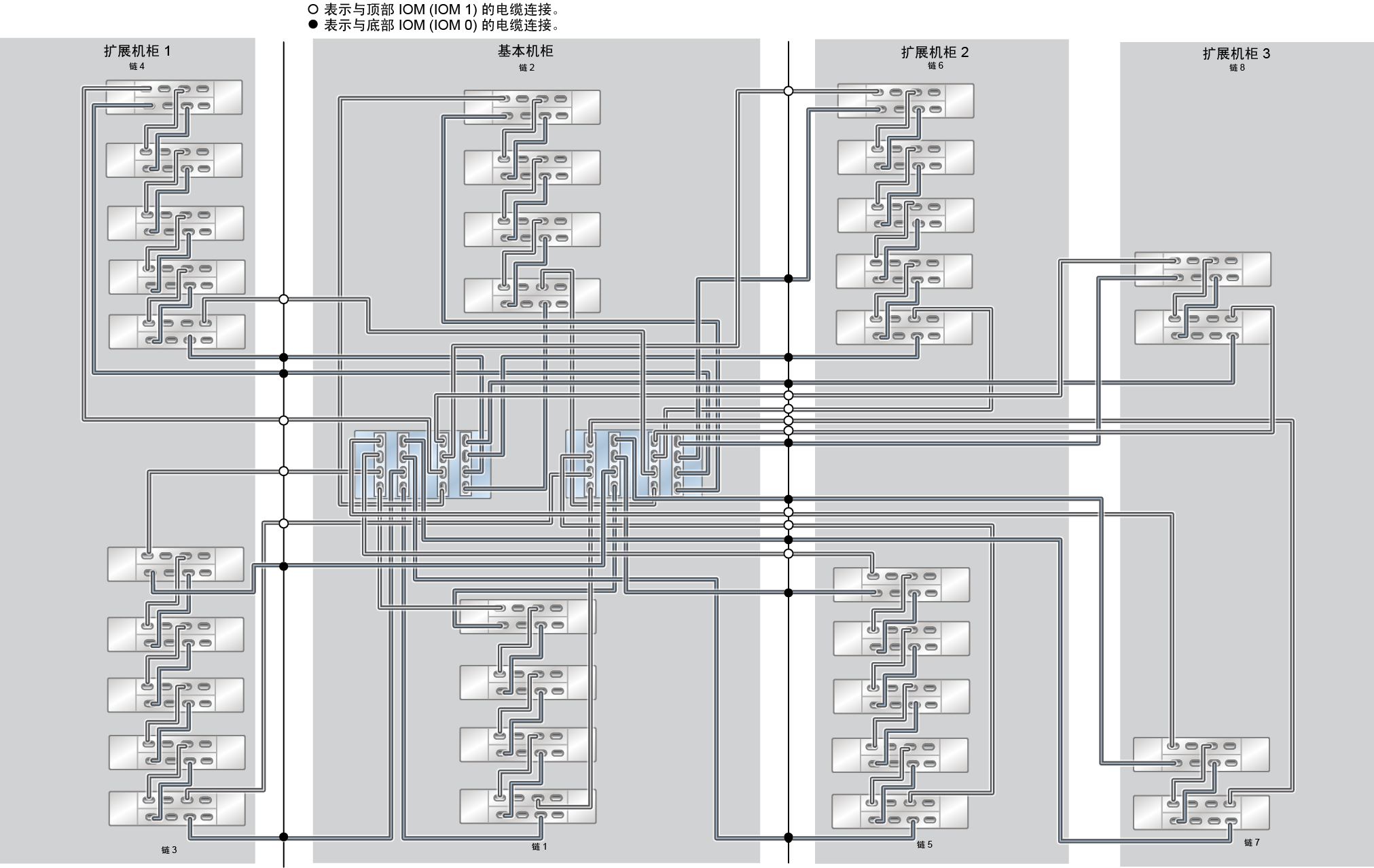
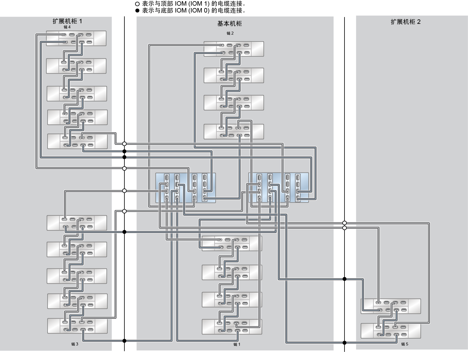
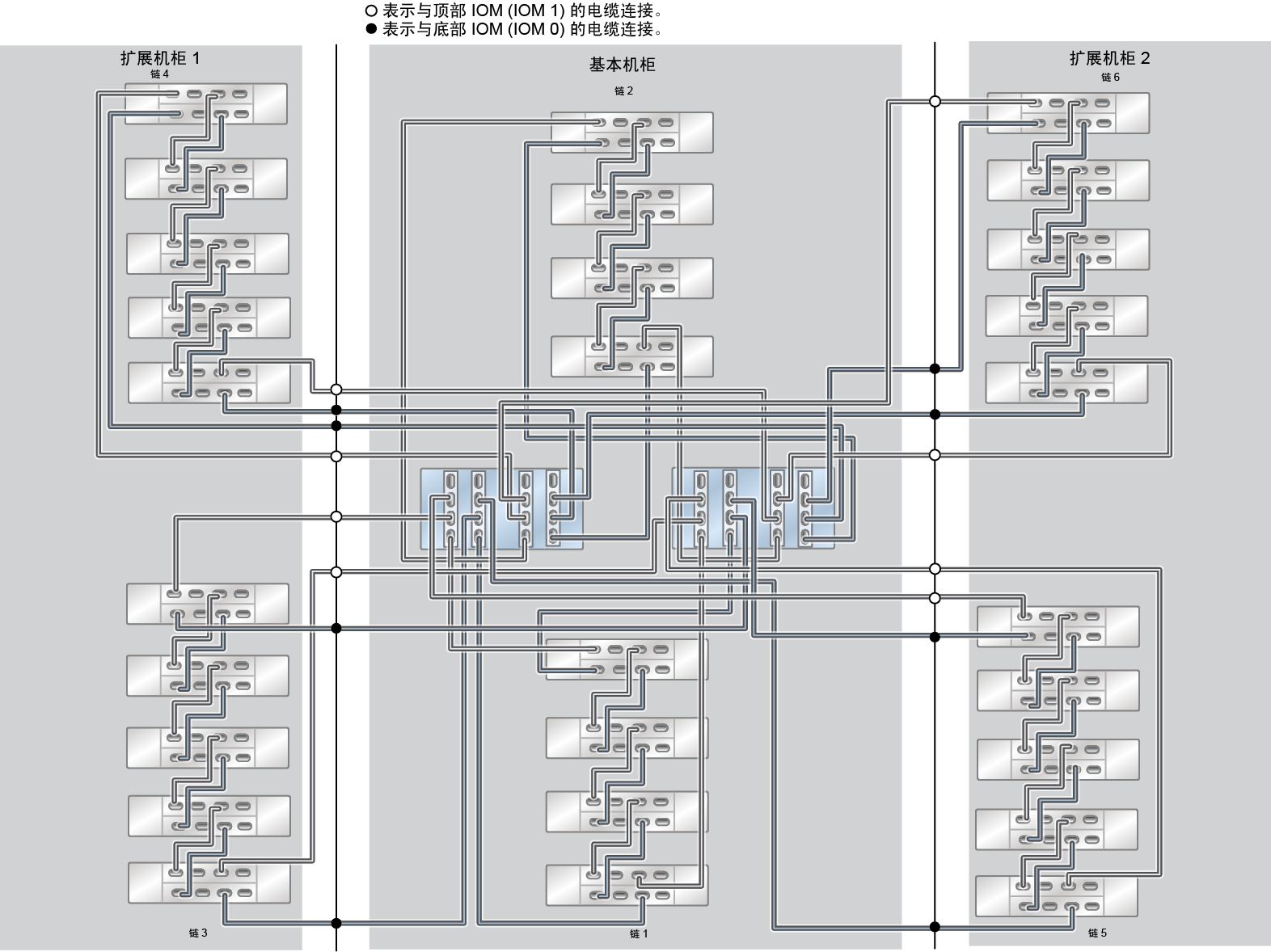
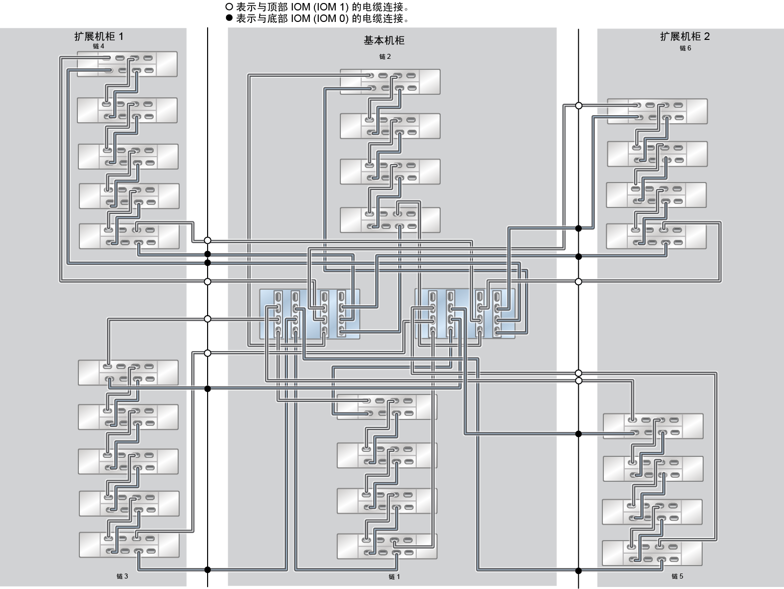
下面的图说明了如何为预先装配好的系统布线,以及将来如何扩展系统。

图 547  ZFS Storage Appliance Racked System ZS5-4:10 个 DE3-24C 磁盘机框

image:ZFS Storage Appliance Racked System ZS5-4:10 个 DE3-24C 磁盘机框

图 548  ZFS Storage Appliance Racked System ZS5-4:12 个 DE3-24C 磁盘机框

image:ZFS Storage Appliance Racked System ZS5-4:12 个 DE3-24C 磁盘机框

图 549  ZFS Storage Appliance Racked System ZS5-4:13 个 DE3-24C 磁盘机框(半机架)

image:ZFS Storage Appliance Racked System ZS5-4:13 个 DE3-24C 磁盘机框(半机架)

图 550  ZFS Storage Appliance Racked System ZS5-4:14 个 DE3-24C 磁盘机框

image:ZFS Storage Appliance Racked System ZS5-4:14 个 DE3-24C 磁盘机框

图 551  ZFS Storage Appliance Racked System ZS5-4:16 个 DE3-24C 磁盘机框

image:ZFS Storage Appliance Racked System ZS5-4:16 个 DE3-24C 磁盘机框

图 552  ZFS Storage Appliance Racked System ZS5-4:18 个 DE3-24C 磁盘机框

image:ZFS Storage Appliance Racked System ZS5-4:18 个 DE3-24C 磁盘机框

图 553  ZFS Storage Appliance Racked System ZS5-4:20 个 DE3-24C 磁盘机框

image:ZFS Storage Appliance Racked System ZS5-4:20 个 DE3-24C 磁盘机框

图 554  ZFS Storage Appliance Racked System ZS5-4:22 个 DE3-24C 磁盘机框

image:ZFS Storage Appliance Racked System ZS5-4:22 个 DE3-24C 磁盘机框

图 555  ZFS Storage Appliance Racked System ZS5-4:23 个 DE3-24C 磁盘机框(半机架)

image:ZFS Storage Appliance Racked System ZS5-4:23 个 DE3-24C 磁盘机框(半机架)

图 556  ZFS Storage Appliance Racked System ZS5-4:24 个 DE3-24C 磁盘机框

image:ZFS Storage Appliance Racked System ZS5-4:24 个 DE3-24C 磁盘机框

图 557  ZFS Storage Appliance Racked System ZS5-4:26 个 DE3-24C 磁盘机框

image:ZFS Storage Appliance Racked System ZS5-4:26 个 DE3-24C 磁盘机框

图 558  ZFS Storage Appliance Racked System ZS5-4:28 个 DE3-24C 磁盘机框

image:ZFS Storage Appliance Racked System ZS5-4:28 个 DE3-24C 磁盘机框

图 559  ZFS Storage Appliance Racked System ZS5-4:30 个 DE3-24C 磁盘机框

image:ZFS Storage Appliance Racked System ZS5-4:30 个 DE3-24C 磁盘机框

图 560  ZFS Storage Appliance Racked System ZS5-4:32 个 DE3-24C 磁盘机框

image:ZFS Storage Appliance Racked System ZS5-4:32 个 DE3-24C 磁盘机框

图 561  ZFS Storage Appliance Racked System ZS5-4:33 个 DE3-24C 磁盘机框(半机架)

image:ZFS Storage Appliance Racked System ZS5-4:33 个 DE3-24C 磁盘机框(半机架)

图 562  ZFS Storage Appliance Racked System ZS5-4:34 个 DE3-24C 磁盘机框

image:ZFS Storage Appliance Racked System ZS5-4:34 个 DE3-24C 磁盘机框

图 563  ZFS Storage Appliance Racked System ZS5-4:36 个 DE3-24C 磁盘机框

image:ZFS Storage Appliance Racked System ZS5-4:36 个 DE3-24C 磁盘机框

图 564  ZFS Storage Appliance Racked System ZS5-4:38 个 DE3-24C 磁盘机框

image:ZFS Storage Appliance Racked System ZS5-4:38 个 DE3-24C 磁盘机框