Go to main content

Guide de câblage des systèmes Oracle® ZFS Storage Appliance, version OS8.8.x

Quitter la vue de l'impression

Mis à jour : Août 2021
 
 

Configurations d'armoire de base pour les configurations de performance d'un système monté en rack ZS5-4

Les configurations de performance maximale pour un système monté en rack ZS5-4 nécessitent quatre HBA SAS-3, qui fournissent une connectivité HBA SAS-3 maximale de 16 ports.

L'ordre de numérotation des ports HBA SAS-3 est croissant, de bas (Port 0) en haut (Port 3). Les cartes HBA SAS-3 et les étagères de disques DE3-24 utilisent toutes deux les connecteurs SFF 8644.

Figure 797  Numéros d'emplacement des HBA d'un contrôleur ZS5-4 (vue arrière)

image:Cette illustration présente le panneau arrière du contrôleur ZS5-4 avec les numéros des ports HBA.

Figure 798  Connexions HBA d'une étagère de disques DE3-24P (vue arrière)

image:Cette illustration présente le panneau arrière d'une étagère de disques DE3-24P avec les connexions HBA.

Figure 799  Connexions HBA d'une étagère de disques DE3-24C (vue arrière)

image:Cette illustration présente le panneau arrière d'une étagère de disques DE3-24C avec les connexions HBA.

Les configurations de performance pour un système monté en rack ZS5-4 suivent les méthodes de câblage standard avec des restrictions supplémentaires qui autorisent l'utilisation du module de fixation des câbles (CMA). Elles mettent en œuvre de façon plus pratique la correspondance des périphériques de journalisation SSD et des périphériques de cache en lecture, l'extension limitée de plusieurs armoires et peuvent être configurées pour des performances maximales ou optimales.

Les mises à niveau qui modifient le nombre de cartes HBA SAS-3, ou incluent plusieurs armoires qui ne sont pas un système monté en rack ZS5-4 d'origine ou qui ne sont pas compatibles avec ce type de système doivent être recâblées pour cette configuration spécifique. Pour obtenir des exemples de câblage pour la connexion d'étagères de disques DE3-24 à un contrôleur ZS5-4 avec des HBA SAS-3 4x4 ports, reportez-vous à la section Câblage d'étagères de disques DE3-24 avec des contrôleurs ZS5-4. Pour obtenir des instructions sur la longueur des câbles SAS, reportez-vous à la section Instructions de configuration de l'armoire et de câblage.

Les armoires sont autonomes et pré-câblées selon la méthode de câblage requise. Les graphiques suivants illustrent le câblage des cinq options d'armoire de base.

Figure 800  Configuration de performance pour un système monté en rack ZS5-4 : huit étagères de disques flash DE3-24P (performance maximale)

image:Cette illustration présente un système flash monté en rack ZS5-4 avec huit étagères de disques DE3-24P dans huit chaînes.

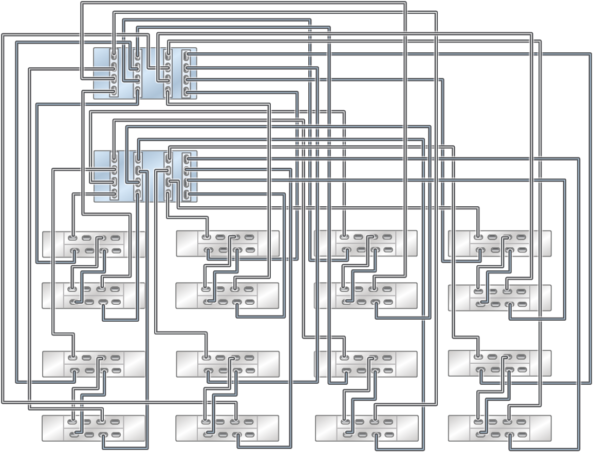
Figure 801  Configuration de performance pour un système monté en rack ZS5-4 : 16 étagères de disques DE3-24P (performance optimale)

image:Cette illustration présente un système flash monté en rack ZS5-4 avec 16 étagères de disques DE3-24P dans huit chaînes.

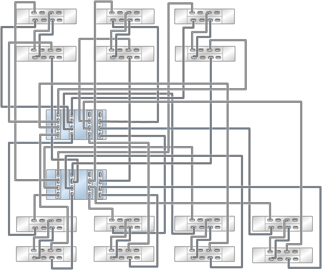
Figure 802  Configuration de performance pour un système monté en rack ZS5-4 : deux étagères de disques DE3-24C (en bas à gauche) et 12 étagères de disques DE3-24P (performance optimale)

image:Cette illustration présente un système flash monté en rack ZS5-4 avec deux étagères de disques DE3-24C (en bas à gauche) et 12 étagères de disques DE3-24P dans sept chaînes.

Figure 803  Configuration de performance pour un système monté en rack ZS5-4 : quatre étagères de disques DE3-24C (en bas à gauche) et huit étagères de disques DE3-24P (performance optimale)

image:Cette illustration présente un système flash monté en rack ZS5-4 avec quatre étagères de disques DE3-24C (en bas à gauche) et huit étagères de disques DE3-24P dans cinq chaînes.

Figure 804  Configuration de performance pour un système monté en rack ZS5-4 : six étagères de disques DE3-24C (les deux premières chaînes en partant de la gauche) et quatre étagères de disques DE3-24P (performance optimale)

image:Cette illustration présente un système flash monté en rack ZS5-4 avec six étagères de disques DE3-24C (les deux premières chaînes en partant de la gauche) et quatre étagères de disques DE3-24P dans quatre chaînes.