Go to main content

Guide de câblage des systèmes Oracle® ZFS Storage Appliance, version OS8.8.x

Quitter la vue de l'impression

Mis à jour : Août 2021
 
 

Configurations flash/mixtes pour un système monté en rack ZS7-2 haut de gamme

Cette section fournit une vue d'ensemble et des diagrammes de câblage pour des systèmes montés en rack ZS7-2 haut de gamme composés exclusivement de configurations flash/mixtes avec uniquement des étagères de disques DE3-24P ou une combinaison d'étagères de disques DE3-24P et DE3-24C. Les étagères de disques DE3-24P haute performance comprennent 20 ou 24 unités SSD flash, ou 20 ou 24 unités de disque dur haut débit. Certaines configurations incluent des périphériques de cache en lecture et/ou de journalisation. Les configurations de performance maximale prennent en charge des étagères de disques DE3-24P,tandis que les configurations de performance optimale prennent en charge à la fois des étagères de disques DE3-24P et DE3-24C. Certaines configurations ne prennent pas en charge les armoires d'extension.

Cette section aborde les sujets suivants :

Vue d'ensemble des configurations flash/mixtes d'un système monté en rack ZS7-2 haut de gamme

Toutes les configurations flash/mixtes bénéficient d'étagères de disques haute performance DE3-24P et sont disponibles dans une armoire de base, ou une armoire de base dotée de trois armoires d'extension au maximum pour certaines configurations. Six options d'armoire de base sont proposées pour un total de 30 configurations système possibles, et toutes les options d'armoire de base contiennent deux contrôleurs  ZS7-2 haut de gamme.


Remarque -  En plus des configurations prédéfinies, le système monté en rack Oracle ZFS Storage Appliance ZS7-2 peut être mis à niveau sur le terrain vers n'importe quelle configuration prise en charge pour Oracle ZFS Storage ZS7-2. Par exemple, vous pouvez mettre à niveau le système monté en rack en ajoutant une étagère de disques et le câblage nécessaire à une configuration de deux étagères de disques, puis en recâblant le tout. Ainsi, trois étagères de disques sont prises en charge, même si le système monté en rack n'est pas disponible dans une configuration de trois étagères de disques. Les mises à niveau complexes nécessitent une planification et un recâblage importants.

Les configurations de performance maximale pour un système monté en rack ZS7-2 contiennent jusqu'à huit étagères de disques Oracle Storage Drive Enclosure DE3-24P dans l'armoire de base. Les étagères de disques sont configurées sous la forme d'une seule étagère par chaîne pour obtenir des performances maximales. En fonction du nombre de chaînes dans l'armoire de base, les configurations de performance maximale d'un système monté en rack ZS7-2 haut de gamme peuvent contenir jusqu'à trois armoires d'extension.

Table 24  Composants des configurations de performance maximale d'un système monté en rack ZS7-2 haut de gamme
Armoire de base
Armoire d'extension 1
Armoire d'extension 2
Armoire d'extension 3
8 étagères de disques DE3-24P au maximum
Configurations usine : 1, 2, 4, 6 ou 8 étagères de disques DE3-24P
Deux contrôleurs ZS7-2 haut de gamme
10 étagères de disques DE3-24C au maximum
10 étagères de disques DE3-24C au maximum
10 étagères de disques DE3-24C au maximum

Les configurations de performance optimale pour un système monté en rack ZS7-2 haut de gamme contiennent jusqu'à 18 étagères de disques Oracle Storage Drive Enclosure DE3-24P (configurées sous la forme de deux étagères par chaîne plus deux étagères supplémentaires sur la dernière chaîne), ainsi que diverses combinaisons d'étagères de disques Oracle Storage Drive Enclosure DE3-24C et DE3-24P dans l'armoire de base. Seules les étagères de disques DE3-24C, jusqu'à 10 chacune, sont proposées dans les armoires d'extension. Les configurations sont proposées par multiples de deux étagères de disques, ainsi que l'extension demi-rack. Chaque armoire d'extension peut contenir 2, 4, 5 (demi-rack), 6, 8, ou 10 étagères de disques DE3-24C. En fonction du nombre de chaînes dans l'armoire de base, les configurations de performance optimale d'un système monté en rack ZS7-2 haut de gamme peuvent contenir jusqu'à trois armoires d'extension.

Table 25  Composants des configurations de performance optimale d'un système monté en rack ZS7-2 haut de gamme
Armoire de base
Armoire d'extension 1
Armoire d'extension 2
Armoire d'extension 3
18 étagères de disques DE3-24P au maximum

    Configurations usine :

  • Etagères de disques DE3-24P : 2, 4, 6, 8, 10, 12, 14, 16 ou 18

  • Etagères de disques mixtes DE3-24C / DE3-24P :

    • 2 DE3-24C / 2 à 14 DE3-24P

    • 4 DE3-24C / 2 à 10 DE3-24P

    • 6 DE3-24C / 2 à 6 DE3-24P

    • 8 DE3-24C / 2 DE3-24P

Deux contrôleurs ZS7-2 haut de gamme
10 étagères de disques DE3-24C au maximum
10 étagères de disques DE3-24C au maximum
10 étagères de disques DE3-24C au maximum

Les configurations flash/mixtes d'un système monté en rack ZS7-2 haut de gamme prennent en charge diverses options de stockage.

Table 26  Types d'unités d'étagères de disques et configurations autorisées pour un système monté en rack ZS7-2 haut de gamme
Etagère de disques
Périphériques de données
Périphériques de cache en lecture
Périphériques de journalisation
Flash DE3-24P
SSD de 7,68 To : 24 dans les emplacements 0 à 23 ou 20 dans les emplacements 0 à 19
Non autorisé
SSD de 200 Go dans les emplacements 20 à 23
DE3-24P
HDD de 1.2 To : 24 dans les emplacements 0 à 23 ou 20 dans les emplacements 0 à 19
SSD de 7,68 To dans les emplacements 20 à 23
SSD de 200 Go dans les emplacements 20 à 23
DE3-24C
HDD de 10 ou 14 To : 24 dans les emplacements 0 à 23 ou 20 dans les emplacements 0 à 19
SSD de 7,68 To dans les emplacements 20 à 23
SSD de 200 Go dans les emplacements 20 à 23

Configurations d'armoire de base pour les configurations flash/mixtes d'un système monté en rack ZS7-2 haut de gamme

Les configurations de performance maximale pour un système monté en rack ZS7-2 haut de gamme disposent de quatre HBA SAS-3 dans chaque contrôleur, qui fournissent une connectivité HBA SAS-3 maximale de 16 ports.

L'ordre de numérotation des ports HBA SAS-3 est croissant, de bas (Port 0) en haut (Port 3). Les cartes HBA SAS-3 et les étagères de disques DE3-24 utilisent toutes deux les connecteurs SFF 8644.

L'illustration suivante présente le numéro d'emplacement de chaque carte HBA, ainsi que les numéros de port de chaque carte.

Figure 741  Numéros d'emplacement des HBA d'un contrôleur ZS7-2 haut de gamme (vue arrière)

image:Cette illustration présente le panneau arrière du contrôleur ZS7-2 haut de gamme avec les numéros des ports HBA.

Comme indiqué sur l'illustration suivante, l'étagère de disques DE3-24P contient deux modules d'E/S (IOM) dotés chacun de quatre ports. Dans toutes les configurations de câblage, le Port 1 et le Port 3 ne sont jamais utilisés.

Figure 742  Connexions HBA d'une étagère de disques DE3-24P (vue arrière)

image:Cette illustration présente le panneau arrière d'une étagère de disques DE3-24P avec les connexions HBA.

Comme indiqué sur l'illustration suivante, l'étagère de disques DE3-24C contient deux modules d'E/S (IOM) dotés chacun de quatre ports. Dans toutes les configurations de câblage, le Port 1 et le Port 3 ne sont jamais utilisés.

Figure 743  Connexions HBA d'une étagère de disques DE3-24C (vue arrière)

image:Cette illustration présente le panneau arrière d'une étagère de disques DE3-24C avec les connexions HBA.

Les configurations flash/mixtes pour un système monté en rack ZS7-2 haut de gamme suivent les méthodes de câblage standard avec des restrictions supplémentaires qui autorisent l'utilisation du module de fixation des câbles (CMA). Elles mettent en œuvre de façon plus pratique la correspondance des périphériques de journalisation SSD et des périphériques de cache en lecture, l'extension limitée de plusieurs armoires et peuvent être configurées pour des performances maximales ou optimales.

Les mises à niveau qui modifient le nombre de cartes HBA SAS-3, ou incluent plusieurs armoires qui ne sont pas un système monté en rack ZS7-2 haut de gamme d'origine ou qui ne sont pas compatibles avec ce type de système doivent être recâblées pour cette configuration spécifique. Pour obtenir des exemples de câblage pour la connexion d'étagères de disques DE3-24 à un contrôleur ZS7-2 haut de gamme avec des HBA SAS-3 4x4 ports, reportez-vous à la section Câblage d'étagères de disques DE3-24 avec des contrôleurs haut de gamme ZS7-2. Pour obtenir des instructions sur la longueur des câbles SAS, reportez-vous à la section Instructions de configuration de l'armoire et de câblage.

Les armoires sont autonomes et pré-câblées selon la méthode de câblage requise. Les graphiques suivants illustrent le câblage des six options d'armoire de base.

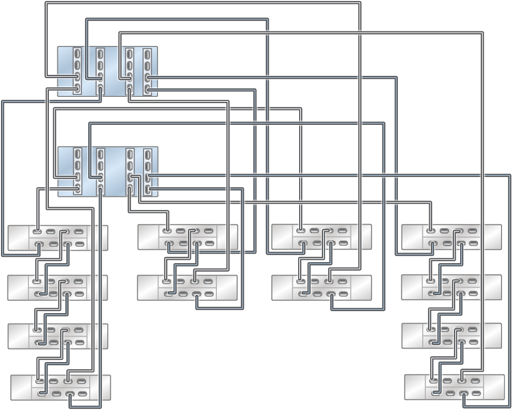
Figure 744  Configuration de performance pour un système monté en rack ZS7-2 haut de gamme : une à huit étagères de disques DE3-24P (performance maximale)

image:Cette illustration présente un système monté en rack ZS7-2 haut de gamme avec 1 à 8 étagères de disques DE3-24P dans huit chaînes.

Figure 745  Configuration de performance pour un système monté en rack ZS7-2 haut de gamme : 2 à 18 étagères de disques DE3-24P (performance optimale)

image:Cette illustration présente un système monté en rack ZS7-2 haut de gamme avec 2 à 18 étagères de disques DE3-24P dans huit chaînes.

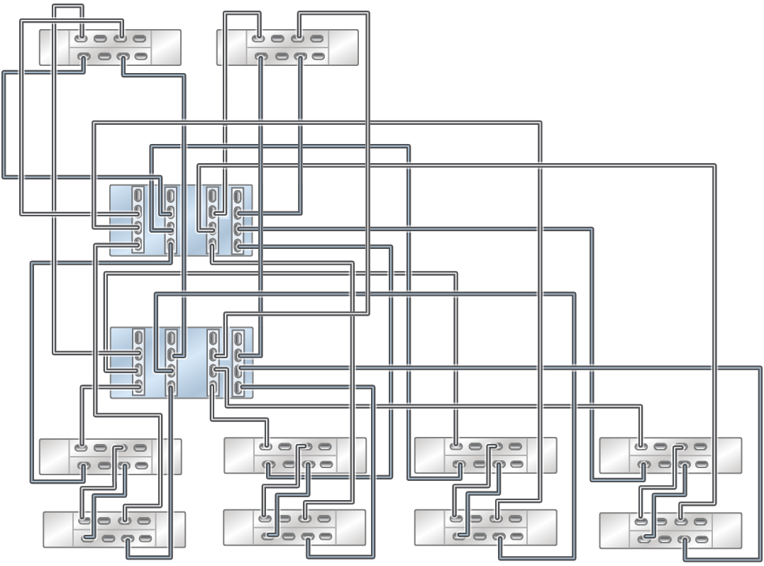
Figure 746  Configuration de performance pour un système monté en rack ZS7-2 haut de gamme : deux étagères de disques DE3-24C (en bas à gauche) et 2 à 14 étagères de disques DE3-24P (performance optimale)

image:Cette illustration présente un système monté en rack ZS7-2 haut de gamme avec 2 étagères de disques DE3-24C et 2 à 14 étagères de disques DE3-24P dans sept chaînes.

Figure 747  Configuration de performance pour un système monté en rack ZS7-2 haut de gamme : quatre étagères de disques DE3-24C (en bas à gauche) et deux à dix étagères de disques DE3-24P (performance optimale)

image:Cette illustration présente un système monté en rack ZS7-2 haut de gamme avec 4 étagères de disques DE3-24C et 2 à 10 étagères de disques DE3-24P dans cinq chaînes.

Figure 748  Configuration de performance pour un système monté en rack ZS7-2 haut de gamme : six étagères de disques DE3-24C (les deux premières chaînes en partant de la gauche) et deux à six étagères de disques DE3-24P (performance optimale)

image:Cette illustration présente un système monté en rack ZS7-2 haut de gamme avec 6 étagères de disques DE3-24C et 2 à 6 étagères de disques DE3-24P dans quatre chaînes.

Dans l'illustration suivante, les unités DE3-24C sont les huit étagères de disques inférieures.

Figure 749  Configuration de performance pour un système monté en rack ZS7-2 haut de gamme : huit étagères de disques DE3-24C (en bas) et deux étagères de disques DE3-24P (performance optimale)

image:Cette illustration présente un système monté en rack ZS7-2 haut de gamme avec 8 étagères de disques DE3-24C et 2 étagères de disques DE3-24P dans cinq chaînes.

Configurations d'armoire d'extension pour les configurations de performance d'un système monté en rack ZS7-2 haut de gamme

Les configurations de performance d'un système monté en rack ZS7-2 haut de gamme prennent en charge plusieurs armoires qui permettent une extension de 30 étagères de disques supplémentaires au maximum. Chaque armoire d'extension prend en charge 10 étagères de disques DE3-24C au maximum et est également proposée en option "demi-rack".


Remarque -  Toutes les configurations d'armoire de base ne prennent pas en charge les armoires d'extension.

L'installation d'une armoire d'extension respecte une installation de chaîne équilibrée, dans laquelle la chaîne située en bas de l'armoire prend la première paire d'étagères de disques, tandis que la deuxième chaîne dans la moitié supérieure prend la deuxième paire. L'autre mode d'installation de chaîne équilibrée répartit les SSD et suit la méthode de priorité de chargement.

Le nombre d'armoires d'extension prises en charge dépend du nombre de chaînes restantes dans l'armoire de base du système monté en rack ZS7-2 haut de gamme. Chaque armoire d'extension du système monté en rack ZS7-2 haut de gamme nécessite deux chaînes pour prendre en charge une armoire d'extension complète. De même, quatre ports HBA SAS-3 au total (deux ports HBA pour chaque chaîne) sont requis pour chaque armoire d'extension.

Les graphiques suivants illustrent le câblage des configurations d'armoire d'extension pour un système monté en rack ZS7-2 haut de gamme. La légende de chaque diagramme est la suivante :

  • Un cercle vide indique la connexion du câble au module IOM supérieur (IOM 1).

  • Un cercle plein indique la connexion du câble au module IOM inférieur (IOM 0).


Remarque -  L'armoire de base peut contenir uniquement des étagères de disques (HDD) DE3-24P ou des étagères de disques flash (SSD) DE3-24P, ou une combinaison d'étagères de disques DE3-24C et DE3-24P, comme décrit dans la section Configurations flash/mixtes pour un système monté en rack ZS7-2 haut de gamme.

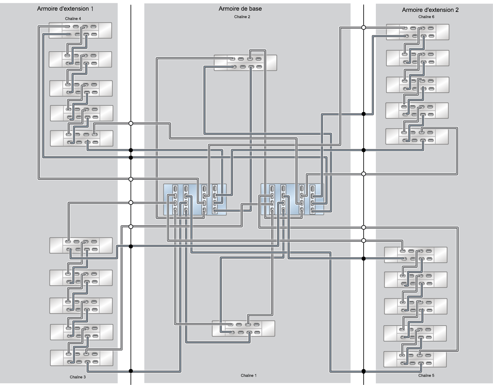
Figure 750  Configuration de performance d'un système monté en rack ZS7-2 haut de gamme : une armoire d'extension avec deux étagères de disques DE3-24C

image:Cette illustration présente un système flash monté en rack ZS7-2 haut de gamme avec une armoire d'extension (deux étagères de disques DE3-24C).

Figure 751  Configuration de performance d'un système monté en rack ZS7-2 haut de gamme : une armoire d'extension avec quatre étagères de disques DE3-24C

image:Cette illustration présente un système flash monté en rack ZS7-2 haut de gamme avec une armoire d'extension (quatre étagères de disques DE3-24C).

Figure 752  Configuration de performance d'un système monté en rack ZS7-2 haut de gamme : une armoire d'extension avec cinq étagères de disques DE3-24C (demi-rack)

image:Cette illustration présente un système flash monté en rack ZS7-2 haut de gamme avec une armoire d'extension (cinq étagères de disques DE3-24C).

Figure 753  Configuration de performance d'un système monté en rack ZS7-2 haut de gamme : une armoire d'extension avec six étagères de disques DE3-24C

image:Cette illustration présente un système flash monté en rack ZS7-2 haut de gamme avec une armoire d'extension (six étagères de disques DE3-24C).

Figure 754  Configuration de performance d'un système monté en rack ZS7-2 haut de gamme : une armoire d'extension avec huit étagères de disques DE3-24C

image:Cette illustration présente un système flash monté en rack ZS7-2 haut de gamme avec une armoire d'extension (huit étagères de disques DE3-24C).

Figure 755  Configuration de performance d'un système monté en rack ZS7-2 haut de gamme : une armoire d'extension avec 10 étagères de disques DE3-24C

image:Cette illustration présente un système flash monté en rack ZS7-2 haut de gamme avec une armoire d'extension (dix étagères de disques DE3-24C).

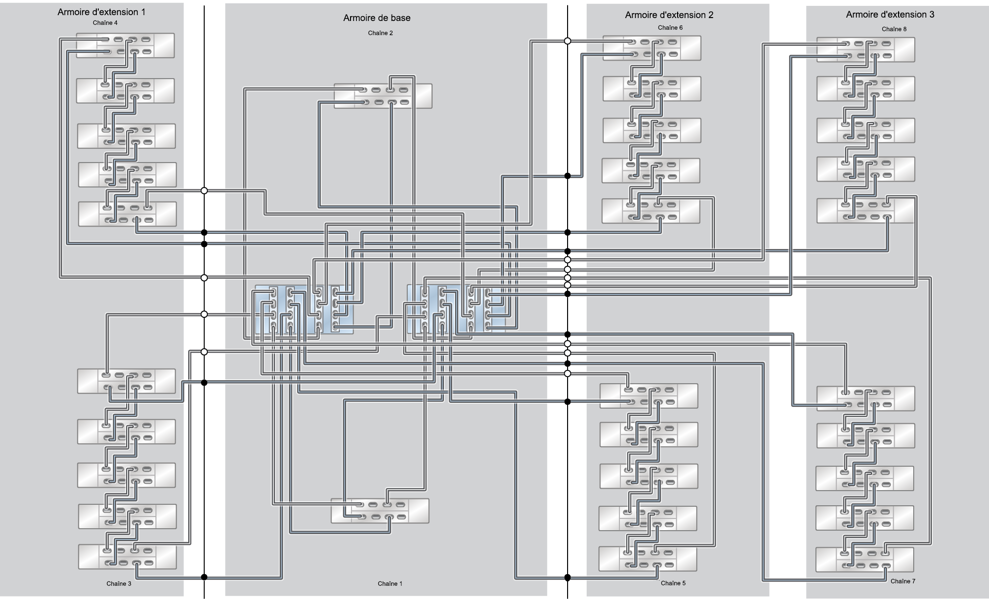
Figure 756  Configuration de performance d'un système monté en rack ZS7-2 haut de gamme : deux armoires d'extension avec 20 étagères de disques DE3-24C

image:Cette illustration présente un système flash monté en rack ZS7-2 haut de gamme avec deux armoires d'extension (20 étagères de disques DE3-24C).

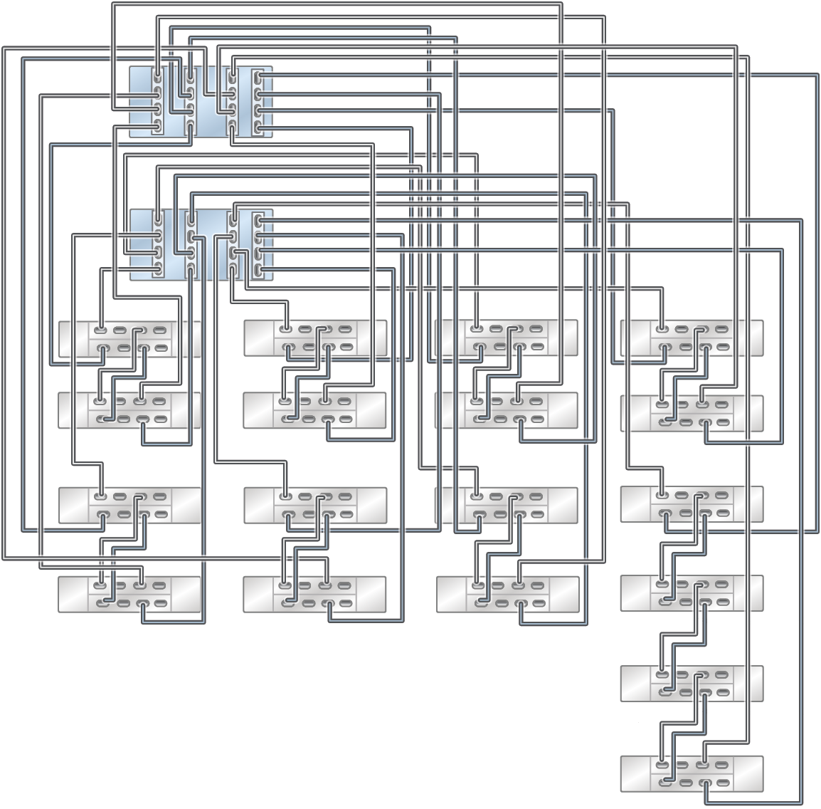
Figure 757  Configuration de performance d'un système monté en rack ZS7-2 haut de gamme : trois armoires d'extension avec 30 étagères de disques DE3-24C

image:Cette illustration présente un système flash monté en rack ZS7-2 haut de gamme avec trois armoires d'extension (30 étagères de disques DE3-24C).