Go to main content

Guide de câblage des systèmes Oracle® ZFS Storage Appliance, version OS8.8.x

Quitter la vue de l'impression

Mis à jour : Août 2021
 
 

Tableaux et diagrammes de câblage pour des configurations de capacité d'un système monté en rack ZS5-4

Le tableau suivant décrit les emplacements et les connexions de port pour deux contrôleurs et huit étagères de disques dans l'armoire de base avec des câbles SAS de 3 mètres. La première étagère de disques se situe dans l'unité RU01 et chaque étagère de disques contient deux modules IOM.

Table 34  Armoire de base : emplacements et connexions des contrôleurs et des étagères de disques
DEPUIS
VERS
RU
CONTROLEUR
PORT HBA
RU
ETAGERE DE DISQUES
PORT DE L'ETAGERE DE DISQUES
20
1
Emplacement 3, Port 0
1
1
IOM 1, Port 2
17
0
Emplacement 6, Port 0
1
1
IOM 0, Port 2
20
1
Emplacement 7, Port 0
23
3
IOM 1, Port 2
17
0
Emplacement 9, Port 0
23
3
IOM 0, Port 2
17
0
Emplacement 3, Port 0
5, 13
2, 6
IOM 1, Port 0
20
1
Emplacement 6, Port 0
5, 13
2, 6
IOM 0, Port 0
17
0
Emplacement 7, Port 0
27, 35
4, 8
IOM 1, Port 0
20
1
Emplacement 9, Port 0
27, 35
4, 8
IOM 0, Port 0

Le tableau suivant décrit les emplacements et les connexions de port pour 10 étagères de disques dans l'armoire d'extension 1 avec des câbles SAS de 6 mètres. La première étagère de disques se situe dans l'unité RU01 et chaque étagère de disques contient deux modules IOM. L'armoire d'extension 1 prend en charge les étagères de disques 9 à 18.

Table 35  Armoire d'extension 1 : emplacements et connexions des contrôleurs et des étagères de disques
DEPUIS
VERS
RU
CONTROLEUR
PORT HBA
RU
ETAGERE DE DISQUES
PORT DE L'ETAGERE DE DISQUES
20
1
Emplacement 3, Port 1
1
9
IOM 1, Port 2
17
0
Emplacement 6, Port 1
1
9
IOM 0, Port 2
20
1
Emplacement 7, Port 1
21
11
IOM 1, Port 2
17
0
Emplacement 9, Port 1
21
11
IOM 0, Port 2
17
0
Emplacement 3, Port 1
5, 9, 13, 17
10, 13, 14, 17
IOM 1, Port 0
20
1
Emplacement 6, Port 1
5, 9, 13, 17
10, 13, 14, 17
IOM 0, Port 0
17
0
Emplacement 7, Port 1
25, 33, 37
12, 16, 18
IOM 1, Port 0
20
1
Emplacement 9, Port 1
25, 33, 37
12, 16, 18
IOM 0, Port 0

Le tableau suivant décrit les emplacements et les connexions de port pour 10 étagères de disques dans l'armoire d'extension 2 avec des câbles SAS de 6 mètres. La première étagère de disques se situe dans l'unité RU01 et chaque étagère de disques contient deux modules IOM. L'armoire d'extension 2 prend en charge les étagères de disques 19 à 28.

Table 36  Armoire d'extension 2 : emplacements et connexions des contrôleurs et des étagères de disques
DEPUIS
VERS
RU
CONTROLEUR
PORT HBA
RU
ETAGERE DE DISQUES
PORT DE L'ETAGERE DE DISQUES
20
1
Emplacement 3, Port 2
1
19
IOM 1, Port 2
17
0
Emplacement 6, Port 2
1
19
IOM 0, Port 2
20
1
Emplacement 7, Port 2
21
21
IOM 1, Port 2
17
0
Emplacement 9, Port 2
21
21
IOM 0, Port 2
17
0
Emplacement 3, Port 2
5, 9, 13, 17
20, 23, 24, 27
IOM 1, Port 0
20
1
Emplacement 6, Port 2
5, 9, 13, 17
20, 23, 24, 27
IOM 0, Port 0
17
0
Emplacement 7, Port 2
25, 33, 37
22, 26, 28
IOM 1, Port 0
20
1
Emplacement 9, Port 2
25, 33, 37
22, 26, 28
IOM 0, Port 0

Le tableau suivant décrit les emplacements et les connexions de port pour 10 étagères de disques dans l'armoire d'extension 3 avec des câbles SAS de 6 mètres. La première étagère de disques se situe dans l'unité RU01 et chaque étagère de disques contient deux modules IOM. L'armoire d'extension 2 prend en charge les étagères de disques 29 à 38.

Table 37  Armoire d'extension 3 : emplacements et connexions des contrôleurs et des étagères de disques
DEPUIS
VERS
RU
CONTROLEUR
PORT HBA
RU
ETAGERE DE DISQUES
PORT DE L'ETAGERE DE DISQUES
20
1
Emplacement 3, Port 3
1
29
IOM 1, Port 2
17
0
Emplacement 6, Port 3
1
29
IOM 0, Port 2
20
1
Emplacement 7, Port 3
21
31
IOM 1, Port 2
17
0
Emplacement 9, Port 3
21
31
IOM 0, Port 2
17
0
Emplacement 3, Port 3
5, 9, 13, 17
30, 33, 34, 37
IOM 1, Port 0
20
1
Emplacement 6, Port 3
5, 9, 13, 17
30, 33, 34, 37
IOM 0, Port 0
17
0
Emplacement 7, Port 3
25, 33, 37
32, 36, 38
IOM 1, Port 0
20
1
Emplacement 9, Port 3
25, 33, 37
32, 36, 38
IOM 0, Port 0

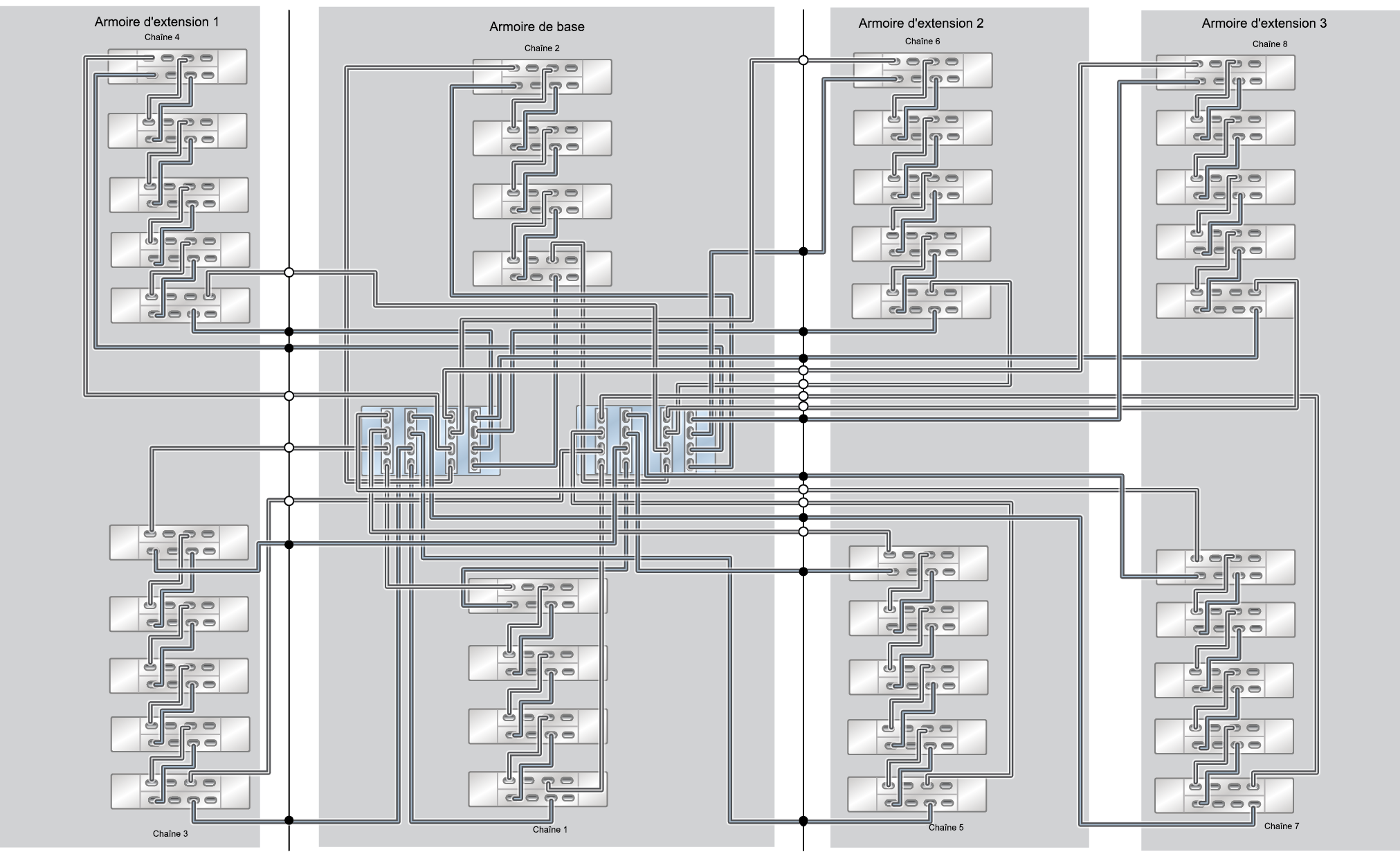
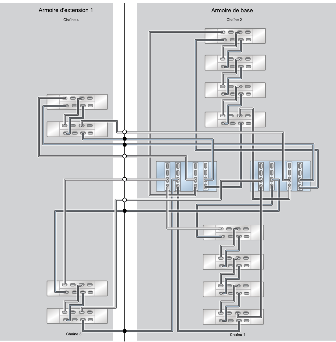
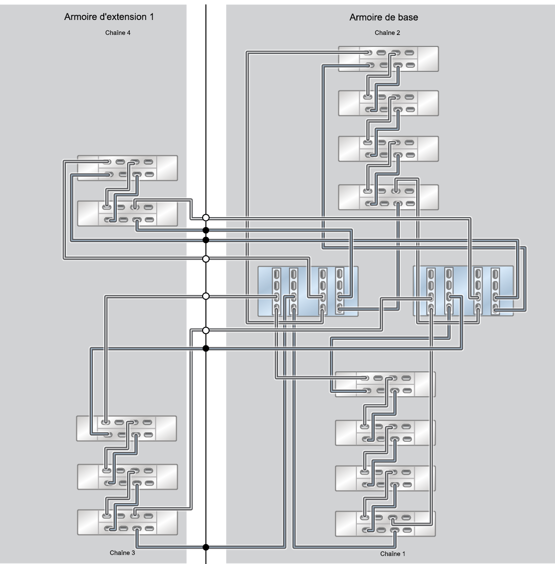
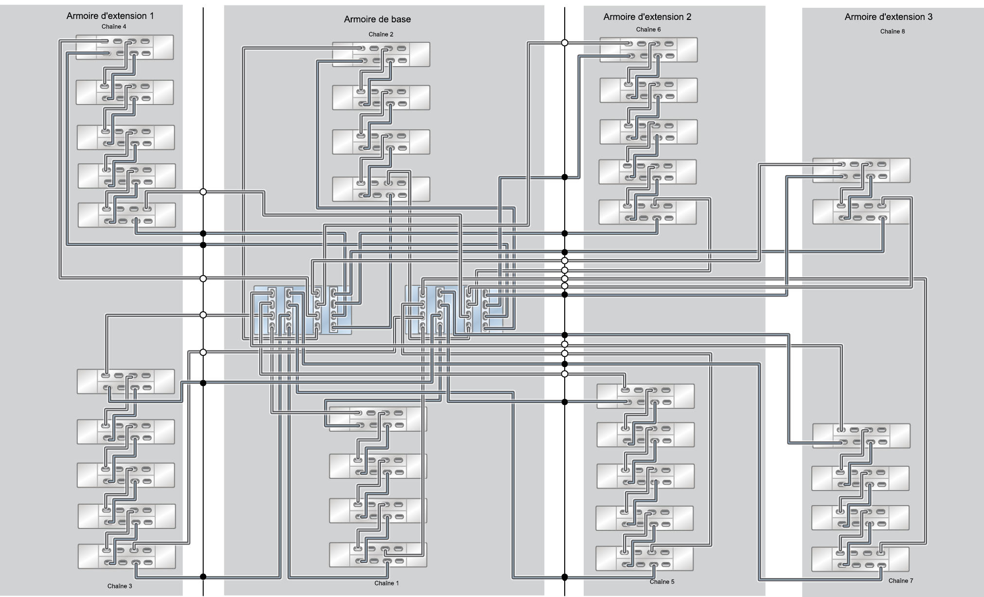
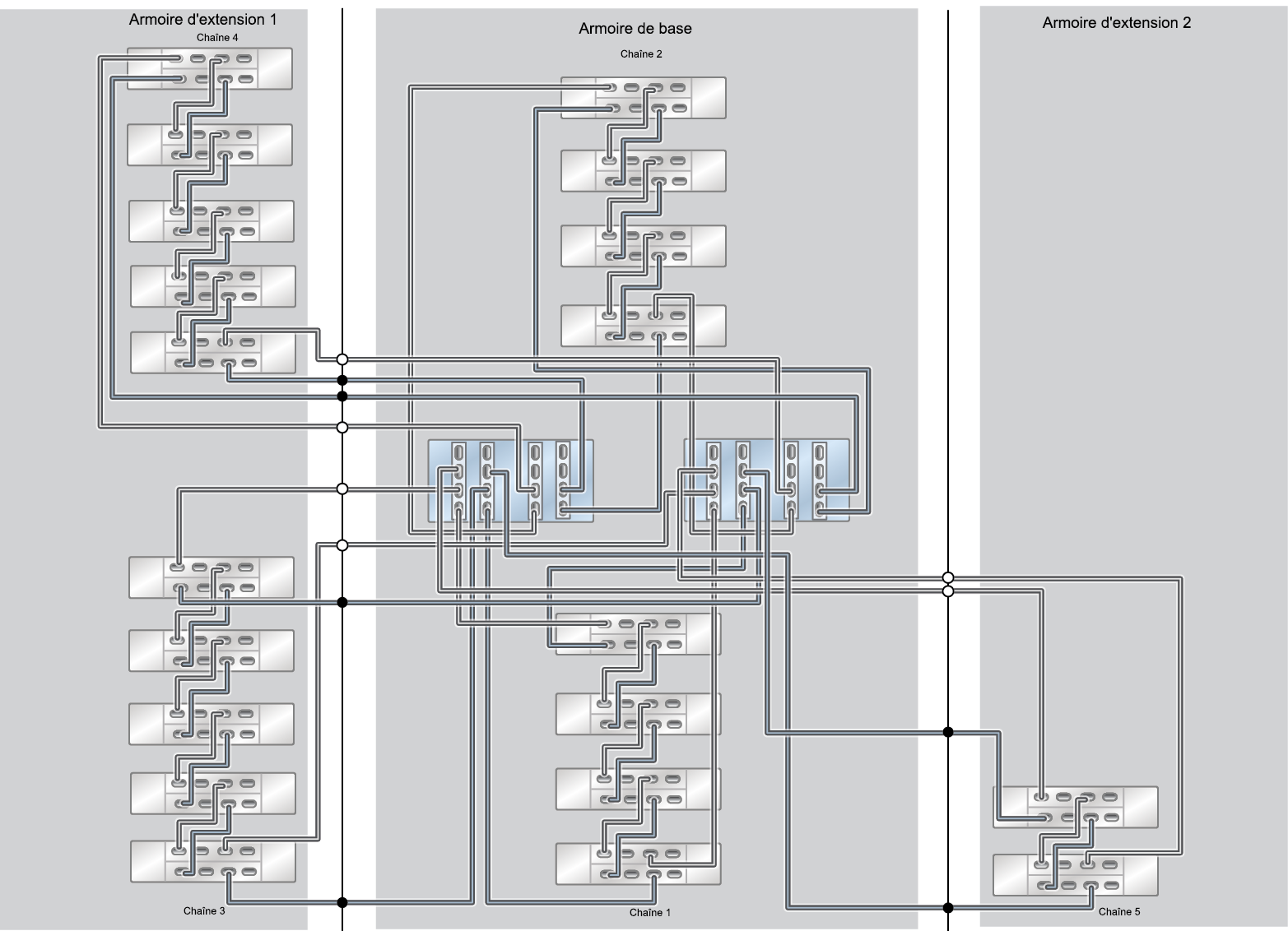
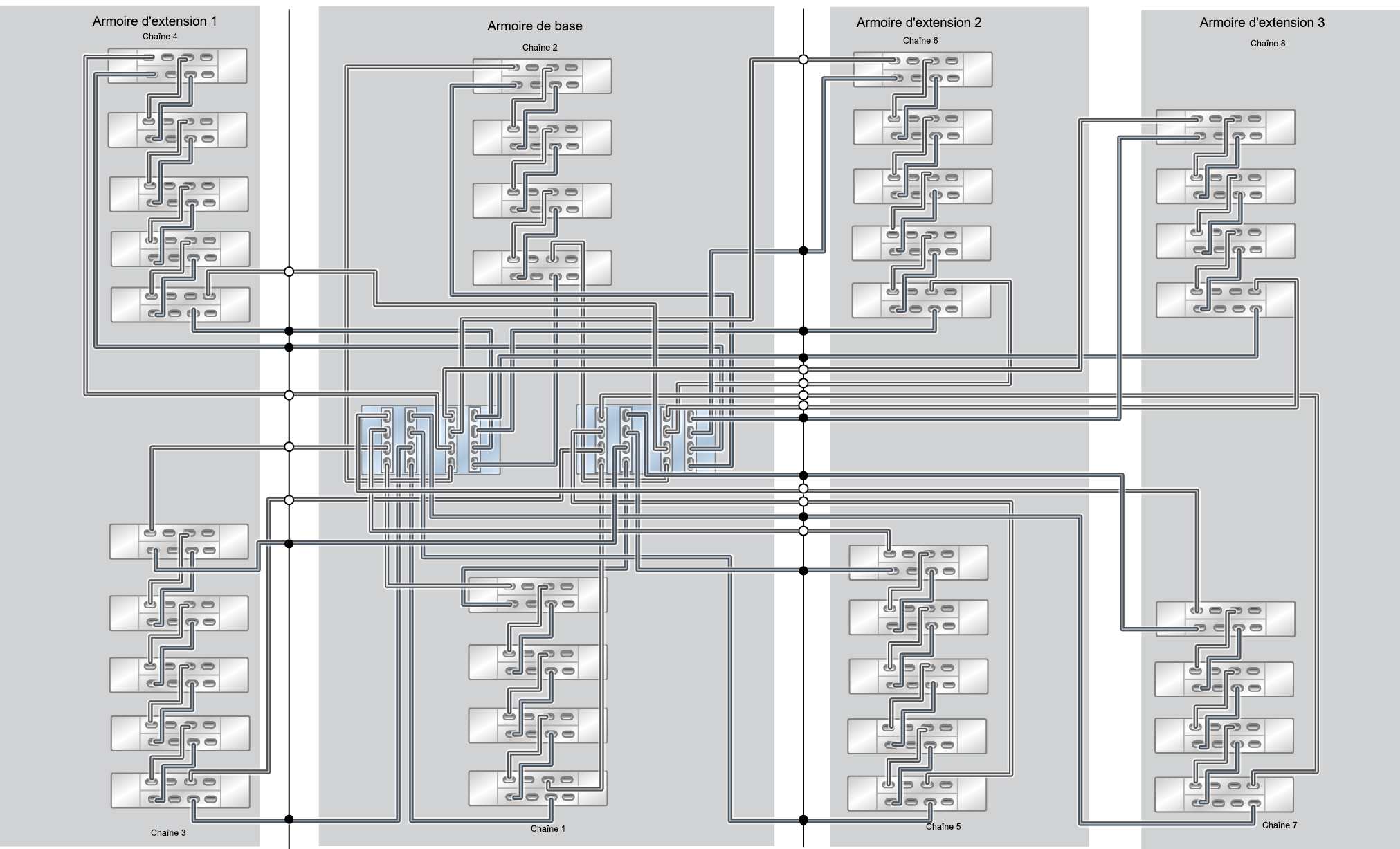
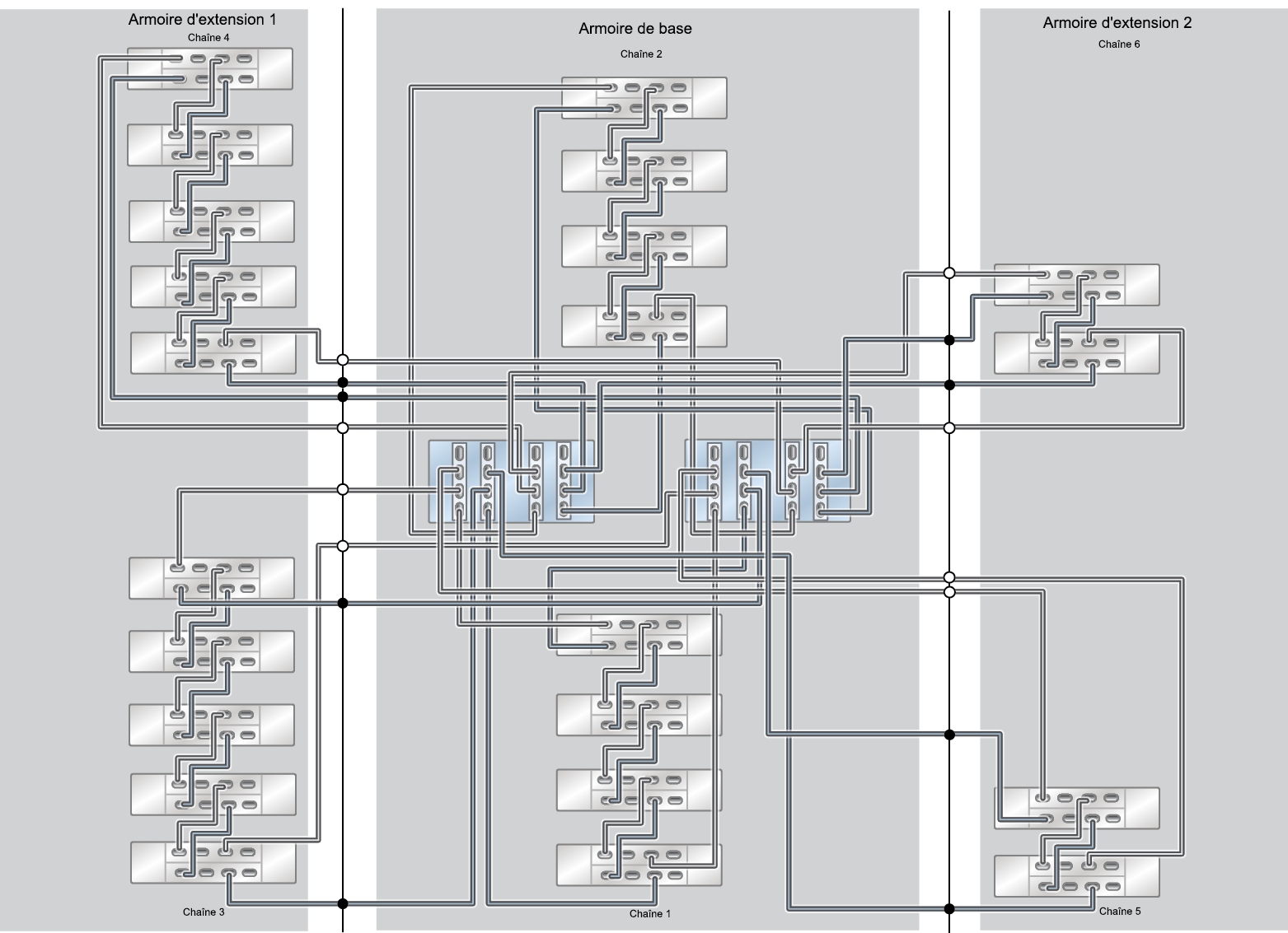
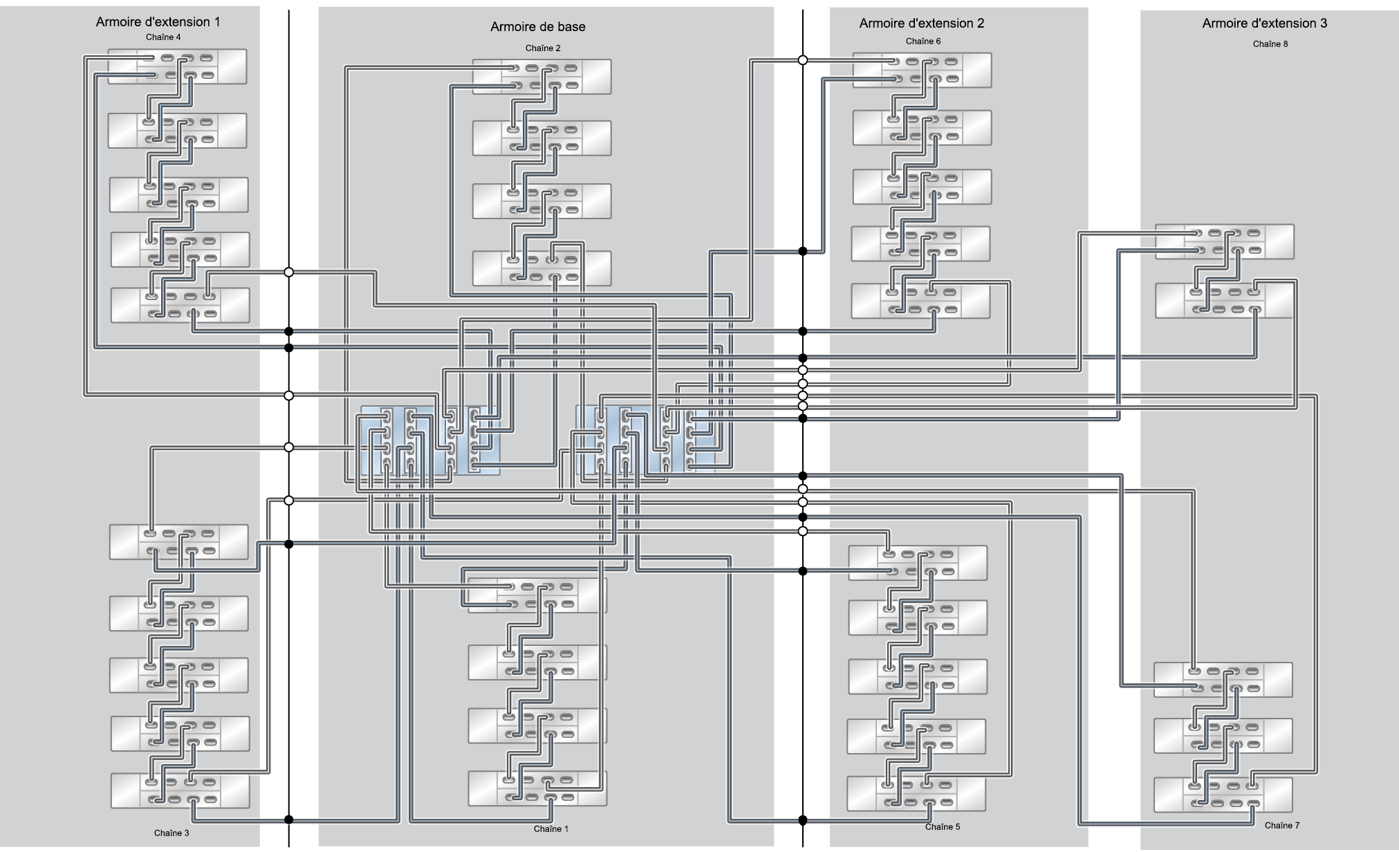
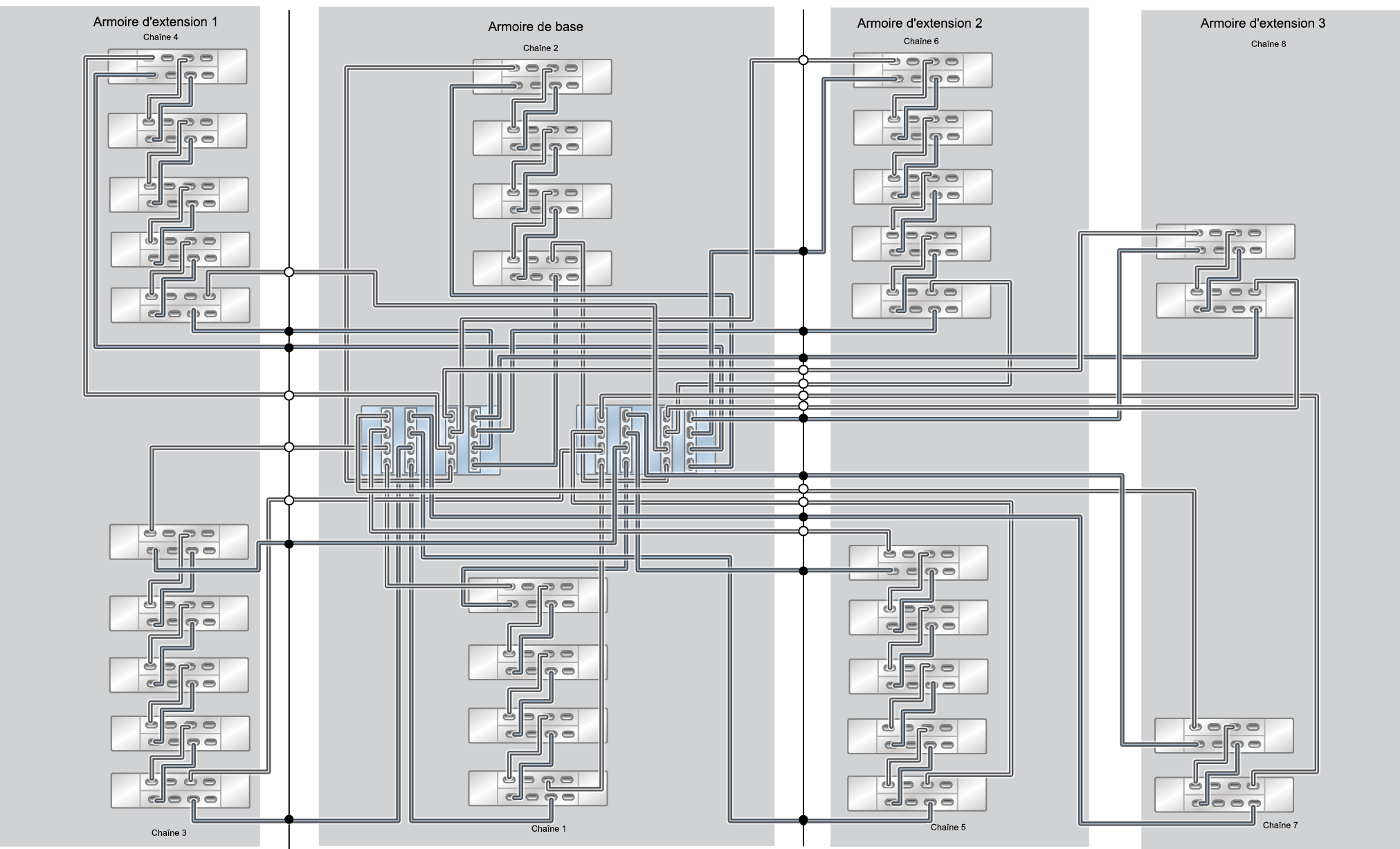
Les diagrammes suivants illustrent le câblage des systèmes pré-montés en rack, ainsi que les possibilités d'extension de votre système à l'avenir. La légende de chaque diagramme est la suivante :

  • Un cercle vide indique la connexion du câble au module IOM supérieur (IOM 1).

  • Un cercle plein indique la connexion du câble au module IOM inférieur (IOM 0).

Figure 777  Configuration de capacité d'un système monté en rack ZS5-4 : 10 étagères de disques DE3-24C

image:Système monté en rack ZFS Storage Appliance ZS5-4 : 10 étagères de disques DE3-24C

Figure 778  Configuration de capacité d'un système monté en rack ZS5-4 : 12 étagères de disques DE3-24C

image:Système monté en rack ZFS Storage Appliance ZS5-4 : 12 étagères de disques DE3-24C

Figure 779  Configuration de capacité d'un système monté en rack ZS5-4 : 13 étagères de disques DE3-24C (demi-rack)

image:Système monté en rack ZFS Storage Appliance ZS5-4 : 13 étagères de disques DE3-24C (demi-rack)

Figure 780  Configuration de capacité d'un système monté en rack ZS5-4 : 14 étagères de disques DE3-24C

image:Système monté en rack ZFS Storage Appliance ZS5-4 : 14 étagères de disques DE3-24C

Figure 781  Configuration de capacité d'un système monté en rack ZS5-4 : 16 étagères de disques DE3-24C

image:Système monté en rack ZFS Storage Appliance ZS5-4 : 16 étagères de disques DE3-24C

Figure 782  Configuration de capacité d'un système monté en rack ZS5-4 : 18 étagères de disques DE3-24C

image:Système monté en rack ZFS Storage Appliance ZS5-4 : 18 étagères de disques DE3-24C

Figure 783  Configuration de capacité d'un système monté en rack ZS5-4 : 20 étagères de disques DE3-24C

image:Système monté en rack ZFS Storage Appliance ZS5-4 : 20 étagères de disques DE3-24C

Figure 784  Configuration de capacité d'un système monté en rack ZS5-4 : 22 étagères de disques DE3-24C

image:Système monté en rack ZFS Storage Appliance ZS5-4 : 22 étagères de disques DE3-24C

Figure 785  Configuration de capacité d'un système monté en rack ZS5-4 : 23 étagères de disques DE3-24C (demi-rack)

image:Système monté en rack ZFS Storage Appliance ZS5-4 : 23 étagères de disques DE3-24C (demi-rack)

Figure 786  Configuration de capacité d'un système monté en rack ZS5-4 : 24 étagères de disques DE3-24C

image:Système monté en rack ZFS Storage Appliance ZS5-4 : 24 étagères de disques DE3-24C

Figure 787  Configuration de capacité d'un système monté en rack ZS5-4 : 26 étagères de disques DE3-24C

image:Système monté en rack ZFS Storage Appliance ZS5-4 : 26 étagères de disques DE3-24C

Figure 788  Configuration de capacité d'un système monté en rack ZS5-4 : 28 étagères de disques DE3-24C

image:Système monté en rack ZFS Storage Appliance ZS5-4 : 28 étagères de disques DE3-24C

Figure 789  Configuration de capacité d'un système monté en rack ZS5-4 : 30 étagères de disques DE3-24C

image:Système monté en rack ZFS Storage Appliance ZS5-4 : 30 étagères de disques DE3-24C

Figure 790  Configuration de capacité d'un système monté en rack ZS5-4 : 32 étagères de disques DE3-24C

image:Système monté en rack ZFS Storage Appliance ZS5-4 : 32 étagères de disques DE3-24C

Figure 791  Configuration de capacité d'un système monté en rack ZS5-4 : 33 étagères de disques DE3-24C (demi-rack)

image:Système monté en rack ZFS Storage Appliance ZS5-4 : 33 étagères de disques DE3-24C (demi-rack)

Figure 792  Configuration de capacité d'un système monté en rack ZS5-4 : 34 étagères de disques DE3-24C

image:Système monté en rack ZFS Storage Appliance ZS5-4 : 34 étagères de disques DE3-24C

Figure 793  Configuration de capacité d'un système monté en rack ZS5-4 : 36 étagères de disques DE3-24C

image:Système monté en rack ZFS Storage Appliance ZS5-4 : 36 étagères de disques DE3-24C

Figure 794  Configuration de capacité d'un système monté en rack ZS5-4 : 38 étagères de disques DE3-24C

image:Système monté en rack ZFS Storage Appliance ZS5-4 : 38 étagères de disques DE3-24C