Go to main content

Guide de câblage des systèmes Oracle® ZFS Storage Appliance, version OS8.8.x

Quitter la vue de l'impression

Mis à jour : Août 2021
 
 

Configurations de capacité pour un système monté en rack ZS7-2 milieu de gamme

Cette section fournit une vue d'ensemble et des diagrammes de câblage pour les configurations de capacité d'un système monté en rack ZS7-2 milieu de gamme.

Cette section aborde les sujets suivants :

Vue d'ensemble des configurations de capacité d'un système monté en rack ZS7-2 milieu de gamme

Les configurations de capacité bénéficient d'étagères de disques de grande capacité et sont disponibles dans une armoire de base, ou une armoire de base dotée d'une armoire d'extension. Deux contrôleurs ZS7-2 milieu de gamme et jusqu'à 19 étagères de disques Oracle Storage Drive Enclosure DE3-24C peuvent être pris en charge, comme indiqué dans le tableau suivant. Notez que le nombre total d'étagères de disques pour l'armoire de base et l'armoire d'extension réunies ne peut pas dépasser 19.


Remarque -  En plus des configurations prédéfinies, le système monté en rack Oracle ZFS Storage Appliance ZS7-2 peut être mis à niveau sur le terrain vers n'importe quelle configuration prise en charge pour Oracle ZFS Storage ZS7-2. Par exemple, vous pouvez mettre à niveau le système monté en rack en ajoutant une étagère de disques et le câblage nécessaire à une configuration de deux étagères de disques, puis en recâblant le tout. Ainsi, trois étagères de disques sont prises en charge, même si le système monté en rack n'est pas disponible dans une configuration de trois étagères de disques. Les mises à niveau complexes nécessitent une planification et un recâblage importants.
Table 27  Composants des configurations de capacité d'un système monté en rack ZS7-2 milieu de gamme
Armoire de base
Armoire d'extension 1
9 étagères de disques DE3-24C au maximum
Configurations usine : 1, 2, 4, 6, 8 ou 9 étagères de disques DE3-24C
Deux contrôleurs ZS7-2 milieu de gamme
10 étagères de disques DE3-24C au maximum
Configurations usine : 2, 4, 5, 6, 8 ou 10 étagères de disques DE3-24C

Chaque contrôleur ZS7-2 milieu de gamme prend en charge deux cartes HBA SAS. Deux cartes HBA SAS doivent être installées dans chaque contrôleur ZS7-2 milieu de gamme pour prendre en charge les étagères de disques dans l'armoire d'extension.

Chaque contrôleur ZS7-2 milieu de gamme dispose de deux cartes HBA SAS. Les contrôleurs ZS7-2 milieu de gamme en cluster prennent en charge une configuration haute disponibilité composée de :

  • Armoire de base : deux chaînes avec quatre étagères de disques dans l'une et cinq étagères de disques dans l'autre pour un total de neuf étagères de disques, et

  • Armoire d'extension : deux chaînes avec cinq étagères de disques dans chaque chaîne, pour un total de dix étagères de disques.

Les armoires sont autonomes et pré-câblées selon la méthode de câblage requise. Les tableaux et diagrammes de câblage d'un système pré-monté en rack, qui peuvent également être utilisés pour la planification d'une extension future du système, sont fournis dans la section Tableaux et diagrammes de câblage pour des configurations de capacité d'un système monté en rack ZS7-2 milieu de gamme.

Chaque armoire contient 42 unités de rack (RU), avec RU01 en bas. Chaque contrôleur ZS7-2 milieu de gamme occupe deux unités de rack, et son emplacement est référencé par le numéro de l'unité de rack inférieure. Le contrôleur supérieur s'appelle Contrôleur 1 et se situe dans l'unité RU20 de l'armoire de base; tandis que le contrôleur inférieur s'appelle Contrôleur 0 dans l'unité RU17. Comme le contrôleur ZS7-2 milieu de gamme occupe deux unités de rack, l'armoire de base contient un panneau de remplissage au-dessus de chaque contrôleur afin que la disposition de l'armoire soit similaire aux offres précédentes des systèmes Oracle montés en rack avec des contrôleurs occupant trois unités de rack. Cela permet également un meilleur accès aux services de maintenance et un câblage via le CMA arrière. L'illustration suivante présente le numéro d'emplacement de chaque carte HBA, ainsi que les numéros de port de chaque carte.

Figure 758  Numéros d'emplacement des HBA d'un contrôleur ZS7-2 milieu de gamme (vue arrière)

image:Cette illustration présente le panneau arrière du contrôleur ZS7-2 milieu de gamme avec numéros d'emplacement des HBA.

Chaque étagère de disques DE3-24C occupe quatre unités de rack et les étagères de disques sont généralement installées du bas vers le haut de l'armoire pour des raisons de stabilité. Comme indiqué sur l'illustration suivante, l'étagère de disques DE3-24C contient deux modules d'E/S (IOM) dotés chacun de quatre ports. Dans toutes les configurations de câblage, le Port 1 et le Port 3 ne sont jamais utilisés.

Figure 759  Connexions HBA d'une étagère de disques DE3-24C (vue arrière)

image:Cette illustration présente le panneau arrière de l'étagère Oracle Storage Drive Enclosure DE3-24C avec les connexions HBA.

Tableaux et diagrammes de câblage pour des configurations de capacité d'un système monté en rack ZS7-2 milieu de gamme

Le tableau suivant décrit les emplacements et les connexions de port pour deux contrôleurs et neuf étagères de disques dans l'armoire de base avec des câbles SAS optiques de 3 mètres. La première étagère de disques se situe dans l'unité RU01 et chaque étagère de disques contient deux modules IOM.


Remarque -  Les tableaux suivants sont destinés à une configuration d'armoire de base complète composée de deux chaînes et à une configuration d'armoire d'extension composée de deux chaînes.
Table 28  Armoire de base : emplacements et connexions des contrôleurs et des étagères de disques
DEPUIS
VERS
RU
CONTROLEUR
PORT HBA
RU
PORT DE L'ETAGERE DE DISQUES
20
1
Emplacement 2, Port 0
1
IOM 1, Port 2
17
0
Emplacement 10, Port 0
1
IOM 0 Port 2
20
1
Emplacement 2, Port 1
23
IOM 1, Port 2
17
0
Emplacement 10, Port 1
23
IOM 0 Port 2
17
0
Emplacement 2, Port 0
1, 5, 13
IOM 1, Port 0
20
1
Emplacement 10, Port 0
1, 5, 13
IOM 0, Port 0
17
0
Emplacement 2, Port 1
27, 35, 39
IOM 1, Port 0
20
1
Emplacement 10, Port 1
27, 35, 39
IOM 0, Port 0

Le tableau suivant décrit les emplacements et les connexions de port pour 10 étagères de disques dans une armoire d'extension, avec des câbles SAS optiques de 6 mètres. La première étagère de disques se situe dans l'unité RU01 et chaque étagère de disques contient deux modules IOM. L'armoire d'extension prend en charge les étagères de disques 10 à 19.

Table 29  Armoire d'extension : emplacements et connexions des contrôleurs et des étagères de disques
DEPUIS
VERS
RU
CONTROLEUR
PORT HBA
RU
PORT DE L'ETAGERE DE DISQUES
20
1
Emplacement 2, Port 2
1
IOM 1, Port 2
17
0
Emplacement 10, Port 2
1
IOM 0, Port 2
20
1
Emplacement 2, Port 3
21
IOM 1, Port 2
17
0
Emplacement 10, Port 3
21
IOM 0, Port 2
17
0
Emplacement 2, Port 2
5, 9, 13, 17
IOM 1, Port 0
20
1
Emplacement 10, Port 2
5, 9, 13, 17
IOM 0, Port 0
17
0
Emplacement 2, Port 3
25, 33, 37
IOM 1, Port 0
20
1
Emplacement 10, Port 3
25, 33, 37
IOM 0, Port 0

Les diagrammes suivants illustrent le câblage des systèmes pré-montés en rack, ainsi que les possibilités d'extension de votre système à l'avenir. La légende de chaque diagramme est la suivante :

  • Un cercle vide indique la connexion du câble au module IOM supérieur (IOM 1).

  • Un cercle plein indique la connexion du câble au module IOM inférieur (IOM 0).

Figure 760  Configuration de capacité d'un système monté en rack ZS7-2 milieu de gamme : 11 étagères de disques DE3-24C

image:Système monté en rack ZFS Storage Appliance ZS7-2 milieu de gamme : 11 étagères de disques DE3-24C

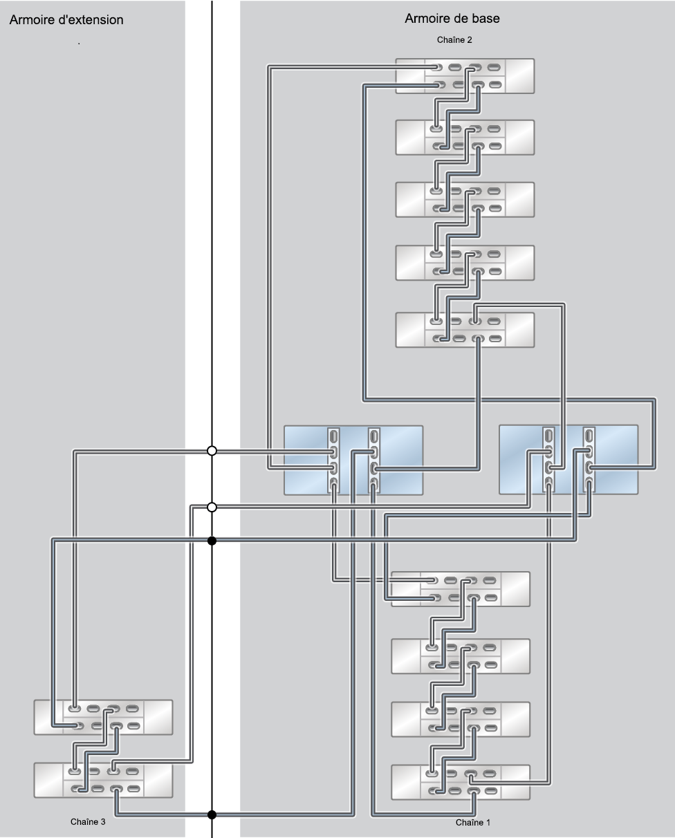
Figure 761  Configuration de capacité d'un système monté en rack ZS7-2 milieu de gamme : 13 étagères de disques DE3-24C

image:Système monté en rack ZFS Storage Appliance ZS7-2 milieu de gamme : 13 étagères de disques DE3-24C

Figure 762  Configuration de capacité d'un système monté en rack ZS7-2 milieu de gamme : 14 étagères de disques DE3-24C (demi-rack)

image:Système monté en rack ZFS Storage Appliance ZS7-2 milieu de gamme : 14 étagères de disques DE3-24C (demi-rack)

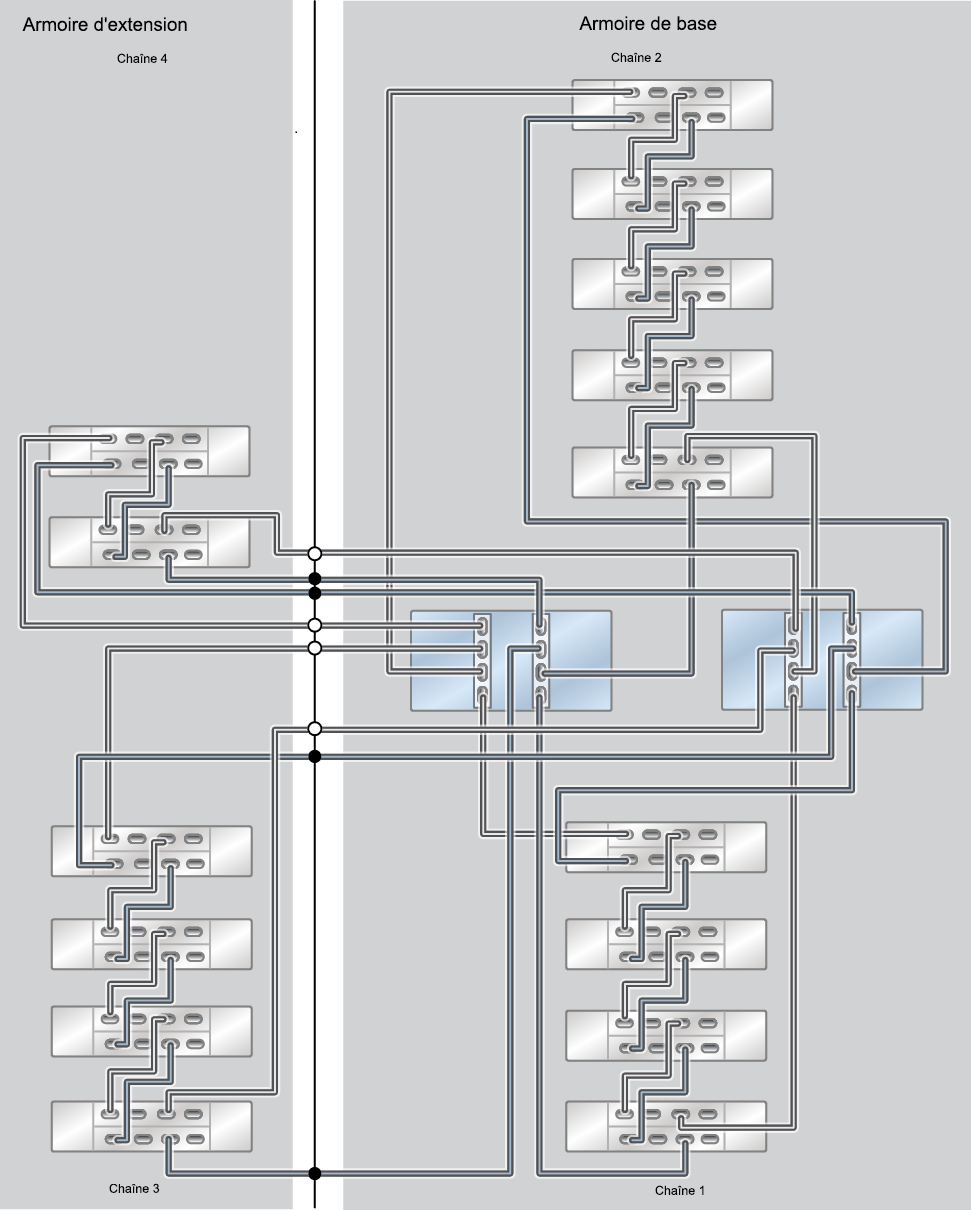
Figure 763  Configuration de capacité d'un système monté en rack ZS7-2 milieu de gamme : 15 étagères de disques DE3-24C

image:Système monté en rack ZFS Storage Appliance ZS7-2 milieu de gamme : 15 étagères de disques DE3-24C

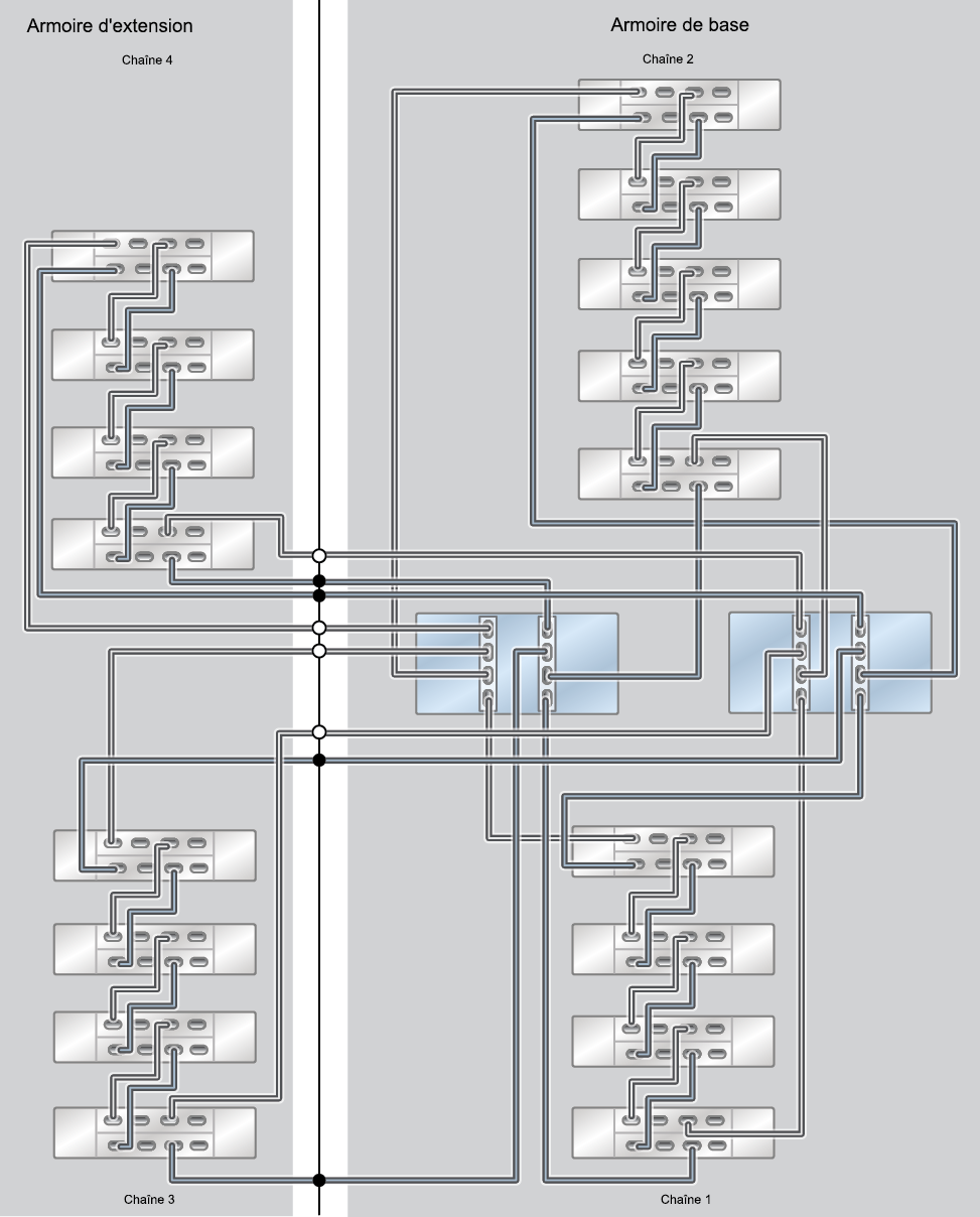
Figure 764  Configuration de capacité d'un système monté en rack ZS7-2 milieu de gamme : 17 étagères de disques DE3-24C

image:Cette illustration présente la configuration de capacité d'un système monté en rack ZS7-2 milieu de gamme avec 17 étagères de disques DE3-24C.

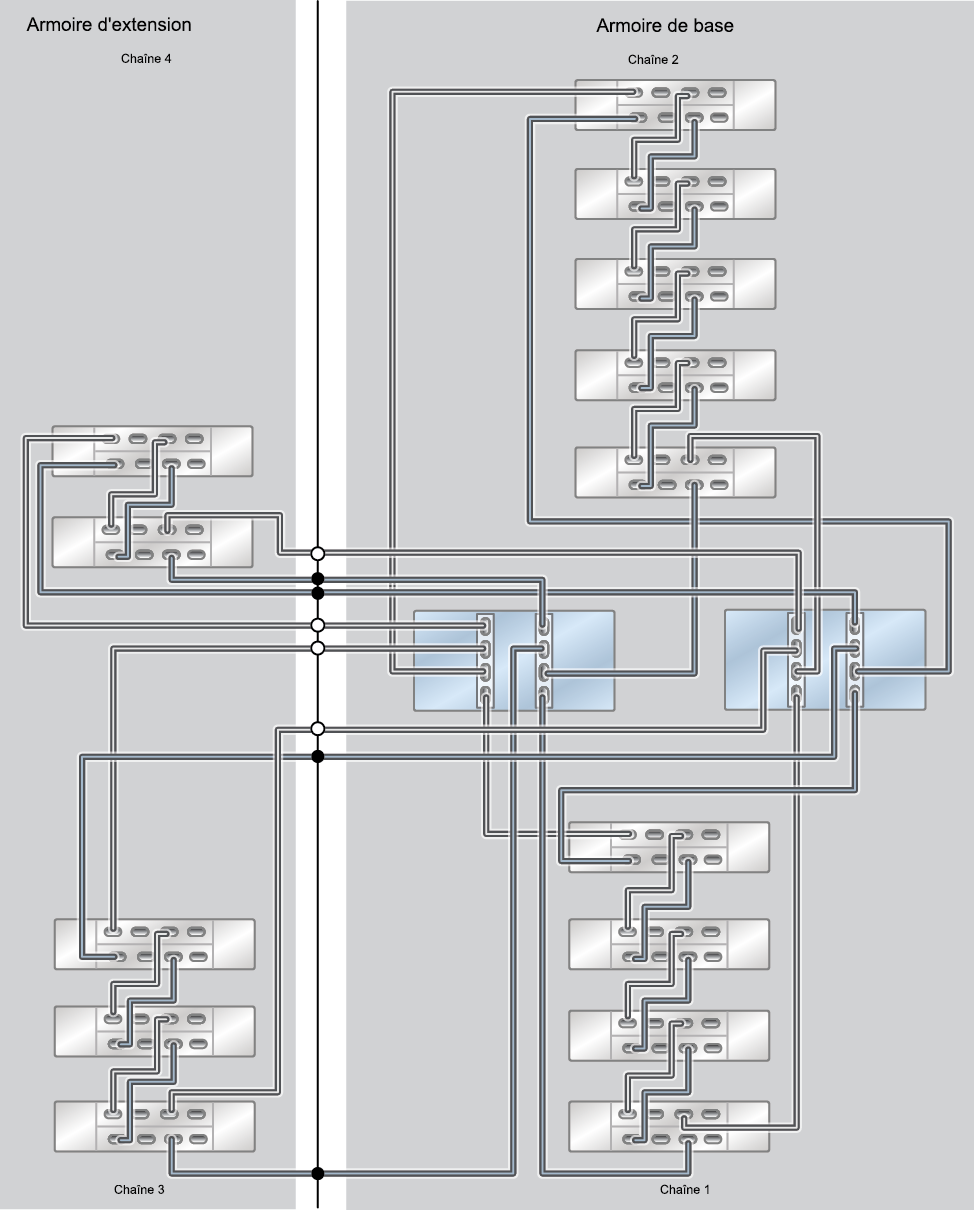
Figure 765  Configuration de capacité d'un système monté en rack ZS7-2 milieu de gamme : 19 étagères de disques DE3-24C

image:Cette illustration présente la configuration de capacité d'un système monté en rack ZS7-2 milieu de gamme avec 19 étagères de disques DE3-24C.