Go to main content

Guide de câblage des systèmes Oracle® ZFS Storage Appliance, version OS8.8.x

Quitter la vue de l'impression

Mis à jour : Août 2021
 
 

Tableaux et diagrammes de câblage pour des configurations de capacité d'un système monté en rack ZS5-2

Le tableau suivant décrit les emplacements et les connexions de port pour deux contrôleurs et huit étagères de disques dans l'armoire de base avec des câbles SAS de 3 mètres. La première étagère de disques se situe dans l'unité RU01 et chaque étagère de disques contient deux modules IOM.

Table 42  Armoire de base : emplacements et connexions des contrôleurs et des étagères de disques
DEPUIS
VERS
RU
CONTROLEUR
PORT HBA
RU
ETAGERE DE DISQUES
PORT DE L'ETAGERE DE DISQUES
20
1
Emplacement 2, Port 0
1
1
IOM 1, Port 2
17
0
Emplacement 6, Port 0
1
1
IOM 0 Port 2
20
1
Emplacement 2, Port 1
23
3
IOM 1, Port 2
17
0
Emplacement 6, Port 1
23
3
IOM 0 Port 2
17
0
Emplacement 2, Port 0
1, 5, 13
1, 2, 6
IOM 1, Port 0
20
1
Emplacement 6, Port 0
1, 5, 13
1, 2, 6
IOM 0, Port 0
17
0
Emplacement 2, Port 1
27, 35
4, 8
IOM 1, Port 0
20
1
Emplacement 6, Port 1
27, 35
4, 8
IOM 0, Port 0

Le tableau suivant décrit les emplacements et les connexions de port pour huit étagères de disques dans une armoire d'extension, avec des câbles SAS de 6 mètres. La première étagère de disques se situe dans l'unité RU01 et chaque étagère de disques contient deux modules IOM. L'armoire d'extension prend en charge les étagères de disques 9 à 16.

Table 43  Armoire d'extension : emplacements et connexions des contrôleurs et des étagères de disques
DEPUIS
VERS
RU
CONTROLEUR
PORT HBA
RU
ETAGERE DE DISQUES
PORT DE L'ETAGERE DE DISQUES
20
1
Emplacement 2, Port 2
1
9
IOM 1, Port 2
17
0
Emplacement 6, Port 2
1
9
IOM 0, Port 2
20
1
Emplacement 2, Port 3
21
11
IOM 1, Port 2
17
0
Emplacement 6, Port 3
21
11
IOM 0, Port 2
17
0
Emplacement 2, Port 2
5, 9, 13
10, 13, 14
IOM 1, Port 0
20
1
Emplacement 6, Port 2
5, 9, 13
10, 13, 14
IOM 0, Port 0
17
0
Emplacement 2, Port 3
25, 33
12, 16
IOM 1, Port 0
20
1
Emplacement 6, Port 3
25, 33
12, 16
IOM 0, Port 0

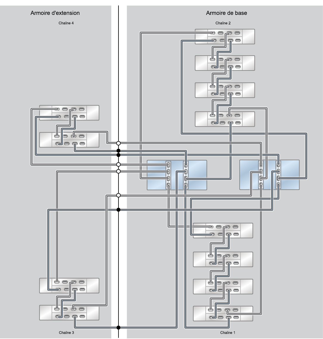
Les diagrammes suivants illustrent le câblage des systèmes pré-montés en rack, ainsi que les possibilités d'extension de votre système à l'avenir. La légende de chaque diagramme est la suivante :

  • Un cercle vide indique la connexion du câble au module IOM supérieur (IOM 1).

  • Un cercle plein indique la connexion du câble au module IOM inférieur (IOM 0).

Figure 815  Configuration de capacité d'un système monté en rack ZS5-2 : 10 étagères de disques DE3-24C

image:Système monté en rack ZFS Storage Appliance ZS5-2 : 10 étagères de disques DE3-24C

Figure 816  Configuration de capacité d'un système monté en rack ZS5-2 : 12 étagères de disques DE3-24C

image:Système monté en rack ZFS Storage Appliance ZS5-2 : 12 étagères de disques DE3-24C

Figure 817  Configuration de capacité d'un système monté en rack ZS5-2 : 13 étagères de disques DE3-24C (demi-rack)

image:Système monté en rack ZFS Storage Appliance ZS5-2 : 13 étagères de disques DE3-24C (demi-rack)

Figure 818  Configuration de capacité d'un système monté en rack ZS5-2 : 14 étagères de disques DE3-24C

image:Système monté en rack ZFS Storage Appliance ZS5-2 : 14 étagères de disques DE3-24C

Figure 819  Configuration de capacité d'un système monté en rack ZS5-2 : 16 étagères de disques DE3-24C

image:Système monté en rack ZFS Storage Appliance ZS5-2 : 16 étagères de disques DE3-24C