Go to main content
Guía de cableado de Oracle® ZFS Storage Appliance

Salir de la Vista de impresión

Actualización: Marzo de 2017
 
 

Cableado de estantes de discos DE3-24 y DE2-24 combinados con controladores ZS4-4

Consulte los diagramas en esta sección para actualizar un sistema con estantes de discos DE2-24 mediante la introducción de uno o varios estantes de discos DE3-24. En los siguientes diagramas, los estantes de discos DE2-24 tienen tres puertos de Módulo de E/S, mientras que los estantes de discos DE3-24 tienen cuatro puertos. Consulte Directrices de cableado y armarios para obtener las directrices de combinación de estantes de discos.


Notas -  La agregación de estantes de discos DE3-24 usa cableado SAS-3, pero conserva la metodología de cableado heredada SAS-2. La sustitución de HBA SAS-2 por HBA SAS-3 no afecta la interconexión de cables.

Actualización: sustitución DE2-24 por DE3-24 en el extremo de cadena de discos

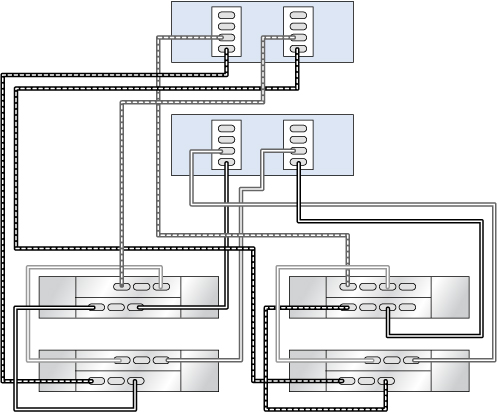
Figura 459  Controladores ZS4-4 en cluster con dos HBA conectados a un estante de discos DE3-24 y a tres estantes de discos DE2-24 en dos cadenas

image:Controladores ZS4-4 en cluster con dos HBA conectados a un estante de discos DE3-24 y a tres estantes de discos DE2-24 en dos cadenas

Actualización: sustitución DE2-24 por DE3-24 en el medio de la cadena de discos

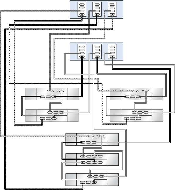
Figura 460  Controladores ZS4-4 en cluster con tres HBA conectados a un estante de discos DE3-24 y seis estantes de discos DE2-24 en tres cadenas

image:Controladores ZS4-4 en cluster con tres HBA conectados a un estante de discos DE3-24 y seis estantes de discos DE2-24 en tres cadenas

Actualización: agregación de una cadena de discos DE3-24 exclusiva

Figura 461  Controladores ZS4-4 en cluster con cuatro HBA conectados a dos estantes de discos DE3-24 y a seis estantes de discos DE2-24 en cuatro cadenas

image:Controladores ZS4-4 en cluster con cuatro HBA conectados a dos estantes de discos DE3-24 y a seis estantes de discos DE2-24 en cuatro cadenas