Go to main content

Oracle® ZFS Storage Appliance 配線ガイド、リリース OS8.8.x

印刷ビューの終了

更新: 2021 年 8 月
 
 

DE3-24 および DE2-24 による混在型ディスクシェルフを ZS4-4 コントローラに配線する

1 つ以上の DE3-24 ディスクシェルフを導入することによって、DE2-24 ディスクシェルフを使用したシステムをアップグレードするか、システムへの追加を行うには、このセクションで示す図を参照してください。次の図では、DE2-24 ディスクシェルフには 3 つの I/O モジュールポートがあり、DE3-24 ディスクシェルフには 4 つのポートがあります。混在型ディスクシェルフの利用のガイドラインについては、キャビネットおよび配線のガイドラインを参照してください。


注 -  DE3-24 ディスクシェルフを追加する場合は SAS-3 の配線を使用しますが、SAS-2 の従来の配線方法が維持されます。SAS-2 HBA を SAS-3 HBA と交換してもケーブルの相互接続には影響しません。

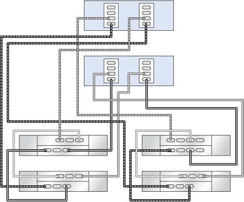
チェーンの端での DE2-24 ディスクシェルフへの DE3-24 の追加

この例では、DE3-24 (右側のチェーン、最初のディスクシェルフ) が 1 つの DE2-24 ディスクシェルフチェーンに追加されます。左側のチェーンは変更されません。

図 536  2 つのチェーン内で DE3-24 1 台 (右側のチェーン、最初のディスクシェルフ) と DE2-24 3 台に接続された HBA 2 基を搭載するクラスタ化 ZS4-4 コントローラ

image:2 つのチェーン内で DE3-24 1 台 (右側のチェーン、最初のディスクシェルフ) と DE2-24 3 台に接続された HBA 2 基を搭載するクラスタ化 ZS4-4 コントローラ

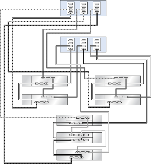
チェーンの中間での DE2-24 ディスクシェルフへの DE3-24 の追加または DE2-24 ディスクシェルフの DE3-24 の交換

この例では、DE3-24 (いちばん下のチェーン、2 番目のディスクシェルフ) が DE2-24 ディスクシェルフチェーンの中間に追加されるか DE2-24 ディスクシェルフチェーンの中間で交換されます。上の残りの 2 つのチェーンは変更されません。

図 537  3 つのチェーン内で DE3-24 1 台 (いちばん下のチェーン、2 番目のディスクシェルフ) と DE2-24 6 台に接続された HBA 3 基を搭載するクラスタ化 ZS4-4 コントローラ

image:3 つのチェーン内で DE3-24 1 台 (いちばん下のチェーン、2 番目のディスクシェルフ) と DE2-24 6 台に接続された HBA 3 基を搭載するクラスタ化 ZS4-4 コントローラ

排他的 DE3-24 ディスクシェルフチェーンの追加

この例では、2 つの DE3-24 (右側のチェーン、3 番目および 4 番目のディスクシェルフ) が追加されます。残りの 3 つのチェーンは変更されません。

図 538  4 つのチェーン内で DE3-24 2 台 (右側のチェーン、3 番目および 4 番目のディスクシェルフ) と DE2-24 6 台に接続された HBA 4 基を搭載するクラスタ化 ZS4-4 コントローラ

image:4 つのチェーン内で DE3-24 2 台 (右側のチェーン、3 番目および 4 番目のディスクシェルフ) と DE2-24 6 台に接続された HBA 4 基を搭載するクラスタ化 ZS4-4 コントローラ