Go to main content

Oracle® ZFS Storage Appliance 配線ガイド、リリース OS8.8.x

印刷ビューの終了

更新: 2021 年 8 月
 
 

ZS5-2 ラック搭載システムのパフォーマンス構成のための基本キャビネット構成

ZS5-2 ラック搭載システムの最大パフォーマンス構成には、SAS-3 HBA 接続用に最大 8 ポートを提供する 2 基の SAS-3 HBA が必要です。

SAS-3 HBA ポートの番号付けは、いちばん下 (ポート 0) からいちばん上 (ポート 3) に向かって昇順です。SAS-3 HBA カードと DE3-24 ディスクシェルフは両方とも SFF 8644 コネクタを使用します。

図 822  ZS5-2 コントローラ HBA スロット番号 (背面図)

image:この画像は ZS5-2 のバックパネルと HBA スロット番号を示しています。

図 823  DE3-24P ディスクシェルフ HBA 接続 (背面図)

image:この画像は DE3-24P のバックパネルと HBA 接続を示しています。

図 824  DE3-24C ディスクシェルフ HBA 接続 (背面図)

image:この画像は DE3-24C のバックパネルと HBA 接続を示しています。

ZS5-2 ラック搭載システムの配線構成は、ケーブル管理アーム (CMA) の使用が可能な追加の制限事項を伴う標準的な配線方法に従っています。この方法により、SSD ログデバイスおよび読み取りキャッシュデバイスのマッチングのための実用的な実装が可能になり、最大パフォーマンスまたは最適パフォーマンスのための構成が可能になります。

SAS-3 HBA カードの数を変更したり、元の ZS5-2 ラック搭載システムでないか ZS5-2 ラック搭載システムと互換性のない複数のキャビネットを組み込んだりするすべてのアップグレードは、その特定の構成用に配線し直す必要があります。4x4 ポート SAS-3 HBA で DE3-24 ディスクシェルフを ZS5-2 コントローラに接続する配線の例については、DE3-24 ディスクシェルフを ZS5-2 コントローラに配線するを参照してください。SAS ケーブル長のガイドラインについては、キャビネットおよび配線のガイドラインを参照してください。

キャビネットは自己完結型であり、必要な配線方法に従って事前配線されています。次の図は、5 つの基本キャビネットオプションの配線方法を示しています。

図 825  ZS5-2 ラック搭載システムのパフォーマンス構成: 4 台の DE3-24P オールフラッシュディスクシェルフ (最大パフォーマンス)

image:この画像は、4 つのチェーンに 4 台の DE3-24P ディスクシェルフを持つ ZS5-2 オールフラッシュラック搭載システムを示しています。

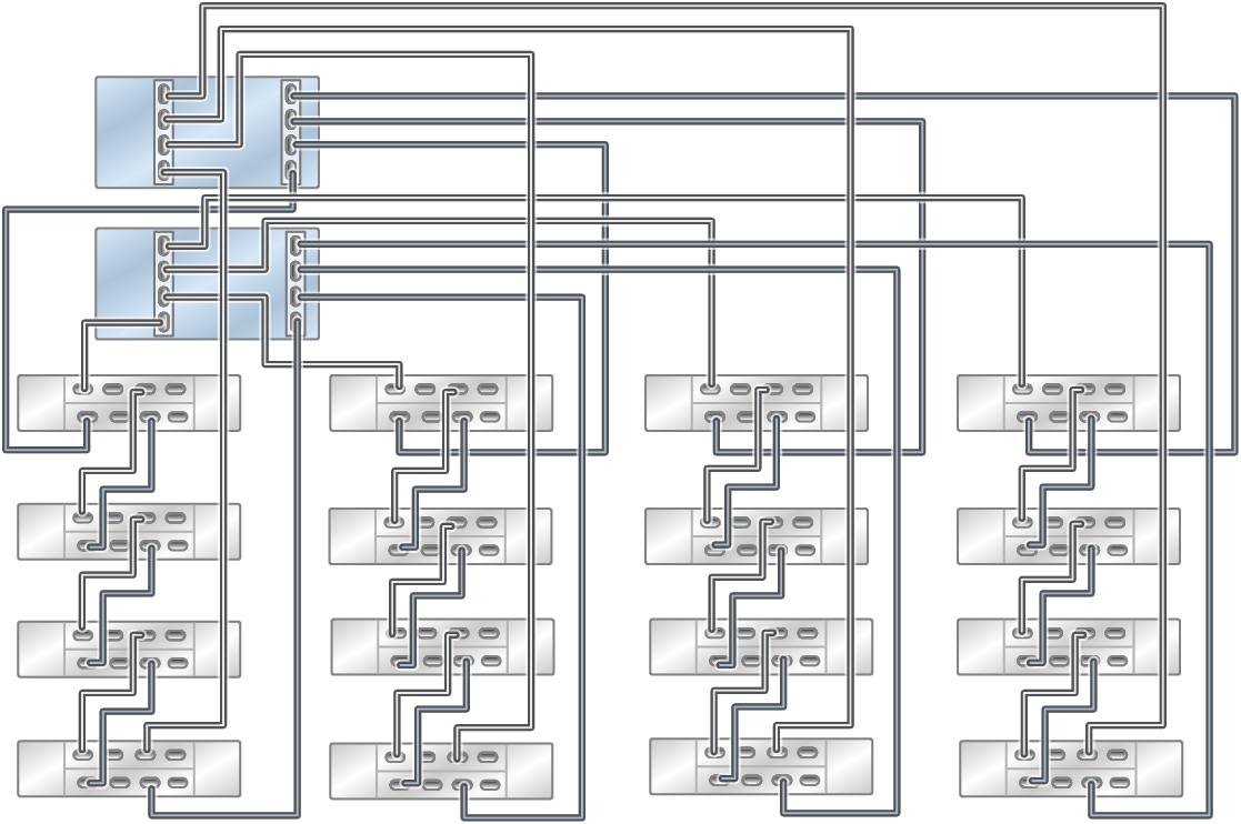
図 826  ZS5-2 ラック搭載システムのパフォーマンス構成: 16 台の DE3-24P ディスクシェルフ (最適パフォーマンス)

image:この画像は、4 つのチェーンに 16 台の DE3-24P ディスクシェルフを持つ ZS5-2 オールフラッシュラック搭載システムを示しています。

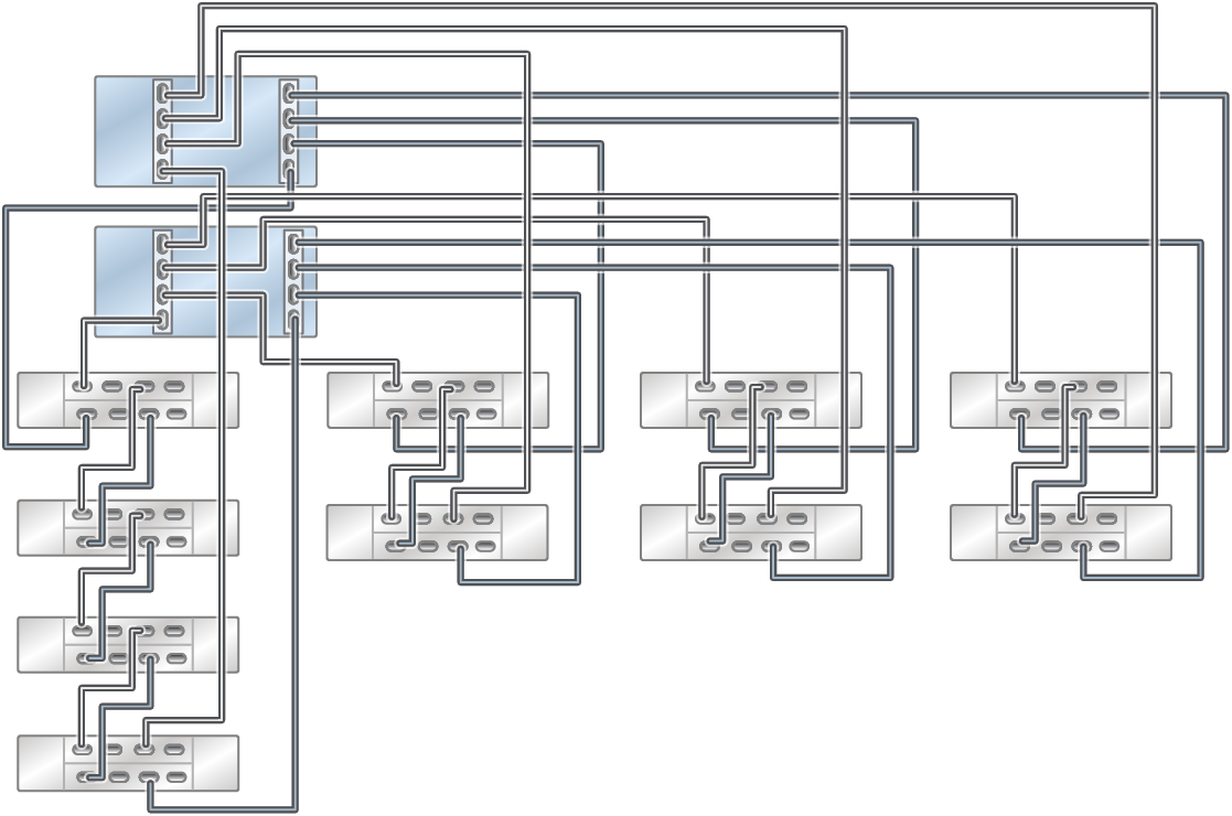
図 827  ZS5-2 ラック搭載システムのパフォーマンス構成: 2 台の DE3-24C (左下) および 12 台の DE3-24P ディスクシェルフ (最適パフォーマンス)

image:この画像は、4 つのチェーンに 2 台の DE3-24C (左下) および 12 台の DE3-24P ディスクシェルフを持つ ZS5-2 ラック搭載システムを示しています。

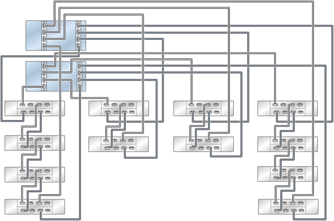
図 828  ZS5-2 ラック搭載システムのパフォーマンス構成: 4 台の DE3-24C (左下) および 8 台の DE3-24P ディスクシェルフ (最適パフォーマンス)

image:この画像は、4 つのチェーンに 4 台の DE3-24C (左下) および 8 台の DE3-24P ディスクシェルフを持つ ZS5-2 ラック搭載システムを示しています。

図 829  ZS5-2 ラック搭載システムのパフォーマンス構成: 6 台の DE3-24C (左から 2 つまでのチェーン) および 4 台の DE3-24P ディスクシェルフ (最適パフォーマンス)

image:この画像は、4 つのチェーンに 6 台の DE3-24C (左から 2 つまでのチェーン) および 4 台の DE3-24P ディスクシェルフを持つ ZS5-2 オールフラッシュラック搭載システムを示しています。