Go to main content

Guía de cableado de Oracle® ZFS Storage Appliance, versión OS8.8.x

Salir de la Vista de impresión

Actualización: Agosto de 2021
 
 

Cableado de estantes de discos DE3-24 y DE2-24 combinados con controladores ZS4-4

Consulte los diagramas de esta sección para actualizar o agregar un sistema con estantes de discos DE2-24 mediante la introducción de uno o varios estantes de discos DE3-24. En los siguientes diagramas, los estantes de discos DE2-24 tienen tres puertos de Módulo de E/S, mientras que los estantes de discos DE3-24 tienen cuatro puertos. Consulte Directrices de cableado y armarios para obtener las directrices de combinación de estantes de discos.


Notas -  La agregación de estantes de discos DE3-24 usa cableado SAS-3, pero conserva la metodología de cableado heredada SAS-2. La sustitución de HBA SAS-2 por HBA SAS-3 no afecta la interconexión de cables.

Agregación de un estante de discos DE3-24 a estantes de discos DE2-24 en el extremo de cadena

En este ejemplo, se agrega un estante de discos DE3-24 (cadena derecha, primer estante de discos) a una cadena de estante de discos DE2-24 única. No se hacen cambios en la cadena izquierda.

Figura 536  Controladores ZS4-4 en cluster con dos HBA conectados a un estante de discos DE3-24 (cadena derecha, primer estante de discos) y a tres estantes de discos DE2-24 en dos cadenas

image:Controladores ZS4-4 en cluster con dos HBA conectados a un estante de discos DE3-24 (cadena derecha, primer estante de discos) y a tres estantes de discos DE2-24 en dos cadenas

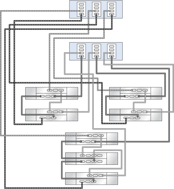
Agregación o sustitución de estantes de discos DE3-24 en estantes de discos DE2-24 en el medio de la cadena

En este ejemplo, se agrega/sustituye un estante de discos DE3-24 (cadena inferior, segundo estante de discos) en el medio de una cadena de estantes de discos DE2-24. No se hacen cambios en las dos cadenas superiores restantes.

Figura 537  Controladores ZS4-4 en cluster con tres HBA conectados a un estante de discos DE3-24 (cadena inferior, segundo estante de discos) y a seis estantes de discos DE2-24 en tres cadenas

image:Controladores ZS4-4 en cluster con tres HBA conectados a un estante de discos DE3-24 (cadena inferior, segundo estante de discos) y a seis estantes de discos DE2-24 en tres cadenas

Agregación de cadena de estantes de discos DE3-24 exclusiva

En este ejemplo, se agrega una cadena de dos estantes de discos DE3-24 (cadena derecha, estantes de discos tercero y cuarto). No se hacen cambios en las tres cadenas restantes.

Figura 538  Controladores ZS4-4 en cluster con cuatro HBA conectados a dos estantes de discos DE3-24 (cadena derecha, estantes de discos tercero y cuarto) y a seis estantes de discos DE2-24 en cuatro cadenas

image:Controladores ZS4-4 en cluster con cuatro HBA conectados a dos estantes de discos DE3-24 (cadena derecha, estantes de discos tercero y cuarto) y a seis estantes de discos DE2-24 en cuatro cadenas