Go to main content

Guía de cableado de Oracle® ZFS Storage Appliance, versión OS8.8.x

Salir de la Vista de impresión

Actualización: Agosto de 2021
 
 

Configuraciones de armario base para configuraciones de ZS5-2 Racked System para rendimiento

Las configuraciones de ZS5-2 Racked System para rendimiento máximo requieren dos HBA SAS-3, que proporcionan un máximo de ocho puertos de conectividad HBA SAS-3.

El orden de numeración de los puertos del HBA SAS-3 es ascendente, desde abajo (puerto 0) hacia arriba (puerto 3). Tanto las tarjetas del HBA SAS-3 como los estantes de discos DE3-24 usan conectores SFF 8644.

Figura 822  Números de ranura del HBA del controlador ZS5-2 (vista posterior)

image:En esta imagen, se muestra el panel posterior del controlador ZS5-2 con los números de ranura del HBA.

Figura 823  Conexiones del HBA del estante de discos DE3-24P (vista posterior)

image:En esta imagen, se muestra el panel posterior del estante de discos DE3-24P con las conexiones del HBA.

Figura 824  Conexiones del HBA del estante de discos DE3-24C (vista posterior)

image:En esta imagen, se muestra el panel posterior del estante de discos DE3-24C con las conexiones del HBA.

Las configuraciones de cableado de ZS5-2 Racked System siguen metodologías de conexión de cables estándar con restricciones adicionales que permiten el uso del organizador de cables (CMA). Proporcionan una implementación más práctica para la asociación con dispositivos de caché de lectura y dispositivos de log SSD, y se los puede configurar para rendimiento máximo u óptimo.

Los cambios de versiones que representen un cambio en el número de tarjetas del HBA SAS-3, o que incluyan más de un armario que no sea un sistema ZS5-2 Racked System original o que no sea compatible con ZS5-2 Racked System, se deben volver a cablear para esa configuración específica. Para consultar ejemplos de cableado de conexión de estantes de discos DE3-24 con un controlador ZS5-2 con HBA SAS-3 de puerto 4x4, consulte Cableado de estantes de discos DE3-24 con controladores ZS5-2. Para obtener directrices acerca de la longitud de los cables SAS, consulte Directrices de cableado y armarios.

Los armarios son independientes y vienen cableados de acuerdo con la metodología de cableado requerida. En los siguientes diagramas, se ilustran las conexiones de cables de las cinco opciones de armario base.

Figura 825  Configuración de ZS5-2 Racked System para rendimiento: cuatro estantes de discos DE3-24P que solo tienen unidades flash (rendimiento máximo)

image:En esta imagen, se muestra el sistema ZS5-2 Racked System solo con unidades flash con cuatro estantes de discos DE3-24P en cuatro cadenas.

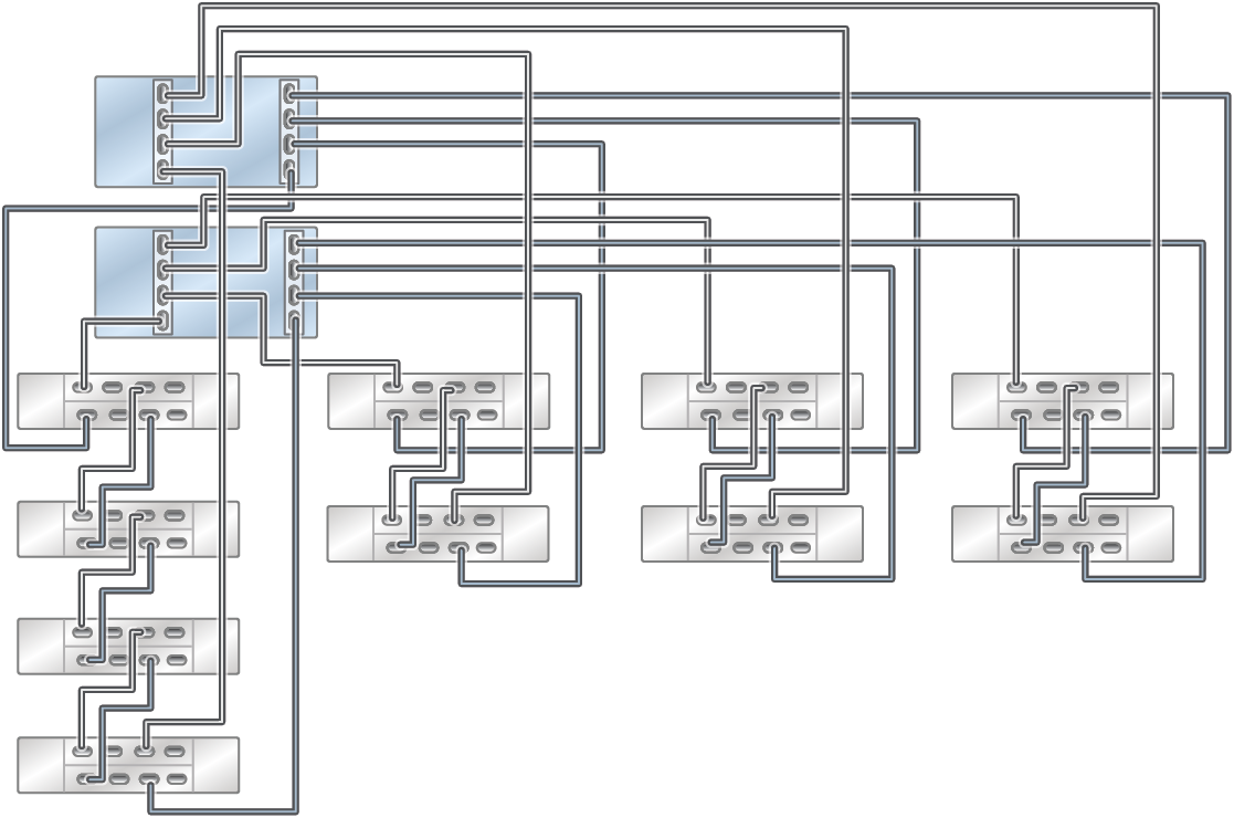
Figura 826  Configuración de ZS5-2 Racked System para rendimiento: 16 estantes de discos DE3-24P (rendimiento óptimo)

image:En esta imagen, se muestra el sistema ZS5-2 Racked System solo con unidades flash con 16 estantes de discos DE3-24P en cuatro cadenas.

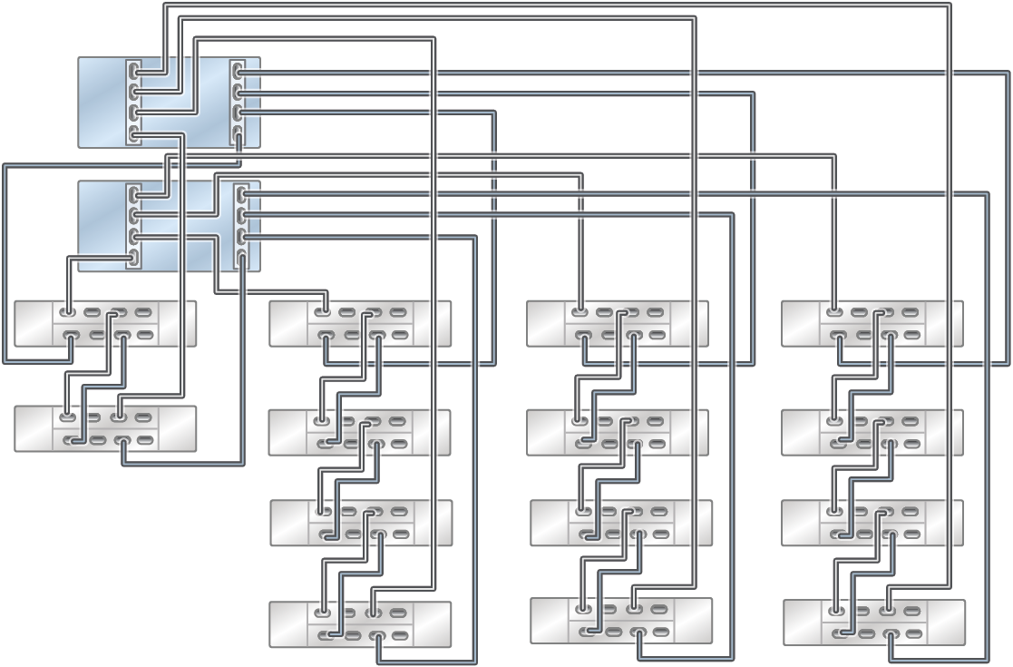
Figura 827  Configuración de ZS5-2 Racked System para rendimiento: dos estantes de discos DE3-24C (abajo a la izquierda) y 12 estantes de discos DE3-24P (rendimiento óptimo)

image:En esta imagen, se muestra un sistema ZS5-2 Racked System para solo unidades flash con dos estantes de discos DE3-24C (abajo a la izquierda) y 12 estantes de discos DE3-24P en cuatro cadenas.

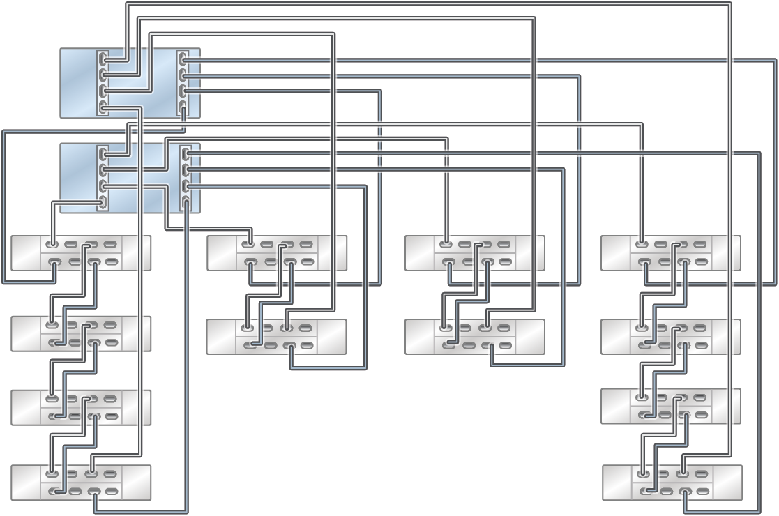
Figura 828  Configuración de ZS5-2 Racked System para rendimiento: cuatro estantes de discos DE3-24C (abajo a la izquierda) y ocho estantes de discos DE3-24P (rendimiento óptimo)

image:En esta imagen, se muestra un sistema ZS5-2 Racked System para solo unidades flash con cuatro estantes de discos DE3-24C (abajo a la izquierda) y ocho estantes de discos DE3-24P en cuatro cadenas.

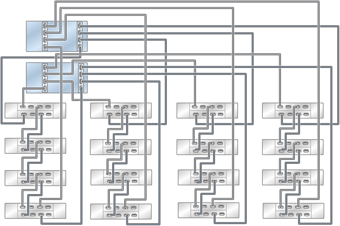
Figura 829  Configuración de ZS5-2 Racked System para rendimiento: seis estantes de discos DE3-24C (dos primeras cadenas desde la izquierda) y cuatro estantes de discos DE3-24P (rendimiento óptimo)

image:En esta imagen, se muestra un sistema ZS5-2 Racked System para solo unidades flash con seis estantes de discos DE3-24C (dos primeras cadenas desde la izquierda) y cuatro estantes de discos DE3-24P en cuatro cadenas.