Go to main content

Guía de cableado de Oracle® ZFS Storage Appliance, versión OS8.8.x

Salir de la Vista de impresión

Actualización: Agosto de 2021
 
 

Tablas y diagramas de cableado para configuraciones de ZS4-4 Racked System para capacidad

En la siguiente tabla se describen las ubicaciones y las conexiones de puertos para dos controladores y ocho estantes de discos en el armario base, utilizando cables SAS de 3 metros. El primer estante de discos se encuentra en RU01, y cada estante de discos tiene dos IOM.

Tabla 48  Armario base: ubicaciones y conexiones de controlador y estantes de discos
DESDE
HASTA
RU
CONTROLADOR
PUERTO HBA
RU
ESTANTE DE DISCOS
PUERTO DE ESTANTE DE DISCOS
20
1
Ranura 3, puerto 0
1
1
IOM 0, puerto 0
17
0
Ranura 6, puerto 1
1
1
IOM 1, puerto 2
20
1
Ranura 6, puerto 0
9
3
IOM 0, puerto 0
17
0
Ranura 7, puerto 1
9
3
IOM 1, puerto 2
20
1
Ranura 7, puerto 0
23
5
IOM 0, puerto 0
17
0
Ranura 9, puerto 1
23
5
IOM 1, puerto 2
20
1
Ranura 9, puerto 0
31
7
IOM 0, puerto 0
17
0
Ranura 3, puerto 1
31
7
IOM 1, puerto 2
17
0
Ranura 3, puerto 0
5
2
IOM 0, puerto 2
20
1
Ranura 6, puerto 1
5
2
IOM 1, puerto 0
17
0
Ranura 6, puerto 0
13
4
IOM 0, puerto 2
20
1
Ranura 7, puerto 1
13
4
IOM 1, puerto 0
17
0
Ranura 7, puerto 0
27
6
IOM 0, puerto 2
20
1
Ranura 9, puerto 1
27
6
IOM 1, puerto 0
17
0
Ranura 9, puerto 0
35
8
IOM 0, puerto 2
20
1
Ranura 3, puerto 1
35
8
IOM 1, puerto 0

En la siguiente tabla, se describen las ubicaciones y las conexiones de puertos para 10 estantes de discos en el armario de expansión 1, utilizando cables SAS de 6 metros. El primer estante de discos se encuentra en RU01, y cada estante de discos tiene dos IOM. El armario de expansión 1 admite los estantes de discos del 9 al 18.

Tabla 49  Armario de expansión 1: ubicaciones y conexiones de controlador y estantes de discos
DESDE
HASTA
RU
CONTROLADOR
PUERTO HBA
RU
ESTANTE DE DISCOS
PUERTO DE ESTANTE DE DISCOS
20
1
Ranura 3, puerto 2
1
9
IOM 0, puerto 0
17
0
Ranura 6, puerto 3
1
9
IOM 1, puerto 2
20
1
Ranura 6, puerto 2
21
11
IOM 0, puerto 0
17
0
Ranura 7, puerto 3
21
11
IOM 1, puerto 2
17
0
Ranura 3, puerto 2
5, 9, 13, 18
10, 13, 14, 17
IOM 0, puerto 2
20
1
Ranura 6, puerto 3
5, 9, 13, 18
10, 13, 14, 17
IOM 1, puerto 0
17
0
Ranura 6, puerto 2
25, 29, 33, 37
12, 15, 16, 18
IOM 0, puerto 2
20
1
Ranura 7, puerto 3
25, 29, 33, 37
12, 15, 16, 18
IOM 1, puerto 0

En la siguiente tabla, se describen las ubicaciones y las conexiones de puertos para 10 estantes de discos en el armario de expansión 2, utilizando cables SAS de 6 metros. El primer estante de discos se encuentra en RU01, y cada estante de discos tiene dos IOM. El armario de expansión 2 admite los estantes de discos del 19 al 28

Tabla 50  Armario de expansión 2: ubicaciones y conexiones de controlador y estantes de discos
DESDE
HASTA
RU
CONTROLADOR
PUERTO HBA
RU
ESTANTE DE DISCOS
PUERTO DE ESTANTE DE DISCOS
20
1
Ranura 7, puerto 2
1
19
IOM 0, puerto 0
17
0
Ranura 9, puerto 3
1
19
IOM 1, puerto 2
20
1
Ranura 9, puerto 2
21
21
IOM 0, puerto 0
17
0
Ranura 3, puerto 3
21
21
IOM 1, puerto 2
17
0
Ranura 7, puerto 2
5, 9, 13, 18
20, 23, 24, 27
IOM 0, puerto 2
20
1
Ranura 9, puerto 3
5, 9, 13, 18
20, 23, 24, 27
IOM 1, puerto 0
17
0
Ranura 9, puerto 2
25, 29, 33, 37
22, 25, 26, 28
IOM 0, puerto 2
20
1
Ranura 3, puerto 3
25, 29, 33, 37
22, 25, 26, 28
IOM 1, puerto 0

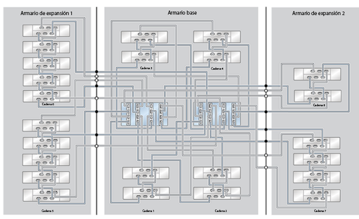
En los siguientes diagramas, se ilustra cómo cablear los sistemas montados en rack y cómo expandir el sistema en el futuro. La leyenda de cada diagrama es la siguiente:

  • Un círculo hueco indica la conexión de cable con el IOM superior (IOM 1).

  • Un círculo relleno indica la conexión de cable con el IOM inferior (IOM 0).

Figura 832  Configuración de ZS4-4 Racked System para capacidad: 10 estantes de discos DE2-24C

image:ZFS Storage Appliance Racked System ZS4-4: 10 estantes de discos DE2-24C

Figura 833  Configuración de ZS4-4 Racked System para capacidad: 12 estantes de discos DE2-24C

image:ZFS Storage Appliance Racked System ZS4-4: 12 estantes de discos DE2-24C

Figura 834  Configuración de ZS4-4 Racked System para capacidad: 13 estantes de discos DE2-24C (medio rack)

image:ZFS Storage Appliance Racked System ZS4-4: 13 estantes de discos DE2-24C

Figura 835  Configuración de ZS4-4 Racked System para capacidad: 14 estantes de discos DE2-24C

image:ZFS Storage Appliance Racked System ZS4-4: 14 estantes de discos DE2-24C

Figura 836  Configuración de ZS4-4 Racked System para capacidad: 16 estantes de discos DE2-24C

image:ZFS Storage Appliance Racked System ZS4-4: 16 estantes de discos DE2-24C

Figura 837  Configuración de ZS4-4 Racked System para capacidad: 18 estantes de discos DE2-24C

image:ZFS Storage Appliance Racked System ZS4-4: 18 estantes de discos DE2-24C

Figura 838  Configuración de ZS4-4 Racked System para capacidad: 20 estantes de discos DE2-24C

image:ZFS Storage Appliance Racked System ZS4-4: 20 estantes de discos DE2-24C

Figura 839  Configuración de ZS4-4 Racked System para capacidad: 22 estantes de discos DE2-24C

image:ZFS Storage Appliance Racked System ZS4-4: 22 estantes de discos DE2-24C

Figura 840  Configuración de ZS4-4 Racked System para capacidad: 23 estantes de discos DE2-24C (medio rack)

image:ZFS Storage Appliance Racked System ZS4-4: 23 estantes de discos DE2-24C

Figura 841  Configuración de ZS4-4 Racked System para capacidad: 24 estantes de discos DE2-24C

image:ZFS Storage Appliance Racked System ZS4-4: 24 estantes de discos DE2-24C

Figura 842  Configuración de ZS4-4 Racked System para capacidad: 26 estantes de discos DE2-24C

image:ZFS Storage Appliance Racked System ZS4-4: 26 estantes de discos DE2-24C

Figura 843  Configuración de ZS4-4 Racked System para capacidad: 28 estantes de discos DE2-24C

image:ZFS Storage Appliance Racked System ZS4-4: 28 estantes de discos DE2-24C