Go to main content

Guía de cableado de Oracle® ZFS Storage Appliance, versión OS8.8.x

Salir de la Vista de impresión

Actualización: Agosto de 2021
 
 

Configuraciones de ZS9-2 MR Racked System para solo unidades flash/combinación

En esta sección, se proporcionan una descripción general y diagramas de cableado para sistemas ZS9-2 MR Racked System que tienen configuraciones para solo unidades flash/combinación con estantes de discos DE3-24P o con una combinación de estantes de discos DE3-24P y DE3-24C. Los estantes de discos DE3-24P de alto rendimiento están compuestos por 20 o 24 SSD que solo tienen unidades flash, o 20 o 24 unidades de disco duro de alta velocidad. Algunas configuraciones incluyen dispositivos de log y/o caché de lectura. Las configuraciones de rendimiento máximo admiten estantes de discos DE3-24P, mientras que las configuraciones de rendimiento óptimo admiten estantes de discos DE3-24P y DE3-24C. Algunas configuraciones no admiten los armarios de expansión.

En esta sección, se incluyen los siguientes temas:

Descripción general de configuraciones de ZS9-2 MR Racked System para solo unidades flash/combinación

Las configuraciones para solo unidades flash/combinación aprovechan los estantes de discos DE3-24P de alto rendimiento y están disponibles en un armario base o en un armario base con un máximo de un armario de expansión. Se ofrecen seis opciones de armario base en un total de 27 configuraciones de sistema posibles; todas las opciones de armario base incluyen dos controladores ZS9-2 MR.


Notas -  Si bien Oracle ZFS Storage Appliance Racked System ZS9-2 tiene configuraciones preestablecidas, se puede actualizar in situ a cualquier configuración compatible para Oracle ZFS Storage ZS9-2. Por ejemplo, para actualizar el sistema en rack, puede agregar un estante de discos a una configuración de dos estantes de discos, realizar el cableado del nuevo estante de discos y luego volver a conectar los estantes de discos. De esta manera, se obtienen tres estantes de discos aunque el sistema en rack no se presente en una configuración de tres estantes discos. Las actualizaciones complejas requieren mucho trabajo de planificación y recableado.

Las configuraciones de ZS9-2 MR Racked System para rendimiento máximo presentan hasta cuatro estantes de discos Oracle Storage Drive Enclosure DE3-24P en el armario base. Los estantes de discos se configuran como un único estante por cadena para obtener un rendimiento máximo. Según el número de cadenas del armario base, las configuraciones de ZS9-2 MR Racked System para rendimiento máximo pueden admitir un armario de expansión.

Tabla 16  Componentes de las configuraciones de ZS9-2 MR Racked System para rendimiento máximo
Armario base
Armario de expansión
Hasta 4 estantes de discos DE3-24P
Configuraciones de fábrica: 1, 2 o 4 estantes de discos DE3-24P
Dos controladores ZS9-2 MR
Hasta 10 estantes de discos DE3-24C

Las configuraciones de ZS9-2 MR Racked System para rendimiento óptimo presentan hasta 18 estantes de discos Oracle Storage Drive Enclosure DE3-24, así como varias combinaciones de estantes de discos Oracle Storage Drive Enclosure DE3-24C y DE3-24P en el armario base. Según el número de cadenas del armario base, las configuraciones de ZS9-2 MR Racked System para rendimiento óptimo pueden admitir hasta un armario de expansión.

Tabla 17  Componentes de las configuraciones de ZS9-2 MR Racked System para rendimiento óptimo
Armario base
Armario de expansión
Hasta 18 estantes de discos DE3-24P

    Configuraciones de fábrica:

  • Estantes de discos DE3-24P: 2, 4, 6, 8, 10, 12, 14, 16 o 18

  • Estantes de discos DE3-24C/DE3-24P combinados:

    • 2 DE3-24C/2 a 14 DE3-24P

    • 4 DE3-24C/2 a 10 DE3-24P

    • 6 DE3-24C/2 a 6 DE3-24P

    • 8 DE3-24C/2 DE3-24P

Dos controladores ZS9-2 MR
Hasta 10 estantes de discos DE3-24C

Las configuraciones de ZS9-2 MR Racked System para solo unidades flash/combinación admiten diversas opciones de almacenamiento.

Tabla 18  Tipos de dispositivo de estantes de discos de ZS9-2 MR Racked System y configuraciones permitidas
Estante de discos
Dispositivos de datos
Dispositivos de caché de lectura
Dispositivos de log
DE3-24P, solo flash
SSD de 7,68 TB: 24 en las ranuras 0 a 23 o 20 en las ranuras 0 a 19
No permitido
SSD de 200 GB en las ranuras de 20 a 23
DE3-24P
HDD de 1,2 TB: 24 en las ranuras de 0 a 23 o 20 en las ranuras de 0 a 19
SSD de 7,68 TB en las ranuras 20 a 23
SSD de 200 GB en las ranuras de 20 a 23
DE3-24C
HDD de 10 o 14 TB: 24 en las ranuras 0 a 23 o 20 en las ranuras 0 a 19
SSD de 7,68 TB en las ranuras 20 a 23
SSD de 200 GB en las ranuras de 20 a 23

Configuraciones de armario base para configuraciones de ZS9-2 MR Racked System para solo unidades flash/combinación

Las configuraciones de ZS9-2 MR Racked System para solo unidades flash/combinación tienen dos HBA SAS-3 en cada controlador, que proporcionan un máximo de ocho puertos de conectividad HBA SAS-3.

El orden de numeración de los puertos del HBA SAS-3 es ascendente, desde abajo (puerto 0) hacia arriba (puerto 3). Tanto las tarjetas del HBA SAS-3 como los estantes de discos DE3-24 usan conectores SFF 8644.

En la siguiente figura se muestra el número de ranura de cada tarjeta del HBA y los números de puertos en cada tarjeta.

Figura 712  Números de ranura del HBA del controlador ZS9-2 MR (vista posterior)

image:En este gráfico, se muestra el panel posterior del ZS9-2 MR con los números de ranuras del HBA.

Como se muestra en la siguiente figura, el estante de discos DE3-24P tiene dos módulos de E/S (IOM) con cuatro puertos cada uno. En todas las configuraciones de cableado, el puerto 1 y el puerto 3 nunca se usan.

Figura 713  Conexiones del HBA del estante de discos DE3-24P (vista posterior)

image:En esta imagen, se muestra el panel posterior del estante de discos DE3-24P con las conexiones del HBA.

Como se muestra en la siguiente figura, el estante de discos DE3-24C tiene dos módulos de E/S (IOM) con cuatro puertos cada uno. En todas las configuraciones de cableado, el puerto 1 y el puerto 3 nunca se usan.

Figura 714  Conexiones del HBA del estante de discos DE3-24C (vista posterior)

image:En esta imagen, se muestra el panel posterior del estante de discos DE3-24C con las conexiones del HBA.

Las configuraciones de cableado de ZS9-2 MR Racked System siguen metodologías de conexión de cables estándar con restricciones adicionales que permiten el uso del organizador de cables (CMA). Proporcionan una implementación más práctica para la asociación con dispositivos de caché de lectura y dispositivos de log SSD, y se los puede configurar para rendimiento máximo u óptimo.

Los cambios de versiones que representen un cambio en el número de tarjetas del HBA SAS-3 o que incluyan más de un armario que no sea un sistema ZS9-2 MR Racked System original o que no sea compatible con ZS9-2 MR Racked System se deberán volver a cablear para esa configuración específica. Para ver ejemplos de cableado de conexión de estantes de discos DE3-24 con un controlador ZS9-2 MR con HBA SAS-3 de puerto 4x4, consulte Cableado de estantes de discos DE3-24 con controladores ZS9-2 de gama intermedia (MR). Para obtener directrices acerca de la longitud de los cables SAS, consulte Directrices de cableado y armarios.

Los armarios son independientes y vienen cableados de acuerdo con la metodología de cableado requerida. En los siguientes diagramas, se ilustran las conexiones de cables de las seis opciones de armario base.

Figura 715  Configuración de ZS9-2 MR Racked System para rendimiento: cuatro estantes de discos DE3-24P (rendimiento máximo)

image:En esta imagen, se muestra el sistema ZS9-2 MR Racked System con cuatro estantes de discos DE3-24P en cuatro cadenas.

Esta configuración puede tener uno, dos o cuatro estantes de discos DE3-24P que utilicen el esquema de cableado de rendimiento máximo.

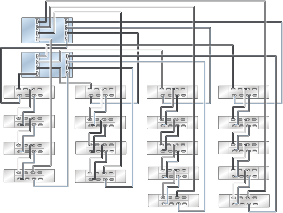
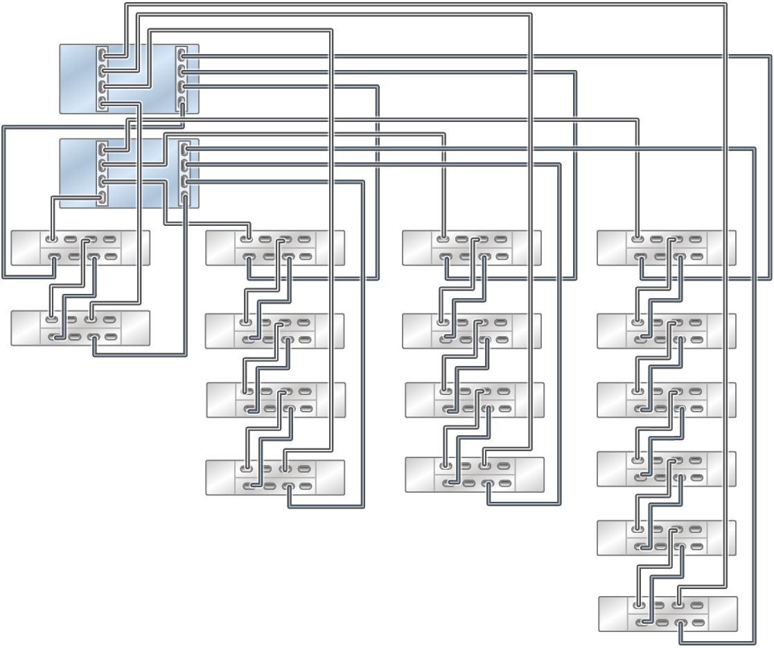
Figura 716  Configuración de ZS9-2 MR Racked System para rendimiento: 18 estantes de discos DE3-24P (rendimiento óptimo)

image:En esta figura, se muestra la configuración de ZS9-2 MR Racked System para rendimiento con 18 estantes de discos DE3-24P en cuatro cadenas.

En esta configuración, los estantes de discos DE3-24P se agregan en pares. Cualquier otra combinación de estantes de discos se agrega en pares comenzando desde la parte inferior del rack. Combinaciones válidas de recuento de estantes de discos: 2, 4, 6, 8, 10, 12, 14, 16 y 18 estantes de discos.

Figura 717  Configuración de ZS9-2 MR Racked System para rendimiento: 2 estantes de discos DE3-24C (abajo a la izquierda) y 2 a 14 estantes de discos DE3-24P (rendimiento óptimo)

image:En esta figura, se muestra la configuración de ZS9-2 MR Racked System para rendimiento con 2 estantes de discos DE3-24C y 2 a 14 estantes de discos DE3-24P en 4 cadenas.

En esta configuración, los estantes de discos DE3-24P se agregan en pares. Cualquier otra combinación de estantes de discos se agrega en pares comenzando desde la parte inferior del rack. Combinaciones válidas de recuento de estantes de discos: 2, 4, 6, 8, 10, 12, 14 y 16 estantes de discos.

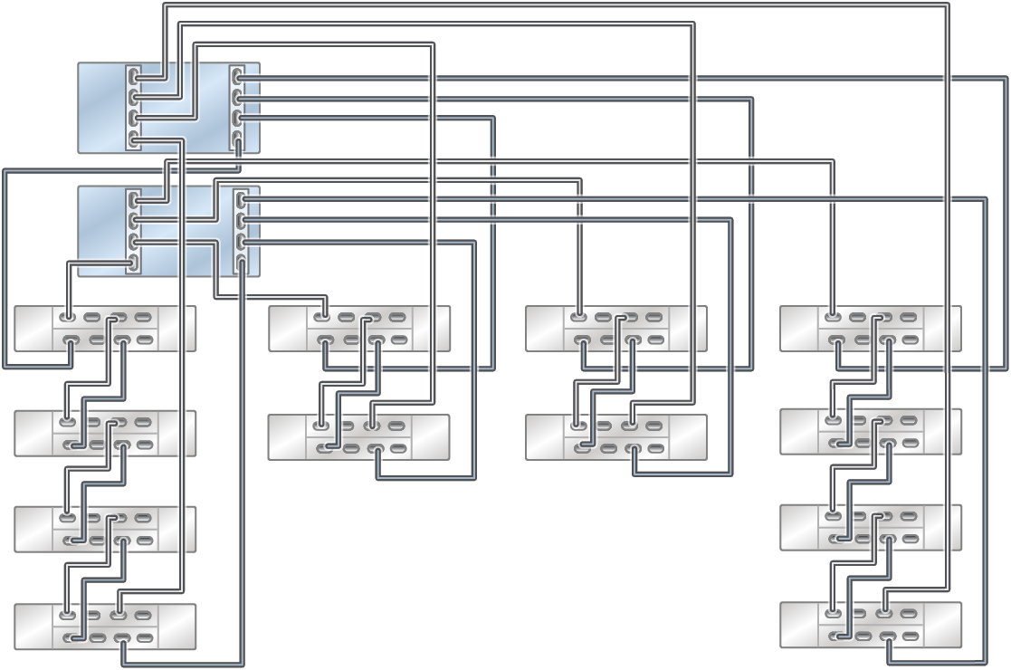
Figura 718  Configuración de ZS9-2 MR Racked System para rendimiento: 4 estantes de discos DE3-24C (abajo a la izquierda) y 2 a 10 estantes de discos DE3-24P (rendimiento óptimo)

image:En esta figura, se muestra la configuración de ZS9-2 MR Racked System para rendimiento con 4 estantes de discos DE3-24C y 2 a 10 estantes de discos DE3-24P en 4 cadenas.

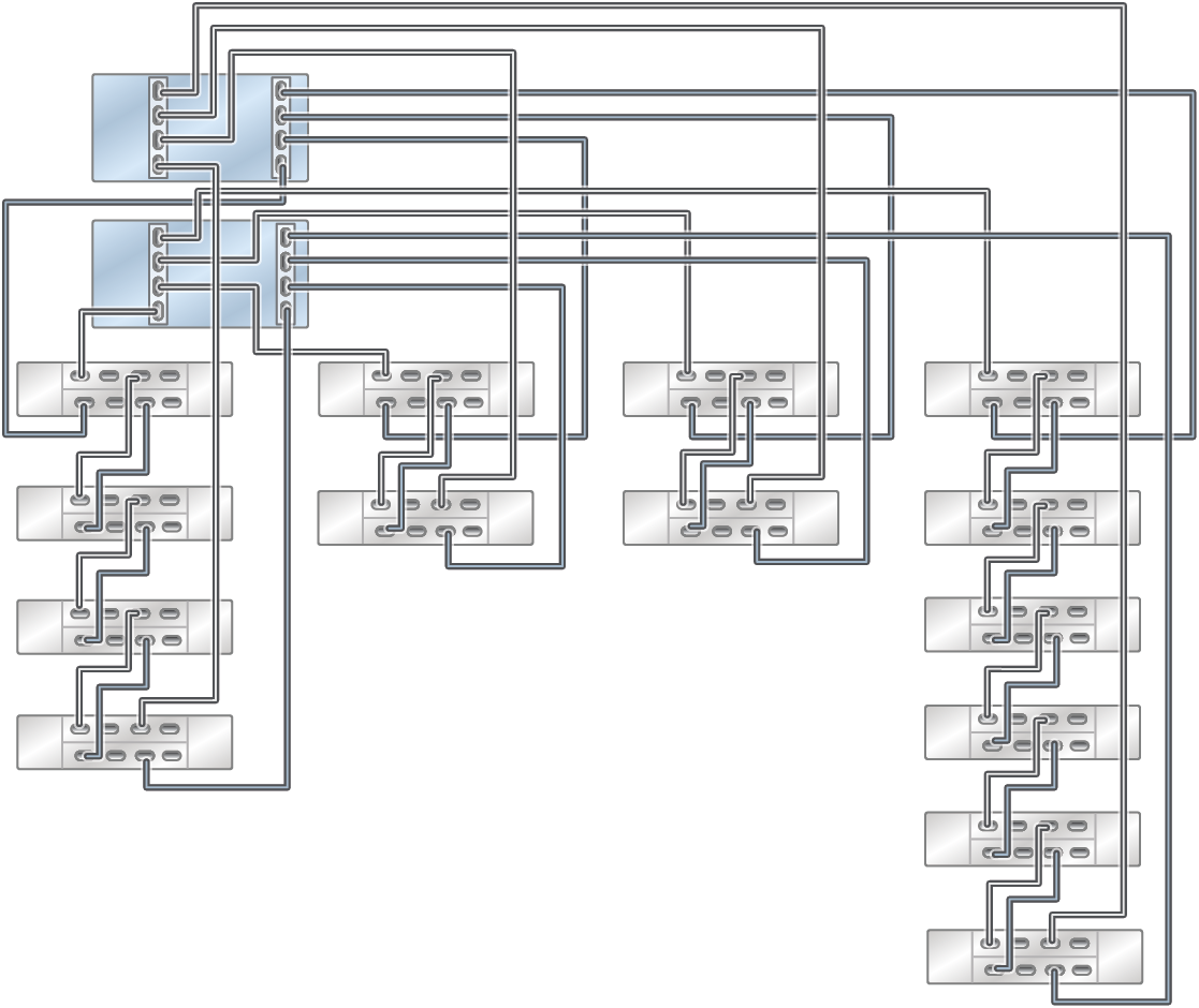
Figura 719  Configuración de ZS9-2 MR Racked System para rendimiento: 6 estantes de discos DE3-24C (dos primeras cadenas desde la izquierda) y 2 a 6 estantes de discos DE3-24P (rendimiento óptimo)

image:En esta imagen, se muestra un sistema ZS9-2 MR Racked System para solo unidades flash con seis estantes de discos DE3-24C y dos a seis estantes de discos DE3-24P en cuatro cadenas.

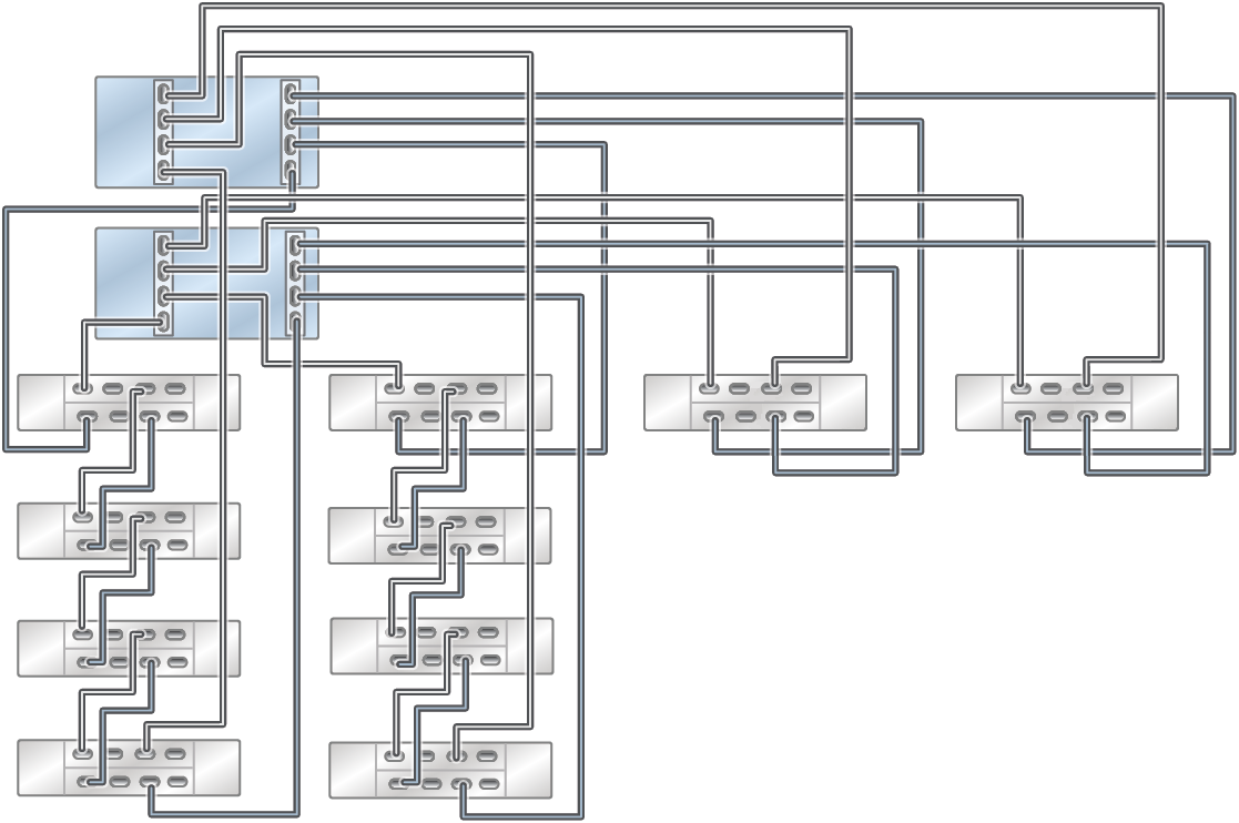
Figura 720  Configuración de ZS9-2 MR Racked System para rendimiento: ocho estantes de discos DE3-24C (dos primeras cadenas desde la izquierda) y dos estantes de discos DE3-24P (rendimiento óptimo)

image:En esta imagen, se muestra el sistema ZS9-2 MR Racked System con ocho estantes de discos DE3-24C y dos estantes de discos DE3-24P en cuatro cadenas.